メカニカル部品技術窓口
ミスミ品のみ対象
構造合理化により、3万円台からの低価格を実現しました。オリエンタルモーターのACブラシレスモータ搭載コ...
詳細を確認取付方法/使用例

[ ! ]A*は下記 「*A寸法詳細(モータ
全長)」 表をご参照ください。


X部(M5用)



| フレーム | モータカバー | プーリホルダ | |
| [ M ]材質 | アルミ材 | アルミ材 | アルミ材 |
| [ S ]表面処理 | アルマイト処理 | 塗 装 | 塗 装 |
| 型式 | B | L | モータ | ベルト仕様 | モータメーカー選択 | ||||||||||||
| − | − | − | − | − | |||||||||||||
| 出力 | − | 電圧 | − | 仕様 | − | ギヤヘッド 減速比 | |||||||||||
| SVKB SVKB | − − | 100 100 | − − | 1000 1000 | − − | 25 25 | − − | T100 NV | − − | IM NM | − − | 25 NH | − − | H H | − − | C R | (モータ・ギヤヘッドなし) |
| 型式 | B 選択 | L 指定5mm単位 | モータ選択 | ベルト仕様 | モータメーカ選択 [ ! ]メーカごとに価格が異なります。 | |||||||
| 出力(W) | 電圧(V) | 仕様 | ギヤヘッド減速比 | |||||||||
| SVKB | 50 | 300 ~ 3000 [ NG ]出力6のときL≧2005選定不可 | 6 25 | T100 (単相) T200 (単相) | IM (インダクションモータ) SCM (スピードコントロールモータ) | H(一般用・緑) W(一般用・白) G(スライディング用・緑) S(スライディング用・白) D(電子部品搬送用・黒) F(食品搬送用・白) O(耐油仕様・紺) N(非粘着仕様・白) J(ベルトなし) ※モータメーカBの場合下表の「ベルト仕様」からご選定ください | AS(住友重機械工業) B(オリエンタルモーター) C(台湾製モータ) ※Cは搬送速度が20%程度低くなる 可能性があります。 | |||||
| 5 | 7.5 | 9 | 12.5 | 15 | ||||||||
| 18 | 25 | 30 | 36 | 50 | ||||||||
| 60 | 75 | 90 | 100 | |||||||||
| 120 | 150 | 180 | ||||||||||
| [ NG ]出力6のとき 5~9適用不可 | ||||||||||||
| 25 | S200 (三相) | IM(インダクションモータ) INVM(インダクションモータ+三菱製インバータ) INVC(インダクションモータ+ CC-Link対応三菱製インバータ) | ||||||||||
| 6 25 | NV (モータなし) | NM(モータなし) | NH(ギヤヘッドなし) | R(モータ・ギヤヘッドなし) | ||||||||
| ベルト幅 B(mm) | プーリ間長さL(mm) | |||||
| 500 | 1000 | 1500 | 2000 | 2500 | 3000 | |
| 50 | 3.7 | 4.8 | 5.8 | 6.9 | 7.9 | 9 |
| 100 | 4.4 | 5.8 | 7.3 | 8.7 | 10.4 | 11.8 |
| 150 | 5 | 6.8 | 8.7 | 10.5 | 12.8 | 14.6 |
| 200 | 5.7 | 7.9 | 10.1 | 12.3 | 15.1 | 17.3 |
| 250 | 6.3 | 8.9 | 11.6 | 14.3 | 17.3 | 20 |
| 300 | 6.8 | 10.5 | 11.9 | 16 | 19 | 22.1 |
| 400 | 8.2 | 12.4 | 15 | 19.7 | 23.9 | 27.7 |
| 出力(W) | モータ | 減速比 | A | |
| 仕様 | メーカ | |||
| 6W | インダクションモータ | 住友重機械工業 | 12.5〜18 | 105 |
| 25〜180 | 115 | |||
| オリエンタルモーター | 12.5〜18 | 105 | ||
| 25〜180 | 115 | |||
| 台湾製 | 12.5〜75 | 115 | ||
| 90〜180 | 122 | |||
| スピードコントロールモータ | 住友重機械工業 | 12.5〜18 | 115.8 | |
| 25〜180 | 125.8 | |||
| オリエンタルモーター | 12.5〜18 | 115 | ||
| 25〜180 | 125 | |||
| 台湾製 | 12.5〜75 | 127 | ||
| 90〜180 | 134 | |||
| 25W | インダクションモータ | 住友重機械工業 | 5〜18 | 117 |
| 25〜180 | 127.5 | |||
| オリエンタルモーター | 5〜18 | 117 | ||
| 25〜180 | 127.5 | |||
| 台湾製 | 5〜75 | 129 | ||
| 90〜180 | 136 | |||
| スピードコントロールモータ | 住友重機械工業 | 5〜18 | 127.8 | |
| 25〜180 | 138.3 | |||
| オリエンタルモーター | 5〜18 | 127 | ||
| 25〜180 | 137.5 | |||
| 台湾製 | 5〜75 | 139.5 | ||
| 90〜180 | 146.5 | |||
■搬送能力
*参考値

[ ! ]アキューム搬送(スライディングベルトのみ適用)の場合は
グラフの1/2以下の搬送能力でご検討ください。
*参考値
| ギヤヘッド減速比 | ベルト速度(m/min) | |
| 50Hz | 60Hz | |
| 5 | 56.4 | 67.7 |
| 7.5 | 37.6 | 45.1 |
| 9 | 31.3 | 37.6 |
| 12.5 | 22.6 | 27.1 |
| 15 | 18.8 | 22.6 |
| 18 | 15.7 | 18.8 |
| 25 | 11.3 | 13.5 |
| 30 | 9.4 | 11.3 |
| 36 | 7.8 | 9.4 |
| 50 | 5.6 | 6.8 |
| 60 | 4.7 | 5.6 |
| 75 | 3.8 | 4.5 |
| 90 | 3.1 | 3.8 |
| 100 | 2.8 | 3.4 |
| 120 | 2.4 | 2.8 |
| 150 | 1.9 | 2.3 |
| 180 | 1.6 | 1.9 |
[ ! ]モータのW数、ギヤヘッド減速比の選び方、搬送能力表の見方などは >>こちらをご参照ください。
[ ! ]その他コンベヤの選定方法については>>こちらをご参照ください。
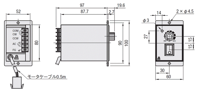
■オリエンタルモータスピードコントローラ外形図
6W/25W/40W共通
コントロールユニット裏面
白
黒
単相100V用プラグ(付属品)
(単相200V用はリード線)
接地
(アース用リード線:緑)
*図の接続でモータ軸は時計方向に回転します。
点線の位置に差し替えると反時計方向に回転します。

[ ! ]モータケーブルは延長できません。


| モータ | オリエンタルモータ | 台湾製モータ | 住友重機械工業 | ||||||
| モータユニット型番 | ギヤヘッド型番 ※□には減速比 が入ります | モータユニット型番 | ギヤヘッド型番 ※□には減速比 が入ります | モータ型番 | コントローラ 型番 | ギヤヘッド型番 ※□には減速比 が入ります | |||
| 出力 | 仕様 | 電圧 | |||||||
| 6W | スピードコント ロールモータ | 単相100V | US206-401 | 2GN□□S | PACMSV-UT60-W6-V100 | PACMGXT60-□□ | A6U06A | CAU06A | G6□D |
| 単相200V | US206-402 | PACMSV-UT60-W6-V200 | A6U06C | CAU06C | |||||
| 単相110V・115V | US206-401U2 | PACMSVW-UT60-W6-V110 | ― | ― | ― | ||||
| 単相220V・230V | US206-402E2 | PACMSVW-UT60-W6-V220 | ― | ― | ― | ||||
| 25W | スピードコント ロールモータ | 単相100V | US425-401 | 4GN□□S | PACMSV-UT80-W25-V100 | PACMGXT80-□□ | A8U25A | CAU25A | G8□D |
| 単相200V | US425-402 | PACMSV-UT80-W25-V200 | A8U25C | CAU25C | |||||
| 単相110V・115V | US425-401U2 | PACMSVW-UT80-W25-V110 | ― | ― | ― | ||||
| 単相220V・230V | US425-402E2 | PACMSVW-UT80-W25-V220 | ― | ― | ― | ||||
| 備考 | [ ! ]スピードコントロールモータには次のものが含まれています。 | [ ! ]スピードコントロールモータには次のものが含まれています。 [ NG ]スピードコントロールモータのモータケーブルは延長できません。 | [ ! ]スピードコントロールモータに使用するには | ||||||
| モータ | 延長用接続ケーブル型番 | ||||
| 出力 | 長さ | 単相100V、単相200V | 単相110V、単相115V | ||
| 単相220V、単相230V | |||||
| 6W | 1m | CC-1 | ![]() | CC01SU05 | ![]() |
| 25W | 2m | CC-2 | CC02SU05 | ||
| 3m | CC-3 | CC03SU05 | |||
| 4m | CC-4 | CC04SU05 | |||
| ・継ぎ足しできるケーブルの最大延長距離は4mです。 | ・継ぎ足しできるケーブルの最大延長距離は10mです。 | ||||
| モータ | 延長用接続ケーブル型番 | ||
| 出力 | 長さ | 単相100V、単相200V | |
| 6W 25W | 1m | EAWE10 | ![]() |
| 2m | EAWE20 | ||
| 3m | EAWE30 | ||
| 4m | EAWE40 | ||
| ・使用できるケーブルの最大延長距離は4mです。 | |||
| 仕様 | INVM | INVC |
| メーカ | 三菱電機株式会社 | 三菱電機株式会社 |
| 型式 | FR-D720-0.1K | R-E820-0.1K-1 ※CC-Linkカード: FR-A8NC E-KIT 同梱 |
| 電源 | 三相200V | 三相200V |
| 備考 | CC-Link通信対応 |
| 挿入位置 | コンベヤ側面の溝に挿入済み(4個/1溝) 追加ザグリ穴(FYA/FYB)選択時は追加挿入可能(別売) | 後入れナット(別売) 加工・分解無しで挿入可能 | ||||||
| 品名 | 型番 | ねじの呼び | ピッチ | 品名 | 型番 | ねじの呼び | ピッチ | |
| X部 | JIS1種六角ナット | LBNR5 | M5 (並目) | 0.8 | コンベヤ用後入れナット (10個入り) | PACK-CHNT5-4 | M4 (並目) | 0.7 |
| PACK-CHNT5-3 | M3 (並目) | 0.5 | ||||||
外形図へ戻る①コンベヤ型番確定後、型番下に表示される「構成部品一覧」ボタンを押してください。

②構成部品一覧と展開図(立体分解図)が表示されます。
③展開図にて必要部品の展開図番号を確認し、構成部品一覧からお選び・ご購入いただけます。
[ ! ]「構成部品一覧」からご注文いただけない部品は、コンベヤ型番・展開図番号・数量を指定し、
カタログ規格外品サービスにてお見積り・お問い合わせください。
| 追加工 コード | 追加工内容 | 適用条件 | 指定例 | \/1Code | |||||||||||||||||||||||||||||
| MK | モータ位置勝手違い![]() | モータ位置が変更できます。 ヘッド駆動タイプのみ指定できます。 〈指定方法〉:MK | [ ! ]一部機種はMKを追加することにより、関連する部品も変更されます。 | SVKB-100-1000-25- T100-IM-25-H-C-MK | 6,000 | ||||||||||||||||||||||||||||
| FYA FYB | 追加ザグリ穴 ヘッド駆動 ![]() | 追加でナット挿入用のザグリ穴を手前と奥のフレームに加工します。 〈指定方法〉:FYA300
| [ ! ]FYA・FYB=指定5mm単位 [ ! ]FYB-FYA≧15 [ ! ]指定範囲は左記表となります。 | SVKB-100-1000-25- T100-IM-25-H-C-FYA50 | 1,200 | ||||||||||||||||||||||||||||
| SCB | スピードコントローラ用ブラケット付属 (ブラシレスモータのコントローラにも適用可) ![]() <スピードコントローラブラケット規格図> ①スピードコントローラブラケット | スピードコントローラ用の取付ブラケットを付属します。 〈指定方法〉: SCB 住友重機械工業・オリエンタルモーター・台湾製モータのコントローラに対応します。 | [ ! ]ブラケット取付用ねじ2個付属 [ ! ]コントローラ取付用ねじ(M4x8)2本付属 [ ! ]コンベヤによっては、スペース上取り付かない場合があります。 [ ! ]コンベヤ型式やモータ仕様によりブラケットの形状が異なります。 | SVKB-100-1000-25- T100-IM-25-H-C-SCB | 800 | ||||||||||||||||||||||||||||
| CW | モータカバー窓付きタイプ![]() ヘッド駆動 中間駆動 | モーターカバー窓付きタイプに変更できます。 〈指定方法〉:CW | [ ! ]メンテナンス用に樹脂プレート単品でも購入可能 | SVKB-100-1000-25- T100-IM-25-H-C-CW | 3,000 | ||||||||||||||||||||||||||||
| ANT□ | 後入れナット付属![]() | ミスミコンベヤフレーム溝用の後入れナットを付属します。 材質:SUS316相当・焼結 〈指定方法〉:ANT5-Q8-4 | [ ! ]後入れナット詳細はこちら
| SVKB-100-1000-25- T100-IM-25-H-C-ANT5-Q8-4 |
| ||||||||||||||||||||||||||||
| TBM | 端子箱付モータ ■オリエンタル仕様 ![]() | インダクションモータを端子箱付きのタイプに変更します。 〈指定方法〉:TBM | [ ! ]オリエンタル仕様のみ選定可能。 ※5日目商品は納期が+3日となります。 | SVKB-100-1000-25- T100-IM-25-H-C-TBM | 5,000 | ||||||||||||||||||||||||||||
| 追加工 コード | コンベヤ用スタンド追加 | 適用条件 | 指定例 | |||||||||||||||||||||||||||||||||||||||||||||||||||||||||||||||||||||||||||||||||
| NA□ | ■コンベヤスタンドI型 ベルト幅≦140mm (アジャスタボルトタイプ、スタンド□台+補強材) ![]() *1 D寸法対応表
| コンベヤにコンベヤ用スタンドを追加します。 〈指定方法〉: NA1-H750-PN WA3-H1200-P400 [ ! ]コンベヤ本体の溝サイズに合わせたボルト・ナットが付属します。 [ ! ]プーリ間機長L寸≧1000(GVシリーズはL寸≧1400)の場合、2本以上のスタンド取付を推奨しております。 [ ! ]コンベヤ用スタンド1台に図面一点鎖線部が(□-1)台追加された仕様です。 [ ! ]納期はコンベヤの標準納期と同一
■NA□・WA□取付寸法表
*取付箇所は下溝を想定した寸法
| [ ! ]□=1の場合、④アルミフレーム、⑤ブラケットは付属しません。 [ ! ]□=1の場合自立しません。[ ! ]□≧2の場合に④アルミフレームが不要の場合は本追加工ではなく、単品のCSTS、CSTWをご注文ください。 [ ! ]スタンドは部品を分割して発送いたします。お客様にて組立が必要です。 [ NG ]GVシリーズの場合、NA3、NA4、WA3、WA4は適用不可 | SVKB-100-1000-25- T100-IM-25-H-C-NA1-H800-PN | ||||||||||||||||||||||||||||||||||||||||||||||||||||||||||||||||||||||||||||||||
| WA□ | ■コンベヤスタンドH型 ベルト幅≧150mm (アジャスタボルトタイプ、スタンド□台+補強材) ![]() | SVKB-100-1000-25- T100-IM-25-H-C-WA2-H800-P500 | ||||||||||||||||||||||||||||||||||||||||||||||||||||||||||||||||||||||||||||||||||
| \/1Code | ||||||||||||||||||||||||||||||||||||||||||||||||||||||||||||||||||||||||||||||||||||
| スタンド合計金額は(基準単価+追加スタンド価格x(□-1)となります。
〈基準単価〉 + 〈追加スタンド価格〉 = 〈スタンド合計金額〉 例)NA1-H800-PN → 6,860円 + 0円 = 6,860円 例)NA3-H1000-P900 → 7,470円 + 10,260x(3-1)円 = 27,990円 コンベヤ用スタンドI型(NA□)
コンベヤ用スタンドH型(WA□)
| ||||||||||||||||||||||||||||||||||||||||||||||||||||||||||||||||||||||||||||||||||||
| 型式 | B | ¥本体価格 1〜9コ | |||||||||||||||||||||
| L300〜400 | L405〜500 | L505〜600 | L605〜700 | L705〜800 | L805〜900 | L905〜1000 | L1005〜1100 | L1105〜1200 | L1205〜1300 | L1305〜1400 | L1405〜1500 | L1505〜1600 | L1605〜1700 | L1705〜1800 | L1805〜1900 | L1905〜2000 | L2005〜2200 | L2205〜2400 | L2405〜2600 | L2605〜2800 | L2805〜3000 | ||
| SVKB | 50 | 51,980 | 54,080 | 57,120 | 60,380 | 63,110 | 66,470 | 67,940 | 69,300 | 69,620 | 69,930 | 70,460 | 70,770 | 72,350 | 73,710 | 74,240 | 74,550 | 75,180 | 80,850 | 81,380 | 81,800 | 82,320 | 82,740 |
| 100 | 55,760 | 59,540 | 62,900 | 65,840 | 67,940 | 71,820 | 73,500 | 74,970 | 75,500 | 76,020 | 76,440 | 76,860 | 78,540 | 80,220 | 80,850 | 81,480 | 82,110 | 88,310 | 90,090 | 90,620 | 91,250 | 91,880 | |
| 150 | 61,530 | 65,840 | 69,410 | 70,670 | 73,400 | 77,700 | 79,590 | 81,480 | 82,220 | 82,850 | 83,580 | 84,210 | 86,420 | 88,310 | 90,300 | 91,250 | 91,980 | 98,070 | 100,280 | 102,270 | 103,320 | 104,160 | |
| 200 | - | 70,880 | 73,710 | 75,290 | 76,760 | 81,380 | 83,370 | 85,370 | 86,000 | 86,730 | 87,570 | 88,310 | 90,410 | 92,510 | 94,610 | 96,810 | 97,760 | 102,900 | 105,210 | 107,420 | 108,470 | 109,520 | |
| 250 | - | - | 80,640 | 81,590 | 82,530 | 88,310 | 90,720 | 93,140 | 93,980 | 95,030 | 96,180 | 97,130 | 99,650 | 102,270 | 104,790 | 107,310 | 110,040 | 114,450 | 117,080 | 120,020 | 121,170 | 122,640 | |
| 300 | - | - | - | 114,560 | 115,500 | 116,340 | 119,180 | 121,380 | 122,220 | 124,850 | 127,470 | 130,100 | 135,980 | 138,600 | 141,120 | 143,750 | 146,370 | 152,670 | 157,610 | 164,010 | 170,420 | 175,250 | |
| 400 | - | - | - | - | 124,740 | 127,680 | 128,520 | 130,940 | 131,670 | 134,400 | 137,240 | 139,970 | 146,270 | 149,000 | 151,620 | 154,460 | 157,190 | 163,590 | 168,740 | 175,560 | 182,280 | 187,430 | |
| モータ 仕様価格 | モータ出力 | 仕様 | AS(住友重機械工業) | B(オリエンタルモーター) | C(台湾製モータ) | R(モータ・ギヤヘッドなし) |
| 6W | IM | 本体価格+¥ 5,000 | 本体価格のみ | 本体価格-¥6,000 | ||
| 25W | SCM | 本体価格+¥11,000 | 本体価格+¥6,000 | |||
| 25W | INVM | 本体価格+¥14,400 | 本体価格+¥9,400 | |||
| INVC | 本体価格+¥26,000 | 本体価格+¥21,000 | ||||
| ベルト 仕様価格 | 標準ベルト | オプションベルト1 | オプションベルト2 | ベルトなし |
| 本体価格のみ | 本体価格+¥3,000 | 本体価格+¥5,500 | 本体価格−¥4,000 |
| 数量区分 | 標準対応 | 個別対応 | |
| 小口 | 大口 | 大口 | |
| 数 量 | 1〜5 | 6〜9 | 10〜 |
| 値引率 | 基準単価 | 基準単価 | お見積り |
| 出荷日 | 通常 | 通常 | お見積り |
| 8 | 日目出荷 |
![]() | ご不明点等は>>こちら |
| 種類 | SVシリーズ 蛇行抑制桟付ヘッド駆動2溝フレーム φ30 | GVシリーズ フルベルトタイプ ヘッド駆動2溝フレーム(プーリ径30mm) | SVシリーズ/ACブラシレスモータ搭載 -ヘッド駆動2溝フレーム(プーリ径30mm)- | GVシリーズ フルベルトタイプ/ACブラシレスモータ搭載 -ヘッド駆動2溝フレーム(プーリ径30mm)- | モータ内蔵タイプ 3溝フレーム φ70 | SVシリーズ ヘッド駆動2溝フレーム(プーリ径30mm) |
|---|---|---|---|---|---|---|
| 写真 |
| |||||
| 駆動種類 | ヘッド駆動 | ヘッド駆動 | ヘッド駆動 | ヘッド駆動 | ヘッド駆動 | ヘッド駆動 |
| 最大搬送重量(kg) | 15 | 15 | 15 | 15 | 15 | 15 |
■選定ガイド
・選定手順などの選定方法は こちら
■モータ詳細
・モータ仕様・結線図は こちら
■オプション部品
・スタンド・ガイド・ホッパなどのオプション部品は こちら
■コンベヤ総合情報
・商品情報、技術情報などコンベヤ全般については こちら
| 型番 |
|---|
通常単価(税別)
(税込単価) | 通常出荷日 |
|---|
- ( - ) | 10日目 |
- ( - ) | 18日目 |
- ( - ) | 10日目 |
- ( - ) | 18日目 |
- ( - ) | 10日目 |
- ( - ) | 18日目 |
- ( - ) | 10日目 |
- ( - ) | 18日目 |
- ( - ) | 10日目 |
- ( - ) | 18日目 |
構造合理化により、3万円台からの低価格を実現しました。
オリエンタルモーターのACブラシレスモータ搭載コンベヤは「こちら」から
【規格追加】
住友重機械工業製モータを追加いたしました。
CC-Link対応三菱電機製インバータを追加いたしました。




通常価格、通常出荷日が表示と異なる場合がございます
通常価格、通常出荷日が表示と異なる場合がございます

ミスミ
平ベルトコンベヤ 【SVシリーズ】 中間駆動2溝フレーム Φ30
3.6
ミスミ
平ベルトコンベヤ【SVシリーズ】蛇行抑制桟付中間駆動2溝フレーム Φ30
2.8
ミスミ
平ベルトコンベヤ 【SVシリーズ】 ヘッド駆動2溝フレーム(プーリ径30mm)
4.7
ミスミ
平ベルトコンベヤ 【CVシリーズ】高出力タイプ 中間駆動3溝フレーム Φ60/30
0
ミスミ
タイミングベルトコンベヤ【GVシリーズ】 2列中間駆動2溝フレーム(プーリ径30mm)
4.3
ミスミ
平ベルトコンベヤ【GVシリーズ】 フルベルトタイプ 中間駆動2溝フレーム(プーリ径30mm)
5
ミスミ
タイミングベルトコンベヤ【GVシリーズ】 単列中間駆動2溝フレーム(プーリ径30mm)
4.5
ミスミ
平ベルトコンベヤ SVシリーズ 蛇行抑制桟付ヘッド駆動2溝フレーム Φ30
4.5
オークラ輸送機
エコノミータイプ 軽搬送ベルトコンベヤ(EMH/EMG型)
0