メカニカル部品技術窓口
ミスミ品のみ対象
人気のSVシリーズ蛇行抑制桟付コンベヤにACブラシレスモータを搭載。負荷が掛かっても一定速度。コンパク...
詳細を確認取付方法/使用例

A*は下記参照

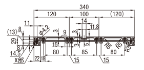
X部(M5用)



| フレーム | モータカバー | プーリホルダ | |
| [ M ]材質 | アルミ材 | アルミ材 | アルミ材 |
| [ S ]表面処理 | アルマイト処理 | 塗 装 | 塗 装 |
[ ! ]図中の寸法はベルト仕様H(厚み0.8mm)での寸法となります。ベルト厚みは、ベルト仕様によって異なるためご注意ください。 ベルト仕様はこちら〜をご参照ください。
[ ! ]ベルト長さ計算式:(2L+97) / 1.002 / 1000 小数点第3位四捨五入 単位:m (L=プーリ間長さ)| 型式 | − | B | − | L | − | モータ | − | ベルト仕様 | − | モータメーカー選択 | |||||||
| 出力 | − | 電圧 | − | 仕様 | − | ギヤヘッド 減速比 | |||||||||||
| SVKB2 | - | 100 | - | 1000 | - | 30 | - | T1 | - | ABM | - | 20 | - | H | - | B | |
| SVKB2 | - | 100 | - | 1000 | - | 30 | - | NV | - | NM | - | NH | - | H | - | R | (モータ・ギヤヘッドなし) |
| TYPE | B(ベルト幅) 選択(mm) | L(プーリ間長さ) 指定5mm単位 | モータ選択 | ベルト仕様 | モータメーカ | |||
| 出力(W) | 電圧(V) | 仕様 | ギヤヘッド減速比 | |||||
| SVKB2 | 50 100 150 200 250 300 400 | 300~3000 | 30 | T1 (単相100~120V) T2 (単相200~240V) S2 (三相200~240V) | ABM (ACブラシレスモータ) | 15 20 30 50 | H(一般仕様・緑) W(一般仕様・白) G(スライディング用・緑) S(スライディング用・白) D(電子部品搬送用) O(耐油仕様・紺) N(非粘着仕様・白) J(ベルトなし) | B (オリエンタルモータ) |
| NV (モータなし) | NM (モータなし) | NH (ギヤヘッドなし) | R (モータ・ギヤヘッドなし) | |||||
| ベルト仕様 | 標準ベルト(本体価格のみ) | オプションベルト1(+¥3,000) | オプションベルト2(+¥5,500) | ベルトなし(−¥4,000) |
| 一般用 | H(緑) W(白) | − | − | J (ベルトなし) |
| スライディング用 | G(緑) S(白) | − | − | |
| 傾斜搬送用 | − | − | − | |
| グリップ仕様 | − | − | GG(緑) GW(白) | |
| 耐油仕様 | O(緑) | OW(白) | − | |
| 非粘着仕様 | N(白) | NB(スカイブルー) NBG(ライムグリーン) HH(緑) HW(白) | − | |
| 食品搬送用 | − | KW(白) KSB(スカイブルー) PHB(スカイブルー) | − | |
| 電子部品搬送用 | D(黒) | − | − |
※参考値
(kg)
| ベルト幅 B(mm) | プーリ間長さL(mm) | |||||
| 500 | 1000 | 1500 | 2000 | 2500 | 3000 | |
| 50 | 3.5 | 4.6 | 5.6 | 6.7 | 7.7 | 8.8 |
| 100 | 4.2 | 5.6 | 7.1 | 8.5 | 10.2 | 11.6 |
| 150 | 4.8 | 6.6 | 8.5 | 10.3 | 12.6 | 14.4 |
| 200 | 5.5 | 7.7 | 9.9 | 12.1 | 14.9 | 17.1 |
| 250 | 6.1 | 8.7 | 11.4 | 14.1 | 17.1 | 19.8 |
| 300 | 6.6 | 10.3 | 11.7 | 15.8 | 18.8 | 21.9 |
| 400 | 8.0 | 12.2 | 14.8 | 19.5 | 23.7 | 27.5 |
| 出力(W) | モータ | 減速比 | A | |
| 仕様 | メーカー | |||
| 30W | ブラシレスモータ | オリエンタルモーター | 15 20 | 72.0 |
| 30 50 | 76.0 | |||
■搬送能力 30W
※参考値(B=400)

■ギヤヘッド減速比
*参考値
| ギヤヘッド減速比 | ベルト速度【m/min】 | |
| Min | Max | |
| 15 | 1.0 | 50.3 |
| 20 | 0.8 | 37.7 |
| 30 | 0.5 | 25.1 |
| 50 | 0.3 | 15.1 |
※ベルト速度(m/min)Maxはモータ出力軸回転速度4000r/min、
Minは80r/minでの参考値です。
■ブラシレスモータドライバ外形図

・ドライバパネル加工図


[ ! ]ACブラシレスモータは、ドライバ用取付ブラケットは付属しておりません。ドライバ用ブラケットをお求めの際は、追加工[SCB]をご選定ください。
[ ! ]ドライバ用ブラケットを単品でご購入の場合は、型式[P1-JTEA-12049072]を「見積・注文」画面に直接ご入力頂きご購入ください。
| オリエンタルモータ | |||||||
| モータ | コントローラ型式 | モータ+ギヤヘッド型式 | 接続ケーブル | 電源ケーブル | |||
| 出力 | 仕様 | 電圧 | メーカー型式 | メーカー型式 | メーカー型式 | メーカー型式 | |
| 30W | ブラシレスモータ | 単相100~120V | BMUD30-A2 | BLM230-□B (□:ギヤヘッド減速比) | CC01BL2 | ドライバ側 モーター側 | CC02AC03N(2m) |
| 単相200~240V | BMUD30-C2 | ||||||
| 三相200~240V | CC02AC04N(2m) | ||||||
| 備考 | [ ! ]ACブラシレスモータ仕様には次のものが含まれています。 モータ、ギヤヘッド、ドライバユニット、接続ケーブル(1m)、電源ケーブル(2m) ドライバ用取り付けねじ、取扱説明書 | ||||||
| 挿入位置 | コンベヤ側面の溝に挿入済み(4個/1溝) 追加ザグリ穴(FYA/FYB)選択時は追加挿入可能(別売) | 後入れナット(別売) 加工・分解無しで挿入可能 | ||||||
| 品名 | 型番 | ねじの呼び | ピッチ | 品名 | 型番 | ねじの呼び | ピッチ | |
| X部 | JIS1種六角ナット | LBNR5 | M5 (並目) | 0.8 | コンベヤ用後入れナット (10個入り) | PACK-CHNT5-4 | M4 (並目) | 0.7 |
| PACK-CHNT5-3 | M3 (並目) | 0.5 | ||||||


| 追加工 コード | 追加工内容 | 適用条件 | 指定例 | \/1Code | |||||||||||||||||||||||||||||
| MK | モータ位置勝手違い![]() | モータ位置が変更できます。 ヘッド駆動タイプのみ指定できます。 〈指定方法〉:MK | [ ! ]一部機種はMKを追加することにより、関連する部品も変更されます。 | SVKB2-100-1000-30- T1-ABM-20-H-B-MK | 6,000 | ||||||||||||||||||||||||||||
| FYA FYB | 追加ザグリ穴 ヘッド駆動 ![]() | 追加でナット挿入用のザグリ穴を手前と奥のフレームに加工します。 〈指定方法〉:FYA300
| [ ! ]FYA・FYB=指定5mm単位 [ ! ]FYB-FYA≧15 [ ! ]指定範囲は左記表となります。 | SVKB2-100-1000-30- T1-ABM-20-H-B-FYA50 | 1,200 | ||||||||||||||||||||||||||||
| SCB | スピードコントローラ用ブラケット付属 (ブラシレスモータのコントローラにも適用可) ![]() <スピードコントローラブラケット規格図> ①スピードコントローラブラケット | スピードコントローラ用の取付ブラケットを付属します。 〈指定方法〉: SCB | [ ! ]ブラケット取付用ねじ2個付属 [ ! ]コントローラ取付用ねじ(M4x8)2本付属 [ ! ]コンベヤによっては、スペース上取り付かない場合があります。 [ ! ]コンベヤ型式やモータ仕様によりブラケットの形状が異なります。 | SVKB2-100-1000-30- T1-ABM-20-H-B-SCB | 800 | ||||||||||||||||||||||||||||
| CW | モータカバー窓付きタイプ![]() ヘッド駆動 中間駆動 | モーターカバー窓付きタイプに変更できます。 〈指定方法〉:CW | [ ! ]メンテナンス用に樹脂プレート単品でも購入可能 | SVKB2-100-1000-30- T1-ABM-20-H-B-CW | 3,000 | ||||||||||||||||||||||||||||
| ANT□ | 後入れナット付属![]() | ミスミコンベヤフレーム溝用の後入れナットを付属します。 材質:SUS316相当・焼結 〈指定方法〉:ANT5-Q8-4 | [ ! ]後入れナット詳細はこちら
| SVKB2-100-1000-30- T1-ABM-20-H-B-ANT5-Q8-4 |
| ||||||||||||||||||||||||||||
| 追加工 コード | コンベヤ用スタンド追加 | 適用条件 | 指定例 | |||||||||||||||||||||||||||||||||||||||||||||||||||||||||||||||||||||||||||||||||
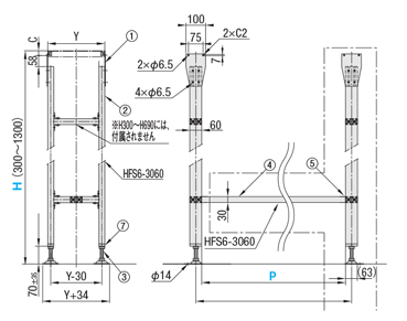
| NA□ | ■コンベヤスタンドI型 ベルト幅≦140mm (アジャスタボルトタイプ、スタンド□台+補強材) ![]() *1 D寸法対応表
| コンベヤにコンベヤ用スタンドを追加します。 〈指定方法〉: NA1-H750-PN WA3-H1200-P400 [ ! ]コンベヤ本体の溝サイズに合わせたボルト・ナットが付属します。 [ ! ]プーリ間機長L寸≧1000(GVシリーズはL寸≧1400)の場合、2本以上のスタンド取付を推奨しております。 [ ! ]コンベヤ用スタンド1台に図面一点鎖線部が(□-1)台追加された仕様です。 [ ! ]納期はコンベヤの標準納期と同一
■NA□・WA□取付寸法表
*取付箇所は下溝を想定した寸法
| [ ! ]□=1の場合、④アルミフレーム、⑤ブラケットは付属しません。 [ ! ]□=1の場合自立しません。[ ! ]□≧2の場合に④アルミフレームが不要の場合は本追加工ではなく、単品のCSTS、CSTWをご注文ください。 [ ! ]スタンドは部品を分割して発送いたします。お客様にて組立が必要です。 [ NG ]GVシリーズの場合、NA3、NA4、WA3、WA4は適用不可 | SVKB2-100-1000-30- T1-ABM-20-H-B-NA1-H800-PN | ||||||||||||||||||||||||||||||||||||||||||||||||||||||||||||||||||||||||||||||||
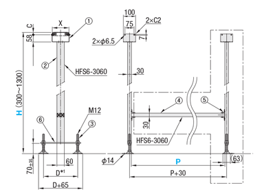
| WA□ | ■コンベヤスタンドH型 ベルト幅≧150mm (アジャスタボルトタイプ、スタンド□台+補強材) ![]() | SVKB2-100-1000-30- T1-ABM-20-H-B-WA2-H800-P500 | ||||||||||||||||||||||||||||||||||||||||||||||||||||||||||||||||||||||||||||||||||
| \/1Code | ||||||||||||||||||||||||||||||||||||||||||||||||||||||||||||||||||||||||||||||||||||
| スタンド合計金額は(基準単価+追加スタンド価格x(□-1)となります。
〈基準単価〉 + 〈追加スタンド価格〉 = 〈スタンド合計金額〉 例)NA1-H800-PN → 6,860円 + 0円 = 6,860円 例)NA3-H1000-P900 → 7,470円 + 10,260x(3-1)円 = 27,990円 コンベヤ用スタンドI型(NA□)
コンベヤ用スタンドH型(WA□)
| ||||||||||||||||||||||||||||||||||||||||||||||||||||||||||||||||||||||||||||||||||||
| 型式 | B | ¥本体価格1〜9コ | |||||||||||||||||||||
| L300 | L405 | L505 | L605 | L705 | L805 | L905 | L1005 | L1105 | L1205 | L1305 | L1405 | L1505 | L1605 | L1705 | L1805 | L1905 | L2005 | L2205 | L2405 | L2605 | L2805 | ||
| ~400 | ~500 | ~600 | ~700 | ~800 | ~900 | ~1000 | ~1100 | ~1200 | ~1300 | ~1400 | ~1500 | ~1600 | ~1700 | ~1800 | ~1900 | ~2000 | ~2200 | ~2400 | ~2600 | ~2800 | ~3000 | ||
| SVKB2 | 50 | 88,730 | 90,830 | 93,870 | 97,130 | 99,860 | 103,220 | 104,690 | 106,050 | 106,370 | 106,680 | 107,210 | 107,520 | 109,100 | 110,460 | 110,990 | 111,300 | 111,930 | 117,600 | 118,130 | 118,550 | 119,070 | 119,490 |
| 100 | 92,510 | 96,290 | 99,650 | 102,590 | 104,690 | 108,570 | 110,250 | 111,720 | 112,250 | 112,770 | 113,190 | 113,610 | 115,290 | 116,970 | 117,600 | 118,230 | 118,860 | 125,060 | 126,840 | 127,370 | 128,000 | 128,630 | |
| 150 | 98,280 | 102,590 | 106,160 | 107,420 | 110,150 | 114,450 | 116,340 | 118,230 | 118,970 | 119,600 | 120,330 | 120,960 | 123,170 | 125,060 | 127,050 | 128,000 | 128,730 | 134,820 | 137,030 | 139,020 | 140,070 | 140,910 | |
| 200 | - | 107,630 | 110,460 | 112,040 | 113,510 | 118,130 | 120,120 | 122,120 | 122,750 | 123,480 | 124,320 | 125,060 | 127,160 | 129,260 | 131,360 | 133,560 | 134,510 | 139,650 | 141,960 | 144,170 | 145,220 | 146,270 | |
| 250 | - | - | 117,390 | 118,340 | 119,280 | 125,060 | 127,470 | 129,890 | 130,730 | 131,780 | 132,930 | 133,880 | 136,400 | 139,020 | 141,540 | 144,060 | 146,790 | 151,200 | 153,830 | 156,770 | 157,920 | 159,390 | |
| 300 | - | - | - | 151,310 | 152,250 | 153,090 | 155,930 | 158,130 | 158,970 | 161,600 | 164,220 | 166,850 | 172,730 | 175,350 | 177,870 | 180,500 | 183,120 | 189,420 | 194,360 | 200,760 | 207,170 | 212,000 | |
| 400 | - | - | - | - | 161,490 | 164,430 | 165,270 | 167,690 | 168,420 | 171,150 | 173,990 | 176,720 | 183,020 | 185,750 | 188,370 | 191,210 | 193,940 | 200,340 | 205,490 | 212,310 | 219,030 | 224,180 | |
[ ! ]価格表にて「−」が付いているサイズはお取り扱いがございません。
取り扱いなし型番例:SVKB2-300-500-30-T1-ABM-30-G-B
| モータ 仕様価格 | R(モータ・ギヤヘッドなし) |
| 本体価格-¥33,000 |
| ベルト 仕様価格 | 標準ベルト | オプションベルト1 | オプションベルト2 | ベルトなし |
| 本体価格のみ | 本体価格+¥3,000 | 本体価格+¥5,500 | 本体価格−¥4,000 |
| 8 | 日目出荷 |
| 商品名 | SVシリーズ/ACブラシレスモータ搭載 -蛇行抑制桟付ヘッド駆動2溝フレーム(プーリ径30mm)- | GVシリーズ フルベルトタイプ ヘッド駆動2溝フレーム(プーリ径30mm) | SVシリーズ/ACブラシレスモータ搭載 -ヘッド駆動2溝フレーム(プーリ径30mm)- | GVシリーズ フルベルトタイプ/ACブラシレスモータ搭載 -ヘッド駆動2溝フレーム(プーリ径30mm)- | SVシリーズ 蛇行抑制桟付ヘッド駆動2溝フレーム φ30 | SVシリーズ ヘッド駆動2溝フレーム(プーリ径30mm) |
|---|---|---|---|---|---|---|
| 写真 |
| |||||
| 駆動種類 | ヘッド駆動 | ヘッド駆動 | ヘッド駆動 | ヘッド駆動 | ヘッド駆動 | ヘッド駆動 |
| 最大搬送重量(kg) | 15 | 15 | 15 | 15 | 15 | 15 |
■選定ガイド
・選定手順などの選定方法は こちら
■モータ詳細
・モータ仕様・結線図は こちら
■オプション部品
・スタンド・ガイド・ホッパなどのオプション部品は こちら
■コンベヤ総合情報
・商品情報、技術情報などコンベヤ全般については こちら
| 型番 |
|---|
通常単価(税別)
(税込単価) | 通常出荷日 |
|---|
- ( - ) | 17日目 |
- ( - ) | 13日目 |
- ( - ) | 17日目 |
- ( - ) | 10日目 |
- ( - ) | 17日目 |
- ( - ) | 13日目 |
- ( - ) | 17日目 |
- ( - ) | 10日目 |
- ( - ) | 17日目 |
- ( - ) | 13日目 |
- ( - ) | 17日目 |
- ( - ) | 10日目 |
通常価格、通常出荷日が表示と異なる場合がございます
通常価格、通常出荷日が表示と異なる場合がございます

ミスミ
平ベルトコンベヤ 【SVシリーズ】 中間駆動2溝フレーム Φ30
3.6
ミスミ
平ベルトコンベヤ 【SVシリーズ】 ヘッド駆動2溝フレーム(プーリ径30mm)
4.7
ミスミ
平ベルトコンベヤ【SVシリーズ】蛇行抑制桟付中間駆動2溝フレーム Φ30
2.8
ミスミ
平ベルトコンベヤ 【CVシリーズ】高出力タイプ 中間駆動3溝フレーム Φ60/30
0
ミスミ
平ベルトコンベヤ【GVシリーズ】 フルベルトタイプ 中間駆動2溝フレーム(プーリ径30mm)
5
ミスミ
平ベルトコンベヤ SVシリーズ 蛇行抑制桟付ヘッド駆動2溝フレーム Φ30
4.5
ミスミ
タイミングベルトコンベヤ【GVシリーズ】 2列中間駆動2溝フレーム(プーリ径30mm)
4.3
ミスミ
平ベルトコンベヤ【GVシリーズ】 ヘッド駆動2溝フレーム(プーリ径30mm)
5
ミスミ
タイミングベルトコンベヤ【GVシリーズ】 単列中間駆動2溝フレーム(プーリ径30mm)
4.5