(!)Internet Explorer 11は、2022年6月15日マイクロソフトのサポート終了にともない、当サイトでは推奨環境の対象外とさせていただきます。
ねじ・ボルト・ナット・ワッシャ・カラー
六角穴付きボルト
脱落防止ねじ
貫通穴付ボルト
六角ボルト
小ねじ
止めねじ
座金組込みねじ
蝶ボルト・つまみねじ・化粧ビス
ストリッパ・リーマ・ショルダーボルト
でんでんボルト
アイボルト
樹脂ねじ・セラミックねじ
全ねじ・スタッドボルト
いたずら防止ねじ
配管Uボルト
ユニファイねじ・インチねじ・ウィットねじ
マイクロねじ・微細ねじ
タッピングねじ・タップタイト・ハイテクねじ
ドリルねじ
四角ボルト・丸ボルト
ねじ用アクセサリー・カバーキャップ
座金(ねじ用ワッシャ)
ナット
アンカーボルト
リベット・鋲
インサート
建材用スクリュー
ねじ用工具類
ワッシャ・カラー
シム
スナップピン・割りピン
マシンキー
止め輪・リング
スクリュープラグ
アジャスタ
ノックピン・段付ピン・スプリングピン
素材(金属・樹脂・ゴム・スポンジ・ガラス)
切削工具
エンドミル
フライスチップ・ホルダー
ヘッド交換式工具
自由指定直刃エンドミル
専用カッター
旋削チップ
旋削ホルダ
完成バイト・ロウ付けバイト
ローレット
ドリル
ドリル関連部品・用品
タップ
タップ関連部品・用品
ダイス
ダイス関連部品・用品
ねじ山修正・除去工具
タップ・ダイスセット
ねじ切りカッター
リーマ
面取りカッター
面取りカッター関連部品・用品
切削工具関連備品
ホールソー・コアドリル・クリンキーカッター
ホールソー・コアドリル・クリンキーカッター関連部品
磁気ボール盤カッター
ボーリングシステム
ツーリングホルダ・ツーリングチャック
アングルヘッド
コレット
スリーブ・ソケット(ツーリング)
アーバ
ツーリング関連部品・用品
加工物基準位置測定器
芯出しバー
刃先位置測定器
ツールプリセッター
テストバー
プリセッター・芯出し・位置測定工具関連部品・用品
クーラントライナー・クーラントシステム
エアージェット・エアークーラー
クーラント関連部品・用品
円テーブル・ロータリーテーブル
測定工具・計測機器
ノギス
pH計・導電率計
ノギス関連アクセサリ
マイクロメーター
検知管
ダイヤルゲージ
ダイヤルゲージ関連部品・用品
ピンゲージ
ピンゲージ関連部品・用品
ハイトゲージ
流量計
ハイトゲージ関連部品・用品
リングゲージ
デプスゲージ
シックネスゲージ・すきまゲージ
内径測定器
ゲージ
スコヤ
定規
コンベックス
巻尺
はかり
角度計
光学機器
水平器
レーザー測定器
マグネット関連
定盤
数取器・カウンタ
ガス測定器・検知器
ケガキ用品
ストップウォッチ・タイマー
テンションゲージ
環境測定器
温度計・湿度計
圧力計
顕微鏡
天秤・天秤関連品
分銅
硬度計
振動計・回転計
水質・水分測定器
粘度計
膜厚計・探知器
偏心測定器
表面粗さ測定器
音検出器
測定データ機器
アースメータ(接地抵抗計)
テスタ・マルチメータ
オシロスコープ
クランプメータ
検相器・検電器・導通チェッカ
絶縁抵抗計
ネットワークテスタ・ケーブルテスタ・光ファイバ計測器
安全試験器
回路素子測定器
信号源・ファンクションジェネレータ
電源装置
高周波測定器(RF測定器)
計測機器関連品
電圧計・電流計
電力計
その他電気計測器
手作業工具
スパナ・めがねレンチ・ラチェットレンチ
六角棒レンチ
モンキーレンチ
トルクスレンチ
ソケットレンチ
トルクレンチ
トルクレンチ関連部品・用品
トルク測定器
ドライバー
ドライバー関連部品・用品
トルクドライバー
トルクドライバー関連部品・用品
プライヤー
プライヤー関連部品
ニッパー
ニッパー関連部品
ペンチ
ペンチ関連部品
ハンマー
工具セット・ツールセット
工具セット・ツールセット関連部品・用品
カッターナイフ
タガネ
ドライバービット
ドライバービット関連用品
プーラ
刻印・ポンチ
車輌整備用工具
水道・空調配管用工具
切断用工具
絶縁工具
板金用工具
防爆工具
かしめ工具
電設工具
バール・テコ
ソケットビット
ソケットアダプター
ピンセット
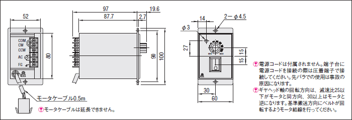
インダクションモータ仕様 ※リード線長さは300±30mm
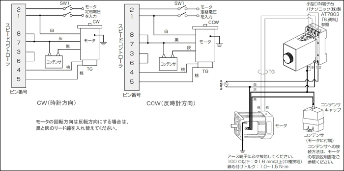
スピードコントローラ仕様

| モータ | メーカー型式 | ギヤヘッドメーカー 型式 ※□には減速比が 入ります。 |
||
|---|---|---|---|---|
| 出力 | 仕様 | 電圧 | ||
| 6W | インダクション モータ |
単相100V | 2IK6GN−AW2J | 2GN□S |
| 単相200V | 2IK6GN−CW2J | |||
| スピードコント ロールモータ |
単相100V | US206−401 | ||
| 単相200V | US206−402 | |||
| 25W | インダクション モータ |
単相100V | 4IK25GN−AW2J | 4GN□S |
| 単相200V | 4IK25GN−CW2J | |||
| 三相200V | 4IK25GN−SW2 | |||
| スピードコント ロールモータ |
単相100V | US425−401 | ||
| 単相200V | US425−402 | |||
| 40W | インダクション モータ |
単相100V | 5IK40GN−AW2J | 5GN□S |
| 単相200V | 5IK40GN−CW2J | |||
| 三相200V | 5IK40GN−SW2 | |||
| スピードコント ロールモータ |
単相100V | US540−401 | ||
| 単相200V | US540−402 | |||
| 60W | インダクション モータ |
単相100V | 5IK60GE-AW2J | 5GE□S |
| 単相200V | 5IK60GE-CW2J | |||
| 三相200V | 5IK60GE-SW2 | |||
| スピードコント ロールモータ |
単相100V | US560-501C | 5GU□KB | |
| 単相200V | US560-502C | |||
| 90W | インダクション モータ |
単相100V | 5IK90GE-AW2J | 5GE□S |
| 単相200V | 5IK90GE-CW2J | |||
| 三相200V | 5IK90GE-SW2 | |||
| スピードコント ロールモータ |
単相100V | US590-501C | 5GU□KB | |
| 単相200V | US590-502C | |||
インダクションモータ仕様 ※リード線長さは300±30mm
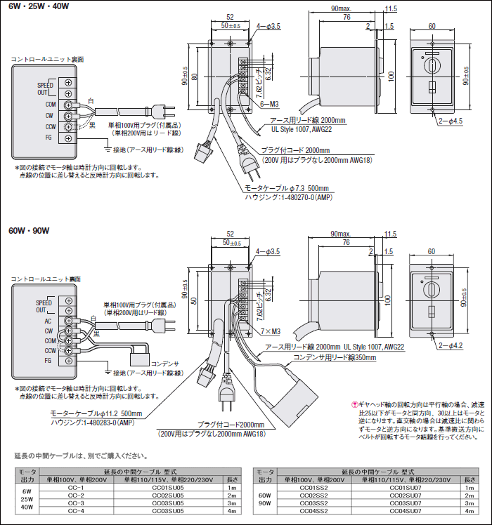
6W

25W・40W・60W・90W

スピードコントローラ仕様
6W/25W/40W 共通
60Wおよび90Wの電圧200V
60Wおよび90Wの電圧100V
住友重機械工業製スピードコントロールモータ用 延長用接続ケーブル(別売)
| モータ 出力 |
延長用接続ケーブル型番 | ||
|---|---|---|---|
| 長さ | 単相100V、単相200V | ||
| 6W 25W 40W 60W 90W |
1m | EAWE10 | ![]() |
| 2m | EAWE20 | ||
| 3m | EAWE30 | ||
| 4m | EAWE40 | ||
| ・使用できるケーブルの最大延長距離は4mです。 | |||
| モータ | メーカー型式 ※CAU□□□はコントローラ |
ギヤヘッドメーカー 型式 ※□には減速比が 入ります。 |
||
|---|---|---|---|---|
| 出力 | 仕様 | 電圧 | ||
| 6W | インダクション モータ |
単相100V | A6M06A | G6□D |
| 単相200V | A6M06C | |||
| スピードコント ロールモータ |
単相100V | A6U06A CAU06A |
||
| 単相200V | A6U06C CAU06C |
|||
| 25W | インダクション モータ |
単相100V | A8M25A | G8□K |
| 単相200V | A8M25C | |||
| 三相200V | A8M25J | |||
| スピードコント ロールモータ |
単相100V | A8U25A CAU25A |
||
| 単相200V | A8U25C CAU25C |
|||
| 40W | インダクション モータ |
単相100V | A9M40A | G9A□K |
| 単相200V | A9M40C | |||
| 三相200V | A9M40J | |||
| スピードコント ロールモータ |
単相100V | A9U40A CAU40A |
||
| 単相200V | A9U40C CAU40C |
|||
| 60W | インダクション モータ |
単相100V | A9M60AH | G9B□KH |
| 単相200V | A9M60CH | |||
| 三相200V | A9M60JH | |||
| スピードコント ロールモータ |
単相100V | A9U60AH CAU60A |
||
| 単相200V | A9U60CH CAU60C |
|||
| 90W | インダクション モータ |
単相100V | A9M90AH | G9B□KH |
| 単相200V | A9M90CH | |||
| 三相200V | A9M90JH | |||
| スピードコント ロールモータ |
単相100V | A9U90AH CAU90A |
||
| 単相200V | A9U90CH CAU90C |
|||
インダクションモータ仕様 ※リード線長さは300±30mm

スピードコントローラ仕様

| モータ | モータ型式 | ギヤヘッド型式 | ||
|---|---|---|---|---|
| 出力 | 仕様 | 電圧 | ミスミ型式 | メーカー型式 (ミスミ型式) ※□には減速比が 入ります。 |
| 6W | インダクション モータ |
単相100V | PACMST60-W6-V100 | PACMGXT60-□ |
| 単相200V | PACMST60-W6-V200 | |||
| スピードコント ロールモータ |
単相100V | PACMSV-UT60-W6-V100 | ||
| 単相200V | PACMSV-UT60-W6-V200 | |||
| 25W | インダクション モータ |
単相100V | PACMST80-W25-V100 | PACMGXT80-□ |
| 単相200V | PACMST80-W25-V200 | |||
| 三相200V | PACMTT80-W25-V200 | |||
| スピードコント ロールモータ |
単相100V | PACMSV-UT80-W25-V100 | ||
| 単相200V | PACMSV-UT80-W25-V200 | |||
| 40W | インダクション モータ |
単相100V | PACMST90-W40-V100 | PACMGXT90-□ |
| 単相200V | PACMST90-W40-V200 | |||
| 三相200V | PACMTT90-W40-V200 | |||
| スピードコント ロールモータ |
単相100V | PACMSV-UT90-W40-V100 | ||
| 単相200V | PACMSV-UT90-W40-V200 | |||
| 60W | インダクション モータ |
単相100V | PACMST90-W60-V100 | PACMGZT90-□ |
| 単相200V | PACMST90-W60-V200 | |||
| 三相200V | PACMTT90-W60-V200 | |||
| スピードコント ロールモータ |
単相100V | PACMSV-UT90-W60-V100 | ||
| 単相200V | PACMSV-UT90-W60-V200 | |||
| 90W | インダクション モータ |
単相100V | PACMST90-W90-V100 | |
| 単相200V | PACMST90-W90-V200 | |||
| 三相200V | PACMTT90-W90-V200 | |||
| スピードコント ロールモータ |
単相100V | PACMSV-UT90-W90-V100 | ||
| 単相200V | PACMSV-UT90-W90-V200 | |||
インダクションモータ仕様 単相電圧:T100V、T200V 三相電圧:S200V

スピードコントローラ仕様 単相電圧:T100V、T200V

インダクションモータ仕様 単相電圧:TA100V、TA110、TA115V、TA200V、TA220V、TA230V 三相電圧:SA200V、SA220V、SA230V

スピードコントローラ仕様 単相電圧:TA100V、TA110V、TA115V、TA200V、TA220V、TA230V

| モータ | モータ型式 | ギヤヘッド型式 | |||
|---|---|---|---|---|---|
| 出力 | 仕様 | 電圧 | ミスミ型式 | メーカー 型式 |
メーカー型式 (ミスミ型式) ※□には減速比が 入ります。 |
| 6W | インダクション モータ |
単相100V | PACMS60−W6−V100 | M61X6G4L | 減速比:25以下 MX6G□BA 減速比:30以上 MX6G□B (PACMGX60−□) |
| 単相200V | PACMS60−W6−V200 | M61X6G4Y | |||
| スピードコント ロールモータ |
単相100V | PACMV−U60−W6−V100 | MUSN606GL | ||
| 単相200V | PACMV−U60−W6−V200 | MUSN606GY | |||
| 25W | インダクション モータ |
単相100V | PACMS80−W25−V100 | M81X25G4L | MX8G□B (PACMGX80−□) |
| 単相200V | PACMS80−W25−V200 | M81X25G4Y | |||
| 三相200V | PACMT80−W25−V200 | M8MX25G4Y | |||
| スピードコント ロールモータ |
単相100V | PACMV−U80−W25−V100 | MUSN825GL | ||
| 単相200V | PACMV−U80−W25−V200 | MUSN825GY | |||
| 40W | インダクション モータ |
単相100V | PACMS90−W40−V100 | M91X40G4L | MX9G□B (PACMGX90−□) |
| 単相200V | PACMS90−W40−V200 | M91X40G4Y | |||
| 三相200V | PACMT90−W40−V200 | M9MX40G4Y | |||
| スピードコント ロールモータ |
単相100V | PACMV−U90−W40−V100 | MUSN940GL | ||
| 単相200V | PACMV−U90−W40−V200 | MUSN940GY | |||
| 60W | インダクション モータ |
単相100V | PACMS90-W60-V100 | M91Z60G4L | MZ9G□B (PACMGZ90-□) |
| 単相200V | PACMS90-W60-V200 | M91Z60G4Y | |||
| 三相200V | PACMT90-W60-V200 | M9MZ60G4Y | |||
| スピードコント ロールモータ |
単相100V | PACMV-U90-W60-V100 | MUSN960GL | ||
| 単相200V | PACMV-U90-W60-V200 | MUSN960GY | |||
| 90W | インダクション モータ |
単相100V | PACMS90-W90-V100 | M91Z90G4L | MZ9G□B (PACMGZ90-□) |
| 単相200V | PACMS90-W90-V200 | M91Z90G4Y | |||
| 三相200V | PACMT90-W90-V200 | M9MZ90G4Y | |||
| スピードコント ロールモータ |
単相100V | PACMV-U90-W90-V100 | MUSN990GL | ||
| 単相200V | PACMV-U90-W90-V200 | MUSN990GY | |||