メカニカル部品技術窓口
ミスミ品のみ対象
【オススメ】CVSTCの後継機種となるGVTSAはこちら!ACブラシレスモータを搭載したGVTSA2は...
詳細を確認商品の特徴
CVSTC-10

※L≦260の場合、ナット挿入用ザクリ穴は一切つきません。
ただし、1溝につき最大4個ナットが挿入されております。
CVSTC-20



※タイミングベルトはT5タイプ
(こちら LTBRA、LTBJA) を採用しています。
詳細は商品ページをご参照ください。
[ ! ]A*は下記 「*A寸法詳細(モータ全長)」 表をご参照ください。
| フレーム | モータ カバー① | モータ カバー② | プーリ ホルダ | |
| [ M ]材質 | アルミ材 | スチール | SPCC | SPCC |
| [ S ]表面処理 | アルマイト処理 | 塗装 | 塗装 | 塗装 |
| 型式 | − | B | − | L | − | モータ | − | ベルト仕様 | − | モータメーカー選択 | − | FYA | |||||||
| 出力 | − | 電圧 | − | 仕様 | − | ギヤヘッド 減速比 | |||||||||||||
| CVSTC | − | 10 | − | 1000 | − | 6 | − | T100 | − | IM | − | 25 | − | H | − | C | − | FYA500 | |
| CVSTC | − | 10 | − | 1000 | − | 6 | − | NV | − | NM | − | NH | − | H | − | R | − | (モータ・ギヤヘッドなし) | |
| 型式 | B (ベルト幅) 指定10mm単位 | L 指定5mm単位 | モータ選択 | ベルト仕様 | モータメーカー選択 [ ! ]メーカーごとに価格が異なります。 | FYA (追加ザグリ穴) 指定5mm単位 | |||||||
| 出力(W) | 電圧(V) | 仕様 | ギヤヘッド減速比 | ||||||||||
| CVSTC | 10 20 | 245〜2000 | 6 | T100(単相) T200(単相) | IM(インダクションモータ) SCM(スピードコントロールモータ) | 12.5 36 100 | 15 50 120 | 18 60 150 | 25 75 180 | 30 90 | H(一般用・半透明) S(スライディング用・縁) J(ベルトなし) | B(オリエンタルモータ) C(台湾製モータ) ※Cは搬送速度が20%程度低くなる可能性があります。 | 110<FYA<L−145 ※ご指定ない場合、追加ザグリなしとなります。 |
| S200(三相) ※オリエンタルのみ | IM(インダクションモータ) | ||||||||||||
| NV(モータなし) | NM(モータなし) | NH(ギヤヘッドなし) | R(モータ・ギヤヘッドなし) | ||||||||||
[ ! ]基準搬送方向にベルトが回転するようモータ結線を行ってください。逆搬送での使用は動作保証外となります。予めご了承ください。
[ ! ]配線図・モータ詳細は(>>こちら)
[ ! ]ベルト詳細は(>>こちら)
[ ! ]ベルト交換方法は「タイミングベルト交換手順」をご参照ください。
[ ! ]耐油仕様のベルトはお取り扱いがございません。予めご了承ください。
[ ! ]モータ・ギヤヘッドなし/ベルトなしコンベヤの指定方法は(>>こちら)をご参照ください。
[ ! ]モータ・ギヤヘッドなしを選択の場合、モータ取付穴ピッチはモータ出力により異なります。
[ ! ]モータ・ギヤヘッドなしを選択の場合、本機は部品状態でのお届けとなります。同梱の組立手順書に従ってお客様にて組立となります。
[ ! ]ベルト長さ計算式 CVSTC10:(2L+135) / 5| 機長L(mm) | |||||
| ベルト幅 B(mm) | 500 | 750 | 1000 | 1500 | 2000 |
| 10 | 3 | 3.2 | 3.4 | 3.8 | 4.2 |
| 20 | 4 | 4.5 | 5 | 6.4 | 7.7 |
※表中の数値はあくまで目安となります。
ベルト種類、追加工などで変化する場合があります。
[ ! ]使用環境により、搬送不良が起こる可能性がございます。
[ ! ]L≧1000の場合、スタンド取付を推奨しております。
スタンド追加工に関する詳細は>>こちらをご参照ください。
| 出力(W) | モータ | 減速比 | A | |
| 仕様 | メーカ | |||
| 6W | インダクションモータ | オリエンタルモーター | 12.5〜18 | 105.0 |
| 25〜180 | 115.0 | |||
| 台湾製 | 12.5〜75 | 119.7 | ||
| 90〜180 | 125.7 | |||
| スピード コントロール モータ | オリエンタルモーター | 12.5〜18 | 115.0 | |
| 25〜180 | 125.0 | |||
| 台湾製 | 12.5〜75 | 131.9 | ||
| 90〜180 | 137.9 | |||
■搬送能力表
*参考値

[ ! ]アキューム搬送 (スライディングベルトのみ適用)の場合は
グラフの1/2以下の搬送能力でご検討ください。
[ ! ]ご使用条件によって搬送能力が異なる場合がございます。
[ ! ]このグラフは水平条件での搬送能力です。[ ! ]使用環境により、搬送不良が起こる可能性がございます。
■ギヤヘッド減速比
*負荷状態により減少することがあります。
*参考値
| ギヤヘッド減速比 | ベルト速度(m/min) | |
| 50Hz | 60Hz | |
| 12.5 | 12.0 | 14.4 |
| 15 | 10.0 | 12.0 |
| 18 | 8.3 | 10.0 |
| 25 | 6.0 | 7.2 |
| 30 | 5.0 | 6.0 |
| 36 | 4.2 | 5.0 |
| 50 | 3.0 | 3.6 |
| 60 | 2.5 | 3.0 |
| 75 | 2.0 | 2.4 |
| 90 | 1.7 | 2.0 |
| 100 | 1.5 | 1.8 |
| 120 | 1.3 | 1.5 |
| 150 | 1.0 | 1.2 |
| 180 | 0.8 | 1.0 |
[ ! ]モータ仕様IMの場合、上表の搬送速度で
定速になります。
[ ! ]モータ仕様SCMの場合、最高速度は
上表の値をご参照ください。
■オリエンタルモータスピードコントローラ外形図
コントロールユニット裏面
白
黒
単相100V用プラグ(付属品)
(単相200V用はリード線)
接地
(アース用リード線:緑)
*図の接続でモータ軸は時計方向に回転します。
点線の位置に差し替えると反時計方向に回転します。

[ ! ]モータケーブルは延長できません。

| モータ | オリエンタルモータ | 台湾製モータ | ||||
| モータユニット型番 | ギヤヘッド型番 ※□には減速比が入ります | モータユニット型番 | ギヤヘッド型番 ※□には減速比が入ります | |||
| 出力 | 仕様 | 電圧 | ||||
| 6W | スピードコント ロールモータ | 単相100V | US206-401 | 2GN□□S | PACMSV-UT60-W6-V100 | PACMGXT60-□□ |
| 単相200V | US206-402 | PACMSV-UT60-W6-V200 | ||||
| 単相110V・115V | US206-401U2 | PACMSVW-UT60-W6-V110 | ||||
| 単相220V・230V | US206-402E2 | PACMSVW-UT60-W6-V220 | ||||
| 備考 | [ ! ]スピードコントロールモータには次のものが含まれています。 | [ ! ]スピードコントロールモータには次のものが含まれています。 | ||||
モータ 出力 | 延長用接続ケーブル型番 | ||||
長さ | 単相100V、単相200V | 単相110V、単相115V 単相220V、単相230V | |||
6W | 1m | ![]() | ![]() | ||
2m | |||||
3m | |||||
4m | |||||
・継ぎ足しできるケーブルの最大延長距離は4mです。 | ・継ぎ足しできるケーブルの最大延長距離は10mです。 | ||||
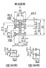
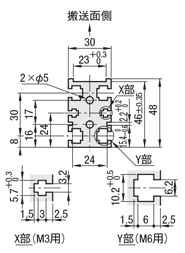
| 挿入位置 | L≦260の場合ザグリ穴はつきません。 (ただし、1溝につき最大4個ナットが挿入されております。) L≧265は標準ザグリ穴がある為、ナットの挿入も付属もありません。(別売) JIS規格六角ナット使用可能です | 後入れナット(別売) 加工・分解無しで挿入可能 | ||||||
| 品名 | 型番 | ねじの呼び | ピッチ | 品名 | 型番 | ねじの呼び | ピッチ | |
| X部 | JIS1種六角ナット | LBNR3 | M3 (並目) | 0.5 | ― | |||
| Y部 | JIS1種六角ナット | LBNR6 | M6 (並目) | 1.0 | コンベヤ用後入れナット (10個入り) | PACK-CHNT6-5 | M5 (並目) | 0.8 |
| ― | PACK-CHNT6-4 | M4 (並目) | 0.7 | |||||
| PACK-CHNT6-3 | M3 (並目) | 0.5 | ||||||

追加工 | 追加工内容 | 適用条件 | 指定例 | ¥/1Code | |
コード | |||||
MK | モータ位置勝手違い ![]() | モータ位置が変更できます。 ヘッド駆動タイプのみ指定できます。 〈指定方法〉:MK | [ ! ]一部機種はMKを追加することにより、関連する 部品も変更されます。 | CVSTC-10-1000- 6-T100-IM-25- H-B-FYA500-MK | 6,000 |
追加工 | 追加工内容 | 適用条件 | 指定例 | ¥/1Code | |||||||||||||||||||||||||||||||||||||||||||
コード | |||||||||||||||||||||||||||||||||||||||||||||||
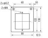
SCB | スピードコントローラ用ブラケット付属 ![]() <スピードコントローラブラケット規格図> ①スピードコントローラブラケット ![]() | スピードコントローラ用の取付 ブラケットを付属します。 〈指定方法〉: SCB | [ ! ]ブラケット取付用ねじ2個付属 [ ! ]コントローラ取付用ねじ(M4x8)2本付属 [ ! ]コンベヤによっては、スペース上取り付かない 場合があります。 [ ! ]コンベヤ型式やモータ仕様によりブラケットの 形状が異なります。 | CVSTC-10-1000-6- T100-IM-25-H-B- FYA500-SCB | 800 | ||||||||||||||||||||||||||||||||||||||||||
ANT□ | 後入れナット付属 ![]() | ミスミコンベヤフレーム溝用の 後入れナットを付属します。 材質:SUS316相当・焼結 〈指定方法〉:ANT6-Q8-4 | [ ! ]後入れナット詳細はこちら
| CVSTC-10-1000-6- T100-IM-25-H-B- ANT6-Q8-4 |
| ||||||||||||||||||||||||||||||||||||||||||
BR | 電磁ブレーキ付モータ ■配線図 ![]() | インダクションモータを電磁 ブレーキモータに変更します。 〈指定方法〉:BR | [ ! ]オリエンタルモーター仕様の三相モータのみ選定可能 [ ! ]モータ詳細についてはこちら | CVSTC-10-1000-6- S200-IM-25-H-B- FYA500-BR | 12,000 | ||||||||||||||||||||||||||||||||||||||||||
TBM | 端子箱付モータ ■オリエンタル仕様 ![]() | インダクションモータを端子箱 付きのタイプに変更します。 〈指定方法〉:TBM | [ ! ]オリエンタルモーター仕様のみ選定可能。 | CCVSTC-10-1000-6- T100-IM-25-H-B- FYA500-TBM | 5,000 | ||||||||||||||||||||||||||||||||||||||||||
| 型式 | B | ¥本体価格 1〜9コ | |||||||||||||||||
| L245〜300 | L305〜400 | L405〜500 | L505〜600 | L605〜700 | L705〜800 | L805〜900 | L905〜1000 | L1005〜1100 | L1105〜1200 | L1205〜1300 | L1305〜1400 | L1405〜1500 | L1505〜1600 | L1605〜1700 | L1705〜1800 | L1805〜1900 | L1905〜2000 | ||
| CVSTC | 10 | 74,550 | 75,080 | 75,600 | 76,230 | 76,650 | 77,280 | 78,020 | 78,330 | 80,540 | 80,850 | 81,480 | 81,900 | 82,640 | 84,740 | 85,160 | 86,000 | 86,310 | 86,730 |
| 20 | 81,900 | 82,950 | 83,900 | 85,050 | 86,000 | 87,150 | 88,200 | 89,250 | 92,090 | 93,450 | 94,190 | 95,870 | 96,500 | 99,120 | 100,070 | 101,430 | 102,170 | 103,110 | |
| モータ・ベルト 仕様価格 | モータ出力 | 仕様 | B(オリエンタルモーター) | C(台湾製モータ) | R(モータ・ギヤヘッドなし) | J(ベルトなし) |
| 6W | IM | 本体価格+¥5,000 | 本体価格のみ | 本体価格−¥6,000 | 本体価格−¥3,500 | |
| SCM | 本体価格+¥11,000 | 本体価格+¥6,000 |
| 数量区分 | 標準対応 | 個別対応 | |
| 小口 | 大口 | 大口 | |
| 数 量 | 1〜5 | 6~12 | 13〜 |
| 値引率 | 基準単価 | 基準単価 | 3% |
| 出荷日 | 通常 | +4日 | お見積り |
| 8 | 日目出荷 |
| 商品名 | GVシリーズ 2列中間駆動2溝フレーム(プーリ径30mm) | GVシリーズ 単列ヘッド駆動2溝フレーム(プーリ径30mm) | GVシリーズ 単列中間駆動2溝フレーム(プーリ径30mm) | GVシリーズ/ACブラシレスモータ搭載 -ヘッド駆動2溝フレーム(プーリ径30mm)- | GVシリーズ/ACブラシレスモータ搭載 -2列中間駆動2溝フレーム(プーリ径30mm)- | GVシリーズ/ACブラシレスモータ搭載 -単列中間駆動2溝フレーム(プーリ径30mm)- |
|---|---|---|---|---|---|---|
| 写真 | ||||||
| 駆動種類 | 多列中間駆動 | ヘッド駆動 | 中間駆動 | 多列ヘッド駆動 | 多列中間駆動 | 中間駆動 |
| 最大搬送重量(kg) | 15 | 10 | 10 | 15 | 15 | 10 |
■選定ガイド
・選定手順などの選定方法は こちら
■モータ詳細
・モータ仕様・結線図は こちら
■オプション部品
・スタンド・ガイド・ホッパなどのオプション部品は こちら
■コンベヤ総合情報
・商品情報、技術情報などコンベヤ全般については こちら
| 型番 |
|---|
通常単価(税別)
(税込単価) | 通常出荷日 |
|---|
- ( - ) | 8日目 |
- ( - ) | 18日目 |
- ( - ) | 8日目 |
- ( - ) | 18日目 |
- ( - ) | 8日目 |
- ( - ) | 18日目 |
- ( - ) | 8日目 |
- ( - ) | 18日目 |
【オススメ】CVSTCの後継機種となるGVTSAはこちら!ACブラシレスモータを搭載したGVTSA2はこちら!
CVSTCと比較しベルト交換を容易な構造に変更しております。
また、メンテナンス性の向上、ミスミアルミフレーム5シリーズの溝形状を採用による豊富なアクセサリーが利用可能などメリット盛り沢山です。
【技術コンテンツ】
ミスミはご選定のサポート、ご購入後のアフターフォローのサービスが充実!
コンベヤのメンテナンス品をお探しの方は、「構成部品一覧」から必要な部品を選択ください。
手順1
②コンベヤ用プーリホルダ(PLHDP-FB-L、板厚の薄い方の板)を固定しているNo42 六角穴付きボタンボルト(SBCB6-10)4本を取り外す。
②コンベヤ用プーリホルダ(PLHDP-FB-L)を取り外す。
㊻ベルトテンション用ボルト
㊼ベルトテンション用ナット
㊶低頭六角穴付ボルトM6*8 4本
ボルト高さ測定
図2
図2 図1-1の反対側から見る

手順2
㊻ベルトテンション用ボルトM6*25の高さを
測定しておく。
(組み立て時に元の位置にするため)
③コンベヤ用プーリホルダ PLHDP-FB-R
(板厚の厚い方の板)を固定している㊶低頭六角穴付ボルトM6*8 4本を緩める。(外さなくてよい)
㊻ベルトテンション用
ボルトM6*25
㊼ナットM6
図4-1
図4-2

手順4
㊻ベルトテンション用ボルトM6*25を固定
している㊼ナットM6を緩め、
ベルトテンション用ボルトを緩める。
③コンベヤ用プーリホルダ(PLHDP-FB-R)を図のように本体側にずらす。(矢印側)
手順5
⑧コンベヤ用側面プレートD(MSCPD4-L)を
固定しているねじ㊷六角穴付ボタンボルトM6*10、4本と㊺M5*10 2本)を外す。
手順6
⑳ベルトを矢印側に図の左側のプーリから取り外し、ベルト全体を取り外す。
②コンベヤ用プーリホルダ(PLHDP-FB-L)(板厚が薄い)
例:ベルトが左に片寄るときの調整方法
上流側
ベルト片寄り
㊷六角穴付ボタンボルト
M6*10 4本
②コンベヤ用プーリホルダ
(PLHDP-FB-L)を移動
図7
図8




通常価格、通常出荷日が表示と異なる場合がございます

ミスミ
平ベルトコンベヤ GVシリーズ フルベルトタイプ 中間駆動2溝フレーム(プーリ径30mm)
5
ミスミ
平ベルトコンベヤ 【SVシリーズ】 ヘッド駆動2溝フレーム(プーリ径30mm)
4.7
ミスミ
平ベルトコンベヤ【SVシリーズ】ACブラシレスモータ 中間駆動2溝フレーム
4
ミスミ
平ベルトコンベヤ【CVシリーズ】モータ位置選択タイプ 蛇行抑制桟付ヘッド駆動2溝フレームΦ30
5
ミスミ
平ベルトコンベヤ 【SVシリーズ】 中間駆動2溝フレーム Φ30
3.6
ミスミ
平ベルトコンベヤ【SVシリーズ】蛇行抑制桟付中間駆動2溝フレーム Φ30
2.8
ミスミ
平ベルトコンベヤ 【GVシリーズ】 フルベルトタイプ ヘッド駆動2溝フレーム(プーリ径30mm)
4.5
ミスミ
タイミングベルトコンベヤ 【GVシリーズ】 2列ヘッド駆動2溝フレーム(プーリ径30mm)
4.3
ミスミ
タイミングベルトコンベヤ GVシリーズ 2列中間駆動2溝フレーム(プーリ径30mm)
4.3