メカニカル部品技術窓口
ミスミ品のみ対象
ベルト幅10mmで小物搬送に最適なヘッド駆動タイプのコンベヤ機長は5mm単位で指定可能!オリエンタルモ...
詳細を確認
こちらをご参照ください。

25Wモータ仕様
フレーム断面拡大(左右対称)

| フレーム | モータカバー | プーリホルダ | |
| [ M ]材質 | アルミ材 | アルミ材 | アルミ材 |
| [ S ]表面処理 | アルマイト処理 | 塗装 | 塗装 |
| 型式 | - | B | - | L | - | 出力 | - | ベルト 仕様 | - | モータメーカー 選択 | ( | - | 追加工 | ) | ||||||||
| 出力 | - | 電圧 | - | 仕様 | - | ギヤヘッド 減速比 | ||||||||||||||||
| GVTSA | - | 10 | - | 190 | - | 6 | - | T200 | - | SCM | - | 180 | - | S | - | C | ( | - | MK・FYA・FYB・SCB | ) | ||
| GVTSA | - | 10 | - | 190 | - | 6 | - | NV | - | NM | - | NH | - | H | - | R | (モータ・ギヤヘッドなし) | |||||
| 型式 | B(ベルト幅) 選択(mm) | L(プーリ間長さ) 指定5mm単位 | モータ選択 | ベルト仕様 | モータメーカー選択 | |||||||
| 出力(W) | 電圧(V) | 仕様 | ギヤヘッド減速比 | |||||||||
| GVTSA | 10 | 190~2000 | 6 | T100 T200 (単相) | IM (インダクションモータ) SCM (スピードコントロールモータ) |
| H(一般用・半透明) S(スライディング用・緑) J(ベルトなし) | AS(住友重機械工業) B(オリエンタルモーター) C(台湾製モータ) ※Cは搬送速度が20%程度低くなる可能性があります。 | ||||
| 25 | T100 T200 (単相) | IM (インダクションモータ) SCM (スピードコントロールモータ) |
| AS(住友重機械工業) B(オリエンタルモーター) C(台湾製モータ) ※Cは搬送速度が20%程度低くなる可能性があります。 | ||||||||
| S200 (三相) | IM(インダクションモータ) INVM(インダクションモータ+三菱製インバータ) INVC(インダクションモータ+CC-Link対応三菱製インバータ) | |||||||||||
| 6 25 | NV (モータなし) | NM(モータなし) | NH(ギヤヘッドなし) | R(モータ・ギヤヘッドなし) | ||||||||
[ ! ]基準搬送方向にベルトが回転するようモータ結線を行ってください。配線図・モータは>>こちら~参照 [ ! ]ベルト詳細は>>こちらを参照
[ ! ]モータ・ギヤヘッドなしを選択の場合、モータ取付穴ピッチはモータ出力により異なります。詳細寸法は「コンベヤ選定サイト」の「技術情報」をご確認ください。
[ ! ]モータ・ギヤヘッドなし/ベルトなしコンベヤの指定方法については>>こちらをご参照ください。
[ ! ]ベルト仕様に関わらず、機体を傾けたご使用は推奨しておりません。
[ ! ]ベルト長さ計算式:(2L+220) / 5 単位:歯数 (L=プーリ間長さ)
[ ! ]三菱製インバータは、コンベヤには取付けされていない状態での納品となります。
[ ! ]三菱製インバータの取付ブラケットは、お客様にてご用意ください。
[ ! ]CC-Link対応三菱製インバータのCC-Linkカードは、お客様にて組み込みをお願いします。
[ ! ]CC-Link対応三菱製インバータのCC-Linkケーブル等は、お客様にてご用意ください。
[ ! ]CC-Linkは三菱電機株式会社の登録商標です。
| ベルト幅 B(mm) | 機長 L(mm) | |||
| 500 | 1000 | 1500 | 2000 | |
| 10 | 2.2 | 2.7 | 3.2 | 3.7 |
| 出力(W) | モータ | 減速比 | A | |
| 仕様 | メーカ | |||
| 6W | インダクションモータ | 住友重機械工業 | 25〜180 | 115 |
| オリエンタルモーター | 25〜180 | 115 | ||
| 台湾製 | 25~ 75 | 115 | ||
| 90〜180 | 122 | |||
| スピードコントロールモータ | 住友重機械工業 | 25〜180 | 125.8 | |
| オリエンタルモーター | 25〜180 | 125 | ||
| 台湾製 | 25〜75 | 127 | ||
| 90〜180 | 134 | |||
| 25W | インダクションモータ | 住友重機械工業 | 5〜18 | 117 |
| 25〜180 | 127.5 | |||
| オリエンタルモーター | 5〜18 | 117 | ||
| 25〜180 | 127.5 | |||
| 台湾製 | 5〜75 | 129 | ||
| 90〜180 | 136 | |||
| スピードコントロールモータ | 住友重機械工業 | 5〜18 | 127.8 | |
| 25〜180 | 138.3 | |||
| オリエンタルモーター | 5〜18 | 127 | ||
| 25〜180 | 137.5 | |||
| 台湾製 | 5〜75 | 139.5 | ||
| 90〜180 | 146.5 | |||
■搬送能力 *参考値
■ギヤヘッド減速比

[ ! ]アキューム搬送(スライディングベルトのみ適用)の場合は
グラフの1/2以下の搬送能力でご検討ください。
※搬送速度はIM(モータ回転数1500rpm(50Hz)/1800rpm(60Hz))での参考値です。
*負荷状態により減少することがあります。*参考値
| ギヤヘッド 減速比 | ベルト速度(m/min) | |
| 50Hz | 60Hz | |
| 5 | 30.0 | 36.0 |
| 7.5 | 20.0 | 24.0 |
| 9 | 16.7 | 20.0 |
| 12.5 | 12.0 | 14.4 |
| 15 | 10.0 | 12.0 |
| 18 | 8.3 | 10.0 |
| 25 | 6.0 | 7.2 |
| 30 | 5.0 | 6.0 |
| 36 | 4.2 | 5.0 |
| 50 | 3.0 | 3.6 |
| 60 | 2.5 | 3.0 |
| 75 | 2.0 | 2.4 |
| 90 | 1.7 | 2.0 |
| 100 | 1.5 | 1.8 |
| 120 | 1.2 | 1.5 |
| 150 | 1.0 | 1.2 |
| 180 | 0.8 | 1.0 |
[ ! ]モータ仕様SCMの場合、(1/15)×(最大速度)まで調整出来ます。
速度の低下に伴い、搬送可能重量が低下します。
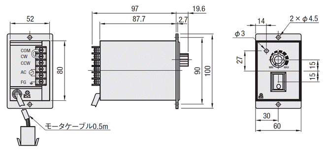
■オリエンタルモータスピードコントローラ外形図
コントロールユニット裏面
白
黒
単相100V用プラグ(付属品)
(単相200V用はリード線)
接地
(アース用リード線:緑)
*図の接続でモータ軸は時計方向に回転します。
点線の位置に差し替えると反時計方向に回転します。

[ ! ]モータケーブルは延長できません。


| モータ | オリエンタルモータ | 台湾製モータ | 住友重機械工業 | ||||||
| モータユニット型番 | ギヤヘッド型番 ※□には減速比 が入ります | モータユニット型番 | ギヤヘッド型番 ※□には減速比 が入ります | モータ型番 | コントローラ 型番 | ギヤヘッド型番 ※□には減速比 が入ります | |||
| 出力 | 仕様 | 電圧 | |||||||
| 6W | スピードコント ロールモータ | 単相100V | US206-401 | 2GN□□S | PACMSV-UT60-W6-V100 | PACMGXT60-□□ | A6U06A | CAU06A | G6□D |
| 単相200V | US206-402 | PACMSV-UT60-W6-V200 | A6U06C | CAU06C | |||||
| 単相110V・115V | US206-401U2 | PACMSVW-UT60-W6-V110 | ― | ― | ― | ||||
| 単相220V・230V | US206-402E2 | PACMSVW-UT60-W6-V220 | ― | ― | ― | ||||
| 25W | スピードコント ロールモータ | 単相100V | US425-401 | 4GN□□S | PACMSV-UT80-W25-V100 | PACMGXT80-□□ | A8U25A | CAU25A | G8□D |
| 単相200V | US425-402 | PACMSV-UT80-W25-V200 | A8U25C | CAU25C | |||||
| 単相110V・115V | US425-401U2 | PACMSVW-UT80-W25-V110 | ― | ― | ― | ||||
| 単相220V・230V | US425-402E2 | PACMSVW-UT80-W25-V220 | ― | ― | ― | ||||
| 備考 | [ ! ]スピードコントロールモータには次のものが含まれています。 | [ ! ]スピードコントロールモータには次のものが含まれています。 [ NG ]スピードコントロールモータのモータケーブルは延長できません。 | [ ! ]スピードコントロールモータに使用するには | ||||||
| モータ | 延長用接続ケーブル型番 | ||||
| 出力 | 長さ | 単相100V、単相200V | 単相110V、単相115V | ||
| 単相220V、単相230V | |||||
| 6W | 1m | CC-1 | ![]() | CC01SU05 | ![]() |
| 25W | 2m | CC-2 | CC02SU05 | ||
| 3m | CC-3 | CC03SU05 | |||
| 4m | CC-4 | CC04SU05 | |||
| ・継ぎ足しできるケーブルの最大延長距離は4mです。 | ・継ぎ足しできるケーブルの最大延長距離は10mです。 | ||||
| モータ | 延長用接続ケーブル型番 | ||
| 出力 | 長さ | 単相100V、単相200V | |
| 6W 25W | 1m | EAWE10 | ![]() |
| 2m | EAWE20 | ||
| 3m | EAWE30 | ||
| 4m | EAWE40 | ||
| ・使用できるケーブルの最大延長距離は4mです。 | |||
| 仕様 | INVM | INVC |
| メーカ | 三菱電機株式会社 | 三菱電機株式会社 |
| 型式 | FR-D720-0.1K | R-E820-0.1K-1 ※CC-Linkカード: FR-A8NC E-KIT 同梱 |
| 電源 | 三相200V | 三相200V |
| 備考 | CC-Link通信対応 |
| 挿入位置 | コンベヤ側面の溝に挿入済み(4個/1溝) 追加ザグリ穴(FYA/FYB)選択時は追加挿入可能(別売) | 後入れナット(別売) 加工・分解無しで挿入可能 | ||||||
| 品名 | 型番 | ねじの呼び | ピッチ | 品名 | 型番 | ねじの呼び | ピッチ | |
| X部 | JIS1種六角ナット | LBNR3 | M3 (並目) | 0.5 | ― | ― | ― | ― |
| Y部 | 5シリーズ(溝幅6mm)用 アルミフレーム用先入れナット | HNTT5-5 | M5 (並目) | 0.8 | 5シリーズ(溝幅6mm)用 アルミフレーム用後入れバネナット | HNTP5-5 | M5 (並目) | 0.8 |
| ― | HNTP5-4 | M4 (並目) | 0.7 | |||||
| HNTP5-3 | M3 (並目) | 0.5 | ||||||
外形図へ戻る①型番確定後、型番下に表示される「構成部品一覧」ボタンを押してください。

②構成部品一覧と展開図(立体分解図)が表示されます。
③展開図にて必要部品の展開図番号を確認し、構成部品一覧からお選び・ご購入いただけます。
[ ! ]「構成部品一覧」からご注文いただけない部品は、コンベヤ型番・展開図番号・数量を指定し、
カタログ規格外品サービスにてお見積り・お問い合わせください。
| 追加工 コード | 追加工内容 | 適用条件 | 指定例 | \/1Code | |||||
| MK | モータ位置勝手違い![]() | モータ位置が変更できます。 ヘッド駆動タイプのみ指定できます。 〈指定方法〉:MK | [ ! ]一部機種はMKを追加することにより、関連する部品も変更されます。 | GVTSA-10-190-6- T200-SCM-180-S-C-MK | 1,000 | ||||
| FYA FYB | 追加ザグリ穴 ヘッド駆動 ![]() | 追加でナット挿入用のザグリ穴を手前と奥のフレームに加工します。 〈指定方法〉:FYA300 FYA300-FYB600
| [ ! ]FYA・FYB=指定5mm単位 [ ! ]FYB-FYA≧15 [ ! ]指定範囲は左記表となります。 [ ! ]フレーム両側の同位置にザグリ穴が加工されます。 | GVTSA-10-190-6- T200-SCM-180-S-C-FYA300 | 1,200 | ||||
| SCB | スピードコントローラ用ブラケット付属 (ブラシレスモータのコントローラにも適用可) <スピードコントローラブラケット規格図> ①スピードコントローラブラケット ![]() | スピードコントローラ用の取付ブラケットを付属します。 〈指定方法〉: SCB 住友重機械工業・オリエンタルモーター・台湾製モータのコントローラに対応します。 | [ ! ]ブラケット取付用ねじ2個付属 [ ! ]コントローラ取付用ねじ(M4x8)2本付属 [ ! ]コンベヤによっては、スペース上取り付かない場合があります。 [ ! ]コンベヤ型式やモータ仕様によりブラケットの形状が異なります。 | GVTSA-10-190-6- T200-SCM-180-S-C-SCB | 800 | ||||
型式 | B | ¥本体価格 1~9コ | |||||||||||||||||
L190~ 300 | L305~ 400 | L405~ 500 | L505~ 600 | L605~ 700 | L705~ 800 | L805~ 900 | L905~ 1000 | L1005~ 1100 | L1105~ 1200 | L1205~ 1300 | L1305~ 1400 | L1405~ 1500 | L1505~ 1600 | L1605~ 1700 | L1705~ 1800 | L1805~ 1900 | L1905~ 2000 | ||
GVTSA | 10 | 69,600 | 70,800 | 72,000 | 72,600 | 73,000 | 73,600 | 74,300 | 74,600 | 76,700 | 77,000 | 77,600 | 78,000 | 78,700 | 80,700 | 81,100 | 81,900 | 82,200 | 82,600 |
[ ! ]カタログ表記以上の数量の場合、価格・納期のお見積りをさせて頂きます。
| モータ・ベルト 仕様価格 | モータ出力 | 仕様 | AS(住友重機械工業) | B(オリエンタルモーター) | C(台湾製モータ) | R(モータ・ギヤヘッドなし) | J(ベルトなし) |
| 6W 25W | IM | 本体価格+¥ 5,000 | 本体価格のみ | 本体価格-¥6,000 | 本体価格-¥4,000 | ||
| SCM | 本体価格+¥11,000 | 本体価格+¥6,000 | |||||
| 25W | INVM | 本体価格+¥14,400 | 本体価格+¥9,400 | ||||
INVC | 本体価格+¥26,000 | 本体価格+¥21,000 | |||||
| 8 | 日目出荷 |
| 商品名 | GVシリーズ 2列中間駆動2溝フレーム(プーリ径30mm) | GVシリーズ 単列ヘッド駆動2溝フレーム(プーリ径30mm) | GVシリーズ 単列中間駆動2溝フレーム(プーリ径30mm) | GVシリーズ/ACブラシレスモータ搭載 -ヘッド駆動2溝フレーム(プーリ径30mm)- | GVシリーズ/ACブラシレスモータ搭載 -2列中間駆動2溝フレーム(プーリ径30mm)- | GVシリーズ/ACブラシレスモータ搭載 -単列中間駆動2溝フレーム(プーリ径30mm)- |
|---|---|---|---|---|---|---|
| 写真 | ||||||
| 駆動種類 | 多列中間駆動 | ヘッド駆動 | 中間駆動 | 多列ヘッド駆動 | 多列中間駆動 | 中間駆動 |
| 最大搬送重量(kg) | 15 | 10 | 10 | 15 | 15 | 10 |
■選定ガイド
・選定手順などの選定方法は こちら
■モータ詳細
・モータ仕様・結線図は こちら
■オプション部品
・スタンド・ガイド・ホッパなどのオプション部品は こちら
■コンベヤ総合情報
・商品情報、技術情報などコンベヤ全般については こちら
| 型番 |
|---|
通常単価(税別)
(税込単価) | 通常出荷日 |
|---|
- ( - ) | 11日目 |
- ( - ) | 18日目 |
- ( - ) | 11日目 |
- ( - ) | 18日目 |
- ( - ) | 11日目 |
- ( - ) | 18日目 |
- ( - ) | 11日目 |
- ( - ) | 18日目 |
- ( - ) | 11日目 |
- ( - ) | 18日目 |
ベルト幅10mmで小物搬送に最適なヘッド駆動タイプのコンベヤ
機長は5mm単位で指定可能!
オリエンタルモーターのACブラシレスモータ搭載コンベヤは「こちら」から
【規格追加】
住友重機械工業製モータを追加いたしました。
CC-Link対応三菱電機製インバータを追加いたしました。




通常価格、通常出荷日が表示と異なる場合がございます
通常価格、通常出荷日が表示と異なる場合がございます

ミスミ
平ベルトコンベヤ 【SVシリーズ】 中間駆動2溝フレーム Φ30
3.6
ミスミ
平ベルトコンベヤ 【SVシリーズ】 ヘッド駆動2溝フレーム(プーリ径30mm)
4.7
ミスミ
平ベルトコンベヤ 【CVシリーズ】高出力タイプ 中間駆動3溝フレーム Φ60/30
0
ミスミ
平ベルトコンベヤ【SVシリーズ】蛇行抑制桟付中間駆動2溝フレーム Φ30
2.8
ミスミ
平ベルトコンベヤ【GVシリーズ】 ヘッド駆動2溝フレーム(プーリ径30mm)
5
ミスミ
平ベルトコンベヤ SVシリーズ 蛇行抑制桟付ヘッド駆動2溝フレーム Φ30
4.5
ミスミ
タイミングベルトコンベヤ【GVシリーズ】 2列中間駆動2溝フレーム(プーリ径30mm)
4.3
ミスミ
タイミングベルトコンベヤ【GVシリーズ】 単列中間駆動2溝フレーム(プーリ径30mm)
4.5
ミスミ
平ベルトコンベヤ【SVシリーズ】ACブラシレスモータ 中間駆動2溝フレーム
4