メカニカル部品技術窓口
ミスミ品のみ対象
小物搬送に最適なヘッド駆動タイプのコンベヤに、ACブラシレスモータを搭載。負荷が掛かっても一定速度、コ...
詳細を確認
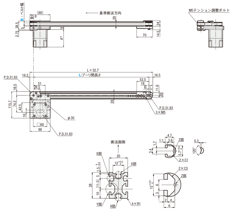
フレーム断面拡大(左右対称)
Z部詳細図
X部(M3用)
Y部(M5用)
| フレーム | モータカバー | プーリホルダ | |
| [ M ]材質 | アルミ材 | アルミ材 | アルミ材 |
| [ S ]表面処理 | アルマイト処理 | 塗装 | 塗装 |
| 型式 | − | B | − | L | − | モータ | − | ベルト仕様 | − | モータメーカー選択 | ||||||
| 出力 | − | 電圧 | − | 仕様 | − | ギヤヘッド 減速比 | ||||||||||
| GVTSA2 | - | 10 | - | 1000 | - | 30 | - | T1 | - | ABM | - | 30 | - | H | - | B |
| TYPE | B(ベルト幅) 選択(mm) | L(プーリ間長さ) 指定5mm単位 | モータ選択 | ベルト仕様 | モータメーカ | |||
| 出力(W) | 電圧(V) | 仕様 | ギヤヘッド減速比 | |||||
| GVTSA2 | 10 | 190~2000 | 30 | T1 (単相100~120V) T2 (単相200~240V) S2 (三相200~240V) | ABM (ACブラシレスモータ) | 20 30 50 | H(一般用・半透明) S(スライディング用・緑) J(ベルトなし) | B (オリエンタルモータ) |
| NV (モータなし) | NM (モータなし) | NH (ギヤヘッドなし) | R (モータ・ギヤヘッドなし) | |||||
[ ! ]スピードコントロールモータは、スピードコントローラ用取付ブラケットが付属されておりません。スピードコントローラ用ブラケットをお求めの際は、追加工[SCB]をご選定ください。
[ ! ]スピードコントローラ用ブラケットを単品でご購入の場合は、型式[P1-JTEA-12049072]をWOSにご入力頂きご購入ください。(kg)
| ベルト幅 B(mm) | 機長 L(mm) | |||
| 500 | 1000 | 1500 | 2000 | |
| 10 | 2.0 | 2.5 | 3.0 | 3.5 |
| 出力(W) | モータ | 減速比 | A | |
| 仕様 | メーカー | |||
| 30W | ブラシレスモータ | オリエンタルモーター | 20 | 72.0 |
| 30 50 | 76.0 | |||
■搬送能力 30W ※参考値

| ギヤヘッド減速比 | ベルト速度【m/min】 | |
| Min | Max | |
| 20 | 0.4 | 20.0 |
| 30 | 0.3 | 13.3 |
| 50 | 0.2 | 8.0 |
※ベルト速度(m/min)Maxはモータ出力軸回転速度4000r/min、
Minは80r/minでの参考値です。

| Alterations | Code | Spec | ¥/1Code | |||||||||||||||||||||||||||||||||||
モータ位置勝手違い![]() | MK | モータの位置が変更できます。ヘッド駆動タイプのみ 指定できます。 指定方法 MK [ ! ]一部機種はMKを追加することにより、関連する部品も変更されます。 [ ! ]対応型式はこちらの適用表をご参照ください。 | 6,000 (GVシリーズのみ 1,000) | |||||||||||||||||||||||||||||||||||
追加ザグリ穴 ヘッド駆動 ![]() 中間駆動 ![]()
| FYA FYB | 追加でナット挿入用のザグリ穴を手前と奥のフレームに加工します。 指定方法 FYA300 FYA300-FYB600
[ ! ]FYA・FYB=指定5mm単位 [ ! ]FYB-FYA≧15 [ ! ]指定範囲は左記表となります。中間駆動コンベヤにおいては、駆動部側に対しFYAは搬送方向下流側、FYBは上流側にご設定ください。 [ ! ]GVTSA・GVTSN・CVSPCにおいては、フレーム両側の同位置にザグリ穴が加工されます。 [ ! ]GVTWAU・GVTWAS・GVTWNU・GVTWNSにおいては内側フレーム溝およびフレームジョイント位置にザグリ穴は加工されません。 [ ! ]対応型式はこちらの適用表をご参照ください。 | 1,200 | |||||||||||||||||||||||||||||||||||
| スピードコントローラ用ブラケット付属(ブラシレスモータのコントローラにも適用可) 指定方法 SCB ![]() <スピードコントローラブラケット規格図> ①スピードコントローラブラケット ②高出力コンベヤ/ | SCB | スピードコントローラ用の取付ブラケットを付属します。 指定方法 SCB パナソニック・オリエンタル・台湾製モータのコントローラに対応します。 [ ! ]ブラケット取付用ねじ2個付属 [ ! ]コントローラ取付用ねじ(M4×8)2本付属 [ ! ]コンベヤ機長によっては、スペース上取り付かない場合があります。 [ ! ]コンベヤ型式やモータ仕様によりブラケットの形状が異なります。 [ ! ]対応型式はこちらの適用表をご参考ください。 [ NG ]海外電圧TA100、TA110、TA115、TA200、TA220、TA230におけるパナソニック製スピードコントローラに適用不可。 | 800 |
| 型式 | B | ¥本体価格 1〜9コ | |||||||||||||||||
| L190〜 | L305〜 | L405〜 | L505〜 | L605〜 | L705〜 | L805〜 | L905〜 | L1005〜 | L1105〜 | L1205〜 | L1305〜 | L1405〜 | L1505〜 | L1605〜 | L1705〜 | L1805〜 | L1905〜 | ||
| 300 | 400 | 500 | 600 | 700 | 800 | 900 | 1000 | 1100 | 1200 | 1300 | 1400 | 1500 | 1600 | 1700 | 1800 | 1900 | 2000 | ||
| GVTSA2 | 10 | 104,600 | 105,800 | 107,000 | 107,600 | 108,000 | 108,600 | 109,300 | 109,600 | 111,700 | 112,000 | 112,600 | 113,000 | 113,700 | 115,700 | 116,100 | 116,900 | 117,200 | 117,600 |
| モータ・ベルト 仕様価格 | R(モータ・ギヤヘッドなし) | J(ベルトなし) |
| 本体価格-¥33,000 | 本体価格-¥3,500 |
| 8 | 日目出荷 |
| 商品名 | GVシリーズ/ACブラシレスモータ搭載 -単列ヘッド駆動2溝フレーム(プーリ径30mm)- | GVシリーズ 2列中間駆動2溝フレーム(プーリ径30mm) | GVシリーズ 単列ヘッド駆動2溝フレーム(プーリ径30mm) | GVシリーズ 単列中間駆動2溝フレーム(プーリ径30mm) | GVシリーズ/ACブラシレスモータ搭載 -ヘッド駆動2溝フレーム(プーリ径30mm)- | GVシリーズ/ACブラシレスモータ搭載 -2列中間駆動2溝フレーム(プーリ径30mm)- |
|---|---|---|---|---|---|---|
| 写真 |
| |||||
| 駆動種類 | ヘッド駆動 | 多列中間駆動 | ヘッド駆動 | 中間駆動 | 多列ヘッド駆動 | 多列中間駆動 |
| 最大搬送重量(kg) | 10 | 15 | 10 | 10 | 15 | 15 |
■選定ガイド
・選定手順などの選定方法は こちら
■モータ詳細
・モータ仕様・結線図は こちら
■オプション部品
・スタンド・ガイド・ホッパなどのオプション部品は こちら
■コンベヤ総合情報
・商品情報、技術情報などコンベヤ全般については こちら
■規格外品サービスのご案内
・カタログ掲載以外のサイズ変更・モータ変更など、規格外品サービスより特注お見積り承ります。
【図面品、ミスミFAカタログ規格外品の特注見積もり】
https://meviy.misumi-ec.com/ja-jp/2dx/app/create/qt
※回答までに土日・祝日含まず2~7日営業日をいただいております。
製作可否からのお見積りになりますので、予めご了承いただければ幸いです。
| 型番 |
|---|
通常単価(税別)
(税込単価) | 通常出荷日 |
|---|
- ( - ) | 17日目 |
- ( - ) | 13日目 |
- ( - ) | 17日目 |
- ( - ) | 11日目 |
- ( - ) | 17日目 |
- ( - ) | 13日目 |
- ( - ) | 17日目 |
- ( - ) | 11日目 |
- ( - ) | 17日目 |
- ( - ) | 13日目 |
- ( - ) | 17日目 |
- ( - ) | 11日目 |
通常価格、通常出荷日が表示と異なる場合がございます
通常価格、通常出荷日が表示と異なる場合がございます

ミスミ
平ベルトコンベヤ 【SVシリーズ】 中間駆動2溝フレーム Φ30
3.6
ミスミ
平ベルトコンベヤ 【SVシリーズ】 ヘッド駆動2溝フレーム(プーリ径30mm)
4.7
ミスミ
平ベルトコンベヤ 【CVシリーズ】高出力タイプ 中間駆動3溝フレーム Φ60/30
0
ミスミ
平ベルトコンベヤ【SVシリーズ】蛇行抑制桟付中間駆動2溝フレーム Φ30
2.8
ミスミ
平ベルトコンベヤ【GVシリーズ】 ヘッド駆動2溝フレーム(プーリ径30mm)
5
ミスミ
平ベルトコンベヤ SVシリーズ 蛇行抑制桟付ヘッド駆動2溝フレーム Φ30
4.5
ミスミ
タイミングベルトコンベヤ【GVシリーズ】 2列中間駆動2溝フレーム(プーリ径30mm)
4.3
ミスミ
タイミングベルトコンベヤ【GVシリーズ】 単列中間駆動2溝フレーム(プーリ径30mm)
4.5
ミスミ
平ベルトコンベヤ【SVシリーズ】ACブラシレスモータ 中間駆動2溝フレーム
4