メカニカル部品技術窓口
ミスミ品のみ対象
構造合理化により、低価格を実現しました。乗継搬送に適した中間駆動タイプです。オリエンタルモーターのAC...
詳細を確認取付方法/使用例
メンテナンス
6Wモータ仕様
フレーム断面・拡大

B=50の場合
[ ! ]B=50の場合、下向き溝は付いておりません。
[ ! ]A*は下記「*A寸法詳細
(モータ全長)」表をご参照ください。
B=100~250の場合
[ ! ]B=200・250の場合、※2部の板厚は4mmです。
B=300の場合
B=400の場合
[ ! ]JIS規格の六角ナット使用可能です。
25W・40W・60W・90Wモータ仕様
25Wモータ仕様
40W・60W・90Wモータ仕様
| フレーム | モータカバー① | モータカバー② | プーリホルダ | |
| [ M ]材質 | アルミ材 | アルミ材 | SPCC | アルミ材 |
| [ S ]表面処理 | アルマイト処理 | 塗装 | 塗装 | 塗装 |
[ ! ]※L≧490の場合、1溝につき4個ずつのナットが挿入されています(計16個)。ナット挿入用ザグリ穴が必要な場合は追加工にてご指定ください。
[ ! ]※1 L≧2005の場合、この位置にベルト受けローラが付きます。
[ ! ]図中の寸法はベルト仕様H(厚み0.8mm)での寸法となります。ベルト厚みは、ベルト仕様によって異なるためご注意ください。ベルト仕様は>>こちらをご参照ください。
[ ! ]プーリホルダ装着のためアルミフレーム溝X部を使用しております。この範囲にナットを移動することはできません。
[ ! ]使用環境により、搬送不良が起こる可能性がございます。
[ ! ]L≧1000の場合、スタンド取付を推奨しております。スタンド追加工に関する詳細は>>こちらをご参照ください。
| 型式 | B | L | モータ | ベルト仕様 | モータメーカー選択 | ||||||||||||
| − | − | − | − | − | |||||||||||||
| 出力 | − | 電圧 | − | 仕様 | − | ギヤヘッド 減速比 | |||||||||||
| SVKR | − | 100 | − | 1000 | − | 25 | − | T100 | − | IM | − | 25 | − | H | − | C | |
| SVKR | − | 100 | − | 1000 | − | 25 | − | NV | − | NM | − | NH | − | H | − | R | (モータ・ギヤヘッドなし) |
| 型式 | B 選択 | L 指定5mm単位 | モータ選択 | ベルト仕様 | モータメーカ選択 [ ! ]メーカごとに価格が異なります。 | |||||||
| 出力(W) | 電圧(V) | 仕様 | ギヤヘッド減速比 | |||||||||
| SVKR | 50 100 150 200 250 | 390 ~ 3000 [ NG ]出力6のとき、 L≧2005選定不可 | 6 25 40 60 90 | T100(単相) T200(単相) | IM (インダクションモータ) SCM (スピードコントロールモータ) | H(一般用・緑) W(一般用・白) G(スライディング用・緑) S(スライディング用・白) D(電子部品搬送用・黒) F(食品搬送用・白) O(耐油仕様・紺) N(非粘着仕様・白) J(ベルトなし) [ NG ]出力25のとき ※モータメーカBの場合、 | AS(住友重機械工業) B(オリエンタルモーター) C(台湾製モータ) ※Cは搬送速度が20%程度 | |||||
| 25 40 60 90 | S200(三相) | IM(インダクションモータ) INVM(インダクションモータ +三菱製インバータ) INVC(インダクションモータ +CC-Link対応三菱製インバータ) | 5 | 7.5 | 9 | 12.5 | 15 | |||||
| 18 | 25 | 30 | 36 | 50 | ||||||||
| 60 | 75 | 90 | 100 | |||||||||
| 120 | 150 | 180 | ||||||||||
| 300 400 | 40 60 90 | T100(単相) T200(単相) | IM (インダクションモータ) SCM (スピードコントロールモータ) | |||||||||
| [ NG ]出力6のとき 5~9適用不可 | ||||||||||||
| S200(三相) | IM(インダクションモータ) INVM(インダクションモータ +三菱製インバータ) INVC(インダクションモータ CC-Link対応三菱製インバータ) | |||||||||||
| 50 100 150 200 250 300 400 | 6 25 40 60 90 | NV(モータなし) | NM(モータなし) | NH(ギヤヘッドなし) | R(モータ・ギヤヘッドなし) | |||||||
| ベルト幅 B(mm) | プーリ間長さL(mm) | |||||
| 500 | 1000 | 1500 | 2000 | 2500 | 3000 | |
| 50 | 5.4 | 6.5 | 7.5 | 8.6 | 9.6 | 10.6 |
| 100 | 7.2 | 8.7 | 10.3 | 11.8 | 13.4 | 14.9 |
| 150 | 8.7 | 10.5 | 12.3 | 14.1 | 15.9 | 17.7 |
| 200 | 10.4 | 12.7 | 15 | 17.3 | 19.6 | 21.9 |
| 250 | 12 | 14.6 | 17.2 | 19.8 | 22.4 | 25.1 |
| 300 | 14.7 | 17.1 | 19.5 | 21.9 | 24.3 | 26.7 |
| 400 | 16.1 | 20.4 | 24.9 | 29.3 | 33.7 | 37.9 |
■A寸法詳細(モータ全長)
| 出力 (W) | モータ | 減速比 | A | |
| 仕様 | メーカ | |||
| 6W | インダクションモータ | 住友重機械工業 | 12.5〜18 | 105 |
| 25〜180 | 115 | |||
| オリエンタルモーター | 12.5〜18 | 105 | ||
| 25〜180 | 115 | |||
| 台湾製 | 12.5〜75 | 115 | ||
| 90〜180 | 122 | |||
| スピードコントロールモータ | 住友重機械工業 | 12.5〜18 | 115.8 | |
| 25〜180 | 125.8 | |||
| オリエンタルモーター | 12.5〜18 | 115 | ||
| 25〜180 | 125 | |||
| 台湾製 | 12.5〜75 | 127 | ||
| 90〜180 | 134 | |||
| 25W | インダクションモータ | 住友重機械工業 | 5〜18 | 117 |
| 25〜180 | 127.5 | |||
| オリエンタルモーター | 5〜18 | 117 | ||
| 25〜180 | 127.5 | |||
| 台湾製 | 5〜75 | 129 | ||
| 90〜180 | 136 | |||
| スピードコントロールモータ | 住友重機械工業 | 5〜18 | 127.8 | |
| 25〜180 | 138.3 | |||
| オリエンタルモーター | 5〜18 | 127 | ||
| 25〜180 | 137.5 | |||
| 台湾製 | 5〜75 | 139.5 | ||
| 90〜180 | 146.5 | |||
| 出力 (W) | モータ | 減速比 | A | |
| 仕様 | メーカ | |||
| 40W | インダクションモータ | 住友重機械工業 | 5〜18 | 147.0 |
| 25〜180 | 165.0 | |||
| オリエンタルモーター | 5〜18 | 147.0 | ||
| 25〜180 | 165.0 | |||
| 台湾製 | 5〜75 | 161.6 | ||
| 90〜180 | 170.6 | |||
| スピード コントロールモータ | 住友重機械工業 | 5〜18 | 157.8 | |
| 25〜180 | 175.8 | |||
| オリエンタルモーター | 5〜18 | 157.0 | ||
| 25〜180 | 175.0 | |||
| 台湾製 | 5〜75 | 172.1 | ||
| 90〜180 | 181.1 | |||
| 60W | インダクションモータ | 住友重機械工業 | 5~180 | 188.3 |
| オリエンタルモーター | 5~180 | 185 | ||
| 台湾製 | 5~ 75 | 176.6 | ||
| 90~180 | 185.5 | |||
| スピード コントロールモータ | 住友重機械工業 | 5~180 | 225.3 | |
| オリエンタルモーター | 5~180 | 215 | ||
| 台湾製 | 5~ 75 | 194.6 | ||
| 90~180 | 203.5 | |||
| 90W | インダクションモータ | 住友重機械工業 | 5~180 | 203.3 |
| オリエンタルモーター | 5~180 | 200 | ||
| 台湾製 | 5~ 75 | 191.6 | ||
| 90~180 | 200.5 | |||
| スピード コントロールモータ | 住友重機械工業 | 5~180 | 240.3 | |
| オリエンタルモーター | 5~180 | 230 | ||
| 台湾製 | 5~ 75 | 209.6 | ||
| 90~180 | 218.6 | |||
| ベルト仕様 | 標準ベルト(本体価格のみ) | オプションベルト1(+¥3,000) | オプションベルト2(+¥5,500) | ベルトなし(−¥4,000) |
| 一般用 | H(緑) W(白) | − | − | J (ベルトなし) |
| スライディング用 | G(緑) S(白) | − | − | |
| 傾斜搬送用 | − | − | − | |
| グリップ仕様 | − | − | GG(緑) GW(白) | |
| 耐油仕様 | O(緑) | OW(白) | − | |
| 非粘着仕様 | N(白) | NB(スカイブルー) NBG(ライムグリーン) HH(緑) HW(白) | − | |
| 食品搬送用 | − | KW(白) KSB(スカイブルー) PHB(スカイブルー) | − | |
| 電子部品搬送用 | D(黒) | − | − |
[ ! ]ベルト長さ計算式:(2L+A) / 1.002 / 1000 小数点第3位四捨五入 単位:m(L=プーリ間長さ)
通常とローラエッジ追加工の場合で計算式のAの値が異なります。
A=270:通常
A=257:片側ローラエッジ(HR/MR)
A=244:両側ローラエッジ(WR)
[ ! ]モータメーカAS(住友重機械工業製モータ)およびモータメーカC(台湾製モータ)は、H・W・G・S・D・F・O・NまたはJ(ベルトなし)から選定ください。
[ ! ]モータ出力6Wのときは、厚み1.0mm以下のベルトから選定ください。
[ ! ]耐油仕様ベルトは、裏側に油が付着する環境ではご使用いただけません。
■搬送能力 *参考値

[ ! ]アキューム搬送(スライディングベルトのみ適用)の場合は
グラフの1/2以下の搬送能力でご検討ください。
| ギヤヘッド減速比 | ベルト速度(m/min) | |
| 50Hz | 60Hz | |
| 5 | 47.1 | 56.5 |
| 7.5 | 31.4 | 37.7 |
| 9 | 26.2 | 31.4 |
| 12.5 | 18.8 | 22.6 |
| 15 | 15.7 | 18.8 |
| 18 | 13.1 | 15.7 |
| 25 | 9.4 | 11.3 |
| 30 | 7.9 | 9.4 |
| 36 | 6.5 | 7.9 |
| 50 | 4.7 | 5.7 |
| 60 | 3.9 | 4.7 |
| 75 | 3.1 | 3.8 |
| 90 | 2.6 | 3.1 |
| 100 | 2.4 | 2.8 |
| 120 | 2.0 | 2.4 |
| 150 | 1.6 | 1.9 |
| 180 | 1.3 | 1.6 |
[ ! ]モータ仕様SCMの場合、(1/15)×(最大速度)まで調整出来ます。
速度の低下に伴い、搬送可能重量が低下します。
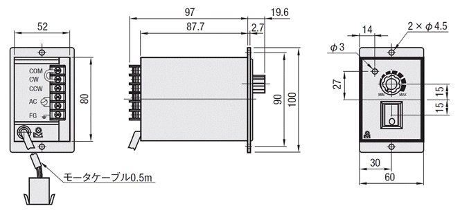
■オリエンタルモータスピードコントローラ外形図
6W/25W/40W 共通
コントロールユニット裏面白
黒
単相100V用プラグ(付属品)
(単相200V用はリード線)
接地
(アース用リード線:緑)
*図の接続でモータ軸は時計方向に回転します。
点線の位置に差し替えると反時計方向に回転します。
60W/90W共通
コントロールユニット裏面
白
黒
単相100V用プラグ(付属品)
(単相200V用はリード線)
コンデンサ
接地(アース用リード線:緑)
*図の接続でモータ軸は時計方向に回転します。
点線の位置に差し替えると反時計方向に回転します。
延長の中間ケーブルは、別でご購入ください。
[ ! ]コンデンサ単品はミスミでのお取り扱いはありません。

[ ! ]モータケーブルは延長できません。



| モータ | オリエンタルモータ | 台湾製モータ | 住友重機械工業 | ||||||
| モータユニット 型番 | ギヤヘッド型番 | モータユニット 型番 | ギヤヘッド型番 | モータ型番 | コントローラ 型番 | ギヤヘッド型番 | |||
| 出力 | 仕様 | 電圧 | ※□には減速比が入ります | ※□には減速比が入ります | ※□には減速比が入ります | ||||
| 6W | スピードコントロールモータ | 単相100V | US206-401 | 2GN□□S | PACMSV-UT60-W6-V100 | PACMGXT60-□□ | A6U06A | CAU06A | G6□D |
| 単相200V | US206-402 | PACMSV-UT60-W6-V200 | A6U06C | CAU06C | |||||
| 単相110V・115V | US206-401U2 | PACMSVW-UT60-W6-V110 | ― | ― | ― | ||||
| 単相220V・230V | US206-402E2 | PACMSVW-UT60-W6-V220 | ― | ― | ― | ||||
| 25W | スピードコントロールモータ | 単相100V | US425-401 | 4GN□□S | PACMSV-UT80-W25-V100 | PACMGXT80-□□ | A8U25A | CAU25A | G8□D |
| 単相200V | US425-402 | PACMSV-UT80-W25-V200 | A8U25C | CAU25C | |||||
| 単相110V・115V | US425-401U2 | PACMSVW-UT80-W25-V110 | ― | ― | ― | ||||
| 単相220V・230V | US425-402E2 | PACMSVW-UT80-W25-V220 | ― | ― | ― | ||||
| 40W | スピードコント ロールモータ | 単相100V | US540-401 | 5GN□□S | PACMSV-UT90-W40-V100 | PACMGXT90-□□ | A9U40A | CAU40A | G9A□K |
| 単相200V | US540-402 | PACMSV-UT90-W40-V200 | A9U40C | CAU40C | |||||
| 単相110V・115V | US540-401U2 | PACMSVW-UT90-W40-V110 | ― | ― | ― | ||||
| 単相220V・230V | US540-402E2 | PACMSVW-UT90-W40-V220 | ― | ― | ― | ||||
| 60W | スピードコントロールモータ | 単相100V | US560-501C | 5GU□□KB | PACMSV-UT90-W60-V100 | PACMGZT90-□□ | A9U60AH | CAU60A | G9B□KH |
| 単相200V | US560-502C | PACMSV-UT90-W60-V200 | A9U60CH | CAU60C | |||||
| 単相110V・115V | US560-501U2 | PACMSVW-UT90-W60-V110 | ― | ― | ― | ||||
| 単相220V・230V | US560-502E2 | PACMSVW-UT90-W60-V220 | ― | ― | ― | ||||
| 90W | スピードコントロールモータ | 単相100V | US590-501C | 5GU□□KB | PACMSV-UT90-W90-V100 | PACMGZT90-□□ | A9U90AH | CAU90A | G9B□KH |
| 単相200V | US590-502C | PACMSV-UT90-W90-V200 | A9U90CH | CAU90C | |||||
| 単相110V・115V | US590-501U2 | PACMSVW-UT90-W90-V110 | ― | ― | ― | ||||
| 単相220V・230V | US590-502E2 | PACMSVW-UT90-W90-V220 | ― | ― | ― | ||||
| 備考 | [ ! ]スピードコントロールモータには次のものが含まれています。 | [ ! ]スピードコントロールモータには次のものが含まれています。 [ NG ]スピードコントロールモータのモータケーブルは延長できません。 | [ ! ]スピードコントロールモータに使用するには | ||||||
モータ 出力 | 延長用接続ケーブル型番 | ||||
長さ | 単相100V、単相200V | 単相110V、単相115V 単相220V、単相230V | |||
6W 25W 40W | 1m | ![]() | ![]() | ||
2m | |||||
3m | |||||
4m | |||||
60W 90W | 1m | ![]() | ![]() | ||
2m | |||||
3m | |||||
4m | |||||
・継ぎ足しできるケーブルの最大延長距離は4mです。 | ・継ぎ足しできるケーブルの最大延長距離は10mです。 | ||||
| モータ 出力 | 延長用接続ケーブル型番 | ||
| 長さ | 単相100V、単相200V | ||
| 6W 25W 40W 60W 90W | 1m | EAWE10 | ![]() |
| 2m | EAWE20 | ||
| 3m | EAWE30 | ||
| 4m | EAWE40 | ||
| ・使用できるケーブルの最大延長距離は4mです。 | |||
| 仕様 | INVM | INVC |
| メーカ | 三菱電機株式会社 | 三菱電機株式会社 |
| 型式 | FR-D720-0.1K | FR-E820-0.1K-1 ※CC-Linkカード: FR-A8NC E-KIT 同梱 |
| 電源 | 三相200V | 三相200V |
| 備考 | CC-Link通信対応 |
| 挿入位置 | コンベヤ側面の溝に挿入済み(4個/1溝) 追加ザグリ穴(FYA/FYB)選択時は追加挿入可能(別売) | 後入れナット(別売) 加工・分解無しで挿入可能 | ||||||
| 品名 | 型番 | ねじの呼び | ピッチ | 品名 | 型番 | ねじの呼び | ピッチ | |
| X部 | JIS1種六角ナット | LBNR5 | M5 (並目) | 0.8 | コンベヤ用後入れナット (10個入り) | PACK-CHNT5-4 | M4 (並目) | 0.7 |
| PACK-CHNT5-3 | M3 (並目) | 0.5 | ||||||

| 追加工 コード | 追加工内容 | 適用条件 | 指定例 | \/1Code | |||||
| MP | 駆動部位置指定![]() | 駆動部の位置を指定できます。 〈指定方法〉:MP152 [ ! ]MP=指定1mm単位
| [ ! ]ベルト受けローラは任意の位置に移動します。 [ ! ]ベルトの厚みにより、MP寸法公差は±1となります。 [ ! ]駆動部を端部に移動するとベルトが斜めに安定することがありますが、使用上問題ありません。 | SVKR-100-1000-25- T100-IM-25-H-C-MP | 2,000 | ||||
| FYA FYB | 追加ザグリ穴![]() 中間駆動 | 追加でナット挿入用のザグリ穴を手前と奥のフレームに加工します。 〈指定方法〉:FYA300 [ NG ]中間駆動コンベヤは駆動部内のザグリ穴指定不可
| [ ! ]FYA・FYB=指定5mm単位 [ ! ]FYB-FYA≧15 [ ! ]指定範囲は左記表となります。中間駆動コンベヤにおいては、駆動部側に対しFYAは搬送方向下流側、FYBは上流側にご設定ください。 | SVKR-100-1000-25- T100-IM-25-H-C-FYA50 | 1,200 | ||||
| SCB | スピードコントローラ用ブラケット付属 (ブラシレスモータのコントローラにも適用可) <スピードコントローラブラケット規格図> ①スピードコントローラブラケット ![]() | スピードコントローラ用の取付ブラケットを付属します。 〈指定方法〉:SCB 住友重機械工業・オリエンタルモーター・台湾製モータのコントローラに対応します。 | [ ! ]ブラケット取付用ねじ2個付属 [ ! ]コントローラ取付用ねじ(M4x8)2本付属 [ ! ]コンベヤによっては、スペース上取り付かない場合があります。 [ ! ]コンベヤ型式やモータ仕様によりブラケットの形状が異なります。 | SVKR-100-1000-25- T100-IM-25-H-C-SCB | 800 | ||||
| CW | モータカバー窓付きタイプ![]() ヘッド駆動 中間駆動 | モーターカバー窓付きタイプに変更できます。 〈指定方法〉:CW | [ ! ]メンテナンス用に樹脂プレート単品でも購入可能 | SVKR-100-1000-25- T100-IM-25-H-C-CW | 3,000 | ||||
| 追加工 コード | 追加工内容 | 適用条件 | 指定例 | \/1Code | |||||||||||||||||||||||||||||
| ANT□ | 後入れナット付属![]() | ミスミコンベヤフレーム溝用の後入れナットを付属します。 材質:SUS316相当・焼結 〈指定方法〉:ANT5-Q8-4 | [ ! ]後入れナット詳細はこちら
| SVKR-100-1000-25- T100-IM-25-H-C-ANT5-Q8-4 |
| ||||||||||||||||||||||||||||
| HR MR | 片端ローラエッジ![]() HR(左ローラエッジ) MR(右ローラエッジ) | コンベヤの先端片側をローラエッジに変更します。 中間駆動タイプのみ指定できます。 〈指定方法〉:HR MR
| [ ! ]モータは25W以上より選定可能 [ ! ]L寸450以上より選定可能 [ NG ]B(ベルト幅)201mm以上は選定不可 | SVKR-100-1000-25- T100-IM-25-H-C-HR | 15,000 | ||||||||||||||||||||||||||||
| WR | 両端ローラエッジ![]() | コンベヤの先端両側をローラエッジに変更します。 中間駆動タイプのみ指定できます。 〈指定方法〉:WR
| [ ! ]モータは25W以上より選定可能 [ ! ]L寸450以上より選定可能 [ NG ]B(ベルト幅)201mm以上は選定不可 | SVKR-100-1000-25- T100-IM-25-H-C-WR | 30,000 | ||||||||||||||||||||||||||||
| BR | 電磁ブレーキ付モータ ■配線図 ![]() | インダクションモータを電磁ブレーキモータに変更します。 〈指定方法〉:BR | [ ! ]オリエンタルモーター仕様の三相モータのみ選定可能。 [ ! ]モータ詳細についてはこちら※5日目商品は納期が+3日となります。 | SVKR-100-1000-25- T100-IM-25-H-C-BR | 12,000 | ||||||||||||||||||||||||||||
| 追加工コード | コンベヤ用スタンド追加 | 適用条件 | 指定例 | ||||||||||||||||||||||||||||||||||||||||||||||||||||||||||||||||||||||||||||||||||||||||||||||||||||||
| NA□ | ■コンベヤスタンドI型 ベルト幅≦140mm (アジャスタボルトタイプ、スタンド□台+補強材) ![]() *1 D寸法対応表
| コンベヤにコンベヤ用スタンドを追加します。 〈指定方法〉: NA1-H750-PN WA3-H1200-P400 [ ! ]コンベヤ本体の溝サイズに合わせたボルト・ナットが付属します。 [ ! ]プーリ間機長L寸≧1000(GVシリーズはL寸≧1400)の場合、2本以上のスタンド取付を推奨しております。 [ ! ]コンベヤ用スタンド1台に図面一点鎖線部が(□-1)台追加された仕様です。 [ ! ]納期はコンベヤの標準納期と同一
■NA□・WA□取付寸法表
*取付箇所は下溝を想定した寸法
| [ ! ]□=1の場合、④アルミフレーム、⑤ブラケットは付属しません。 [ ! ]□=1の場合自立しません。[ ! ]□≧2の場合に④アルミフレームが不要の場合は本追加工ではなく、単品のCSTS、CSTWをご注文ください。 [ ! ]スタンドは部品を分割して発送いたします。お客様にて組立が必要です。 [ NG ]GVシリーズの場合、NA3、NA4、WA3、WA4は適用不可 | SVKR-100-1000-25- T100-IM-25-H-C-NA1-H800-PN | |||||||||||||||||||||||||||||||||||||||||||||||||||||||||||||||||||||||||||||||||||||||||||||||||||||
| WA□ | ■コンベヤスタンドH型 ベルト幅≧150mm (アジャスタボルトタイプ、スタンド□台+補強材) ![]() | SVKR-100-1000-25- T100-IM-25-H-C-WA2-H800-P500 | |||||||||||||||||||||||||||||||||||||||||||||||||||||||||||||||||||||||||||||||||||||||||||||||||||||||
| \/1Code | |||||||||||||||||||||||||||||||||||||||||||||||||||||||||||||||||||||||||||||||||||||||||||||||||||||||||
スタンド合計金額は(基準単価+追加スタンド価格x(□-1)となります。
コンベヤ用スタンドI型(NA□)
コンベヤ用スタンドH型(WA□)
| |||||||||||||||||||||||||||||||||||||||||||||||||||||||||||||||||||||||||||||||||||||||||||||||||||||||||
| 型式 | B | ¥本体価格 1〜9コ | |||||||||||||||||||||
| L390〜400 | L405〜500 | L505〜600 | L605〜700 | L705〜800 | L805〜900 | L905〜1000 | L1005〜1100 | L1105〜1200 | L1205〜1300 | L1305〜1400 | L1405〜1500 | L1505〜1600 | L1605〜1700 | L1705〜1800 | L1805〜1900 | L1905〜2000 | L2005〜2200 | L2205〜2400 | L2405〜2600 | L2605〜2800 | L2805〜3000 | ||
| SVKR | 50 | 62,270 | 63,210 | 63,630 | 63,840 | 64,160 | 64,370 | 64,470 | 70,250 | 70,560 | 70,770 | 71,090 | 71,300 | 74,660 | 74,970 | 75,180 | 75,390 | 75,710 | 88,830 | 89,360 | 89,990 | 91,980 | 92,510 |
| 100 | 69,510 | 69,930 | 70,560 | 70,980 | 71,510 | 71,820 | 72,240 | 78,750 | 79,170 | 79,700 | 80,120 | 80,640 | 84,420 | 84,840 | 85,260 | 85,790 | 86,210 | 100,590 | 101,540 | 102,480 | 105,000 | 105,950 | |
| 150 | 79,490 | 80,010 | 80,750 | 81,380 | 81,900 | 82,530 | 83,060 | 85,160 | 85,790 | 86,310 | 86,940 | 87,360 | 91,460 | 92,090 | 92,610 | 93,240 | 93,770 | 108,890 | 110,250 | 111,510 | 114,140 | 115,500 | |
| 200 | - | 86,940 | 87,890 | 88,730 | 89,460 | 90,300 | 91,040 | 93,450 | 94,190 | 95,030 | 95,760 | 96,600 | 101,120 | 101,960 | 102,800 | 103,530 | 104,480 | 120,860 | 122,540 | 124,320 | 127,580 | 129,260 | |
| 250 | - | - | 95,550 | 96,600 | 97,440 | 98,490 | 99,440 | 101,850 | 102,900 | 103,850 | 104,900 | 105,840 | 110,780 | 111,720 | 112,670 | 113,720 | 114,660 | 132,300 | 134,300 | 136,500 | 140,180 | 142,280 | |
| 300 | - | - | - | 126,320 | 128,520 | 130,730 | 132,930 | 137,550 | 139,760 | 141,960 | 144,170 | 146,370 | 150,890 | 153,090 | 155,190 | 157,400 | 159,600 | 170,310 | 174,510 | 179,870 | 185,220 | 189,530 | |
| 400 | - | - | - | - | 152,670 | 154,880 | 157,190 | 162,230 | 164,430 | 166,740 | 169,050 | 171,260 | 176,090 | 178,400 | 180,710 | 182,910 | 185,220 | 196,040 | 197,820 | 200,870 | 203,810 | 208,110 | |
[ ! ]価格表にて「−」が付いているサイズはお取り扱いがございません。
取り扱いなし型番例:CVSMB-250-600-3.5-DC24-SCM-64-G-DA
| モータ 仕様価格 | モータ出力 | 仕様 | AS(住友重機械工業) | B(オリエンタルモーター) | C(台湾製モータ) | R(モータ・ギヤヘッドなし) |
| 6W 25W 40W | IM | 本体価格+¥ 5,000 | 本体価格のみ | 本体価格-¥6,000 | ||
| SCM | 本体価格+¥11,000 | 本体価格+¥6,000 | ||||
| 25W・40W | INVM | 本体価格+¥14,400 | 本体価格+¥9,400 | |||
| INVC | 本体価格+¥26,000 | 本体価格+¥21,000 | ||||
| 60W 90W | IM | 本体価格+¥ 8,000 | 本体価格+¥3,000 | 本体価格-¥8,000 | ||
| SCM | 本体価格+¥11,000 | 本体価格+¥13,000 | ||||
| INVM | 本体価格+¥17,400 | 本体価格+¥12,400 | ||||
| INVC | 本体価格+¥29,000 | 本体価格+¥24,000 | ||||
| ベルト 仕様価格 | 標準ベルト | オプションベルト1 | オプションベルト2 | ベルトなし |
| 本体価格のみ | 本体価格+¥3,000 | 本体価格+¥5,500 | 本体価格ー¥4,000 |
| 8 | 日目出荷 |
| 商品名 | SVシリーズ 蛇行抑制桟付中間駆動2溝フレーム φ30 | SVシリーズ 中間駆動2溝フレーム φ30 | GVシリーズ 中間駆動2溝フレーム(プーリ径30mm) | GVシリーズ/ACブラシレスモータ搭載 -中間駆動2溝フレーム(プーリ径30mm)- | GVシリーズ フルベルトタイプ 中間駆動2溝フレーム(プーリ径30mm) | GVシリーズ フルベルトタイプ/ACブラシレスモータ搭載 -中間駆動2溝フレーム(プーリ径30mm)- |
|---|---|---|---|---|---|---|
| 写真 |
| |||||
| 駆動種類 | 中間駆動 | 中間駆動 | 中間駆動 | 中間駆動 | 中間駆動 | 中間駆動 |
| 最大搬送重量(kg) | 15 | 15 | 15 | 15 | 15 | 15 |
| 型番 |
|---|
通常単価(税別)
(税込単価) | 通常出荷日 |
|---|
- ( - ) | 12日目 |
- ( - ) | 18日目 |
- ( - ) | 12日目 |
- ( - ) | 18日目 |
- ( - ) | 12日目 |
- ( - ) | 18日目 |
- ( - ) | 12日目 |
- ( - ) | 18日目 |
- ( - ) | 12日目 |
- ( - ) | 18日目 |
構造合理化により、低価格を実現しました。乗継搬送に適した中間駆動タイプです。
オリエンタルモーターのACブラシレスモータ搭載コンベヤは「こちら」から
【規格追加】
住友重機械工業製モータを追加いたしました。
CC-Link対応三菱電機製インバータを追加いたしました。
【技術コンテンツ】
ミスミはご選定のサポート、ご購入後のアフターフォローのサービスが充実!
商品ラインナップ機体重量コンベヤ構成部品オプション部品モータ仕様・結線図平ベルト詳細ベルト交換動画モータ配線動画




ミスミ
平ベルトコンベヤ SVシリーズ 蛇行抑制桟付ヘッド駆動2溝フレーム Φ30
蛇行抑制桟付きのベルトを使用することにより、横方面からの力による蛇行を抑制しベルトの直進性を維持するのに適したコンベヤです。
ミスミからのコメント
この度はご迷惑お掛けしまして大変申し訳ございません。絞り込み条件であり得ない数の脚の本数が選べてしまう件につきまして、今後システムを見直して改善していきたいと思います。また、駆動部カバーについては今後の新商品開発の貴重なご意見として参考にさせて頂きます。今後ともミスミコンベヤを宜しくお願い致します。
ミスミからのコメント
弊社コンベヤをご利用いただき誠にありがとうございます。 選定に関してご不便をおかけし大変申し訳ございません。 いただいたご意見を商品ページ改善の参考にさせていただきます。 今後も宜しくお願いいたします。
通常価格、通常出荷日が表示と異なる場合がございます
通常価格、通常出荷日が表示と異なる場合がございます

ミスミ
タイミングベルトコンベヤ 【GVシリーズ】 2列ヘッド駆動2溝フレーム(プーリ径30mm)
4.3
ミスミ
平ベルトコンベヤ【SVシリーズ】蛇行抑制桟付中間駆動2溝フレーム Φ30
2.8
ミスミ
タイミングベルトコンベヤ【GVシリーズ】 2列中間駆動2溝フレーム(プーリ径30mm)
4.3
ミスミ
平ベルトコンベヤ 【SVシリーズ】 ヘッド駆動2溝フレーム(プーリ径30mm)
4.7
ミスミ
平ベルトコンベヤ SVシリーズ 蛇行抑制桟付ヘッド駆動2溝フレーム Φ30
4.5
ミスミ
平ベルトコンベヤ 【SVシリーズ】 中間駆動2溝フレーム Φ30
3.6
ミスミ
平ベルトコンベヤ【GVシリーズ】 フルベルトタイプ 中間駆動2溝フレーム(プーリ径30mm)
5
ミスミ
平ベルトコンベヤ 【GVシリーズ】 フルベルトタイプ ヘッド駆動2溝フレーム(プーリ径30mm)
4.5
ミスミ
平ベルトコンベヤ 【CVシリーズ】モータ内蔵タイプ 2溝フレーム Φ32
2