メカニカル部品技術窓口
ミスミ品のみ対象
駆動部を最大限にコンパクト化。ベルト交換を容易な構造に変更しほぼ全面を搬送可能とした中間駆動タイプのフ...
詳細を確認
25Wモータ仕様

[ ! ]A*は下記 「*A寸法詳細(モータ全長)」 表をご参照ください。
40,60,90Wモータ仕様
フレーム断面拡大(左右対称)

X部(M3用)
Y部(M5用)
Z部詳細図
| フレーム | モータカバー | プーリホルダ | |
| [ M ]材質 | アルミ材 | アルミ材 | アルミ材 |
| [ S ]表面処理 | アルマイト処理 | 塗装 | 塗装 |
(kg)
| ベルト幅 B(mm) | プーリ間長さ L(mm) | |||
| 500 | 1000 | 1500 | 2000 | |
| 100 | 7.8 | 9.3 | 10.9 | 12.4 |
| 200 | 10.2 | 12.3 | 14.3 | 16.3 |
| 300 | 12.7 | 15.2 | 17.7 | 20.2 |
| 出力(W) | モータ | 減速比 | A | |
| 仕様 | メーカ | |||
| 25W | インダクションモータ | 住友重機械工業 | 5〜18 | 117 |
| 25〜180 | 127.5 | |||
| オリエンタルモーター | 5~ 18 | 117 | ||
| 25~180 | 127.5 | |||
| 台湾製 | 5~ 75 | 129 | ||
| 90~180 | 136 | |||
| スピード コントロールモータ | 住友重機械工業 | 5〜18 | 127.8 | |
| 25〜180 | 138.3 | |||
| オリエンタルモーター | 5〜18 | 127 | ||
| 25〜180 | 137.5 | |||
| 台湾製 | 5〜75 | 139.5 | ||
| 90〜180 | 146.5 | |||
| 40W | インダクションモータ | 住友重機械工業 | 5〜18 | 147 |
| 25〜180 | 165 | |||
| オリエンタルモーター | 5〜18 | 147 | ||
| 25〜180 | 165 | |||
| 台湾製 | 5〜75 | 161.6 | ||
| 90〜180 | 170.6 | |||
| スピード コントロールモータ | 住友重機械工業 | 5〜18 | 157.8 | |
| 25〜180 | 175.8 | |||
| オリエンタルモーター | 5〜18 | 157 | ||
| 25〜180 | 175 | |||
| 台湾製 | 5〜75 | 172.1 | ||
| 90〜180 | 181.1 | |||
| 出力(W) | モータ | 減速比 | A | |
| 仕様 | メーカ | |||
| 60W | インダクション モータ | 住友重機械工業 | 5~180 | 188.3 |
| オリエンタルモーター | 5~180 | 185 | ||
| 台湾製 | 5~ 75 | 176.6 | ||
| 90~180 | 185.5 | |||
| スピード コントロール モータ | 住友重機械工業 | 5~180 | 225.3 | |
| オリエンタルモーター | 5~180 | 215 | ||
| 台湾製 | 5~ 75 | 194.6 | ||
| 90~180 | 203.5 | |||
| 90W | インダクション モータ | 住友重機械工業 | 5~180 | 203.3 |
| オリエンタルモーター | 5~180 | 200 | ||
| 台湾製 | 5~ 75 | 191.6 | ||
| 90~180 | 200.5 | |||
| スピード コントロール モータ | 住友重機械工業 | 5~180 | 240.3 | |
| オリエンタルモーター | 5~180 | 230 | ||
| 台湾製 | 5~ 75 | 209.6 | ||
| 90~180 | 218.6 | |||
[ ! ]コンベヤ側面の1溝につき4個ずつナットが挿入されています。
[ ! ]図中の寸法はベルト仕様H(厚み0.9mm)での寸法となります。ベルト厚みは、ベルト仕様によって
異なるためご注意ください。ベルト仕様はこちら>>を参照ください。
[ ! ]ベルト長さ計算式:(2L+250) / 1000 小数点第3位四捨五入 単位:m (L=プーリ間長さ)
[ ! ]使用環境により、搬送不良が起こる可能性がございます。
[ ! ]L≧1400の場合、2本以上のスタンド取付を推奨しております。スタンド追加工に関する詳細はこちら>>を参照ください。
[ ! ]メンテナンス部品(構成部品一覧)の検索手順は>>こちらをご参照ください。
■搬送能力表
*参考値

[ ! ]アキューム搬送 (スライディングベルトのみ適用)の場合は
グラフの1/2以下の搬送能力でご検討ください。
*参考値
| ギヤヘッド 減速比 | ベルト速度(m/min) | |
| 50Hz | 60Hz | |
| 5 | 47.1 | 56.5 |
| 7.5 | 31.4 | 37.7 |
| 9 | 26.2 | 31.4 |
| 12.5 | 18.8 | 22.6 |
| 15 | 15.7 | 18.8 |
| 18 | 13.1 | 15.7 |
| 25 | 9.4 | 11.3 |
| 30 | 7.9 | 9.4 |
| 36 | 6.5 | 7.9 |
| 50 | 4.7 | 5.7 |
| 60 | 3.9 | 4.7 |
| 75 | 3.1 | 3.8 |
| 90 | 2.6 | 3.1 |
| 100 | 2.4 | 2.8 |
| 120 | 2.0 | 2.4 |
| 150 | 1.6 | 1.9 |
| 180 | 1.3 | 1.6 |
| 挿入位置 | コンベヤ側面の溝に挿入済み(4個/1溝) 追加ザグリ穴(FYA/FYB)選択時は追加挿入可能(別売) | 後入れナット(別売) 加工・分解無しで挿入可能 | ||||||
| 品名 | 型番 | ねじの呼び | ピッチ | 品名 | 型番 | ねじの呼び | ピッチ | |
| X部 | JIS1種六角ナット | LBNR3 | M3 (並目) | 0.5 | ― | ― | ― | ― |
| Y部 | 5シリーズ(溝幅6mm)用 アルミフレーム用先入れナット | HNTT5-5 | M5 (並目) | 0.8 | 5シリーズ(溝幅6mm)用 アルミフレーム用後入れバネナット | HNTP5-5 | M5 (並目) | 0.8 |
| ― | HNTP5-4 | M4 (並目) | 0.7 | |||||
| HNTP5-3 | M3 (並目) | 0.5 | ||||||





| 型式 | - | B | - | L | - | 出力 | - | ベルト 仕様 | - | モータメーカー 選択 | ( | - | 追加工 | ) | |||||||||
| 出力 | - | 電圧 | - | 仕様 | - | ギヤヘッド 減速比 | |||||||||||||||||
| GVFN GVFN | - - | 230 230 | - - | 1500 1500 | - - | 25 25 | - - | T200 NV | - - | IM NM | - - | 36 NH | - - | D H | - - | B R | ( | - | MP・FYA・FYB・SCB・NA・WA | ) | (モータ・ギヤヘッドなし) | ||
| 型式 | B(ベルト幅) 指定10mm単位 | L(プーリ間長さ) 指定5mm単位 | モータ選択 | ベルト仕様 | モータメーカー選択 | ||||||||
| 出力(W) | 電圧(V) | 仕様 | ギヤヘッド減速比 | ||||||||||
| GVFN | 50~300 | 320~2000 | 25 40 60 90 | T100 T200 (単相) | IM (インダクションモータ) SCM (スピードコントロールモータ) |
| H(一般用・緑) W(一般用・白) G(スライディング用・緑) S(スライディング用・白) D(電子部品搬送用・黒) F(食品搬送用・白) O(耐油仕様・紺) N(非粘着仕様・白) J(ベルトなし) | AS(住友重機械工業) B(オリエンタルモーター) C(台湾製モータ) ※Cは搬送速度が20%程度 低くなる可能性があります。 | |||||
| S200 (三相) | IM(インダクションモータ) INVM(インダクションモータ +三菱製インバータ) INVC(インダクションモータ +CC-Link対応三菱製インバータ) | ||||||||||||
| NV (モータなし) | NM(モータなし) | NH(ギヤヘッドなし) | R(モータ・ギヤヘッドなし) | ||||||||||
[ ! ]基準搬送方向にベルトが回転するようモータ結線を行ってください。配線図・モータ・インバータ詳細は>>こちら~参照
[ ! ]モータ・ギヤヘッドなし/ベルトなしコンベヤの指定方法については>>こちらをご参照ください。
[ ! ]モータ・ギヤヘッドなしを選択の場合、モータ取付穴ピッチはモータ出力により異なります。
[ ! ]モータ・ギヤヘッドなしを選択の場合、本機は部品状態でのお届けとなります。同梱の組立手順書に従ってお客様にて組立となります。
[ ! ]耐油仕様のベルトは、裏側に油が付着する環境ではご使用いただけません。
[ ! ]ベルト仕様に関わらず、機体を傾けたご使用は推奨しておりません。
[ ! ]三菱製インバータは、コンベヤには取付けされていない状態での納品となります。
[ ! ]三菱製インバータの取付ブラケットは、お客様にてご用意ください。
[ ! ]CC-Link対応三菱製インバータのCC-Linkカードは、お客様にて組み込みをお願いします。
[ ! ]CC-Link対応三菱製インバータのCC-Linkケーブル等は、お客様にてご用意ください。
[ ! ]CC-Linkは三菱電機株式会社の登録商標です。
[ ! ]ミスミコンベヤのベルト交換手順を動画にてご紹介しています。>>こちらをご参照ください。 (参考)
[ ! ]ミスミコンベヤ共通取扱説明書は>>こちらをご参照ください。
| モータ | オリエンタルモータ | 台湾製モータ | 住友重機械工業 | ||||||
| モータユニット型番 | ギヤヘッド型番 ※□には減速比 が入ります | モータユニット型番 | ギヤヘッド型番 ※□には減速比 が入ります | モータ 型番 | コントローラ型番 | ギヤヘッド型番 ※□には減速比 が入ります | |||
| 出力 | 仕様 | 電圧 | |||||||
| 25W | スピードコント ロールモータ | 単相100V | US425-401 | 4GN□□S | PACMSV-UT80-W25-V100 | PACMGXT80-□□ | A8U25A | CAU25A | G8□D |
| 単相200V | US425-402 | PACMSV-UT80-W25-V200 | A8U25C | CAU25C | |||||
| 単相110V・115V | US425-401U2 | PACMSVW-UT80-W25-V110 | ― | ― | ― | ||||
| 単相220V・230V | US425-402E2 | PACMSVW-UT80-W25-V220 | ― | ― | ― | ||||
| 40W | スピードコント ロールモータ | 単相100V | US540-401 | 5GN□□S | PACMSV-UT90-W40-V100 | PACMGXT90-□□ | A9U40A | CAU40A | G9A□K |
| 単相200V | US540-402 | PACMSV-UT90-W40-V200 | A9U40C | CAU40C | |||||
| 単相110V・115V | US540-401U2 | PACMSVW-UT90-W40-V110 | ― | ― | ― | ||||
| 単相220V・230V | US540-402E2 | PACMSVW-UT90-W40-V220 | ― | ― | ― | ||||
| 60W | スピードコント ロールモータ | 単相100V | US560-501C | 5GU□□KB | PACMSV-UT90-W60-V100 | PACMGZT90-□□ | A9U60AH | CAU60A | G9B□KH |
| 単相200V | US560-502C | PACMSV-UT90-W60-V200 | A9U60CH | CAU60C | |||||
| 単相110V・115V | US560-501U2 | PACMSVW-UT90-W60-V110 | ― | ― | ― | ||||
| 単相220V・230V | US560-502E2 | PACMSVW-UT90-W60-V220 | ― | ― | ― | ||||
| 90W | スピードコント ロールモータ | 単相100V | US590-501C | 5GU□□KB | PACMSV-UT90-W90-V100 | PACMGZT90-□□ | A9U90AH | CAU90A | G9B□KH |
| 単相200V | US590-502C | PACMSV-UT90-W90-V200 | A9U90CH | CAU90C | |||||
| 単相110V・115V | US590-501U2 | PACMSVW-UT90-W90-V110 | ― | ― | ― | ||||
| 単相220V・230V | US590-502E2 | PACMSVW-UT90-W90-V220 | ― | ― | ― | ||||
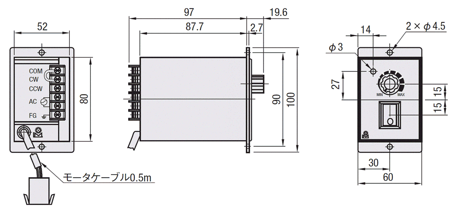
| 備考 | [ ! ]スピードコントロールモータに は次のものが含まれています。 モーター、スピードコントロール ユニット、コンデンサ*、 スピードコントロール用取り付け ねじ、取扱説明書 *60W、90Wのみ。 (単品販売はありません。) | [ ! ]スピードコントロールモータには次のもの が含まれています。 モーター、スピードコントロールユニット [ NG ]スピードコントロールモータの モータケーブルは延長できません。 | [ ! ]スピードコントロールモータに 使用するにはモータとコントローラ両方 とも手配が必要です。 *60W、90Wの単相100V仕様のみ コンデンサが付きます。 (単品販売はありません。) | ||||||
モータ 出力 | 延長用接続ケーブル型番 | ||||
長さ | 単相100V、単相200V | 単相110V、単相115V 単相220V、単相230V | |||
25W 40W | 1m | ![]() | ![]() | ||
2m | |||||
3m | |||||
4m | |||||
60W 90W | 1m | ![]() | ![]() | ||
2m | |||||
3m | |||||
4m | |||||
・継ぎ足しできるケーブルの最大延長距離は4mです。 | ・継ぎ足しできるケーブルの最大延長距離は10mです。 | ||||
| モータ 出力 | 延長用接続ケーブル型番 | ||
| 長さ | 単相100V、単相200V | ||
| 25W 40W 60W 90W | 1m | EAWE05 | ![]() |
| 2m | EAWE10 | ||
| 3m | EAWE30 | ||
| 4m | EAWE40 | ||
| ・使用できるケーブルの最大延長距離は4mです。 | |||
| 仕様 | INVM | INVC |
| メーカ | 三菱電機株式会社 | 三菱電機株式会社 |
| 型式 | FR-D720-0.1K | FR-E820-0.1K |
| ※CC-Linkカード: FR-A8NC-EKIT同梱 | ||
| 電源 | 三相200V | 三相200V |
| 備考 | CC-Link通信対応 |
| 追加工 コード | 追加工内容 | 適用条件 | 指定例 | \/1Code | |||||
| MP | 駆動部位置指定![]() | 駆動部の位置を指定できます。 〈指定方法〉:MP152 [ ! ]MP=指定1mm単位
| [ ! ]ベルト受けローラは任意の位置に移動します。 [ ! ]ベルトの厚みにより、MP寸法公差は±1となります。 [ ! ]駆動部を端部に移動するとベルトが斜めに安定することがありますが、使用上問題ありません。 | GVFN-230-1500-25- T200-IM-36-D-B-MP500 | 2,000 | ||||
| FYA FYB | 追加ザグリ穴 中間駆動 ![]() | 追加でナット挿入用のザグリ穴を手前と奥のフレームに加工します。 〈指定方法〉:FYA300 FYA300-FYB600 [ NG ]中間駆動コンベヤは駆動部内のザグリ穴指定不可
| [ ! ]FYA・FYB=指定5mm単位 [ ! ]FYB-FYA≧15 [ ! ]指定範囲は左記表となります。中間駆動コンベヤにおいては、駆動部側に対しFYAは搬送方向下流側、FYBは上流側にご設定ください。 | GVFN-230-1500-25- T200-IM-36-D-B-FYA500 | 1,200 | ||||
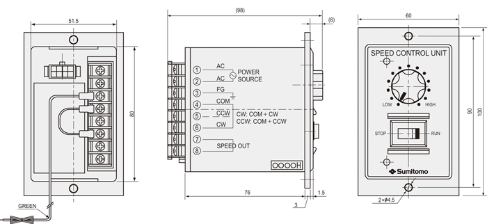
| SCB | スピードコントローラ用ブラケット付属 (ブラシレスモータのコントローラにも適用可) ![]() <スピードコントローラブラケット規格図> ①スピードコントローラブラケット | スピードコントローラ用の取付ブラケットを付属します。 〈指定方法〉: SCB 住友重機械工業・オリエンタルモーター・台湾製モータのコントローラに対応します。 | [ ! ]ブラケット取付用ねじ2個付属 [ ! ]コントローラ取付用ねじ(M4x8)2本付属 [ ! ]コンベヤによっては、スペース上取り付かない場合があります。 [ ! ]コンベヤ型式やモータ仕様によりブラケットの形状が異なります。 | GVFN-230-1500-25- T200-IM-36-D-B-SCB | 800 | ||||
| 追加工 コード | コンベヤ用スタンド追加 | 適用条件 | 指定例 | |||||||||||||||||||||||||||||||||||||||||||||||||||||||||||||||||||||||||||||||||
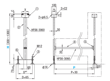
| NA□ | ■コンベヤスタンドI型 ベルト幅≦140mm (アジャスタボルトタイプ、スタンド□台+補強材) ![]() *1 D寸法対応表
| コンベヤにコンベヤ用スタンドを追加します。 〈指定方法〉: NA1-H750-PN WA3-H1200-P400 [ ! ]コンベヤ本体の溝サイズに合わせたボルト・ナットが付属します。 [ ! ]プーリ間機長L寸≧1000(GVシリーズはL寸≧1400)の場合、2本以上のスタンド取付を推奨しております。 [ ! ]コンベヤ用スタンド1台に図面一点鎖線部が(□-1)台追加された仕様です。 [ ! ]納期はコンベヤの標準納期と同一
■NA□・WA□取付寸法表
*取付箇所は下溝を想定した寸法
| [ ! ]□=1の場合、④アルミフレーム、⑤ブラケットは付属しません。 [ ! ]□=1の場合自立しません。[ ! ]□≧2の場合に④アルミフレームが不要の場合は本追加工ではなく、単品のCSTS、CSTWをご注文ください。 [ ! ]スタンドは部品を分割して発送いたします。お客様にて組立が必要です。 [ NG ]GVシリーズの場合、NA3、NA4、WA3、WA4は適用不可 | GVFN-230-1500-25- T200-IM-36-D-B-NA1-H800-PN | ||||||||||||||||||||||||||||||||||||||||||||||||||||||||||||||||||||||||||||||||
| WA□ | ■コンベヤスタンドH型 ベルト幅≧150mm (アジャスタボルトタイプ、スタンド□台+補強材) ![]() | GVFN-230-1500-25- T200-IM-36-D-B-WA2-H800-P500 | ||||||||||||||||||||||||||||||||||||||||||||||||||||||||||||||||||||||||||||||||||
| \/1Code | ||||||||||||||||||||||||||||||||||||||||||||||||||||||||||||||||||||||||||||||||||||
| スタンド合計金額は(基準単価+追加スタンド価格x(□-1)となります。
〈基準単価〉 + 〈追加スタンド価格〉 = 〈スタンド合計金額〉 例)NA1-H800-PN → 6,860円 + 0円 = 6,860円 例)NA3-H1000-P900 → 7,470円 + 10,260x(3-1)円 = 27,990円 コンベヤ用スタンドI型(NA□)
コンベヤ用スタンドH型(WA□)
| ||||||||||||||||||||||||||||||||||||||||||||||||||||||||||||||||||||||||||||||||||||


型式 | B | ¥本体価格 1~9コ | ||||||||||||||||
L320~ 400 | L405~ 500 | L505~ 600 | L605~ 700 | L705~ 800 | L805~ 900 | L905~ 1000 | L1005~ 1100 | L1105~ 1200 | L1205~ 1300 | L1305~ 1400 | L1405~ 1500 | L1505~ 1600 | L1605~ 1700 | L1705~ 1800 | L1805~ 1900 | L1905~ 2000 | ||
GVFN | 50 | 99,500 | 100,900 | 100,900 | 101,200 | 101,800 | 102,200 | 102,700 | 103,300 | 103,700 | 104,100 | 104,500 | 104,800 | 105,200 | 105,700 | 106,100 | 106,600 | 107,000 |
60~100 | 102,900 | 103,200 | 103,400 | 103,900 | 104,500 | 105,000 | 105,500 | 106,200 | 106,700 | 107,200 | 107,600 | 108,100 | 108,600 | 109,100 | 109,700 | 110,200 | 110,700 | |
110~150 | - | - | 109,900 | 110,600 | 111,300 | 112,200 | 113,000 | 115,000 | 115,700 | 116,400 | 117,200 | 117,800 | 118,600 | 119,300 | 120,100 | 120,800 | 121,600 | |
160~200 | - | - | - | 113,700 | 114,500 | 115,300 | 116,300 | 118,400 | 119,000 | 119,800 | 120,500 | 121,300 | 122,000 | 122,800 | 123,500 | 124,300 | 125,100 | |
210~250 | - | - | - | - | - | 124,300 | 125,300 | 127,800 | 128,700 | 129,700 | 130,500 | 131,600 | 132,400 | 133,400 | 134,500 | 135,400 | 136,500 | |
260~300 | - | - | - | - | - | - | 127,600 | 130,400 | 131,400 | 132,300 | 133,400 | 134,300 | 135,300 | 136,300 | 137,400 | 138,400 | 139,500 | |
[ ! ]カタログ表記以上の数量の場合、価格・納期のお見積りをさせて頂きます。
| モータ・ベルト 仕様価格 | モータ出力 | 仕様 | AS(住友重機械工業) | B(オリエンタルモーター) | C(台湾製モータ) | R(モータ・ギヤヘッドなし) | J(ベルトなし) |
| 25W 40W | IM | 本体価格+¥ 5,000 | 本体価格のみ | 本体価格-¥6,000 | 本体価格-¥4,000 | ||
| SCM | 本体価格+¥11,000 | 本体価格+¥ 6,000 | |||||
| 25W・40W | INVM | 本体価格+¥14,400 | 本体価格+¥ 9,400 | ||||
| INVC | 本体価格+¥26,000 | 本体価格+¥21,000 | |||||
| 60W 90W | IM | 本体価格+¥ 8,000 | 本体価格+¥ 3,000 | 本体価格-¥8,000 | |||
| SCM | 本体価格+¥18,000 | 本体価格+¥13,000 | |||||
| INVM | 本体価格+¥17,400 | 本体価格+¥12,400 | |||||
| INVC | 本体価格+¥29,000 | 本体価格+¥24,000 | |||||
| 8 | 日目出荷 |
| 商品名 | GVシリーズ フルベルトタイプ 中間駆動2溝フレーム(プーリ径30mm) | SVシリーズ 中間駆動2溝フレーム φ30 | GVシリーズ 中間駆動2溝フレーム(プーリ径30mm) | GVシリーズ/ACブラシレスモータ搭載 -中間駆動2溝フレーム(プーリ径30mm)- | GVシリーズ フルベルトタイプ/ACブラシレスモータ搭載 -中間駆動2溝フレーム(プーリ径30mm)- | SVシリーズ 蛇行抑制桟付中間駆動2溝フレーム φ30 |
|---|---|---|---|---|---|---|
| 写真 |
| |||||
| 駆動種類 | 中間駆動 | 中間駆動 | 中間駆動 | 中間駆動 | 中間駆動 | 中間駆動 |
| 最大搬送重量(kg) | 15 | 15 | 15 | 15 | 15 | 15 |
■選定ガイド
・選定手順などの選定方法は こちら
■モータ詳細
・モータ仕様・結線図は こちら
■オプション部品
・スタンド・ガイド・ホッパなどのオプション部品は こちら
■コンベヤ総合情報
・商品情報、技術情報などコンベヤ全般については こちら
| 型番 |
|---|
通常単価(税別)
(税込単価) | 通常出荷日 |
|---|
- ( - ) | 8日目 |
- ( - ) | 14日目 |
- ( - ) | 8日目 |
- ( - ) | 14日目 |
- ( - ) | 8日目 |
- ( - ) | 14日目 |
- ( - ) | 8日目 |
- ( - ) | 14日目 |
- ( - ) | 8日目 |
- ( - ) | 14日目 |
駆動部を最大限にコンパクト化。ベルト交換を容易な構造に変更しほぼ全面を搬送可能とした中間駆動タイプのフルベルトコンベヤ
ベルト幅を10mm単位/機長も5mm単位で指定可能!
オリエンタルモーターのACブラシレスモータ搭載コンベヤは「こちら」から
【規格追加】
住友重機械工業製モータを追加いたしました。
CC-Link対応三菱電機製インバータを追加いたしました。




通常価格、通常出荷日が表示と異なる場合がございます
通常価格、通常出荷日が表示と異なる場合がございます

ミスミ
タイミングベルトコンベヤ GVシリーズ ACブラシレスモータ 2列中間駆動2溝フレーム
0
ミスミ
平ベルトコンベヤ 【SVシリーズ】 ヘッド駆動2溝フレーム(プーリ径30mm)
4.7
ミスミ
平ベルトコンベヤ SVシリーズ 蛇行抑制桟付ヘッド駆動2溝フレーム Φ30
4.5
ミスミ
平ベルトコンベヤ 【CVシリーズ】ヘッド駆動2溝フレーム Φ30
5
ミスミ
プラチェーンコンベヤ 2列ヘッド駆動3溝フレーム φ57
3
ミスミ
平ベルトコンベヤ 【SVシリーズ】 中間駆動2溝フレーム Φ30
3.6
ミスミ
タイミングベルトコンベヤ GVシリーズ 2列中間駆動2溝フレーム(プーリ径30mm)
4.3
ミスミ
平ベルトコンベヤ【SVシリーズ】蛇行抑制桟付中間駆動2溝フレーム Φ30
2.8
ミスミ
平ベルトコンベヤ 【CVシリーズ】短機長タイプ 蛇行抑制桟付中間駆動2溝フレーム Φ30
0