メカニカル部品技術窓口
ミスミ品のみ対象
【オススメ】CVGTAの後継機種となるGVTWAU/GVTWASはこちら!ACブラシレスモータを搭載し...
詳細を確認商品の特徴

※L≧355の場合、1溝につき4個ずつナットが挿入されています。
ナット挿入用ザグリ穴が必要な場合は、追加工にてご指定下さい。

[ ! ]L≧1000の場合、スタンド取付を推奨しております。
スタンド追加工に関する詳細はこちら参照
可能性がございます。

※1 コンデンサ:単相インダクション
モータのみ取付
※2 ジョイント: ジョイント: 1005≦
L≦2000の時、この位置に追加
で取付 (1箇所)
※3 ジョイント: 2005≦L≦3000の時、
この位置に追加で取付 (2箇所)
※4 ベルト受けローラ: 2005≦Lの時、
この位置に取付 (3箇所)
※タイミングベルトは、T5タイプ
(こちらLTBRA-T5100~)を採用
しています。詳細は商品ページを
ご参照ください。
[ ! ]A*は下記 「*A寸法詳細(モータ全長)」 表をご参照ください。
| フレーム | モータカバー | プーリホルダ | |
| [ M ]材質 | アルミ材 | アルミ材 | アルミ材 |
| [ S ]表面処理 | アルマイト処理 | 塗装 | 塗装 |
| 型式 | − | B | − | L | − | モータ | − | ベルト仕様 | − | モータメーカー選択 | |||||||
| 出力 | − | 電圧 | − | 仕様 | − | ギヤヘッド 減速比 | |||||||||||
| CVGTA | − | 80 | − | 1360 | − | 6 | − | T100 | − | IM | − | 50 | − | S | − | B | |
| CVGTA | − | 80 | − | 1360 | − | 6 | − | NV | − | NM | − | NH | − | S | − | R | (モータ・ギヤヘッドなし) |
| 型式 | B 指定1mm単位 | L 指定5mm単位 | モータ選択 | ベルト仕様 | モータメーカー選択 [ ! ]メーカーごとに価格が異なります。 | |||||||
| 出力(W) | 電圧(V) | 仕様 | ギヤヘッド減速比 | |||||||||
| CVGTA | 80〜300 | 255〜3000 | 6 25 | T100(単相) T200(単相) | IM(インダクションモータ) SCM(スピードコントロールモータ) | 5 18 60 150 | 7.5 25 75 180 | 9 30 90 | 12.5 36 100 | 15 50 120 | S(スライディング用・緑) J(ベルトなし) | B(オリエンタルモータ) C(台湾製モータ) ※Cは搬送速度が20%程度低くなる可能性があります。 |
| 25 | S200(三相) | IM(インダクションモータ) INVM(インダクションモータ+三菱製インバータ) | ||||||||||
[ NG ]出力6のとき5〜9適用不可 | ||||||||||||
| 6 25 | NV(モータなし) | NM(モータなし) | NH(ギヤヘッドなし) | R(モータ・ギヤヘッドなし) | ||||||||
[ ! ]モータ・ギヤヘッドなしを選択の場合、本機は部品状態でのお届けとなります。同梱の組立手順書に従ってお客様にて組立となります。
[ ! ]ベルト長さ計算式:(2L+100) / 5 単位:歯数 小数点以下切り捨て(L=プーリ間長さ)Type | 種類 | 仕様 | 色調 | 材質 | 使用温度 | ||
本体 | 心線 | 帆布 | |||||
両面布張り | スライディング用 | 緑 | アイアンラバー(R) (ポリウレタン) | 高張力 スチールコード | ナイロン帆布 | 0℃~80℃ | |
相手材 | ベルトタイプ |
歯面・背面 | |
布張りタイプ | |
ステンレス | 0.3 |
ポリアミド | 0.2 |
超高分子量ポリエチレン | 0.2 |
| 機長L(mm) | |||||||
| ベルト幅 B(mm) | 500 | 750 | 1000 | 1500 | 2000 | 2500 | 3000 |
| 100 | 4.1 | 4.6 | 5 | 5.9 | 6.8 | 7.7 | 8.6 |
| 200 | 4.5 | 5 | 5.5 | 6.4 | 7.3 | 8.2 | 9.1 |
| 300 | 5 | 5.4 | 5.9 | 6.8 | 7.7 | 8.6 | 9.5 |
※表中の数値はあくまで目安となります。
ベルト種類、追加工などで変化する場合があります。
※モータ出力が25Wになる場合は、1.1kg加算ください。
| 出力(W) | モータ | 減速比 | A | |
| 仕様 | メーカ | |||
| 6W | インダクションモータ | オリエンタルモーター | 12.5〜18 | 105.0 |
| 25〜180 | 115.0 | |||
| 台湾製 | 12.5〜75 | 114.7 | ||
| 90〜180 | 120.7 | |||
| スピード コントロール モータ | オリエンタルモーター | 12.5〜18 | 115.0 | |
| 25〜180 | 125.0 | |||
| 台湾製 | 12.5〜75 | 126.9 | ||
| 90〜180 | 132.9 | |||
| 25W | インダクションモータ | オリエンタルモーター | 5〜18 | 117.0 |
| 25〜180 | 127.5 | |||
| 台湾製 | 5〜75 | 129.0 | ||
| 90〜180 | 136.0 | |||
| スピード コントロール モータ | オリエンタルモーター | 5〜18 | 127.0 | |
| 25〜180 | 137.5 | |||
| 台湾製 | 5〜75 | 139.5 | ||
| 90〜180 | 146.5 | |||
■ギヤヘッド減速比*参考値
*負荷状態により減少することがあります。
| ギヤヘッド減遠比 | ベルト速度(m/min) | |
| 50Hz | 60Hz | |
| 5 | 60.0 | 72.0 |
| 7.5 | 40.0 | 48.0 |
| 9 | 33.3 | 40.0 |
| 12.5 | 24.0 | 28.8 |
| 15 | 20.0 | 24.0 |
| 18 | 16.7 | 20.0 |
| 25 | 12.0 | 14.4 |
| 30 | 10.0 | 12.0 |
| 36 | 8.3 | 10.0 |
| 50 | 6.0 | 7.2 |
| 60 | 5.0 | 6.0 |
| 75 | 4.0 | 4.8 |
| 90 | 3.3 | 4.0 |
| 100 | 3.0 | 3.6 |
| 120 | 25 | 3.0 |
| 150 | 2.0 | 2.4 |
| 180 | 1.7 | 2.0 |
[ ! ]モータ仕様IMの場合、上表の搬送速度で
定速になります。
[ ! ]モータ仕様SCMの場合、最高速度は
上表の値をご参照ください。
■搬送能力*参考値

[ ! ]アキューム搬送 (スライディングベルトのみ適用)の場合は
グラフの1/2以下の搬送能力でご検討ください。
[ ! ]ご使用条件によって搬送能力が異なる場合がございます。
[ ! ] このグラフは水平条件での搬送能力です。


| モータ | オリエンタルモータ | 台湾製モータ | ||||
| モータユニット型番 | ギヤヘッド型番 ※□には減速比 が入ります | モータユニット型番 | ギヤヘッド型番 ※□には減速比 が入ります | |||
| 出力 | 仕様 | 電圧 | ||||
| 6W | スピードコント ロールモータ | 単相100V | US206-401 | 2GN□□S | PACMSV-UT60-W6-V100 | PACMGXT60-□□ |
| 単相200V | US206-402 | PACMSV-UT60-W6-V200 | ||||
| 単相110V・115V | US206-401U2 | PACMSVW-UT60-W6-V110 | ||||
| 単相220V・230V | US206-402E2 | PACMSVW-UT60-W6-V220 | ||||
| 25W | スピードコント ロールモータ | 単相100V | US425-401 | 4GN□□S | PACMSV-UT80-W25-V100 | PACMGXT80-□□ |
| 単相200V | US425-402 | PACMSV-UT80-W25-V200 | ||||
| 単相110V・115V | US425-401U2 | PACMSVW-UT80-W25-V110 | ||||
| 単相220V・230V | US425-402E2 | PACMSVW-UT80-W25-V220 | ||||
| 備考 | [ ! ]スピードコントロールモータには次のものが含まれています。 モーター、スピードコントロールユニット、 スピードコントロール用取り付けねじ、取扱説明書 | [ ! ]スピードコントロールモータには次のものが含まれています。 モーター、スピードコントロールユニット [ NG ]スピードコントロールモータのモータケーブルは延長できません。 | ||||
| モータ 出力 | 延長用接続ケーブル型番 | ||||
| 長さ | 単相100V、単相200V | 単相110V、単相115V 単相220V、単相230V | |||
| 6W 25W | 1m | CC-1 | | CC01SU05 | |
2m | CC-2 | CC02SU05 | |||
3m | CC-3 | CC03SU05 | |||
4m | CC-4 | CC04SU05 | |||
| ・継ぎ足しできるケーブルの最大延長距離は4mです。 | ・継ぎ足しできるケーブルの最大延長距離は10mです。 | ||||
| 仕様 | INVM |
| メーカ | 三菱電機株式会社 |
| 型式 | FR-D720-0.1K |
| 電源 | 三相200V |
| 挿入位置 | L≧355以上の場合コンベヤ側面の溝に挿入済み(4個/1溝) 追加ザグリ穴(FYA/FYB)選択時は追加挿入可能(別売) | 後入れナット(別売) 加工・分解無しで挿入可能 | ||||||
| 品名 | 型番 | ねじの呼び | ピッチ | 品名 | 型番 | ねじの呼び | ピッチ | |
| X部 | JIS1種六角ナット | LBNR3 | M3 (並目) | 0.5 | ― | |||
| Y部 | JIS1種六角ナット | LBNR6 | M6 (並目) | 1.0 | コンベヤ用後入れナット (10個入り) | PACK-CHNT6-5 | M5 (並目) | 0.8 |
| ― | PACK-CHNT6-4 | M4 (並目) | 0.7 | |||||
| PACK-CHNT6-3 | M3 (並目) | 0.5 | ||||||

追加工 | 追加工内容 | 適用条件 | 指定例 | ¥/1Code | |||||||
コード | |||||||||||
MK | モータ位置勝手違い ![]() [ ! ]お客様でのモータ位置変更は動作保証外となります。 | モータ位置が変更できます。 ヘッド駆動タイプのみ指定できます。 〈指定方法〉:MK | [ ! ]一部機種はMKを追加するこ とにより、関連する部品も変 更されます。 | CVGTA-100-1000- 25-T100-IM-25- S-B-MK | 6,000 | ||||||
FYA FYB | 追加ザグリ穴 ヘッド駆動 ![]() | 追加でナット挿入用のザグリ穴を手前と奥の フレームに加工します。 〈指定方法〉:FYA300 FYA300-FYB600
| [ ! ]FYA・FYB=指定5mm単位 [ ! ]FYB-FYA≧15 [ ! ]指定範囲は左記表となります。 [ ! ]内側フレーム溝およびフレーム ジョイント位置にザグリ穴は加工 されません。 | CVGTA-100-1000- 25-T100-IM-25- S-B-FYA500 | 1,200 | ||||||
CW | モータカバー窓付きタイプ ヘッド駆動 ![]() | モーターカバー窓付きタイプに変更できます。 〈指定方法〉:CW | [ ! ]メンテナンス用に樹脂プレート 単品でも購入可能 詳細はこちら | CVGTA-100-1000- 25-T100-IM- 25-S-B-CW | 3,000 | ||||||
追加工 | 追加工内容 | 適用条件 | 指定例 | ¥/1Code | |||||||||||||||||||||||||||||||||||||||||||
コード | |||||||||||||||||||||||||||||||||||||||||||||||
SCB | スピードコントローラ用ブラケット付属 ![]() <スピードコントローラブラケット規格図> ①スピードコントローラブラケット ![]() | スピードコントローラ用の取付 ブラケットを付属します。 〈指定方法〉: SCB | [ ! ]ブラケット取付用ねじ2個付属 [ ! ]コントローラ取付用ねじ(M4x8)2本付属 [ ! ]コンベヤによっては、スペース上取り付かない 場合があります。 [ ! ]コンベヤ型式やモータ仕様によりブラケットの 形状が異なります。 | CVGTA-100-1000-25- T100-SCM-25-S-B-SCB | 800 | ||||||||||||||||||||||||||||||||||||||||||
ANT□ | 後入れナット付属 ![]() | ミスミコンベヤフレーム溝用の 後入れナットを付属します。 材質:SUS316相当・焼結 〈指定方法〉:ANT6-Q8-4 | [ ! ]後入れナット詳細はこちら
| CVGTA-100-1000-25- T100-SCM-25-S-B- ANT6-Q8-4 |
| ||||||||||||||||||||||||||||||||||||||||||
TBM | 端子箱付モータ ■オリエンタル仕様 ![]() | インダクションモータを電磁 ブレーキモータに変更します。 〈指定方法〉:BR | [ ! ]オリエンタルモーター仕様のみ選定可能。 | CVGTA-100-1000-25- T100-SCM-25-S-B-TBM | 5,000 | ||||||||||||||||||||||||||||||||||||||||||
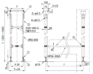
追加工 | コンベヤ用スタンド追加 | 適用条件 | 指定例 | ||||||||||||||||||||||||||||||||||||||||||||||||||||||||||||||||||||||||||||||||||||||||||||||||||||||
コード | |||||||||||||||||||||||||||||||||||||||||||||||||||||||||||||||||||||||||||||||||||||||||||||||||||||||||
| NA□ | ■コンベヤスタンドI型 ベルト幅≦140mm (アジャスタボルトタイプ、スタンド□台+補強材) ![]() *1 D寸法対応表
| コンベヤにコンベヤ用スタンドを追加します。 〈指定方法〉: NA1-H750-PN WA3-H1200-P400 [ ! ]コンベヤ本体の溝サイズに合わせたボルト・ナットが付属します。 [ ! ]プーリ間機長L寸≧1000の場合、2本以上のスタンド取付を推奨 しております。 [ ! ]コンベヤ用スタンド1台に図面一点鎖線部が(□-1)台追加された 仕様です。 [ ! ]納期はコンベヤの標準納期と同一
■NA□・WA□取付寸法表
*取付箇所は下溝を想定した寸法
| [ ! ]□=1の場合、④アルミフレーム、 ⑤ブラケットは付属しません。 [ ! ]□=1の場合自立しません。 [ ! ]□≧2の場合に④アルミフレームが 不要の場合は本追加工ではなく、 単品のCSTS、CSTWを ご注文ください。 (こちら,およびこちら) [ ! ]スタンドは部品を分割して発送 いたします。お客様にて 組立が必要です。 | CVGTA-100-1000-25-T100- SCM-25-S-B-NA1-H800-PN | |||||||||||||||||||||||||||||||||||||||||||||||||||||||||||||||||||||||||||||||||||||||||||||||||||||
| WA□ | ■コンベヤスタンドH型 ベルト幅≧150mm (アジャスタボルトタイプ、スタンド□台+補強材) ![]() | CVGTA-200-1000-25-T100- SCM-25-S-B-WA2-H800-P500 | |||||||||||||||||||||||||||||||||||||||||||||||||||||||||||||||||||||||||||||||||||||||||||||||||||||||
\/1Code | |||||||||||||||||||||||||||||||||||||||||||||||||||||||||||||||||||||||||||||||||||||||||||||||||||||||||
スタンド合計金額は(基準単価+追加スタンド価格x(□-1)となります。
コンベヤ用スタンドI型(NA□)
コンベヤ用スタンドH型(WA□)
| |||||||||||||||||||||||||||||||||||||||||||||||||||||||||||||||||||||||||||||||||||||||||||||||||||||||||
| 型式 | B | ¥本体価格 1〜9コ | |||||||||||||||||||||
| L255~300 | L305~400 | L405〜500 | L505〜600 | L605〜700 | L705〜800 | L805〜900 | L905〜1000 | L1005〜1100 | L1105〜1200 | L1205〜1300 | L1305〜1400 | L1405〜1500 | L1505〜1600 | L1605〜1700 | L1705〜1800 | L1805〜1900 | L1905〜2000 | L2005~2250 | L2255~2500 | L2505~2750 | L2755~3000 | ||
| CVGTA | 80〜100 | 105,950 | 106,260 | 106,580 | 106,890 | 107,210 | 107,520 | 107,840 | 108,150 | 108,470 | 108,680 | 108,990 | 109,310 | 109,620 | 109,940 | 110,250 | 110,570 | 110,880 | 111,200 | 118,760 | 120,120 | 121,590 | 122,960 |
| 110〜150 | 106,050 | 106,370 | 106,580 | 106,890 | 107,210 | 107,520 | 107,840 | 108,150 | 108,470 | 108,780 | 109,100 | 109,410 | 109,730 | 109,940 | 110,250 | 110,570 | 110,880 | 111,200 | 118,760 | 120,120 | 121,590 | 123,060 | |
| 160〜200 | 106,050 | 106,370 | 106,680 | 107,000 | 107,310 | 107,630 | 107,940 | 108,150 | 108,470 | 108,780 | 109,100 | 109,410 | 109,730 | 110,040 | 110,360 | 110,670 | 110,990 | 111,300 | 118,760 | 120,230 | 121,590 | 123,060 | |
| 210〜250 | 107,310 | 107,630 | 107,940 | 108,260 | 108,570 | 108,890 | 109,200 | 109,410 | 109,730 | 110,040 | 110,360 | 110,670 | 110,990 | 111,300 | 111,620 | 111,930 | 112,250 | 112,560 | 121,070 | 122,540 | 123,900 | 125,370 | |
| 260〜300 | 107,310 | 107,630 | 107,940 | 108,260 | 108,570 | 108,890 | 109,200 | 109,410 | 109,730 | 110,040 | 110,360 | 110,670 | 110,990 | 111,300 | 111,620 | 111,930 | 112,250 | 112,560 | 121,070 | 122,540 | 123,900 | 125,370 | |
| モータ・ベルト 仕様価格 | モータ出力 | 仕様 | B(オリエンタルモーター) | C(台湾製モータ) | R(モータ・ギヤヘッドなし) | J(ベルトなし) |
| 6W 25W | IM | 本体価格+¥ 5,000 | 本体価格のみ | 本体価格−¥6,000 | 本体価格−¥4,000 | |
| SCM | 本体価格+¥11,000 | 本体価格+¥ 6,000 | ||||
| 25W | INVM | 本体価格+¥14,400 | 本体価格+¥ 9,400 |
| 数量区分 | 標準対応 | 個別対応 | |
| 小口 | 大口 | 大口 | |
| 数 量 | 1〜2 | 3~6 | 7〜 |
| 値引率 | 基準単価 | 基準単価 | 3% |
| 出荷日 | 通常 | +4日 | お見積り |
| 8 | 日目出荷 |
| 商品名 | GVシリーズ 2列中間駆動2溝フレーム(プーリ径30mm) | GVシリーズ 単列ヘッド駆動2溝フレーム(プーリ径30mm) | GVシリーズ 単列中間駆動2溝フレーム(プーリ径30mm) | GVシリーズ/ACブラシレスモータ搭載 -ヘッド駆動2溝フレーム(プーリ径30mm)- | GVシリーズ/ACブラシレスモータ搭載 -2列中間駆動2溝フレーム(プーリ径30mm)- | GVシリーズ/ACブラシレスモータ搭載 -単列中間駆動2溝フレーム(プーリ径30mm)- |
|---|---|---|---|---|---|---|
| 写真 | ||||||
| 駆動種類 | 多列中間駆動 | ヘッド駆動 | 中間駆動 | 多列ヘッド駆動 | 多列中間駆動 | 中間駆動 |
| 最大搬送重量(kg) | 15 | 10 | 10 | 15 | 15 | 10 |
■選定ガイド
・選定手順などの選定方法は こちら
■モータ詳細
・モータ仕様・結線図は こちら
■オプション部品
・スタンド・ガイド・ホッパなどのオプション部品は こちら
■コンベヤ総合情報
・商品情報、技術情報などコンベヤ全般については こちら
| 型番 |
|---|
通常単価(税別)
(税込単価) | 通常出荷日 |
|---|
- ( - ) | 10日目 |
- ( - ) | 18日目 |
- ( - ) | 10日目 |
- ( - ) | 18日目 |
- ( - ) | 10日目 |
- ( - ) | 18日目 |
- ( - ) | 10日目 |
- ( - ) | 18日目 |
- ( - ) | 10日目 |
- ( - ) | 18日目 |
【オススメ】CVGTAの後継機種となるGVTWAU/GVTWASはこちら!ACブラシレスモータを搭載したGVTWAU2/GVTWAS2はこちら!
CVGTAと比較しベルト交換も容易な構造に変更し、さらにモータやプーリホルダ位置を内、外選択可能となっております。
また、メンテナンス性の向上、ミスミアルミフレーム5シリーズの溝形状を採用による豊富なアクセサリーが利用可能などメリット盛り沢山です。
【技術コンテンツ】
ミスミはご選定のサポート、ご購入後のアフターフォローのサービスが充実!
コンベヤのメンテナンス品をお探しの方は、「構成部品一覧」から必要な部品を選択ください。



通常価格、通常出荷日が表示と異なる場合がございます
通常価格、通常出荷日が表示と異なる場合がございます

ミスミ
平ベルトコンベヤ 【SVシリーズ】 中間駆動2溝フレーム Φ30
3.6
ミスミ
平ベルトコンベヤ【SVシリーズ】蛇行抑制桟付中間駆動2溝フレーム Φ30
2.8
ミスミ
平ベルトコンベヤ 【SVシリーズ】 ヘッド駆動2溝フレーム(プーリ径30mm)
4.7
ミスミ
平ベルトコンベヤ 【CVシリーズ】高出力タイプ 中間駆動3溝フレーム Φ60/30
0
ミスミ
タイミングベルトコンベヤ【GVシリーズ】 2列中間駆動2溝フレーム(プーリ径30mm)
4.3
ミスミ
平ベルトコンベヤ【GVシリーズ】 フルベルトタイプ 中間駆動2溝フレーム(プーリ径30mm)
5
ミスミ
タイミングベルトコンベヤ【GVシリーズ】 単列中間駆動2溝フレーム(プーリ径30mm)
4.5
ミスミ
平ベルトコンベヤ SVシリーズ 蛇行抑制桟付ヘッド駆動2溝フレーム Φ30
4.5
オークラ輸送機
エコノミータイプ 軽搬送ベルトコンベヤ(EMH/EMG型)
0