(!)Internet Explorer 11は、2022年6月15日マイクロソフトのサポート終了にともない、当サイトでは推奨環境の対象外とさせていただきます。
ねじ・ボルト・ナット・ワッシャ・カラー
六角穴付きボルト
脱落防止ねじ
貫通穴付ボルト
六角ボルト
小ねじ
止めねじ
座金組込みねじ
蝶ボルト・つまみねじ・化粧ビス
ストリッパ・リーマ・ショルダーボルト
でんでんボルト
アイボルト
樹脂ねじ・セラミックねじ
全ねじ・スタッドボルト
いたずら防止ねじ
配管Uボルト
ユニファイねじ・インチねじ・ウィットねじ
マイクロねじ・微細ねじ
タッピングねじ・タップタイト・ハイテクねじ
ドリルねじ
四角ボルト・丸ボルト
ねじ用アクセサリー・カバーキャップ
座金(ねじ用ワッシャ)
ナット
アンカーボルト
リベット・鋲
インサート
建材用スクリュー
ねじ用工具類
ワッシャ・カラー
シム
スナップピン・割りピン
マシンキー
止め輪・リング
スクリュープラグ
アジャスタ
ノックピン・段付ピン・スプリングピン
素材(金属・樹脂・ゴム・スポンジ・ガラス)
切削工具
エンドミル
フライスチップ・ホルダー
ヘッド交換式工具
自由指定直刃エンドミル
専用カッター
旋削チップ
旋削ホルダ
完成バイト・ロウ付けバイト
ローレット
ドリル
ドリル関連部品・用品
タップ
タップ関連部品・用品
ダイス
ダイス関連部品・用品
ねじ山修正・除去工具
タップ・ダイスセット
ねじ切りカッター
リーマ
面取りカッター
面取りカッター関連部品・用品
切削工具関連備品
ホールソー・コアドリル・クリンキーカッター
ホールソー・コアドリル・クリンキーカッター関連部品
磁気ボール盤カッター
ボーリングシステム
ツーリングホルダ・ツーリングチャック
アングルヘッド
コレット
スリーブ・ソケット(ツーリング)
アーバ
ツーリング関連部品・用品
加工物基準位置測定器
芯出しバー
刃先位置測定器
ツールプリセッター
テストバー
プリセッター・芯出し・位置測定工具関連部品・用品
クーラントライナー・クーラントシステム
エアージェット・エアークーラー
クーラント関連部品・用品
円テーブル・ロータリーテーブル
測定工具・計測機器
ノギス
pH計・導電率計
ノギス関連アクセサリ
マイクロメーター
検知管
ダイヤルゲージ
ダイヤルゲージ関連部品・用品
ピンゲージ
ピンゲージ関連部品・用品
ハイトゲージ
流量計
ハイトゲージ関連部品・用品
リングゲージ
デプスゲージ
シックネスゲージ・すきまゲージ
内径測定器
ゲージ
スコヤ
定規
コンベックス
巻尺
はかり
角度計
光学機器
水平器
レーザー測定器
マグネット関連
定盤
数取器・カウンタ
ガス測定器・検知器
ケガキ用品
ストップウォッチ・タイマー
テンションゲージ
環境測定器
温度計・湿度計
圧力計
顕微鏡
天秤・天秤関連品
分銅
硬度計
振動計・回転計
水質・水分測定器
粘度計
膜厚計・探知器
偏心測定器
表面粗さ測定器
音検出器
測定データ機器
アースメータ(接地抵抗計)
テスタ・マルチメータ
オシロスコープ
クランプメータ
検相器・検電器・導通チェッカ
絶縁抵抗計
ネットワークテスタ・ケーブルテスタ・光ファイバ計測器
安全試験器
回路素子測定器
信号源・ファンクションジェネレータ
電源装置
高周波測定器(RF測定器)
計測機器関連品
電圧計・電流計
電力計
その他電気計測器
手作業工具
スパナ・めがねレンチ・ラチェットレンチ
六角棒レンチ
モンキーレンチ
トルクスレンチ
ソケットレンチ
トルクレンチ
トルクレンチ関連部品・用品
トルク測定器
ドライバー
ドライバー関連部品・用品
トルクドライバー
トルクドライバー関連部品・用品
プライヤー
プライヤー関連部品
ニッパー
ニッパー関連部品
ペンチ
ペンチ関連部品
ハンマー
工具セット・ツールセット
工具セット・ツールセット関連部品・用品
カッターナイフ
タガネ
ドライバービット
ドライバービット関連用品
プーラ
刻印・ポンチ
車輌整備用工具
水道・空調配管用工具
切断用工具
絶縁工具
板金用工具
防爆工具
かしめ工具
電設工具
バール・テコ
ソケットビット
ソケットアダプター
ピンセット
(□には減速比の数値が入ります。)
| 駆動方式 | 出力 | モータ種類 | メーカ | 電圧 | モータ | ギヤヘッド | 対応減速比 | ||||||||
|---|---|---|---|---|---|---|---|---|---|---|---|---|---|---|---|
| ヘッド直交 | 25W | インダクションモータ | ニッセイ | 三相200V | F2SM-12-□-T25 | 15 | ー | 20 | 25 | 30 | ー | 40 | 50 | 60 | |
| 単相100V | F2SM-12-□-S25 | ||||||||||||||
| 単相200V | F2SM-12-□-S25W | ||||||||||||||
| スピードコントロール モータ |
ニッセイ | 単相100V | F2SU-12-□-S25 | 15 | ー | 20 | 25 | 30 | ー | 40 | 50 | 60 | |||
| 単相200V | F2SU-12-□-S25W | ||||||||||||||
| 40W | インダクションモータ | ニッセイ | 三相200V | F2SM-12-□-T40 | 15 | ー | 20 | 25 | 30 | ー | 40 | 50 | 60 | ||
| 単相100V | F2SM-12-□-S40 | ||||||||||||||
| 単相200V | F2SM-12-□-S40W | ||||||||||||||
| スピードコントロール モータ |
ニッセイ | 単相100V | F2SU-15-□-S40 | 15 | ー | 20 | 25 | 30 | ー | 40 | 50 | 60 | |||
| 単相200V | F2SU-15-□-S40W | ||||||||||||||
| 60W | インダクションモータ | ニッセイ | 三相200V | F2SM-12-□-T60 | 15 | ー | 20 | 25 | 30 | ー | 40 | 50 | 60 | ||
| 単相100V | F2SM-15-□-S60 | ||||||||||||||
| 単相200V | F2SM-15-□-S60W | ||||||||||||||
| スピードコントロール モータ |
ニッセイ | 単相100V | F2SU-15-□-S60 | 15 | ー | 20 | 25 | 30 | ー | 40 | 50 | 60 | |||
| 単相200V | F2SU-15-□-S60W | ||||||||||||||
| ACブラシレスモータ | オリエンタルモーター | - | BLM460SHPK | 4H□S | 15 | ー | 20 | ー | 30 | ー | ー | 50 | ー | ||
| ヘッド平行 中間駆動 |
40W | インダクションモータ | ニッセイ | 三相200V | GFM-12-□-T40 | 15 | ー | 20 | 25 | 30 | ー | 40 | 50 | 60 | |
| 単相100V | GFM-12-□-S40 | ||||||||||||||
| 単相200V | GFM-12-□-S40W | ||||||||||||||
| 住友重機械工業 | 三相200V | A9M40J | G9A□K | 15 | 18 | 20 | 25 | 30 | 36 | 40 | 50 | 60 | |||
| 単相100V | A9M40A | G9A□K | |||||||||||||
| 単相200V | A9M40C | G9A□K | |||||||||||||
| オリエンタルモーター | 三相200V | 5IK40GN-SW2 | 5GN□K | 15 | 18 | ー | 25 | 30 | 36 | ー | 50 | 60 | |||
| 単相100V | 5IK40GN-AW2J | 5GN□K | |||||||||||||
| 単相200V | 5IK40GN-CW2J | 5GN□K | |||||||||||||
| スピードコントロール モータ |
ニッセイ | 単相100V | GFU-15-□-S40 | 15 | ー | 20 | 25 | 30 | ー | 40 | 50 | 60 | |||
| 単相200V | GFU-15-□-S40W | ||||||||||||||
| 住友重機械工業 | 単相100V | A9U40A | G9A□K | 15 | 18 | 20 | 25 | 30 | 36 | 40 | 50 | 60 | |||
| 単相200V | A9U40C | G9A□K | |||||||||||||
| オリエンタルモーター | 単相100V | US540-401 | 5GN□K | 15 | 18 | ー | 25 | 30 | 36 | ー | 50 | 60 | |||
| 単相200V | US540-402 | 5GN□K | |||||||||||||
| 60W | インダクションモータ | ニッセイ | 三相200V | GFM-*-□-T60 | 15 | ー | 20 | 25 | 30 | ー | 40 | 50 | 60 | ||
| 単相100V | GFM-15-□-S60 | ||||||||||||||
| 単相200V | GFM-15-□-S60W | ||||||||||||||
| 住友重機械工業 | 三相200V | A9M60JH | G9B□KH | 15 | 18 | 20 | 25 | 30 | 36 | 40 | 50 | 60 | |||
| 単相100V | A9M60AH | G9B□KH | |||||||||||||
| 単相200V | A9M60CH | G9B□KH | |||||||||||||
| オリエンタルモーター | 三相200V | 5IK60GE-SW2 | 5GE□S | 15 | 18 | ー | 25 | 30 | 36 | ー | 50 | 60 | |||
| 単相100V | 5IK60GE-AW2J | 5GE□S | |||||||||||||
| 単相200V | 5IK60GE-CW2J | 5GE□S | |||||||||||||
| スピードコントロール モータ |
ニッセイ | 単相100V | GFU-15-□-S60 | 15 | ー | 20 | 25 | 30 | ー | 40 | 50 | 60 | |||
| 単相200V | GFU-15-□-S60W | ||||||||||||||
| 住友重機械工業 | 単相100V | A9U60AH | G9B□KH | 15 | 18 | 20 | 25 | 30 | 36 | 40 | 50 | 60 | |||
| 単相200V | A9U60CH | G9B□KH | |||||||||||||
| オリエンタルモーター | 単相100V | US560-501C | 5GU□KB | 15 | 18 | ー | 25 | 30 | 36 | ー | 50 | 60 | |||
| 単相200V | US560-502C | 5GU□KB | |||||||||||||
| ACブラシレスモータ | オリエンタルモーター | - | BLM460SHP-□S | GFV4G□S | 15 | ー | 20 | ー | 30 | ー | ー | 50 | ー | ||
モータ回転数は負荷により変動する可能性があります、正確な速度を要する場合はインバータをご使用ください。
モータはいずれも三相200V仕様です。詳細仕様は各メーカのカタログを参照ねがいます
※モータ リード線長さ:3000mm
φ1、φ3:UL3266 AWG20
※出典:住友重機械工業株式会社 『ASTEROカタログ No.E0201-7 A29』
この他の詳細は、住友重機械工業様 カタログ・取扱説明書を参照ねがいます。
寸法図
6 ~ 40W 100, 200V 級
60, 90W 200V 級(コンデンサ内蔵タイプ)
60, 90W 100V 級
(コンデンサ外取付タイプ)
※出典:住友重機械工業株式会社 『ASTEROカタログ No.E0201-7 A125』
この他の詳細は、住友重機械工業様 カタログ・取扱説明書を参照ねがいます。
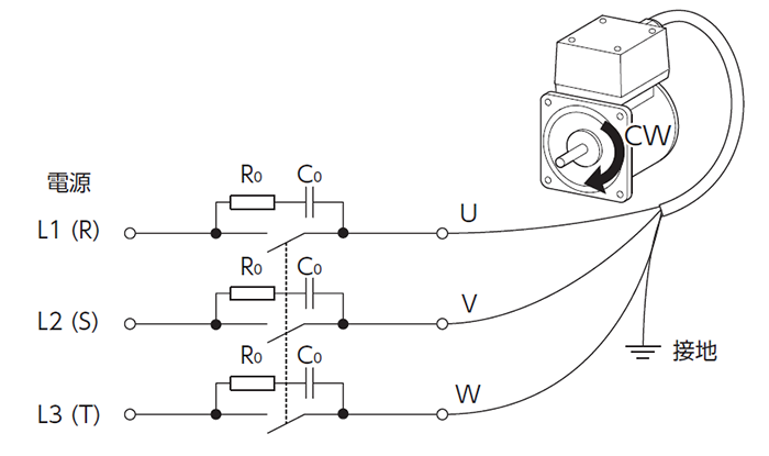
・ギヤヘッドの減速比によって回転方向が変わります。
モーターリード線と電源接続部など、すべての接続部は絶縁処理をしてください。
モーターは保護接地端子を使って設置してください。
図のように接続すると時計方向(CW)に回転します。
R、S、Tのうちいずれか2線を入れ替えると、反時計方向(CCW)に回転します。
電源用のリード線は、AWG20(0.5mm2)のリード線サイズと同等またはそれ以上のリード線を使用してください。
※出典:オリエンタルモーター株式会社 『ワールドKシリーズ 取扱説明書 HM-9446 P.10』
この他の詳細は、オリエンタルモーター様 カタログ・取扱説明書を参照ねがいます。
・ギヤヘッドの減速比によって回転方向が変わります。
モーターと電源接続部など、すべての接続部は絶縁処理をしてください。
モーターは保護接地端子を使って設置してください。
接続図中のU、V、Wは端子箱内の端子記号を表します。
図のように接続すると時計方向(CW)に回転します。
R、S、Tのうちいずれか2線を入れ替えると、反時計方向(CCW)に回転します。
電源用のリード線は、AWG20(0.5mm2)のリード線サイズと同等またはそれ以上のリード線を使用してください。
※出典:オリエンタルモーター株式会社 『ワールドKシリーズ 取扱説明書 HM-9446 P.13』
この他の詳細は、オリエンタルモーター様 カタログ・取扱説明書を参照ねがいます。
スピードコントロールユニット
US206、US315、US425、US540タイプに共通
US206-01T/US206-02T
US315-01T/US315-02T
US425-01T/US425-02T
US540-01T/US540-02T
質量:0.45kg
CAD:A084
US560、US590タイプに共通
US560-01CT/US560-02CT
US590-01CT/US590-02CT
質量:0.5kg
CAD:A085
接続図
US206、US315、US425、US540タイプ
連続運転の場合
図の接続でモーター軸は時計方向に回転します。
点線の位置に差し替えると反時計方向に回転します。
US560、US590タイプ
連続運転の場合
図の接続でモーター軸は時計方向に回転します。
点線の位置に差し替えると反時計方向に回転します。
正逆転操作の場合
スイッチの接点容量
単相100Vの場合:AC200V誘導負荷 5A以上
単相200Vの場合:AC250V誘導負荷 5A以上
コンデンサは、スピードコントロールユニットに内蔵しています。
正逆転操作の場合
スイッチの接点容量
単相100Vの場合:AC200V誘導負荷 5A以上
単相200Vの場合:AC250V誘導負荷 5A以上
※出典:オリエンタルモーター株式会社 『ユニットタイプスピードコントロールモーター カタログ P8・9』
この他の詳細は、オリエンタルモーター様 カタログ・取扱説明書を参照ねがいます。
上図の配線でのモータ回転方向はモータの後ろから見て反時計方向です。
※出典:株式会社ニッセイ 『取扱説明書 小型/小型防水ギアモータ P.10』
この他の詳細は、ニッセイ様 カタログ・取扱説明書を参照ねがいます。
上図の配線でのモータ回転方向はモータの後ろから見て反時計方向です。
※出典:株式会社ニッセイ 『取扱説明書 小型/小型防水ギアモータ P.10』
この他の詳細は、ニッセイ様 カタログ・取扱説明書を参照ねがいます。
外形寸法図
パネル加工図
※角穴をあけて取り付ける場合の
パネル加工図
接続方法
1. モータとコントローラのコネクタを接続し、コード付ACプラグ
(200Vはリード線)を電源に接続します。
2. 電源接続時、運転停止スイッチは、STOPにしておいてください。
3. 回転方向の切り替えはコンデンサ部の橙色リード線を
あいている端子に差し替えてください。
(必ず電源をOFFにしてから行ってください。)
4. 電源側でのスイッチON/OFFによる起動・停止はしないようにしてください。
場合によってはコントローラを破損する可能性があります。
※出典:株式会社ニッセイ 『ギアモータ・減速機 総合カタログ2021⇒2022 P601』
この他の詳細は、ニッセイ様 カタログ・取扱説明書を参照ねがいます。
ブラシレスモータ
配線時のご注意
・本コンベヤは、ブラシレスモータ(型式:BLM460SHPK-4H□S。オリエンタルモータ㈱)を使用。
モータ制御用のドライバ、モータ本体と ドライバを接続するケーブルが別途、必要となります。
これらの機器は、お客様にて別途、準備してください。
※上記ブラシレスモータ型式の「□」部は、減速比(15,20,30,50,60)を指定ください。
・推奨ドライバ型式:BMUD60-C2(オリエンタルモータ㈱) 単相、三相 200~240V
・推奨ケーブル
a)モータ接続ケーブル(コネクタタイプ用)
型式:CC□□□KHBLF(オリエンタルモータ㈱) 出力軸側引出しタイプ
※上記ケーブル型式の「□□□」部は、ケーブル長さを指定ください。
※反出力軸側引出しタイプを使用した場合、他のモジュールと干渉する可能性がございます。
<接続例>
1)可動部が無くモータとドライバの距離が近い場合
2)可動部が無くモータとドライバの距離が遠い場合
3)可動部があり可動部とドライバの距離が近い場合
4)可動部があり可動部とドライバの距離が遠い場合
※可動部は、ケーブルキャリアなどで「可動接続ケーブル」を保護してください。
※各ケーブル端は、コネクタ付き なので、接続用ピンのカシメなどの線材処理は不要です。
※ドライバ、各種ケーブルの仕様、モータ制御用のドライバの使用方法などは、オリエンタルモータ㈱の 各種取扱説明書、カタログなどを参照ください。
参考資料:オリエンタルモータ㈱ ホームページ
https://www.orientalmotor.co.jp/ja/products/brushless-motors