メカニカル部品技術窓口
ミスミ品のみ対象
小型ワークなどのピッチ搬送、傾斜搬送に適したコンベヤです。 ※桟厚みがCVDSBの時は2mmとなりま...
詳細を確認
CVDSA(食品用ベルト・白)
CVDSB(食品耐油用ベルト・緑)
フレーム断面・拡大(左右対称)
[ ! ]A*は下記 「*A寸法詳細(モータ全長)」
表を ご参照ください。


| フレーム | モータカバー | プーリホルダ | |
| [ M ]材質 | アルミ材 | アルミ材 | アルミ材 |
| [ S ]表面処理 | アルマイト処理 | 塗 装 | 塗 装 |
| 型式 | H | − | B | − | L | − | モータ | − | ベルト仕様 | − | モータメーカー選択 | − | 桟数 | ||||||||
| 出力 | − | 電圧 | − | 仕様 | − | ギヤヘッド 減速比 | |||||||||||||||
| CVDSA | 30 | − | 100 | − | 1000 | − | 40 | − | T100 | − | IM | − | 25 | − | FS | − | C | − | 10 | ||
| CVDSA | 30 | − | 100 | − | 1000 | − | 40 | − | NV | − | NM | − | NH | − | FS | − | R | − | 10 | (モータ・ギヤヘッドなし) | |
| 型式 | 桟高さH 選択 | B 選択 | L 指定5mm単位 | モータ選択 | ベルト仕様 | モータメーカー選択 [ ! ]メーカーごとに価格が異なります。 | 桟数 指定1コ単位 | ||||||
| 出力(W) | 電圧(V) | 仕様 | ギヤヘッド減速比 | ||||||||||
| CVDSA (食品用 ベルト・白) | 30 | 50 100 150 200 250 300 | 500〜3000 | 40 | T100(単相) T200(単相) | IM(インダクションモータ) SCM(スピードコントロールモータ) | 7.5 18 50 100 | 9 25 60 120 | 12.5 30 75 150 | 15 36 90 180 | FS (食品用・白) | B(オリエンタルモーター) C(台湾製モータ) ※Cは搬送速度が20%程度低くなる可能性があります。 | 5~100 ※桟数≦ 周長(2L+160)/50 [ ! ]桟ピッチは周長/桟数で自動算出されるため、ご了承ください。 |
| S200(三相) | IM(インダクションモータ) INVM(インダクションモータ+三菱製インバータ) | ||||||||||||
| NV(モータなし) | NM(モータなし) | NH(ギヤヘッドなし) | R(モータ・ギヤヘッドなし) | ||||||||||
| CVDSB (食品耐油用 ベルト・緑) | 30 | 50 100 150 200 250 300 | 500〜3000 | 40 | T100(単相) T200(単相) | IM(インダクションモータ) SCM(スピードコントロールモータ) | 7.5 18 50 100 | 9 25 60 120 | 12.5 30 75 150 | 15 36 90 180 | HS (食品耐油用・緑) | B(オリエンタルモーター) C(台湾製モータ) ※Cは搬送速度が20%程度低くなる可能性があります。 | 5~100 ※桟数≦ 周長(2L+160)/50 [ ! ]桟ピッチは周長/桟数で自動算出されるため、ご了承ください。 |
| S200(三相) | IM(インダクションモータ) INVM(インダクションモータ+三菱製インバータ) | ||||||||||||
| NV(モータなし) | NM(モータなし) | NH(ギヤヘッドなし) | R(モータ・ギヤヘッドなし) | ||||||||||
[ NG ]ワークの荷重を受けるベルト受板がコンベヤ下面側に無い為、コンベヤを天地反転してご使用することは出来ません。
また、モータ部を上下反転して設置することも出来ません。
[ ! ]基準搬送方向にベルトが回転するようモータ結線を行ってください。逆搬送での使用は動作保証外となります。予めご了承ください。
配線図・モータ・インバータ詳細は >>こちら をご参照ください。
[ ! ]ベルト自重により最大で50mm程度のたわみが発生します。
※指定した桟の数によって桟ピッチが自動的に決まります。小数点以下が発生したピッチに関しては狙い寸法となるため、ご了承ください。
桟数計算式:桟数≦ 周長(2L+160)/50
[ ! ]ベルト長さ計算式:(2L+160) / 1000 小数点第3位四捨五入 単位:m (L=プーリ間長さ)
[ ! ]ミスミコンベヤ共通取扱説明書は「ミスミコンベヤ選定情報」ページよりダウンロード可能です。| ベルト幅 B(mm) | プーリ間長さL(mm) | |||||
| 500 | 1000 | 1500 | 2000 | 2500 | 3000 | |
| 50 | 11.4 | 14.5 | 18.3 | 19.7 | 23.2 | 26.1 |
| 100 | 13.2 | 16 | 19.3 | 21.5 | 25.6 | 28.7 |
| 150 | 13.7 | 17.3 | 21 | 24.5 | 28.1 | 31.1 |
| 200 | 15.4 | 18.8 | 22.6 | 24.9 | 29.2 | 33 |
| 300 | 17.7 | 21.8 | 25.7 | 29.9 | 33.9 | 37.8 |
| 出力(W) | モータ | 減速比 | A | |
| 仕様 | メーカ | |||
| 40W | インダクションモータ | オリエンタルモーター | 12.5〜18 | 147.0 |
| 25〜180 | 165.0 | |||
| 台湾製 | 12.5〜75 | 161.6 | ||
| 90〜180 | 170.6 | |||
| スピード コントロール モータ | オリエンタルモーター | 12.5〜18 | 157.0 | |
| 25〜180 | 175.0 | |||
| 台湾製 | 12.5〜75 | 172.1 | ||
| 90〜180 | 181.1 | |||

| ギヤヘッド 減速比 | ベルト速度(m/min) | |
| 50Hz | 60Hz | |
| 7.5 | 31.4 | 37.7 |
| 9 | 26.2 | 31.4 |
| 12.5 | 18.8 | 22.6 |
| 15 | 15.7 | 18.8 |
| 18 | 13.1 | 15.7 |
| 25 | 9.4 | 11.3 |
| 30 | 7.9 | 9.4 |
| 36 | 6.5 | 7.9 |
| 50 | 4.7 | 5.7 |
| 60 | 3.9 | 4.7 |
| 75 | 3.1 | 3.8 |
| 90 | 2.6 | 3.1 |
| 100 | 2.4 | 2.8 |
| 120 | 2.0 | 2.4 |
| 150 | 1.6 | 1.9 |
| 180 | 1.3 | 1.6 |
[ ! ]モータ仕様SCMの場合、(1/15)×(最大速度)まで調整出来ます。
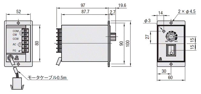
■オリエンタルモータスピードコントローラ外形図
6W/25W/40W共通
コントロールユニット裏面
白
黒
単相100V用プラグ(付属品)
(単相200V用はリード線)
接地
(アース用リード線:緑)
*図の接続でモータ軸は時計方向に回転します。
点線の位置に差し替えると反時計方向に回転します。

[ ! ]モータケーブルは延長できません。

| モータ | オリエンタルモータ | 台湾製モータ | ||||
| モータユニット型番 | ギヤヘッド型番 | モータユニット型番 | ギヤヘッド型番 | |||
| 出力 | 仕様 | 電圧 | ※□には減速比が入ります | ※□には減速比が入ります | ||
| 40W | スピードコント ロールモータ | 単相100V | US540-401 | 5GN□□S | PACMSV-UT90-W40-V100 | PACMGXT90-□□ |
| 単相200V | US540-402 | PACMSV-UT90-W40-V200 | ||||
| 単相110V・115V | US540-401U2 | PACMSVW-UT90-W40-V110 | ||||
| 単相220V・230V | US540-402E2 | PACMSVW-UT90-W40-V220 | ||||
| 備考 | [ ! ]スピードコントロールモータには次のものが含まれています。 モーター、スピードコントロールユニット、 スピードコントロール用取り付けねじ、取扱説明書 | [ ! ]スピードコントロールモータには次のものが含まれています。 モーター、スピードコントロールユニット [ NG ] スピードコントロールモータのモータケーブルは延長できません。 | ||||
モータ 出力 | 延長用接続ケーブル型番 | ||||
長さ | 単相100V、単相200V | 単相110V、単相115V 単相220V、単相230V | |||
40W | 1m | ![]() | ![]() | ||
2m | |||||
3m | |||||
4m | |||||
・継ぎ足しできるケーブルの最大延長距離は4mです。 | ・継ぎ足しできるケーブルの最大延長距離は10mです。 | ||||
| 挿入位置 | コンベヤ側面の溝に挿入済み(4個/1溝) 追加ザグリ穴(FYA/FYB)選択時は追加挿入可能(別売) | 後入れナット(別売)追加工で指定可 加工・分解無しで挿入可能 | ||||||
| 品名 | 型番 | ねじの呼び | ピッチ | 品名 | 単品型番 | ねじの呼び | ピッチ | |
| X部 | JIS1種六角ナット | LBNR3 | M3(並目) | 0.5 | ― | |||
| Y部 | JIS1種六角ナット | LBNR6 | M6(並目) | 1.0 | コンベヤ用後入れナット (10個入り) | PACK-CHNT6-5 | M5(並目) | 0.8 |
| ― | PACK-CHNT6-4 | M4(並目) | 0.7 | |||||
| PACK-CHNT6-3 | M3(並目) | 0.5 | ||||||


| 追加工 コード | 追加工内容 | 適用条件 | 指定例 | \/1Code | |||||||||||||||||||||||||||||
| MK | モータ位置勝手違い![]() | モータ位置が変更できます。 ヘッド駆動タイプのみ指定できます。 〈指定方法〉:MK | [ ! ]一部機種はMKを追加することにより、関連する部品も変更されます。 | CVDSA30-100-1000-40-T100- IM-25-FS-C-10-MK | 6,000 | ||||||||||||||||||||||||||||
| FYA FYB | 追加ザグリ穴 ヘッド駆動 ![]() | 追加でナット挿入用のザグリ穴を手前と奥のフレームに加工します。 〈指定方法〉:FYA300
| [ ! ]FYA・FYB=指定5mm単位 [ ! ]FYB-FYA≧15 [ ! ]指定範囲は左記表となります。 | CVDSA30-100-1000-40-T100- IM-25-FS-C-10-FYA300 | 1,200 | ||||||||||||||||||||||||||||
| ANT□ | 後入れナット付属 ![]() | ミスミコンベヤフレーム溝用の後入れナットを付属します。 材質:SUS316相当・焼結 〈指定方法〉:ANT5-Q8-4 | [ ! ]後入れナット詳細はこちら
| CVDSA30-100-1000-40-T100- IM-25-FS-C-10-ANT6-Q8-4 |
| ||||||||||||||||||||||||||||
| BR | 電磁ブレーキ付モータ ■配線図 ![]() 白・灰・黒のいずれか | インダクションモータを電磁ブレーキモータに変更します。 〈指定方法〉:BR | [ ! ]オリエンタルモーター仕様の三相モータのみ選定可能。 [ ! ]モータ詳細についてはこちら | CVDSA30-100-1000-40-T100- IM-25-FS-C-10-BR | 12,000 | ||||||||||||||||||||||||||||
| TBM | 端子箱付モータ ■オリエンタル仕様 ![]() | インダクションモータを端子箱付きのタイプに変更します。 〈指定方法〉:TBM | [ ! ]オリエンタルモーター仕様のみ選定可能。 | CVDSA30-100-1000-40-T100- IM-25-FS-C-10-TBM | 5,000 | ||||||||||||||||||||||||||||
| 追加工コード | コンベヤ用スタンド追加 | 適用条件 | 指定例 | |||||||||||||||||||||||||||||||||||||||||||||||||||||||||||||
| NK□ | ■傾斜用コンベヤスタンドI型 ベルト幅≦140mm (アジャスタボルトタイプ、スタンド□台+補強材) ![]() | コンベヤにコンベヤ用スタンドを追加します。 〈指定方法〉: NK1-H100 WK2-H600-Z800 [ ! ]コンベヤ本体の溝サイズに合わせたボルト・ナットが付属します。 [ ! ]プーリ間機長L寸≧1000(GVシリーズはL寸≧1400)の場合、2本以上のスタンド取付を推奨しております。 [ ! ]傾斜用スタンドは必要に応じて補強して下さい。又、他部品との干渉を確認のうえ、ご指定ください。 [ ! ]コンベヤ用スタンド1台に図面一点鎖線部が(□-1)台追加された仕様です。 [ ! ]納期はコンベヤの標準納期と同一
■NK□・WK□取付寸法表
*取付箇所は下溝を想定した寸法
[ ! ]最大調整角度θ=30 | [ ! ]□=1の場合、④アルミフレーム、⑤ブラケットは付属しません。 [ ! ]□=1の場合自立しません。[ ! ]□≧2の場合に④アルミフレームが不要の場合は本追加工ではなく、単品のCSTS、CSTWをご注文ください。 [ ! ]スタンドは部品を分割して発送いたします。お客様にて組立が必要です。 | CVDSA30-100-1000-40-T100- IM-25-FS-C-10-NK1-H100 | ||||||||||||||||||||||||||||||||||||||||||||||||||||||||||||
| WK□ | ■コンベヤスタンドH型 ベルト幅≧150mm (アジャスタボルトタイプ、スタンド□台+補強材) ![]() | CVDSA30-100-1000-40-T100- IM-25-FS-C-10-WK2-H600-Z800 | ||||||||||||||||||||||||||||||||||||||||||||||||||||||||||||||
| \/1Code | ||||||||||||||||||||||||||||||||||||||||||||||||||||||||||||||||
スタンド合計金額は(基準単価+追加スタンド価格x(□-1)となります。
傾斜用コンベヤスタンドI型(NK□)
傾斜用コンベヤスタンドI型(WK□)
| ||||||||||||||||||||||||||||||||||||||||||||||||||||||||||||||||
| 型式 | H | B | ¥本体価格 1〜5コ | ¥桟溶着単価 (本体価格+) | |||||||||||||||||||
| L500〜600 | L605〜700 | L705〜800 | L805〜900 | L905〜1000 | L1005〜1100 | L1105〜1200 | L1205〜1300 | L1305〜1400 | L1405〜1500 | L1505〜1600 | L1605〜1700 | L1705〜1800 | L1805〜1900 | L1905〜2000 | L2005〜2200 | L2205〜2400 | L2405〜2600 | L2605〜2800 | L2805〜3000 | ||||
| CVDSA (食品用 ベルト・白) | 30 | 50 | 127,890 | 128,100 | 128,310 | 129,050 | 129,990 | 131,150 | 132,510 | 134,190 | 137,970 | 138,180 | 151,620 | 152,250 | 153,510 | 153,720 | 153,830 | 162,650 | 164,750 | 166,850 | 168,950 | 171,360 | 1,310 |
| 100 | - | 131,780 | 131,990 | 132,830 | 133,980 | 135,240 | 136,610 | 138,600 | 142,490 | 142,800 | 156,350 | 157,190 | 158,660 | 158,870 | 159,180 | 169,160 | 171,780 | 174,300 | 176,820 | 179,760 | 1,310 | ||
| 150 | - | - | 137,550 | 138,500 | 139,760 | 141,860 | 143,430 | 145,530 | 149,730 | 150,150 | 164,540 | 165,380 | 166,950 | 167,370 | 167,790 | 177,350 | 180,390 | 183,330 | 186,380 | 189,740 | 1,490 | ||
| 200 | - | - | - | 142,800 | 144,170 | 146,270 | 148,050 | 150,360 | 154,770 | 155,300 | 169,790 | 170,840 | 172,520 | 173,040 | 173,570 | 183,440 | 186,690 | 189,950 | 193,200 | 196,880 | 1,660 | ||
| 250 | - | - | - | - | 151,410 | 154,250 | 156,140 | 158,660 | 163,280 | 164,010 | 179,240 | 180,390 | 182,280 | 182,910 | 183,650 | 193,730 | 197,300 | 200,870 | 204,440 | 208,320 | 1,840 | ||
| 300 | - | - | - | - | 157,080 | 159,920 | 161,910 | 164,750 | 169,580 | 170,420 | 185,750 | 187,010 | 189,000 | 189,840 | 190,680 | 200,970 | 204,750 | 208,640 | 212,520 | 216,720 | 2,010 | ||
| CVDSB (食品耐油用 ベルト・緑) | 30 | 50 | 128,210 | 128,730 | 129,050 | 129,890 | 131,040 | 132,410 | 133,880 | 135,770 | 139,760 | 140,070 | 153,720 | 154,560 | 156,030 | 156,350 | 156,770 | 165,900 | 168,320 | 170,840 | 173,250 | 176,090 | 1,240 |
| 100 | - | 135,030 | 135,560 | 136,710 | 138,180 | 139,760 | 141,540 | 143,850 | 148,260 | 149,000 | 162,860 | 164,010 | 165,900 | 166,530 | 167,160 | 177,870 | 181,130 | 184,490 | 187,740 | 191,310 | 1,240 | ||
| 150 | - | - | 144,380 | 145,950 | 147,740 | 150,260 | 152,360 | 155,090 | 160,020 | 160,970 | 175,880 | 177,350 | 179,450 | 180,390 | 181,340 | 191,940 | 196,040 | 200,130 | 204,230 | 208,740 | 1,390 | ||
| 200 | - | - | - | 151,310 | 153,410 | 156,140 | 158,550 | 161,700 | 167,060 | 168,320 | 183,540 | 185,330 | 187,740 | 189,000 | 190,260 | 201,500 | 206,220 | 210,950 | 215,670 | 220,820 | 1,540 | ||
| 250 | - | - | - | - | 163,280 | 166,950 | 169,680 | 173,250 | 179,030 | 180,600 | 196,770 | 198,870 | 201,600 | 203,180 | 204,750 | 216,620 | 222,080 | 227,430 | 232,790 | 238,560 | 1,680 | ||
| 300 | - | - | - | - | 171,470 | 175,350 | 178,400 | 182,490 | 188,690 | 190,580 | 207,060 | 209,480 | 212,520 | 214,410 | 216,300 | 228,800 | 234,890 | 240,870 | 246,860 | 253,260 | 1,820 | ||
| モーター 仕様価格 | モータ出力 | 仕様 | B(オリエンタルモーター) | C(台湾製モータ) | R(モータ・ギヤヘッドなし) |
| 40W | IM | 本体価格+¥ 5,000 | 本体価格のみ | 本体価格-¥6,000 | |
| SCM | 本体価格+¥11,000 | 本体価格+¥6,000 | |||
| INVM | 本体価格+¥14,400 | 本体価格+¥9,400 |
| 数量区分 | 標準対応 | 個別対応 | |
| 小口 | 大口 | 大口 | |
| 数 量 | 1〜2 | 3〜5 | 6〜 |
| 値引率 | 基準単価 | 基準単価 | お見積り |
| 出荷日 | 通常 | +4日 | |
| 16 | 日目出荷 |
| 商品名 | 横桟付ヘッド駆動3溝フレーム φ50 | GVシリーズ フルベルトタイプ ヘッド駆動2溝フレーム(プーリ径30mm) | SVシリーズ/ACブラシレスモータ搭載 -ヘッド駆動2溝フレーム(プーリ径30mm)- | GVシリーズ フルベルトタイプ/ACブラシレスモータ搭載 -ヘッド駆動2溝フレーム(プーリ径30mm)- | SVシリーズ 蛇行抑制桟付ヘッド駆動2溝フレーム φ30 | SVシリーズ ヘッド駆動2溝フレーム(プーリ径30mm) |
|---|---|---|---|---|---|---|
| 写真 |
| |||||
| 駆動種類 | ヘッド駆動 | ヘッド駆動 | ヘッド駆動 | ヘッド駆動 | ヘッド駆動 | ヘッド駆動 |
| 最大搬送重量(kg) | 15 | 15 | 15 | 15 | 15 | 15 |
■選定ガイド
・選定手順などの選定方法は こちら
■モータ詳細
・モータ仕様・結線図は こちら
■オプション部品
・スタンド・ガイド・ホッパなどのオプション部品は こちら
■コンベヤ総合情報
・商品情報、技術情報などコンベヤ全般については こちら
| 型番 |
|---|
通常単価(税別)
(税込単価) | 通常出荷日 |
|---|
- ( - ) | 17日目 |
- ( - ) | 17日目 |
- ( - ) | 17日目 |
- ( - ) | 17日目 |
- ( - ) | 17日目 |
- ( - ) | 17日目 |
- ( - ) | 17日目 |
- ( - ) | 17日目 |
- ( - ) | 17日目 |
- ( - ) | 17日目 |
小型ワークなどのピッチ搬送、傾斜搬送に適したコンベヤです。 ※桟厚みがCVDSBの時は2mmとなります。
【技術コンテンツ】
ミスミはご選定のサポート、ご購入後のアフターフォローのサービスが充実!
コンベヤのメンテナンス品をお探しの方は、「構成部品一覧」から必要な部品を選択ください。




ミスミからのコメント
この度は、スタンド部品のバリでご迷惑をおかけいたしましたこと、深くお詫び申し上げます。 今回の件を真摯に受け止め、二度とこのようなことがないよう製造方法の見直しおよび全数検品を実施させていただきました。 また、改善後の部品の評価にもご協力くださいまして、誠にありがとうございました。 今後ともご愛顧賜りますよう、何卒よろしくお願い申し上げます。
通常価格、通常出荷日が表示と異なる場合がございます
通常価格、通常出荷日が表示と異なる場合がございます

ミスミ
平ベルトコンベヤ 【SVシリーズ】 中間駆動2溝フレーム Φ30
3.6
ミスミ
平ベルトコンベヤ【SVシリーズ】蛇行抑制桟付中間駆動2溝フレーム Φ30
2.8
ミスミ
平ベルトコンベヤ 【SVシリーズ】 ヘッド駆動2溝フレーム(プーリ径30mm)
4.7
ミスミ
平ベルトコンベヤ 【CVシリーズ】高出力タイプ 中間駆動3溝フレーム Φ60/30
0
ミスミ
タイミングベルトコンベヤ【GVシリーズ】 2列中間駆動2溝フレーム(プーリ径30mm)
4.3
ミスミ
平ベルトコンベヤ【GVシリーズ】 フルベルトタイプ 中間駆動2溝フレーム(プーリ径30mm)
5
ミスミ
タイミングベルトコンベヤ【GVシリーズ】 単列中間駆動2溝フレーム(プーリ径30mm)
4.5
ミスミ
平ベルトコンベヤ SVシリーズ 蛇行抑制桟付ヘッド駆動2溝フレーム Φ30
4.5
オークラ輸送機
エコノミータイプ 軽搬送ベルトコンベヤ(EMH/EMG型)
0