メカニカル部品技術窓口
ミスミ品のみ対象
既存の転造ボールねじSTDナットタイプの軸端フリー加工タイプとなります。追加工に合わせて軸端の長さなど...
詳細を確認
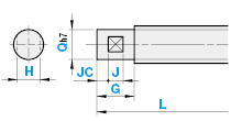
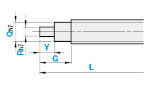
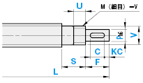
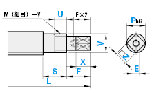
| 左(支持側)軸端形状 | 右(固定側)軸端形状 | ||
A 軸端加工無![]() [ ! ]センターホール付 | B 段付加工![]() | A 軸端加工無![]() [ ! ]センターホール付 | J 2段加工 [ ! ]V-P≧2 ![]() |
| C 段付止輪溝加工 [ ! ]K<G ![]() | D 段付タップ穴加工![]() | K 2段キー溝加工 [ ! ]V-P≧2 ![]() | M 2段タップ穴加工 [ ! ]V-P≧2 ![]() |
| E 段付止輪溝タップ加工 [ ! ]K<G ![]() | F 段付二面幅加工 [ ! ]JC+J<G ![]() | N 2段平面取加工 [ ! ]SC<F ![]() | P 2段二面平面取加工(90°) [ ! ]SC<F ![]() |
| G 段付四角取加工 [ ! ]Y<G ![]() | H 2段加工 [ ! ]Y<G ![]() | R 2段四角取加工 [ ! ]X<F ![]() | S 2段四角取タップ穴加工 [ ! ]X<F ![]() |
| [ ! ]ナット寸法及び各仕様はそれぞれの掲載ページを参照ください。各軸のリンク先は対象をクリックしてください。軸径8、軸径10、軸径12、軸径14、軸径15、軸径20、軸径25、軸径28、軸径32 [ ! ]左軸端形状F,Gと右軸端形状KNPRSを組合せるとき、各々の位相関係はありません。 | |||
| 型式 | − | L | − | F | − | P | − | S | − | V | − | U | − | C | − | KC | − | E | − | SC | − | X | − | Z | − | G | − | Q | − | K | − | N | − | J | − | JC | − | H | − | Y | − | W | − | R | |
| FBSSRAA1004 FBSSZDJ2010 | − − | 450 1200 | − | F36 | − | P12 | − | S60 | − | V15 | − | U15 | − | G20 | − | Q15 | − | N10 |
| V | 公差 |
| 6 | −0.002 −0.007 |
| 8 | −0.002 −0.008 |
| 10 | −0.002 −0.015 |
| 12・15 | −0.003 −0.018 |
| 20・25 | −0.004 −0.021 |
| 精度 等級 | 型式 | 指定1mm単位 | 指定1mm単位 | 選択 | 指定1mm単位 | 選択 | ||||||||||||||||||||||||||||||
| Type | 左形状 支持側 | 右形状 固定側 | ねじ軸 外径 | リード | L | F | P | S | U | C | KC | SC | X | Z | V | E(並目) | G | K | J | JC | H | Y | R | W | Q | N(並目) | ||||||||||
| C10 | FBSSR FBSSZ | A B C D E F G H | A J K M N P R S | 08 | 02 | 100〜400 | 5≦F≦P×3 5≦S≦V×4 V≦U≦V×2 b1<C≦60 F−C−KC≧2 KC=0 or KC≧2 5≦SC≦P×3 SC≦F−2 5≦X≦20 P≧4 P≧V/2 V=6のとき、P=4 V≧8のとき、P≦V−2 | 6 | 4 5 6 8 10 | 5≦G≦Q×3 5≦K≦Q×3 3≦J≦20 H≧Q−2 5≦Y≦20 R≦Q−2 | 6 | − | ||||||||||||||||||||||||
| 08 | 04 | 100〜380 | 6 | |||||||||||||||||||||||||||||||||
| 10 | 02 | 150〜585 | 8 | 6 | − | |||||||||||||||||||||||||||||||
| 10 | 04 | 150〜600 | 6 | |||||||||||||||||||||||||||||||||
| 10 | 10 | 150〜585 | 6 | |||||||||||||||||||||||||||||||||
| 12 | 04 | 150〜800 | 8 | 10 | 6 | 8 | 4 | |||||||||||||||||||||||||||||
| 12 | 10 | 150〜800 | 8 | 10 | ||||||||||||||||||||||||||||||||
| 14 | 05 | 150〜800 | 8 | 10 | 6 | 8 | 10 | 4 | 5 | 6 | ||||||||||||||||||||||||||
| 15 | 05 | 150〜1200 | 10 | 12 | 8 | 10 | 12 | 5 | 6 | 8 | ||||||||||||||||||||||||||
| 15 | 10 | 200〜1200 | ||||||||||||||||||||||||||||||||||
| 15 | 20 | |||||||||||||||||||||||||||||||||||
| 20 | 05 | 200〜2000 | 10 | 12 | 15 | 8 | 10 | 12 | 15 | 5 | 6 | 8 | 10 | |||||||||||||||||||||||
| 20 | 10 | 250〜2000 | ||||||||||||||||||||||||||||||||||
| 20 | 20 | |||||||||||||||||||||||||||||||||||
| 25 | 05 | 200〜2000 | 15 | 20 | 10 | 12 | 15 | 20 | 6 | 8 | 10 | |||||||||||||||||||||||||
| 25 | 10 | 300〜2000 | ||||||||||||||||||||||||||||||||||
| 25 | 25 | |||||||||||||||||||||||||||||||||||
| 28 | 06 | 200〜2000 | 15 | 20 | 10 | 12 | 15 | 20 | 6 | 8 | 10 | |||||||||||||||||||||||||
| 32 | 10 | 300〜2000 | 20 | 25 | 10 | 12 | 15 | 20 | 25 | 6 | 8 | 10 | ||||||||||||||||||||||||
| 32 | 32 | |||||||||||||||||||||||||||||||||||
| [ ! ]FBSSZ0804、1002、1010のサイズはありません。 [ ! ]E≦P−4 [ ! ]N≦Q−4 | ||||||||||||||||||||||||||||||||||||
| 型式 | − | L | − | F | − | P | − | S | − | V | − | U | − | C | − | KC | − | E | − | SC | − | X | − | Z | − | G | − | Q | − | K | − | N | − | J | − | JC | − | H | − | Y | − | W | − | R | −(RLC・SZC) |
| FBSSZDJ2010 | − | 1200 | − | F36 | − | P12 | − | S60 | − | V15 | − | U15 | − | G20 | − | Q15 | − | N10 | −RLC |
| Alterations | Code | Spec. | ¥/1 Code | ||||||||||||||||||||||||||||||||||||||||||||||||||
| ナット向き変更 (左軸端) (右軸端) 通常 変更 ![]() | RLC | ナットの向きを変更します。 指定方法 RLC | 無 料 | ||||||||||||||||||||||||||||||||||||||||||||||||||
固定側スパナ溝加工![]() | SZC | 右側軸端にスパナ溝加工をします。 指定方法 SZC [ ! ]スパナ溝にナットがかかるとボールが脱落します。
| 700 |

| Q | e許容差 | m+0.14 0 | |
| 6 | 5.7 | 0 -0.06 | 0.8 |
| 8 | 7.6 | 0.9 | |
| 10 | 9.6 | 0 -0.09 | 1.15 |
| 12 | 11.5 | 0 -0.11 | |
| 15 | 14.3 | ||
| 20 | 19 | 0 -0.21 | 1.35 |
| 25 | 23.9 | ||

| 適応する 軸・穴径 P | 軸キー溝の寸法 | ||||
| b1 | t1 | r1 | |||
| 基準寸法 | 許容差(N9) | 基準寸法 | 許容差 | ||
| 6・7 | 2 | -0.004 -0.029 | 1.2 | +0.1 0 | 0.08 〜0.16 |
| 8〜10 | 3 | 1.8 | |||
| 11・12 | 4 | 0 -0.030 | 2.5 | ||
| 13〜17 | 5 | 3.0 | 0.16 〜0.25 | ||
| 18〜22 | 6 | 3.5 | |||
| 23 | 8 | 0 -0.036 | 4.0 | +0.2 0 | |

| Q(P) | W(Z)1mm指定 |
| 6〜10 | 5〜 8 |
| 11〜14 | 8〜10 |
| 15〜19 | 10〜14 |
| 20〜25 | 14〜20 |
| M | ピッチ |
| 6 | 0.75 |
| 8 | 1.0 |
| 10 | 1.0 |
| 12 | 1.0 |
| 15 | 1.0 |
| 20 | 1.0 |
| 25 | 1.5 |
| 型番 |
|---|
通常単価(税別)
(税込単価) | 通常出荷日 |
|---|
- ( - ) | 5日目 |
- ( - ) | 5日目 |
- ( - ) | 5日目 |
- ( - ) | 5日目 |
- ( - ) | 5日目 |
- ( - ) | 5日目 |
- ( - ) | 5日目 |
- ( - ) | 5日目 |
- ( - ) | 5日目 |
- ( - ) | 5日目 |
- ( - ) | 5日目 |
- ( - ) | 5日目 |
- ( - ) | 5日目 |
- ( - ) | 5日目 |
- ( - ) | 5日目 |
- ( - ) | 5日目 |
- ( - ) | 5日目 |
- ( - ) | 5日目 |
- ( - ) | 5日目 |
- ( - ) | 5日目 |
- ( - ) | 5日目 |
- ( - ) | 5日目 |
- ( - ) | 5日目 |
- ( - ) | 5日目 |
- ( - ) | 5日目 |
- ( - ) | 5日目 |
- ( - ) | 5日目 |
- ( - ) | 5日目 |
- ( - ) | 5日目 |
- ( - ) | 5日目 |
- ( - ) | 5日目 |
- ( - ) | 5日目 |
- ( - ) | 5日目 |
- ( - ) | 5日目 |
- ( - ) | 5日目 |
- ( - ) | 5日目 |
- ( - ) | 5日目 |
- ( - ) | 5日目 |
- ( - ) | 5日目 |
- ( - ) | 5日目 |
- ( - ) | 5日目 |
- ( - ) | 5日目 |
- ( - ) | 5日目 |
- ( - ) | 5日目 |
- ( - ) | 5日目 |
- ( - ) | 5日目 |
- ( - ) | 5日目 |
- ( - ) | 5日目 |
- ( - ) | 5日目 |
- ( - ) | 5日目 |
- ( - ) | 5日目 |
- ( - ) | 5日目 |
- ( - ) | 5日目 |
- ( - ) | 5日目 |
- ( - ) | 5日目 |
- ( - ) | 5日目 |
- ( - ) | 5日目 |
- ( - ) | 5日目 |
- ( - ) | 5日目 |
- ( - ) | 5日目 |
既存の転造ボールねじSTDナットタイプの軸端フリー加工タイプとなります。追加工に合わせて軸端の長さなどを自由に選択可能です。
[ ! ]取扱注意:ナットをボールねじナット駆動範囲からオーバーランさせたり、ねじ軸から抜いたりしないでください。
ボールの脱落やボール循環部品の損傷などが発生します。
通常価格、通常出荷日が表示と異なる場合がございます
通常価格、通常出荷日が表示と異なる場合がございます

ミスミ
転造ボールねじ STD. ナット/潤滑Uナット 軸径Φ20 リード5・10・20
4.6
ミスミ
転造ボールねじ ブロックナット 軸径Φ15・20・25
4.3
ミスミ
精密ボールねじ 軸径φ20 リード5・10・20
5
ミスミ
精密ボールねじ 軸径φ6・8 リード2
4.7
ミスミ
ボールねじナットブラケット ブロックタイプ
4.7
ミスミ
転造ボールねじ STD. ナット/潤滑Uナット 軸径Φ25 リード5・10・25
4.3通常価格(税別):6,830円~

ミスミ
転造ボールねじ コンパクト ナット 軸径φ15 リード5・10
0
ミスミ
ボールねじ用ストッパ
0通常価格(税別):1,010円~

ミスミ
【エコノミーシリーズ】 RoHS対応 精密ボールねじ 軸径φ20 リード5・10・20
0