エレクトロニクス部品技術窓口



コストパフォーマンス重視のミスミオリジナルリレーです。【特長】・各種制御機器、PLCに幅広く対応・DI...
詳細を確認| シリーズ | 極数 (リレー数) | 接線方式 | 保護 | コイル電圧 | |
| E-TRSG5/6/7 | - | 01 | P:プッシュイン | N:なし | D5 :DC5V |
| 04 | S:スクリュー | S:サージ抑制 | D12:DC12V | ||
| 06 | D24:DC24V | ||||
| 08 | A220:AC220V | ||||
| 12 | |||||
| 16 | |||||
| 32 |
| ミスミ型式 | 分類 | 用途 | リレー タイプ | 接点 構成 | リレー 数 | 入力点数 出力点数 | コネクタ | 接線方式 | 対応機器 | 取付方法 | 寸法 | 定格電圧 | 定格電流 | 認証 | 適用温度 ℃ | 適用湿度 % | リレー寿命 | 保護 | おすすめ商品 | ||||||||||
| タイプ | ピン数 | 長さ (mm) | 幅 (mm) | 高さ (mm) | リレー | ソケット | 機械 | 電機 | 交換用リレー | URL (リレー) | ジャンパー | URL (ジャンパー) | プレート | URL (プレート) | |||||||||||||||
| E-TRSG5-01PNA220 | ブロック | 電源 信号 | 超小型 電磁リレー | 1Z | 1 | 1/1 | TB | - | プッシュイン | 制御機器 PLC | DINレール | 102 | 6.2 | 77 | 接 点:AC277V DC30V コイル:AC220V | 接 点:6A コイル:1.8mA(AC220V) 15mA(DC12V) 7.5mA(DC24V) | UL RoHS対応 | RoHS対応 | -40℃~70℃ | 45%~85% | 1*10^7 | 6*10^4 | - | E-MTR-C41-6-1ZFP-DC60V | こちら | E-RA5-J1B E-RA5-J1BL E-RA5-J1R | こちら | E-RA5-S | こちら |
| E-TRSG5-01PND12 | 接 点:AC277V DC30V コイル:DC12V | E-MTR-C41-6-1ZF-DC12V | |||||||||||||||||||||||||||
| E-TRSG5-01PND24 | 接 点:AC277V DC30V コイル:DC24V | E-MTR-C41-6-1ZF-DC24V | |||||||||||||||||||||||||||
| E-TRSG5-01SNA220 | ブロック | 電源 信号 | 超小型 電磁リレー | 1Z | 1 | 1/1 | TB | - | スクリュー | 制御機器 PLC | DINレール | 102 | 6.2 | 77 | 接 点:AC277V DC30V コイル:AC220V | 接 点:6A コイル:1.8mA(AC220V) 15mA(DC12V) 7.5mA(DC24V) | UL RoHS対応 | RoHS対応 | -40℃~70℃ | 45%~85% | 1*10^7 | 6*10^4 | - | E-MTR-C41-6-1ZFP-DC60V | |||||
| E-TRSG5-01SND12 | 接 点:AC277V DC30V コイル:DC12V | E-MTR-C41-6-1ZF-DC12V | |||||||||||||||||||||||||||
| E-TRSG5-01SND24 | 接 点:AC277V DC30V コイル:DC24V | E-MTR-C41-6-1ZF-DC24V | |||||||||||||||||||||||||||
| E-TRSG6-04PSD12 | ターミナル | 電源 信号 | 超小型 電磁リレー | 1H | 4 | 4/4 | TB | - | プッシュイン | 制御機器 PLC | DINレール | 55 | 90 | 55 | 接 点:AC277V DC30V コイル:DC12V | 接 点:6A コイル:15mA(DC12V) 7.5mA(DC24V) 36mA(DC5V) | UL RoHS対応 | RoHS対応 | -20℃~55℃ | 45%~85% | 1*10^7 | 6*10^4 | サージ 抑制 | E-MTR-C41-6-1ZF-DC12V | こちら | - | - | - | - |
| E-TRSG6-04PSD24 | 接 点:AC277V DC30V コイル:DC24V | E-MTR-C41-6-1ZF-DC24V | |||||||||||||||||||||||||||
| E-TRSG6-04PSD5 | 接 点:AC277V DC30V コイル:DC5V | E-MTR-C41-6-1ZF-DC5V | |||||||||||||||||||||||||||
| E-TRSG6-04SSD12 | ターミナル | 電源 信号 | 超小型 電磁リレー | 1H | 4 | 4/4 | TB | - | スクリュー | 制御機器 PLC | DINレール | 55 | 90 | 55 | 接 点:AC277V DC30V コイル:DC12V | 接 点:6A コイル:15mA(DC12V) 7.5mA(DC24V) 36mA(DC5V) | UL RoHS対応 | RoHS対応 | -20℃~55℃ | 45%~85% | 1*10^7 | 6*10^4 | サージ 抑制 | E-MTR-C41-6-1ZF-DC12V | |||||
| E-TRSG6-04SSD24 | 接 点:AC277V DC30V コイル:DC24V | E-MTR-C41-6-1ZF-DC24V | |||||||||||||||||||||||||||
| E-TRSG6-04SSD5 | 接 点:AC277V DC30V コイル:DC5V | E-MTR-C41-6-1ZF-DC5V | |||||||||||||||||||||||||||
| E-TRSG6-06PSD12 | ターミナル | 電源 信号 | 超小型 電磁リレー | 1H | 6 | 6/6 | TB | - | プッシュイン | 制御機器 PLC | DINレール | 70 | 90 | 55 | 接 点:AC277V DC30V コイル:DC12V | 接 点:6A コイル:15mA(DC12V) 7.5mA(DC24V) 36mA(DC5V) | UL RoHS対応 | RoHS対応 | -20℃~55℃ | 45%~85% | 1*10^7 | 6*10^4 | サージ 抑制 | E-MTR-C41-6-1ZF-DC12V | |||||
| E-TRSG6-06PSD24 | 接 点:AC277V DC30V コイル:DC24V | E-MTR-C41-6-1ZF-DC24V | |||||||||||||||||||||||||||
| E-TRSG6-06PSD5 | 接 点:AC277V DC30V コイル:DC5V | E-MTR-C41-6-1ZF-DC5V | |||||||||||||||||||||||||||
| E-TRSG6-06SSD12 | ターミナル | 電源 信号 | 超小型 電磁リレー | 1H | 6 | 6/6 | TB | - | スクリュー | 制御機器 PLC | DINレール | 70 | 90 | 55 | 接 点:AC277V DC30V コイル:DC12V | 接 点:6A コイル:15mA(DC12V) 7.5mA(DC24V) 36mA(DC5V) | UL RoHS対応 | RoHS対応 | -20℃~55℃ | 45%~85% | 1*10^7 | 6*10^4 | サージ 抑制 | E-MTR-C41-6-1ZF-DC12V | |||||
| E-TRSG6-06SSD24 | 接 点:AC277V DC30V コイル:DC24V | E-MTR-C41-6-1ZF-DC24V | |||||||||||||||||||||||||||
| E-TRSG6-06SSD5 | 接 点:AC277V DC30V コイル:DC5V | E-MTR-C41-6-1ZF-DC5V | |||||||||||||||||||||||||||
| E-TRSG6-08PSD12 | ターミナル | 電源 信号 | 超小型 電磁リレー | 1H | 8 | 8/8 | MIL | 10 | プッシュイン | 制御機器 PLC | DINレール | 85 | 90 | 55 | 接 点:AC277V DC30V コイル:DC12V | 接 点:6A コイル:15mA(DC12V) 7.5mA(DC24V) 36mA(DC5V) | UL RoHS対応 | RoHS対応 | -20℃~55℃ | 45%~85% | 1*10^7 | 6*10^4 | サージ 抑制 | E-MTR-C41-6-1ZF-DC12V | |||||
| E-TRSG6-08PSD24 | 接 点:AC277V DC30V コイル:DC24V | E-MTR-C41-6-1ZF-DC24V | |||||||||||||||||||||||||||
| E-TRSG6-08PSD5 | 接 点:AC277V DC30V コイル:DC5V | E-MTR-C41-6-1ZF-DC5V | |||||||||||||||||||||||||||
| E-TRSG6-08SSD12 | ターミナル | 電源 信号 | 超小型 電磁リレー | 1H | 8 | 8/8 | MIL | 10 | スクリュー | 制御機器 PLC | DINレール | 85 | 90 | 55 | 接 点:AC277V DC30V コイル:DC12V | 接 点:6A コイル:15mA(DC12V) 7.5mA(DC24V) 36mA(DC5V) | UL RoHS対応 | RoHS対応 | -20℃~55℃ | 45%~85% | 1*10^7 | 6*10^4 | サージ 抑制 | E-MTR-C41-6-1ZF-DC12V | |||||
| E-TRSG6-08SSD24 | 接 点:AC277V DC30V コイル:DC24V | E-MTR-C41-6-1ZF-DC24V | |||||||||||||||||||||||||||
| E-TRSG6-08SSD5 | 接 点:AC277V DC30V コイル:DC5V | E-MTR-C41-6-1ZF-DC5V | |||||||||||||||||||||||||||
| E-TRSG6-12PSD12 | ターミナル | 電源 信号 | 超小型 電磁リレー | 1H | 12 | 12/12 | MIL | 14 | プッシュイン | 制御機器 PLC | DINレール | 115 | 90 | 55 | 接 点:AC277V DC30V コイル:DC12V | 接 点:6A コイル:15mA(DC12V) 7.5mA(DC24V) 36mA(DC5V) | UL RoHS対応 | RoHS対応 | -20℃~55℃ | 45%~85% | 1*10^7 | 6*10^4 | サージ 抑制 | E-MTR-C41-6-1ZF-DC12V | |||||
| E-TRSG6-12PSD24 | 接 点:AC277V DC30V コイル:DC24V | E-MTR-C41-6-1ZF-DC24V | |||||||||||||||||||||||||||
| E-TRSG6-12PSD5 | 接 点:AC277V DC30V コイル:DC5V | E-MTR-C41-6-1ZF-DC5V | |||||||||||||||||||||||||||
| E-TRSG6-12SSD12 | ターミナル | 電源 信号 | 超小型 電磁リレー | 1H | 12 | 12/12 | MIL | 14 | スクリュー | 制御機器 PLC | DINレール | 115 | 90 | 55 | 接 点:AC277V DC30V コイル:DC12V | 接 点:6A コイル:15mA(DC12V) 7.5mA(DC24V) 36mA(DC5V) | UL RoHS対応 | RoHS対応 | -20℃~55℃ | 45%~85% | 1*10^7 | 6*10^4 | サージ 抑制 | E-MTR-C41-6-1ZF-DC12V | |||||
| E-TRSG6-12SSD24 | 接 点:AC277V DC30V コイル:DC24V | E-MTR-C41-6-1ZF-DC24V | |||||||||||||||||||||||||||
| E-TRSG6-12SSD5 | 接 点:AC277V DC30V コイル:DC5V | E-MTR-C41-6-1ZF-DC5V | |||||||||||||||||||||||||||
| E-TRSG6-16PSD12 | ターミナル | 電源 信号 | 超小型 電磁リレー | 1H | 16 | 16/16 | MIL | 18 | プッシュイン | 制御機器 PLC | DINレール | 145 | 90 | 55 | 接 点:AC277V DC30V コイル:DC12V | 接 点:6A コイル:15mA(DC12V) 7.5mA(DC24V) 36mA(DC5V) | UL RoHS対応 | RoHS対応 | -20℃~55℃ | 45%~85% | 1*10^7 | 6*10^4 | サージ 抑制 | E-MTR-C41-6-1ZF-DC12V | |||||
| E-TRSG6-16PSD24 | 接 点:AC277V DC30V コイル:DC24V | E-MTR-C41-6-1ZF-DC24V | |||||||||||||||||||||||||||
| E-TRSG6-16PSD5 | 接 点:AC277V DC30V コイル:DC5V | E-MTR-C41-6-1ZF-DC5V | |||||||||||||||||||||||||||
| E-TRSG6-16SSD12 | ターミナル | 電源 信号 | 超小型 電磁リレー | 1H | 16 | 16/16 | MIL | 18 | スクリュー | 制御機器 PLC | DINレール | 145 | 90 | 55 | 接 点:AC277V DC30V コイル:DC12V | 接 点:6A コイル:15mA(DC12V) 7.5mA(DC24V) 36mA(DC5V) | UL RoHS対応 | RoHS対応 | -20℃~55℃ | 45%~85% | 1*10^7 | 6*10^4 | サージ 抑制 | E-MTR-C41-6-1ZF-DC12V | |||||
| E-TRSG6-16SSD24 | 接 点:AC277V DC30V コイル:DC24V | E-MTR-C41-6-1ZF-DC24V | |||||||||||||||||||||||||||
| E-TRSG6-16SSD5 | 接 点:AC277V DC30V コイル:DC5V | E-MTR-C41-6-1ZF-DC5V | |||||||||||||||||||||||||||
| E-TRSG6-32PSD12 | ターミナル | 電源 信号 | 超小型 電磁リレー | 1H | 32 | 32/32 | MIL | 34 | プッシュイン | 制御機器 PLC | DINレール | 265 | 90 | 55 | 接 点:AC277V DC30V コイル:DC12V | 接 点:6A コイル:15mA(DC12V) 7.5mA(DC24V) 36mA(DC5V) | UL RoHS対応 | RoHS対応 | -20℃~55℃ | 45%~85% | 1*10^7 | 6*10^4 | サージ 抑制 | E-MTR-C41-6-1ZF-DC12V | |||||
| E-TRSG6-32PSD24 | 接 点:AC277V DC30V コイル:DC24V | E-MTR-C41-6-1ZF-DC24V | |||||||||||||||||||||||||||
| E-TRSG6-32PSD5 | 接 点:AC277V DC30V コイル:DC5V | E-MTR-C41-6-1ZF-DC5V | |||||||||||||||||||||||||||
| E-TRSG6-32SSD12 | ターミナル | 電源 信号 | 超小型 電磁リレー | 1H | 32 | 32/32 | MIL | 34 | スクリュー | 制御機器 PLC | DINレール | 265 | 90 | 55 | 接 点:AC277V DC30V コイル:DC12V | 接 点:6A コイル:15mA(DC12V) 7.5mA(DC24V) 36mA(DC5V) | UL RoHS対応 | RoHS対応 | -20℃~55℃ | 45%~85% | 1*10^7 | 6*10^4 | サージ 抑制 | E-MTR-C41-6-1ZF-DC12V | |||||
| E-TRSG6-32SSD24 | 接 点:AC277V DC30V コイル:DC24V | E-MTR-C41-6-1ZF-DC24V | |||||||||||||||||||||||||||
| E-TRSG6-32SSD5 | 接 点:AC277V DC30V コイル:DC5V | E-MTR-C41-6-1ZF-DC5V | |||||||||||||||||||||||||||
| E-TRSG7-04PSD12 | ターミナル | 電源 信号 | 超小型 電磁リレー | 1Z | 4 | 4/4 | TB | - | プッシュイン | 制御機器 PLC | DINレール | 55 | 90 | 55 | 接 点:AC277V DC30V コイル:DC12V | 接 点:6A コイル:15mA(DC12V) 7.5mA(DC24V) 36mA(DC5V) | UL RoHS対応 | RoHS対応 | -20℃~55℃ | 45%~85% | 1*10^7 | 6*10^4 | サージ 抑制 | E-MTR-C41-6-1ZF-DC12V | こちら | ||||
| E-TRSG7-04PSD24 | 接 点:AC277V DC30V コイル:DC24V | E-MTR-C41-6-1ZF-DC24V | |||||||||||||||||||||||||||
| E-TRSG7-04PSD5 | 接 点:AC277V DC30V コイル:DC5V | E-MTR-C41-6-1ZF-DC5V | |||||||||||||||||||||||||||
| E-TRSG7-04SSD12 | ターミナル | 電源 信号 | 超小型 電磁リレー | 1Z | 4 | 4/4 | TB | - | スクリュー | 制御機器 PLC | DINレール | 55 | 90 | 55 | 接 点:AC277V DC30V コイル:DC12V | 接 点:6A コイル:15mA(DC12V) 7.5mA(DC24V) 36mA(DC5V) | UL RoHS対応 | RoHS対応 | -20℃~55℃ | 45%~85% | 1*10^7 | 6*10^4 | サージ 抑制 | E-MTR-C41-6-1ZF-DC12V | |||||
| E-TRSG7-04SSD24 | 接 点:AC277V DC30V コイル:DC24V | E-MTR-C41-6-1ZF-DC24V | |||||||||||||||||||||||||||
| E-TRSG7-04SSD5 | 接 点:AC277V DC30V コイル:DC5V | E-MTR-C41-6-1ZF-DC5V | |||||||||||||||||||||||||||
| E-TRSG7-06PSD12 | ターミナル | 電源 信号 | 超小型 電磁リレー | 1Z | 6 | 6/6 | TB | - | プッシュイン | 制御機器 PLC | DINレール | 70 | 90 | 55 | 接 点:AC277V DC30V コイル:DC12V | 接 点:6A コイル:15mA(DC12V) 7.5mA(DC24V) 36mA(DC5V) | UL RoHS対応 | RoHS対応 | -20℃~55℃ | 45%~85% | 1*10^7 | 6*10^4 | サージ 抑制 | E-MTR-C41-6-1ZF-DC12V | |||||
| E-TRSG7-06PSD24 | 接 点:AC277V DC30V コイル:DC24V | E-MTR-C41-6-1ZF-DC24V | |||||||||||||||||||||||||||
| E-TRSG7-06PSD5 | 接 点:AC277V DC30V コイル:DC5V | E-MTR-C41-6-1ZF-DC5V | |||||||||||||||||||||||||||
| E-TRSG7-06SSD12 | ターミナル | 電源 信号 | 超小型 電磁リレー | 1Z | 6 | 6/6 | TB | - | スクリュー | 制御機器 PLC | DINレール | 70 | 90 | 55 | 接 点:AC277V DC30V コイル:DC12V | 接 点:6A コイル:15mA(DC12V) 7.5mA(DC24V) 36mA(DC5V) | UL RoHS対応 | RoHS対応 | -20℃~55℃ | 45%~85% | 1*10^7 | 6*10^4 | サージ 抑制 | E-MTR-C41-6-1ZF-DC12V | |||||
| E-TRSG7-06SSD24 | 接 点:AC277V DC30V コイル:DC24V | E-MTR-C41-6-1ZF-DC24V | |||||||||||||||||||||||||||
| E-TRSG7-06SSD5 | 接 点:AC277V DC30V コイル:DC5V | E-MTR-C41-6-1ZF-DC5V | |||||||||||||||||||||||||||
| E-TRSG7-08PSD12 | ターミナル | 電源 信号 | 超小型 電磁リレー | 1Z | 8 | 8/8 | MIL | 10 | プッシュイン | 制御機器 PLC | DINレール | 85 | 90 | 55 | 接 点:AC277V DC30V コイル:DC12V | 接 点:6A コイル:15mA(DC12V) 7.5mA(DC24V) 36mA(DC5V) | UL RoHS対応 | RoHS対応 | -20℃~55℃ | 45%~85% | 1*10^7 | 6*10^4 | サージ 抑制 | E-MTR-C41-6-1ZF-DC12V | |||||
| E-TRSG7-08PSD24 | 接 点:AC277V DC30V コイル:DC24V | E-MTR-C41-6-1ZF-DC24V | |||||||||||||||||||||||||||
| E-TRSG7-08PSD5 | 接 点:AC277V DC30V コイル:DC5V | E-MTR-C41-6-1ZF-DC5V | |||||||||||||||||||||||||||
| E-TRSG7-08SSD12 | ターミナル | 電源 信号 | 超小型 電磁リレー | 1Z | 8 | 8/8 | MIL | 10 | スクリュー | 制御機器 PLC | DINレール | 85 | 90 | 55 | 接 点:AC277V DC30V コイル:DC12V | 接 点:6A コイル:15mA(DC12V) 7.5mA(DC24V) 36mA(DC5V) | UL RoHS対応 | RoHS対応 | -20℃~55℃ | 45%~85% | 1*10^7 | 6*10^4 | サージ 抑制 | E-MTR-C41-6-1ZF-DC12V | |||||
| E-TRSG7-08SSD24 | 接 点:AC277V DC30V コイル:DC24V | E-MTR-C41-6-1ZF-DC24V | |||||||||||||||||||||||||||
| E-TRSG7-08SSD5 | 接 点:AC277V DC30V コイル:DC5V | E-MTR-C41-6-1ZF-DC5V | |||||||||||||||||||||||||||
| E-TRSG7-12PSD12 | ターミナル | 電源 信号 | 超小型 電磁リレー | 1Z | 12 | 12/12 | MIL | 14 | プッシュイン | 制御機器 PLC | DINレール | 115 | 90 | 55 | 接 点:AC277V DC30V コイル:DC12V | 接 点:6A コイル:15mA(DC12V) 7.5mA(DC24V) 36mA(DC5V) | UL RoHS対応 | RoHS対応 | -20℃~55℃ | 45%~85% | 1*10^7 | 6*10^4 | サージ 抑制 | E-MTR-C41-6-1ZF-DC12V | |||||
| E-TRSG7-12PSD24 | 接 点:AC277V DC30V コイル:DC24V | E-MTR-C41-6-1ZF-DC24V | |||||||||||||||||||||||||||
| E-TRSG7-12PSD5 | 接 点:AC277V DC30V コイル:DC5V | E-MTR-C41-6-1ZF-DC5V | |||||||||||||||||||||||||||
| E-TRSG7-12SSD12 | ターミナル | 電源 信号 | 超小型 電磁リレー | 1Z | 12 | 12/12 | MIL | 14 | スクリュー | 制御機器 PLC | DINレール | 115 | 90 | 55 | 接 点:AC277V DC30V コイル:DC12V | 接 点:6A コイル:15mA(DC12V) 7.5mA(DC24V) 36mA(DC5V) | UL RoHS対応 | RoHS対応 | -20℃~55℃ | 45%~85% | 1*10^7 | 6*10^4 | サージ 抑制 | E-MTR-C41-6-1ZF-DC12V | |||||
| E-TRSG7-12SSD24 | 接 点:AC277V DC30V コイル:DC24V | E-MTR-C41-6-1ZF-DC24V | |||||||||||||||||||||||||||
| E-TRSG7-12SSD5 | 接 点:AC277V DC30V コイル:DC5V | E-MTR-C41-6-1ZF-DC5V | |||||||||||||||||||||||||||
| E-TRSG7-16PSD12 | ターミナル | 電源 信号 | 超小型 電磁リレー | 1Z | 16 | 16/16 | MIL | 18 | プッシュイン | 制御機器 PLC | DINレール | 145 | 90 | 55 | 接 点:AC277V DC30V コイル:DC12V | 接 点:6A コイル:15mA(DC12V) 7.5mA(DC24V) 36mA(DC5V) | UL RoHS対応 | RoHS対応 | -20℃~55℃ | 45%~85% | 1*10^7 | 6*10^4 | サージ 抑制 | E-MTR-C41-6-1ZF-DC12V | |||||
| E-TRSG7-16PSD24 | 接 点:AC277V DC30V コイル:DC24V | E-MTR-C41-6-1ZF-DC24V | |||||||||||||||||||||||||||
| E-TRSG7-16PSD5 | 接 点:AC277V DC30V コイル:DC5V | E-MTR-C41-6-1ZF-DC5V | |||||||||||||||||||||||||||
| E-TRSG7-16SSD12 | ターミナル | 電源 信号 | 超小型 電磁リレー | 1Z | 16 | 16/16 | MIL | 18 | スクリュー | 制御機器 PLC | DINレール | 145 | 90 | 55 | 接 点:AC277V DC30V コイル:DC12V | 接 点:6A コイル:15mA(DC12V) 7.5mA(DC24V) 36mA(DC5V) | UL RoHS対応 | RoHS対応 | -20℃~55℃ | 45%~85% | 1*10^7 | 6*10^4 | サージ 抑制 | E-MTR-C41-6-1ZF-DC12V | |||||
| E-TRSG7-16SSD24 | 接 点:AC277V DC30V コイル:DC24V | E-MTR-C41-6-1ZF-DC24V | |||||||||||||||||||||||||||
| E-TRSG7-16SSD5 | 接 点:AC277V DC30V コイル:DC5V | E-MTR-C41-6-1ZF-DC5V | |||||||||||||||||||||||||||
| E-TRSG7-32PSD12 | ターミナル | 電源 信号 | 超小型 電磁リレー | 1Z | 32 | 32/32 | MIL | 34 | プッシュイン | 制御機器 PLC | DINレール | 265 | 90 | 55 | 接 点:AC277V DC30V コイル:DC12V | 接 点:6A コイル:15mA(DC12V) 7.5mA(DC24V) 36mA(DC5V) | UL RoHS対応 | RoHS対応 | -20℃~55℃ | 45%~85% | 1*10^7 | 6*10^4 | サージ 抑制 | E-MTR-C41-6-1ZF-DC12V | |||||
| E-TRSG7-32PSD24 | 接 点:AC277V DC30V コイル:DC24V | E-MTR-C41-6-1ZF-DC24V | |||||||||||||||||||||||||||
| E-TRSG7-32PSD5 | 接 点:AC277V DC30V コイル:DC5V | E-MTR-C41-6-1ZF-DC5V | |||||||||||||||||||||||||||
| E-TRSG7-32SSD12 | ターミナル | 電源 信号 | 超小型 電磁リレー | 1Z | 32 | 32/32 | MIL | 34 | スクリュー | 制御機器 PLC | DINレール | 265 | 90 | 55 | 接 点:AC277V DC30V コイル:DC12V | 接 点:6A コイル:15mA(DC12V) 7.5mA(DC24V) 36mA(DC5V) | UL RoHS対応 | RoHS対応 | -20℃~55℃ | 45%~85% | 1*10^7 | 6*10^4 | サージ 抑制 | E-MTR-C41-6-1ZF-DC12V | |||||
| E-TRSG7-32SSD24 | 接 点:AC277V DC30V コイル:DC24V | E-MTR-C41-6-1ZF-DC24V | |||||||||||||||||||||||||||
| E-TRSG7-32SSD5 | 接 点:AC277V DC30V コイル:DC5V | E-MTR-C41-6-1ZF-DC5V | |||||||||||||||||||||||||||
| 適用温度 (E-TRSG5) | -40℃~70℃ |
| 適用温度 (E-TRSG6/7) | -20℃~55℃ |
| 適用湿度 | 45%~85% |
E-TRSG5






| リレー数 | L(mm) | MILコネクタピン数 |
| 4 | 55 | 無 |
| 6 | 70 | 無 |
| 8 | 85 | 10P |
| 12 | 115 | 14P |
| 16 | 145 | 18P |
| 32 | 265 | 34P |
※E-TRSG6/7-04/06はMILコネクタなしタイプ、長さ(L)の寸法はMILありタイプと同じです。




| 型番 |
|---|
通常単価(税別)
(税込単価) | 通常出荷日 |
|---|
1,058円 ( 1,164円 ) | 在庫品1日目当日出荷可能 |
822円 ( 904円 ) | 在庫品1日目当日出荷可能 |
822円 ( 904円 ) | 在庫品1日目当日出荷可能 |
1,012円 ( 1,113円 ) | 在庫品1日目当日出荷可能 |
803円 ( 883円 ) | 在庫品1日目当日出荷可能 |
803円 ( 883円 ) | 在庫品1日目当日出荷可能 |
3,237円 ( 3,561円 ) | 在庫品1日目当日出荷可能 |
3,237円 ( 3,561円 ) | 在庫品1日目当日出荷可能 |
3,237円 ( 3,561円 ) | 在庫品1日目当日出荷可能 |
2,974円 ( 3,271円 ) | 在庫品1日目当日出荷可能 |
2,974円 ( 3,271円 ) | 在庫品1日目当日出荷可能 |
2,974円 ( 3,271円 ) | 在庫品1日目当日出荷可能 |
4,245円 ( 4,670円 ) | 在庫品1日目当日出荷可能 |
4,245円 ( 4,670円 ) | 在庫品1日目当日出荷可能 |
4,245円 ( 4,670円 ) | 在庫品1日目当日出荷可能 |
3,902円 ( 4,292円 ) | 在庫品1日目当日出荷可能 |
3,902円 ( 4,292円 ) | 在庫品1日目当日出荷可能 |
3,902円 ( 4,292円 ) | 在庫品1日目当日出荷可能 |
5,662円 ( 6,228円 ) | 在庫品1日目当日出荷可能 |
5,662円 ( 6,228円 ) | 在庫品1日目当日出荷可能 |
5,662円 ( 6,228円 ) | 在庫品1日目当日出荷可能 |
5,203円 ( 5,723円 ) | 在庫品1日目当日出荷可能 |
5,203円 ( 5,723円 ) | 在庫品1日目当日出荷可能 |
5,203円 ( 5,723円 ) | 在庫品1日目当日出荷可能 |
8,493円 ( 9,342円 ) | 在庫品1日目当日出荷可能 |
8,493円 ( 9,342円 ) | 在庫品1日目当日出荷可能 |
8,493円 ( 9,342円 ) | 在庫品1日目当日出荷可能 |
7,807円 ( 8,588円 ) | 在庫品1日目当日出荷可能 |
7,807円 ( 8,588円 ) | 在庫品1日目当日出荷可能 |
7,807円 ( 8,588円 ) | 在庫品1日目当日出荷可能 |
11,355円 ( 12,491円 ) | 在庫品1日目当日出荷可能 |
11,355円 ( 12,491円 ) | 在庫品1日目当日出荷可能 |
11,355円 ( 12,491円 ) | 在庫品1日目当日出荷可能 |
11,353円 ( 12,488円 ) | 在庫品1日目当日出荷可能 |
11,353円 ( 12,488円 ) | 在庫品1日目当日出荷可能 |
11,353円 ( 12,488円 ) | 在庫品1日目当日出荷可能 |
22,710円 ( 24,981円 ) | 在庫品1日目当日出荷可能 |
22,710円 ( 24,981円 ) | 在庫品1日目当日出荷可能 |
22,710円 ( 24,981円 ) | 在庫品1日目当日出荷可能 |
22,707円 ( 24,978円 ) | 在庫品1日目当日出荷可能 |
22,707円 ( 24,978円 ) | 在庫品1日目当日出荷可能 |
22,707円 ( 24,978円 ) | 在庫品1日目当日出荷可能 |
3,377円 ( 3,715円 ) | 在庫品1日目当日出荷可能 |
3,377円 ( 3,715円 ) | 在庫品1日目当日出荷可能 |
3,377円 ( 3,715円 ) | 在庫品1日目当日出荷可能 |
3,237円 ( 3,561円 ) | 在庫品1日目当日出荷可能 |
3,237円 ( 3,561円 ) | 在庫品1日目当日出荷可能 |
3,237円 ( 3,561円 ) | 在庫品1日目当日出荷可能 |
4,933円 ( 5,426円 ) | 在庫品1日目当日出荷可能 |
4,933円 ( 5,426円 ) | 在庫品1日目当日出荷可能 |
4,933円 ( 5,426円 ) | 在庫品1日目当日出荷可能 |
4,245円 ( 4,670円 ) | 在庫品1日目当日出荷可能 |
4,245円 ( 4,670円 ) | 在庫品1日目当日出荷可能 |
4,245円 ( 4,670円 ) | 在庫品1日目当日出荷可能 |
5,676円 ( 6,244円 ) | 在庫品1日目当日出荷可能 |
5,676円 ( 6,244円 ) | 在庫品1日目当日出荷可能 |
5,676円 ( 6,244円 ) | 在庫品1日目当日出荷可能 |
5,662円 ( 6,228円 ) | 在庫品1日目当日出荷可能 |
5,662円 ( 6,228円 ) | 在庫品1日目当日出荷可能 |
5,662円 ( 6,228円 ) | 在庫品1日目当日出荷可能 |
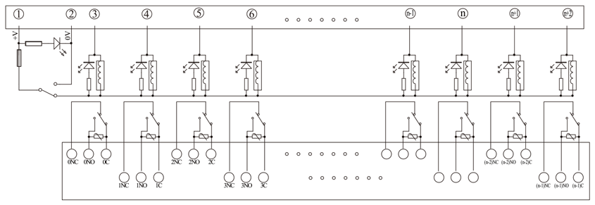
コストパフォーマンス重視のミスミオリジナルリレーです。
【特長】
・各種制御機器、PLCに幅広く対応
・DINレール取付型
・接線方法:プッシュイン、スクリューともにラインナップ
・省スペースに特化したシリーズ
・海外認証取得:UL
通常価格、通常出荷日が表示と異なる場合がございます
通常価格、通常出荷日が表示と異なる場合がございます

オムロン
ターミナルリレーG6D-F4PU/G3DZ-F4PU、G6D-F4B/G3DZ-F4B
4.2通常価格(税別):3,200円~

オムロン
ターミナルリレー G6B-4□□ND
4.7通常価格(税別):3,762円~

オムロン
ターミナルリレー G6D-4B/G3DZ-4B
4.5通常価格(税別):4,600円~

Panasonic
制御機器 インターフェイスターミナル 4点ユニットリレー(PhotoMOSリレーパワータイプ)
0通常価格(税別):7,988円~

オムロン
ターミナルSSR G3S4
5通常価格(税別):904円~

オムロン
ターミナルリレー G6B-4CB
4.8通常価格(税別):5,929円

ミスミ
RT-2 リレーターミナル1a×8(端子台接続)
4.6通常価格(税別):3,991円

ミスミ
【ミスミ オリジナル】電源/信号用ブロック/ターミナルリレー スリムタイプ E-TRSG5/6/7
0通常価格(税別):803円~

三菱電機エンジニアリング
PLC I/Oユニット用ターミナルリレー FA-THシリーズ
0通常価格(税別):2,112円~