メカニカル部品技術窓口
ミスミ品のみ対象
板厚3~25㎜のアクリルプレートです。【標準大口対応】標準サイズ・穴加工付タイプは21枚から100枚は...
詳細を確認
[ ! ]切断部に発生したバリ除去のみ行います。
コーナー部の切創対策には4コーナー同寸加工の追加工をご指定下さい。
□穴数組合せ表 □型式指定方法 | 穴加工詳細 | |||||||||||||||||||||||||||||||||||||||||||||||||||||||||||||||
| N(通し穴) | P(皿穴) | M(ネジインサート) | 穴加工条件(N・P・M) | ||||||||||||||||||||||||||||||||||||||||||||||||||||||||||||
![]() | ![]() | ![]() 指定方法(例)M4-L6 [ ! ]L≦T-1 [ ! ]ネジインサートHLTSの詳細は | ![]() | ||||||||||||||||||||||||||||||||||||||||||||||||||||||||||||
| ■表1
|
| |||||||||||||||||||||||||||||||||||||||||||||||||||||||||||||
| Q(だるま穴) | 穴加工条件 Q(だるま穴) | ||||||||||||||||||||||||||||||||||||||||||||||||||||||||||||||
![]() |
| [ ! ]だるま穴の加工条件 c≧5![]() | |||||||||||||||||||||||||||||||||||||||||||||||||||||||||||||
[ ! ]樹脂破損防止の為に、 | <だるま穴位置について> ①:bp寸法のセンターが、D寸法のセンターと一致します。 ②:1辺の穴が3つ以上の時、ピッチはd1を中心に均等割り となります。 ③:だるま穴の直径d1の中心がC(D)の中心の値と一致します。 | ||||||||||||||||||||||||||||||||||||||||||||||||||||||||||||||
| 加工方法 | 表面性状 | |
| 側面4面 | 丸のこ切断 | ![]() |
| 上下面 | 素材 | ![]() |

[ ! ]切断部に発生したバリ除去のみ行います。
コーナー部の切創対策には4コーナー同寸加工の追加工をご指定下さい。
| 穴加工詳細 | |||||||||||||||||||||||||||||||||||||||||||||||||||||||||||||||
| N(通し穴) | P(皿穴) | M(ネジインサート) | 穴加工条件(N・P・M) | ||||||||||||||||||||||||||||||||||||||||||||||||||||||||||||
![]() | ![]() | ![]() 指定方法(例)M4-L6 [ ! ]L≦T-1 [ ! ]ネジインサートHLTSの詳細は | ![]() | ||||||||||||||||||||||||||||||||||||||||||||||||||||||||||||
| ■表1
|
| |||||||||||||||||||||||||||||||||||||||||||||||||||||||||||||
| Q(だるま穴) | 穴加工条件 Q(だるま穴) | ||||||||||||||||||||||||||||||||||||||||||||||||||||||||||||||
![]() |
| [ ! ]だるま穴の加工条件 c≧5![]() | |||||||||||||||||||||||||||||||||||||||||||||||||||||||||||||
[ ! ]樹脂破損防止の為に、 | <だるま穴位置について> ①:bp寸法のセンターが、DとR寸法のセンターと一致します。 ②:1辺の穴が3つ以上の時、ピッチはd1を中心に均等割り | ||||||||||||||||||||||||||||||||||||||||||||||||||||||||||||||
| 加工方法 | 表面性状 | |
| 側面4面 | 丸のこ切断 | ![]() |
| 上下面 | 素材 | ![]() |
2H2HL4H6H8H| 穴加工詳細 | |||||||||||||||||||||||||||||||||||||||||||||||||||||||||||||||
| N(通し穴) | P(皿穴) | M(ねじインサート) | 穴加工条件(N・P・M) | ||||||||||||||||||||||||||||||||||||||||||||||||||||||||||||
![]() | ![]() | ![]() 指定方法(例)M4-L6 [ ! ]L≦T-1 [ ! ]ネジインサートHLTSの詳細は | ![]() | ||||||||||||||||||||||||||||||||||||||||||||||||||||||||||||
| ■表1
|
| |||||||||||||||||||||||||||||||||||||||||||||||||||||||||||||
| Q(だるま穴) | 穴加工条件 Q(だるま穴) | ||||||||||||||||||||||||||||||||||||||||||||||||||||||||||||||
![]() |
| [ ! ]だるま穴の加工条件 a≧5 b≧5 c≧5 2H・4H・6H・8H2HL | |||||||||||||||||||||||||||||||||||||||||||||||||||||||||||||
[ ! ]樹脂破損防止の為に、 | <だるま穴位置について> ①:2H の時はだるま穴の直径 d1 の中心が、G の値と一致します。 ②:4H・6H の時は G 寸法のセンターが、B 寸法のセンターと一致します。 ③:8H の時は真中のだるま穴の直径 d1の中心が、B 寸法のセンターと一致します。 ④:2HL の時はだるま穴は横向きになり、だるま穴の直径 d1の中心がFの値と一致します。 | ||||||||||||||||||||||||||||||||||||||||||||||||||||||||||||||
| 仕上げ | 側面4面 | 上下面 | ||
| 加工方法 | 表面性状 | 加工方法 | 表面性状 | |
| 丸のこ切断 | 丸のこ切断 | ![]() | 素材 | ![]() |

| 仕上げ | 側面4面 | 上下面 | ||
| 加工方法 | 表面性状 | 加工方法 | 表面性状 | |
| 丸のこ切断 | 丸のこ切断 | ![]() | 素材 | ![]() |
| 側面フライス(4F) | フライス | ![]() | 素材 | ![]() |
| Type | [ M ]グレ−ド | 色 | 全光線透過率 | 使用雰囲気温度 |
| ACA | スタンダ−ド | 透明 | 93% | -30〜80℃ |
| ACBA | スタンダ−ド | ブラウンスモ−ク | 25% | |
| ACDA | スタンダ−ド | オレンジ | 43% | |
| ACTA | 制電 | 透明 | 79% | |
| ACBTA | 制電 | ブラウンスモ−ク | 32% |
| 項 目 | 試験方法 JIS | 単位 | アクリル(キャスト) | |||
| スタンダード | 制電 | |||||
| 機械的性質 | 引張り強さ | K-7113 | MPa {kgf/cm2} | 75 {760} | 75 {760} | |
| 伸び | K-7113 | % | 2~7 | 5 | ||
| 曲げ強さ | K-7203 | MPa {kgf/cm2} | 117 {1200} | 106 {1080} | ||
| 曲げ弾性率 | K-7203 | MPa | 3.2×103 | 3.3×103 | ||
| 圧縮強さ | 降伏点 | K-7181 | MPa {kgf/cm2} | 124 {1270} | - | |
| アイゾット衝撃強さ | K-7110 | kJ/m2 | 2.7 | - | ||
| ロックウェル硬さ | Mスケール | - | - | 100 | 100 | |
| 熱的性質 | 連続使用温度 | - | ℃ | -30~80 | - | |
| 荷重たわみ温度 | 0.45MPa | K-7191 | ℃ | 100 | 85 | |
| 線膨張係数 | K-7140 | ℃-1 | 7.0×10-5 | 5.9×10-5 | ||
| 熱伝導率 | - | W/m・K | 0.21 | - | ||
| 比熱 | - | J/g・K | 1.46 | 1.46 | ||
| 電気的性質 | 表面抵抗率 | K-6911 | Ω | >1015 | 106~108 | |
| 体積固有抵抗率 | K-6911 | Ω・cm | >1015 | >1017 | ||
| 絶縁破壊電圧 | K-6911 | kV/mm | 20 | - | ||
| 誘電率 | 106 Hz | K-6911 | - | 3.2 | 2.9 | |
| 誘電正接 | 106 Hz | K-6911 | - | 0.06 | 0.032 | |
| 透過率 | 色別全光線透過率 | 透明 | - | % | 93 | 79 |
| ブラウンスモーク | 25 | 32 | ||||
| オレンジ | - | |||||
| グレースモーク | - | - | ||||
| 可視光線透過率 | ー | % | - | - | ||
| その他 | 比重 | - | - | 1.2 | 1.2 | |
| 吸水率 | K-7209 | % | 0.4 | 0.18 | ||
| 難燃性 | - | - | × | × | ||
| 耐薬品性 | 油 | - | - | ○ | ○ | |
| 酸 | - | - | ○ | ○ | ||
| アルカリ | - | - | ○ | ○ | ||
| 有機溶剤 | - | - | ×~△ | ×~△ | ||
波長別透過率曲線
波長別透過率曲線(3mm)| 項 目 | 試験方法 | 単位 | アクリル (キャスト) | 塩ビ | PET | ポリカーボネート | PMP | |
| JIS | ||||||||
| 全光線透過率 | - | % | 93 | 88 | 87 | 90 | ー | |
| 比重 | K-7112 | - | 1.2 | 1.4 | 1.27 | 1.2 | 0.83 | |
| 連続使用温度 | - | ℃ | 80 | 60 | 55 | 100 | 120 | |
| 難燃性 | K-6911 | - | HB相当 | V-0相当 | HB相当 | HB相当 | HB相当 | |
| 吸水率 | K-7209 | % | 0.4 | 0.02 | ー | 0.24 | 0.01未満 | |
| 耐薬品性 | 酸 | - | - | 〇 | 〇 | 〇 | △ | 〇 |
| アルカリ | 〇 | 〇 | 〇 | × | 〇 | |||
| 有機溶剤 | ×~△ | △ | △ | × | △~〇 | |||
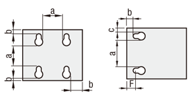
| 型式 | - | A | - | B | - | T | - | C | - | D | - | ボルト呼び径 |
| ACA33W8 | - | 200 | - | 100 | - | 5 | - | C20 | - | D10 | - | N5 |
| 型式 | A | B | T選択 | 穴位置指示 | ボルト呼び径選択 | |||||||||||||||||||||||
| Type | 穴数組合せ | C | D | 通し穴 | 皿穴 | だるま穴 | ネジインサート | |||||||||||||||||||||
| A辺側 穴数 | B辺側 穴数 | 穴加工 形状 | 穴数 | 指定1mm単位 | ACA | ACBA | ACDA ACTA ACBTA | 指定0.5mm 単位 | N | P | Q | M | L | |||||||||||||||
| ACA ACBA ACDA ACTA ACBTA | (スタンダード 透明) (スタンダード ブラウンスモーク) (スタンダード オレンジ) (制電 透明) (制電 ブラウンスモーク) | 1 2 3 4 5 | 1 2 3 4 5 | W | 1 3 5 8 12 16 | 2 4 6 10 14 | 20 ~ 1200 | 20 ~ 1000 | 3 | 3 | 3 | 6 ~ 1191.5 | 6 ~ 991.5 | 3 4 5 6 8 10 | 3 | 5 6 8 | - | 表1より選択 | ||||||||||
| 4 | 4 | - | 3 | 4 | 5 | 3 | ||||||||||||||||||||||
| 5 | 5 | 5 | 3 | 4 | 5 | 6 | 3 | 4 | ||||||||||||||||||||
| 6 | 6 | - | 4 | 5 | 6 | 4 | 5 | |||||||||||||||||||||
| 8 | 8 | 4 | 5 | 6 | 8 | 4 | 5 | 6 | ||||||||||||||||||||
| 10 | 10 | 4 | 5 | 6 | 8 | 10 | 4 | 5 | 6 | 8 | ||||||||||||||||||
| 20 ~ 800 | 20 ~ 600 | 15 | - | 6 ~ 795.5 | 6 ~ 591.5 | 4 | 5 | 6 | 8 | 10 | 5 | 6 | 8 | 10 | ||||||||||||||
| 20 | 4 | 5 | 6 | 8 | 10 | 5 | 6 | 8 | 10 | |||||||||||||||||||
| 25 | 4 | 5 | 6 | 8 | 10 | 5 | 6 | 8 | 10 | |||||||||||||||||||
| T | T寸公差 |
| 3 | ±0.5 |
| 4・5 | ±0.6 |
| 6 | ±0.8 |
| 8 | ±0.9 |
| 10 | ±1.1 |
| 15 | ±1.5 |
| 20 | ±2.0 |
| 25 | ±2.5 |
| 型式 | - | A | - | B | - | T | - | C | - | D | - | R | - | S | - | ボルト呼び径 |
| ACA22V8 | - | 200 | - | 100 | - | 5 | - | C60 | - | D20 | - | R20 | - | S60 | - | N5 |
| 型式 | A | B | T選択 | 穴位置指示 | ボルト呼び径選択 | ||||||||||||||||||||||||
| Type | 穴数組合せ | C | D | R | S | 通し穴 | 皿穴 | だるま穴 | ネジインサート | ||||||||||||||||||||
| A辺側 穴数 | B辺側 穴数 | 穴加工 形状 | 穴数 | 指定1mm単位 | ACA | ACBA | ACDA ACTA ACBTA | 指定0.5mm単位 | N | P | Q | M | L | ||||||||||||||||
| ACA ACBA ACDA ACTA ACBTA | (スタンダード 透明) (スタンダード ブラウンスモーク) (スタンダード オレンジ) (制電 透明) (制電 ブラウンスモーク) | 1 2 3 4 | 1 2 3 4 | V | 4 6 8 10 12 14 16 | 20 ~ 1200 | 20 ~ 1000 | 3 | 3 | 3 | 6 ~ 1191.5 | 6 ~ 991.5 | 6 ~ 1191.5 | 6 ~ 991.5 | 3 4 5 6 8 10 | 3 | 5 6 8 | - | 表1 より 選択 | ||||||||||
| 4 | 4 | - | 3 | 4 | 5 | 3 | |||||||||||||||||||||||
| 5 | 5 | 5 | 3 | 4 | 5 | 6 | 3 | 4 | |||||||||||||||||||||
| 6 | 6 | - | 4 | 5 | 6 | 4 | 5 | ||||||||||||||||||||||
| 8 | 8 | 4 | 5 | 6 | 8 | 4 | 5 | 6 | |||||||||||||||||||||
| 10 | 10 | 4 | 5 | 6 | 8 | 10 | 4 | 5 | 6 | 8 | |||||||||||||||||||
| 20 ~ 800 | 20 ~ 600 | 15 | - | 6 ~ 795.5 | 6 ~ 591.5 | 6 ~ 795.5 | 6 ~ 591.5 | 4 | 5 | 6 | 8 | 10 | 5 | 6 | 8 | 10 | |||||||||||||
| 20 | 4 | 5 | 6 | 8 | 10 | 5 | 6 | 8 | 10 | ||||||||||||||||||||
| 25 | 4 | 5 | 6 | 8 | 10 | 5 | 6 | 8 | 10 | ||||||||||||||||||||
| T | T寸公差 |
| 3 | ±0.5 |
| 4・5 | ±0.6 |
| 6 | ±0.8 |
| 8 | ±0.9 |
| 10 | ±1.1 |
| 15 | ±1.5 |
| 20 | ±2.0 |
| 25 | ±2.5 |
| 型式 | − | A | − | B | − | T | − | F | − | G | − | ボルト呼び径 |
| ACA6H | − | 800 | − | 400 | − | 3 | − | F250 | − | G355 | − | N3 |
| 型式 | A | B | T選択 | 穴位置指示 | ボルト呼び径選択 | |||||||||||||||||||
| Type | 穴数 | F | G | 通し穴 | 皿穴 | だるま穴 | ネジインサート | |||||||||||||||||
| 指定1mm単位 | ACA | ACBA | ACDA | 指定0.5mm単位 | N | P | Q | M | L | |||||||||||||||
| ACTA | ||||||||||||||||||||||||
| ACBTA | ||||||||||||||||||||||||
| ACA ACBA ACDA ACTA ACBTA | (スタンダード 透明) (スタンダード ブラウンスモーク) (スタンダード オレンジ) (制電 透明) (制電 ブラウンスモーク) | 2H(横) 2HL(縦) 4H 6H 8H | 20~1200 | 20~1000 | 3 | 3 | 3 | 6~1191.5 (2H・4H) 4.5~1191.5 (2HL) 6~595.5 (6H・8H) | 4.5~995.5 (2H) 6~991.5 (2HL・4H・6H) 6~495.5 (8H) | 3 4 5 6 8 10 | 3 | 5 6 8 | - | 表1より選択 | ||||||||||
| 4 | 4 | - | 3 | 4 | 5 | 3 | ||||||||||||||||||
| 5 | 5 | 5 | 3 | 4 | 5 | 6 | 3 | 4 | ||||||||||||||||
| 6 | 6 | - | 4 | 5 | 6 | 4 | 5 | |||||||||||||||||
| 8 | 8 | 4 | 5 | 6 | 8 | 4 | 5 | 6 | ||||||||||||||||
| 10 | 10 | 4 | 5 | 6 | 8 | 10 | 4 | 5 | 6 | 8 | ||||||||||||||
| 20~800 | 20~600 | 15 | - | 6~791.5 (2H・4H) 4.5~791.5 (2HL) 6~395.5 (6H・8H) | 4.5~595.5 (2H) 6~591.5 (2HL・4H・6H) 6~295.5 (8H) | 4 | 5 | 6 | 8 | 10 | 5 | 6 | 8 | 10 | ||||||||||
| 20 | 4 | 5 | 6 | 8 | 10 | 5 | 6 | 8 | 10 | |||||||||||||||
| 25 | 4 | 5 | 6 | 8 | 10 | 5 | 6 | 8 | 10 | |||||||||||||||
| T | T寸公差 |
| 3 | ±0.5 |
| 4・5 | ±0.6 |
| 6 | ±0.8 |
| 8 | ±0.9 |
| 10 | ±1.1 |
| 15 | ±1.5 |
| 20 | ±2.0 |
| 25 | ±2.5 |
| 型式 | − | A | − | B | − | T |
| ACTA | − | 955 | − | 825 | − | 3 |
| 型式 | A | B | T | ||
| 材質選択 | 仕上選択 | AB寸公差選択 | |||
| 標準サイズ | 丸のこ切断 | 指定1mm単位 | 選択 | ||
| ACA(スタンダード透明) | ー | 選択不可 | 20〜1200 | 20〜1000 | 3・4・5・6・8・10 |
| 20〜800 | 20〜600 | 15・20・25 | |||
| ACA-G(スタンダード透明 厚板タイプ) | 20〜800 | 13 | |||
| (30)~800 | (30)~800 | 30・40・50 | |||
| ACBA(スタンダードブラウンスモーク) | 20〜1200 | 20〜1000 | 3・4・5・6・8・10 | ||
| ACDA(スタンダードオレンジ) ACTA(制電 透明) ACBTA(制電 ブラウンスモーク) | 3・5 | ||||
| 大サイズ | 1201〜2000 ※ | 20〜1000 | 3・5 | ||
| L−ACA(スタンダード透明) L−ACBA(スタンダードブラウンスモーク) L−ACTA(制電 透明) L−ACBTA(制電 ブラウンスモーク) | |||||
| 標準サイズ | 側面フライス | 指定0.1mm単位 | 選択 | ||
| ACA(スタンダード透明) | 4F | Q(0〜+0.2) N(±0.1) M(ー0.2〜0) | 10〜400 | 10〜200 | 5・6・8・10・15・20・25 |
| ACBA(スタンダードブラウンスモーク) | 5・6・8・10 | ||||
| ACDA(スタンダードオレンジ) ACTA(制電 透明) ACBTA(制電 ブラウンスモーク) | 5 | ||||
| T | T寸公差 |
| 3 | ±0.5 |
| 4・5 | ±0.6 |
| 6 | ±0.8 |
| 8 | ±0.9 |
| 10・13 | ±1.1 |
| 15 | ±1.5 |
| 20 | ±2.0 |
| 25~50 | ±2.5 |
| 型式 | - | A | - | B | - | T | - | C | - | D | - | ボルト呼び径 | - | (追加工) |
| ACA33W8 | - | 200 | - | 100 | - | 5 | - | C20 | - | D10 | - | N5 | - | ACC |
| Alterations | 4コーナー同寸加工 | |||||||
![]() | ![]() | |||||||
| Code | ACC | ACR | ||||||
| Spec. | 4コーナー同寸5mmでカット、 R加工いたします。 ・ACC コーナー5mm カット ・ACR コーナー5mm R [ ! ]穴とプレート端面の ![]()
| |||||||
| ¥/1Code | 400 | 500 | ||||||
■穴数組合せタイプ(コーナー穴加工なし)
| 型式 | - | A | - | B | - | T | - | C | - | D | - | R | - | S | - | ボルト呼び径 | - | (追加工) |
| ACA22V8 | - | 200 | - | 100 | - | 5 | - | C60 | - | D20 | - | R20 | - | S60 | - | N5 | - | ACR |
| Alterations | 4コーナー同寸加工 | |||||||
![]() | ![]() | |||||||
| Code | ACC | ACR | ||||||
| Spec. | 4コーナー同寸5mmでカット、 R加工いたします。 ・ACC コーナー5mm カット ・ACR コーナー5mm R [ ! ]穴とプレート端面の ![]()
| |||||||
| ¥/1Code | 400 | 500 | ||||||
■穴加工付タイプ
| 型式 | − | A | − | B | − | T | − | F | − | G | − | ボルト呼び径 | − | (XC・YC) |
| ACA4H | − | 200 | − | 100 | − | 4 | − | F160 | − | G50 | − | N6 | − | XC15-YC355 |
| Alterations | 穴位置を左端面より指定 | 穴位置を下端面より指定 | 4コーナー同寸加工 | |||||||
![]() | ![]() | ![]() | ![]() | |||||||
| Code | XC | YC | ACC | ACR | ||||||
| Spec. | XC=指定0.5mm単位 [ ! ]穴とプレート端面の加工条 [ ! ]穴数選択タイプ(2H~8H)にの [ ! ]各穴数時の計算式はP.996を | YC=指定0.5mm単位 [ ! ]穴とプレート端面の加工条件 [ ! ]穴数選択タイプ(2H~8H)にの [ ! ]各穴数時の計算式はP.996を | 4コーナー同寸5mmでカット、 R加工いたします。 ・ACC コーナー5mm カット ・ACR コーナー5mm R [ ! ]穴とプレート端面の ![]()
| |||||||
| ¥/1Code | 400 | 400 | 400 | 500 | ||||||
■標準タイプ
| 型式 | − | A | − | B | − | T | − | (CRA…etc) |
| ACA | − | 100 | − | 80 | − | 3 | − | CRA10-CRC10 |
| Alterations | アルミフレーム ブラインドジョイント用切欠き | 4コーナー逃げカット | コーナーカット コーナーのR加工 | 4コーナー同寸加工 | ||||
![]() | ![]() | ![]() | ![]() | ![]() | ||||
| Code | F□□・E□□・J□□・K□□ | CN | CCA・CCB・CCC・CCD CRA・CRB・CRC・CRD | ACC | ACR | |||
| Spec. | アルミフレームのブラインドジョイント用 逃げカットをいたします。 [ ! ]標準タイプの標準サイズのみ指定可 [ ! ]指定方法はP.996をご覧ください | 4コーナーの逃げカットいたします。 CN=指定1mm単位 [ ! ]5≦CN≦50 指定方法 CN=25→CN25 [ ! ]標準タイプの標準サイズのみ指定可 | 任意のコーナー(ABCD)を加工いたします。 指定5mm単位 ・CCA5=Aコーナー5mm カット ・CRB5=Bコーナー5mm R [ ! ]標準タイプの標準サイズのみ指定可 [ ! ]4コーナー同寸加工との併用はできません [ ! ]規格詳細はP.996をご覧ください | 4コーナー同寸5mmでカット、R加工いたします。 ・ACC コーナー5mm カット ・ACR コーナー5mm R [ ! ]穴とプレート端面の加工条件は、 | ||||
| ¥/1Code | 200/コーナー | 400 | C | 5≦C≦20 | 25≦C≦50 | - | 400 | 500 |
| 200/コーナー | 300/コーナー | |||||||
| R | 5≦R≦20 | 25≦R≦50 | 55≦R≦100 | |||||
| 200/コーナー | 300/コーナー | 450/コーナー | ||||||
アクリルの特性
透明性・耐候性・加工性に優れ、産業機械カバー・美術品ケース・看板等、屋内外の用途で広く一般に使用されている材料です。
アクリル キャスト板と押出し板の特長
アクリル板には、セルキャスト製法で作られたキャスト板と押出し板があります。
キャスト板は押出し板に比べ耐熱が高く、機械的強度に優れます。押出し板はキャスト板に比べ安価です。
押出し板はレーザー加工などの熱加工後に、メタノール・塩化メチレンなどの気化性液に触れるとクラックが入ることがあります。
また、押出し板は高温になると伸び(たわみ)が出る場合があります。
| 型番 |
|---|
通常単価(税別)
(税込単価) | 通常出荷日 |
|---|
- ( - ) | 3日目 |
- ( - ) | 3日目 |
- ( - ) | 3日目 |
- ( - ) | 3日目 |
- ( - ) | 3日目 |
- ( - ) | 3日目 |
- ( - ) | 3日目 |
- ( - ) | 3日目 |
- ( - ) | 3日目 |
- ( - ) | 3日目 |
- ( - ) | 3日目 |
- ( - ) | 3日目 |
- ( - ) | 3日目 |
- ( - ) | 3日目 |
- ( - ) | 3日目 |
- ( - ) | 3日目 |
- ( - ) | 3日目 |
- ( - ) | 3日目 |
- ( - ) | 3日目 |
- ( - ) | 3日目 |
- ( - ) | 3日目 |
- ( - ) | 3日目 |
- ( - ) | 3日目 |
- ( - ) | 3日目 |
- ( - ) | 3日目 |
- ( - ) | 3日目 |
- ( - ) | 3日目 |
- ( - ) | 3日目 |
- ( - ) | 3日目 |
- ( - ) | 3日目 |
- ( - ) | 3日目 |
- ( - ) | 3日目 |
- ( - ) | 3日目 |
- ( - ) | 3日目 |
- ( - ) | 3日目 |
- ( - ) | 3日目 |
- ( - ) | 3日目 |
- ( - ) | 3日目 |
- ( - ) | 3日目 |
- ( - ) | 3日目 |
- ( - ) | 3日目 |
- ( - ) | 3日目 |
- ( - ) | 3日目 |
- ( - ) | 3日目 |
- ( - ) | 3日目 |
- ( - ) | 3日目 |
- ( - ) | 3日目 |
- ( - ) | 3日目 |
- ( - ) | 3日目 |
- ( - ) | 3日目 |
- ( - ) | 3日目 |
- ( - ) | 3日目 |
- ( - ) | 3日目 |
- ( - ) | 3日目 |
- ( - ) | 3日目 |
- ( - ) | 3日目 |
- ( - ) | 3日目 |
- ( - ) | 3日目 |
- ( - ) | 3日目 |
- ( - ) | 3日目 |
板厚3~25㎜のアクリルプレートです。
【標準大口対応】標準サイズ・穴加工付タイプは21枚から100枚は、お見積り不要で15%値引き。側面フライスは11本から20枚は、お見積り不要で5%値引き。
板厚2㎜以下はこちら樹脂シートよりご選定ください。
円形プレートはこちら透明樹脂円形プレートよりご選定ください。
穴数 (穴加工付Type) | ¥穴加工費 | |||
N(通し穴) | P(皿穴) | Q(だるま穴) | M(ネジインサート) | |
1 | 150 | 210 | 380 | 430 |
2(2H・2HL) | 220 | 350 | 580 | 720 |
3 | 340 | 530 | 870 | 1,080 |
4(4H) | 440 | 690 | 1,160 | 1,440 |
5 | 560 | 870 | 1,450 | 1,650 |
6(6H) | 660 | 1,040 | 1,730 | 1,790 |
8(8H) | 880 | 1,390 | 2,310 | 2,430 |
10 | 1,100 | 1,730 | 2,890 | 3,030 |
12 | 1,320 | 2,080 | 3,470 | 3,640 |
14 | 1,540 | 2,430 | 4,040 | 4,250 |
16 | 1,760 | 2,770 | 4,620 | 4,860 |
| 型式 | − | A | − | B | − | T | − | F | − | G | − | ボルト呼び径 |
| ACA4H | − | 500 | − | 400 | − | 5 | − | F240 | − | G160 | − | N8 |
| (標準タイプ単価) | + | (穴加工費) | = | 穴加工タイプ単価 |
| 4,140 | + | 440 | = | 4,580円 |
| Type | T | A | ¥基準単価 | ||||
| B | |||||||
| 10〜50.9 | 51〜100.9 | 101〜150.9 | 151〜200 | ||||
| ACA4F□ ACBA4F□ ACDA4F□ ACTA4F□ ACBTA4F□ | (スタンダード 透明) (スタンダード ブラウンスモーク) (スタンダード オレンジ) (制電 透明) (制電 ブラウンスモーク) | 5 6 8 | 10〜 50.9 | 510 | - | - | - |
| 51〜100.9 | 710 | 1,000 | − | − | |||
| 101〜150.9 | 1,000 | 1,270 | 1,550 | − | |||
| 151〜200.9 | 1,270 | 1,550 | 1,830 | 2,110 | |||
| 201〜250.9 | 1,550 | 1,830 | 2,110 | 2,380 | |||
| 251〜300.9 | 1,830 | 2,110 | 2,380 | 2,660 | |||
| 301〜350.9 | 2,110 | 2,380 | 2,660 | 2,950 | |||
| 351〜400 | 2,380 | 2,660 | 2,950 | 3,230 | |||
| ACA4F□ ACBA4F□ | (スタンダード 透明) (スタンダード ブラウンスモーク) | 10 | 10〜 50.9 | 580 | − | − | − |
| 51〜100.9 | 790 | 1,070 | − | − | |||
| 101〜150.9 | 1,070 | 1,340 | 1,630 | − | |||
| 151〜200.9 | 1,340 | 1,630 | 1,900 | 2,170 | |||
| 201〜250.9 | 1,630 | 1,900 | 2,170 | 2,470 | |||
| 251〜300.9 | 1,900 | 2,170 | 2,470 | 2,750 | |||
| 301〜350.9 | 2,170 | 2,470 | 2,750 | 3,020 | |||
| 351〜400 | 2,470 | 2,750 | 3,020 | 3,300 | |||
| ACA4F□ | (スタンダード 透明) | 15 | 10〜 50.9 | 640 | − | − | − |
| 51〜100.9 | 850 | 1,120 | − | − | |||
| 101〜150.9 | 1,120 | 1,410 | 1,680 | − | |||
| 151〜200.9 | 1,410 | 1,680 | 1,960 | 2,240 | |||
| 201〜250.9 | 1,680 | 1,960 | 2,240 | 2,520 | |||
| 251〜300.9 | 1,960 | 2,240 | 2,520 | 2,790 | |||
| 301〜350.9 | 2,240 | 2,520 | 2,790 | 3,080 | |||
| 351〜400 | 2,520 | 2,790 | 3,080 | 3,350 | |||
| 20 | 10〜 50.9 | 710 | − | − | − | ||
| 51〜100.9 | 920 | 1,200 | − | − | |||
| 101〜150.9 | 1,200 | 1,550 | 1,900 | − | |||
| 151〜200.9 | 1,550 | 1,900 | 2,240 | 2,590 | |||
| 201〜250.9 | 1,900 | 2,240 | 2,590 | 2,950 | |||
| 251〜300.9 | 2,240 | 2,590 | 2,950 | 3,300 | |||
| 301〜350.9 | 2,590 | 2,950 | 3,300 | 3,620 | |||
| 351〜400 | 2,950 | 3,300 | 3,620 | 3,990 | |||
| 25 | 10〜 50.9 | 790 | − | − | − | ||
| 51〜100.9 | 1,000 | 1,340 | − | − | |||
| 101〜150.9 | 1,340 | 1,680 | 2,040 | − | |||
| 151〜200.9 | 1,680 | 2,040 | 2,380 | 2,750 | |||
| 201〜250.9 | 2,040 | 2,380 | 2,750 | 3,080 | |||
| 251〜300.9 | 2,380 | 2,750 | 3,080 | 3,430 | |||
| 301〜350.9 | 2,750 | 3,080 | 3,430 | 3,780 | |||
| 351〜400 | 3,080 | 3,430 | 3,780 | 4,140 | |||
| 型式 | − | A | − | B | − | T |
| ACA4FQ | − | 300 | − | 200 | − | 10 |
| (標準タイプ単価) | + | 側面フライス加工費 | = | 側面フライス単価 |
| 1,540 | + | 2,750 | = | 4,290円 |
| 数量区分 | 標準対応 | 個別対応 | ||||
| 小口 | 大口 | 大口 | ||||
| 数 量 | 1 | 2〜10 | 11〜20 | 21〜50 | 51~100 | 101~ |
| 値引率 | 基準単価 | 5% | 10% | 15% | 15% | お見積り |
| 出荷日 | 通常 | +2日 | +7日 | |||
| 数量区分 | 標準対応 | 個別対応 | |||
| 小口 | 大口 | ||||
| 数 量 | 1〜3 | 4〜9 | 10〜15 | 16〜20 | 21~ |
| 値引率 | 基準単価 | 5% | 8% | 10% | お見積り |
| 出荷日 | 通常 | ||||
| 数量区分 | 標準対応 | 個別対応 | |
| 小口 | 大口 | 大口 | |
| 数 量 | 1〜10 | 11〜20 | 21~ |
| 値引率 | 基準単価 | 5% | お見積り |
| 出荷日 | 通常 | +2日 | |



通常価格、通常出荷日が表示と異なる場合がございます
通常価格、通常出荷日が表示と異なる場合がございます

ミスミ
PETプレート
4.6
ミスミ
アクリルプレート
4.5
ミスミ
ポリカーボネートプレート
4.7
ミスミ
塩ビプレート
4.5
ミスミ
樹脂シート
4.6
ミスミ
アクリルプレート 押し出し板タイプ
4.5
ミスミ
制電塩ビプレートー透明
4.2
ミスミ
極薄樹脂シート-ポリアセタール・ふっ素樹脂・ポリカーボネート-
4.4
ミスミ
レーザ遮光プレート フリー指定タイプ・穴加工付タイプ
5