メカニカル部品技術窓口
ミスミ品のみ対象

[ ! ]A≧B
| 加工方法 | 表面性状 | |
| 側面4面 | 丸のこ切断 | ![]() |
| 上下面 | 素材 | ![]() |
[ ! ]A≧B
2H
2HL
4H
6H
8H

| 穴加工詳細 | |||||||||||||||||||||||||||||||||||||||||||||||||||||||||||||
| N(通し穴) | P(皿穴) | M(ネジインサート) | 穴加工条件(N・P・M) | Q(だるま穴) | 穴加工条件 Q(だるま穴) | ||||||||||||||||||||||||||||||||||||||||||||||||||||||||
![]() | ![]() |
[ ! ]L≦T-1 [ ! ]ネジインサートHLTSの詳細はこちら参照 | ![]() | ![]() |
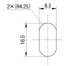
[ ! ]だるま穴の加工条件 a≧5 b≧5 c≧5 2H・4H・6H・8H 2HL <だるま穴位置について> ①:2Hの時はだるま穴の直径d1の中心が、Gの値と一致します。 ②:4H・6Hの時はG寸法のセンターが、B寸法のセンターと一致します。 ③:8Hの時は真中のだるま穴の直径d1の中心が、B寸法のセンターと一致します。 ④:2HLの時はだるま穴は横向きになり、だるま穴の直径d1の中心がFの値と一致します。 | ||||||||||||||||||||||||||||||||||||||||||||||||||||||||
| ■表1
|
|
[ ! ]樹脂破損防止の為に、 | ||||||||||||||||||||||||||||||||||||||||||||||||||||||||||
| U(専用長穴) | 穴加工条件 U(専用長穴) | ||||||||||||||||||||||||||||||||||||||||||||||||||||||||||||
![]() | 【例】 2H・2HL・4H・8Hの長穴向きも確認したい場合はこちら 6H の場合 UV(縦) UH(横) UVH(交互) UHV(交互) ![]() 【寸法指定可能範囲】 ・長穴中心から次の長穴中心までの長さは22mm以上必要です。 ・プレート端部から長穴中心までの長さは14mm以上必要です。 上図6H参考:22 ≦ F ≦ (A - 28) ÷ 2 | ||||||||||||||||||||||||||||||||||||||||||||||||||||||||||||
| 組立工数削減パネルファスナー専用の長穴です。 この穴加工選択時、組立工数削減パネルファスナーが、 穴の個数分付属しております。 「2H・2HL・4H」選択時:「UV・UH」から選択 「6H・8H」選択時:「UV・UH・UVH・UHV」から選択 指定方法 (例)UV-ZSN65 下の表2から組立工数削減パネルファスナーの種類を 選択して例のような型番になります。 | |||||||||||||||||||||||||||||||||||||||||||||||||||||||||||||
| Z (組立工数削減パネルファスナー) | 対応フレーム (シリーズ) | 対応プレート t寸(㎜) | 質量 (g) | 構成部材 | |||
| ファスナー | 個数 | スペーサー | 個数 | ||||
| ZSN(グレー) | 6 | 5 | 7 | HCBCK6-5 | 1 | - | - |
| 3 | 7.4 | HCBCK6-SP | 2 | ||||
| ZBN(黒) | 5 | 7 | HCBCKB6-5 | 1 | - | - | |
| 3 | 7.4 | HCBCK6-SP | 2 | ||||
| ZSV(脱落防止タイプ グレー) | 5 | 6.5 | HCBCKV6-5 | 1 | - | - | |
| 3 | 6.9 | HCBCK6-SP | 2 | ||||
| ZBV(脱落防止タイプ 黒) | 5 | 6.5 | HCBCKVB6-5 | 1 | - | - | |
| 3 | 6.9 | HCBCK6-SP | 2 | ||||
| 加工方法 | 表面性状 | |
| 側面4面 | 丸のこ切断 | ![]() |
| 上下面 | 素材 | ![]() |
Type | [ M ]グレード | 色 | 仕様雰囲気温度 |
| F-ACA | スタンダード | 透明 | -30~80℃ |
| F-ACBA | ブラウンスモーク | ||
| F-ACTA | 制電 | 透明 |
| 型式 | − | A | − | B | − | T |
| F-ACA | − | 1200 | − | 800 | − | 5 |
| 型式 | − | A | − | B | − | T | − | F | − | G | − | 穴加工種類 | − | L/ファスナー種類 |
| F-ACA4H | − | 900 | − | 700 | − | 3 | − | F750 | − | G650 | − | P3 | ||
| F-ACBA4H | − | 1200 | − | 800 | − | 5 | − | F750 | − | G650 | − | M4 | − | L4 |
| F-ACTA8H | − | 1000 | − | 500 | − | 3 | − | F486 | − | G236 | − | UVH | − | ZBV63 |
| 型式 | A | B | T |
| 標準サイズ | 指定1mm単位 | 選択 | |
| F-ACA(スタンダード 透明) | 300~2000 | 300〜1000 | 3・5 |
| F-ACBA(スタンダード ブラウンスモーク) | |||
| F-ACTA(制電 透明) | |||
| T | T寸公差 |
| 3 | ±0.7 |
| 5 | ±0.8 |
| 型式 | A | B | T | F | G | 穴加工種類 | |||||||
| 通し穴 | 皿穴 | だるま穴 | ネジインサート | 組立工数削減パネルファスナー専用長穴 | |||||||||
| N | P | Q | M | L | U | Z | |||||||
| Type | 穴数 | 指定1mm単位 | 選択 | 指定0.5mm単位 | ボルト呼び径選択 | 組立工数削減パネルファスナー選択 | |||||||
| F-ACA(スタンダード 透明) F-ACBA(スタンダード ブラウンスモーク) F-ACTA(制電 透明) | 2H(横) 2HL(縦) 4H 6H 8H | 300〜1200 | 300〜1000 | 3 | 6〜1191.5 (2H・4H) 4.5〜1195.5 (2HL) 6〜595.5 (6H・8H) | 4.5〜995.5 (2H) 6〜991.5 (2HL・4H・6H) 6〜495.5 (8H) | 3 4 5 6 8 10 | 3 | 5 6 8 | - | - | UV (縦) UH (横) UVH (交互) UHV (交互) | 表2より選択 |
| 5 | 3 4 5 6 | 3 4 | 表1より選択 | ||||||||||
| T | T寸公差 |
| 3 | ±0.7 |
| 5 | ±0.8 |
■標準タイプ
| 型式 | − | A | − | B | − | T | − | (CRA・・・etc) |
| F-ACA | − | 1200 | − | 800 | − | 5 | − | CRA30-CRC30 |
| 追加工指定時は | 5 | 日目出荷 |

| Alterations | アルミフレーム ブラインドジョイント用切欠き | 4コーナー逃げカット | コーナーカット コーナーのR加工 | 4コーナー同寸加工 | ||||
![]() | ![]() | ![]() | ![]() | ![]() | ||||
| Code | F□□・E□□・J□□・K□□ | CN | CCA・CCB・CCC・CCD CRA・CRB・CRC・CRD | ACC | ACR | |||
| Spec. | アルミフレームのブラインドジョイント用逃げカットをいたします。 [ ! ]標準タイプの標準サイズのみ指定可 [ ! ]指定方法はこちらをご覧ください | 4コーナーの逃げカットいたします。 CN=指定1mm単位 [ ! ]5≦CN≦50 [ ! ]標準タイプの標準サイズのみ指定可 | 任意のコーナー(ABCD)を加工いたします。 指定5mm単位 ・CCA5=Aコーナー5mm カット ・CRB5=Bコーナー5mm R [ ! ]標準タイプの標準サイズのみ指定可 [ ! ]4コーナー同寸加工との併用はできません [ ! ]規格詳細はこちらをご覧ください | 4コーナー同寸5mmでカット、R加工いたします。 ・ACC コーナー5mm カット ・ACR コーナー5mm R [ ! ]穴とプレート端面の加工条件は、 | ||||
| ¥/1Code | 200/コーナー | 400 | C | 5≦C≦20 | 25≦C≦50 | - | 400 | 500 |
| 200/コーナー | 300/コーナー | |||||||
| R | 5≦R≦20 | 25≦R≦50 | 55≦R≦100 | |||||
| 200/コーナー | 300/コーナー | 450/コーナー | ||||||
| ジョイント別 切り欠き 形状 | シンプルジョイントキット (こちら) | シングルジョイントキット(こちら) スクリュージョイントキット (P.596・647・704・750) | 先入れダブルジョイントキット(P.655・707・753) | センタージョイント (P.597・649・706・752) | 後入れダブルジョイント (P.598・651・708・754) | ||
| シングルジョイント キット標準タイプ | シングルジョイント キットナロータイプ、 スクリュージョイント キット | 標準タイプ | 偏芯ナットタイプ | ||||
(例1) (例2) ![]() 例2の場合、パネルの切り欠きは必要ありません。 | ![]() | ![]() [ ! ]図はシングルジョイントキットナロータイプです。 | ![]() | ![]() | (例1) (例2) ![]() | ![]() | |
| HFS5 シリーズ 5 | - | - | ![]() | - | - | ![]() | ![]() |
| HFS5 シリーズ 6 | ![]() | ![]() | ![]() | ![]() | ![]() | ![]() | ![]() |
| HFS5 シリーズ 8 | - | ![]() | ![]() | ![]() | ![]() | ![]() | ![]() |
| HFS5 シリーズ 845 | - | ![]() ![]() | ![]() | ![]() | *切り欠きは必要 ![]() | ![]() | |
| HFS5 シリーズ 10 | - | - | ![]() | ![]() | - | - | - |
| Alterations | 穴位置を左端面より指定 | 穴位置を下端面より指定 | 4コーナー同寸加工 | |||||||||
![]() | ![]() | ![]() | ![]() | |||||||||
| Code | XC | YC | ACC | ACR | ||||||||
| Spec. | XC=指定0.5mm単位 [ ! ]穴とプレート端面の加工条件は、穴加工詳細の加工条件をご覧ください [ ! ]穴数選択タイプ(2H~8H)にのみ指定可 | YC=指定0.5mm単位 [ ! ]穴とプレート端面の加工条件は、穴加工詳細の加工条件をご覧ください [ ! ]穴数選択タイプ(2H~8H)にのみ指定可 | 4コーナー同寸5mmでカット、 R加工いたします。 ・ACC コーナー5mm カット ・ACR コーナー5mm R [ ! ]穴とプレート端面の ![]()
| |||||||||
| ¥/1Code | 400 | 400 | 400 | 500 | ||||||||
| 型番 |
|---|
通常単価(税別)
(税込単価) | 通常出荷日 |
|---|
- ( - ) | 5日目 |
- ( - ) | 5日目 |
- ( - ) | 5日目 |
- ( - ) | 5日目 |
- ( - ) | 5日目 |
- ( - ) | 5日目 |
- ( - ) | 5日目 |
- ( - ) | 5日目 |
- ( - ) | 5日目 |
- ( - ) | 5日目 |
- ( - ) | 5日目 |
- ( - ) | 5日目 |
- ( - ) | 5日目 |
- ( - ) | 5日目 |
- ( - ) | 5日目 |
- ( - ) | 5日目 |
- ( - ) | 5日目 |
- ( - ) | 5日目 |
- ( - ) | 5日目 |
- ( - ) | 5日目 |
- ( - ) | 5日目 |
- ( - ) | 5日目 |
- ( - ) | 5日目 |
- ( - ) | 5日目 |
- ( - ) | 5日目 |
- ( - ) | 1日目 |
- ( - ) | 5日目 |
- ( - ) | 5日目 |
- ( - ) | 5日目 |
- ( - ) | 5日目 |
- ( - ) | 5日目 |
- ( - ) | 5日目 |
- ( - ) | 5日目 |
- ( - ) | 5日目 |
- ( - ) | 5日目 |
- ( - ) | 5日目 |
- ( - ) | 5日目 |
- ( - ) | 5日目 |
- ( - ) | 5日目 |
- ( - ) | 5日目 |
- ( - ) | 5日目 |
- ( - ) | 5日目 |
- ( - ) | 5日目 |
- ( - ) | 5日目 |
- ( - ) | 5日目 |
- ( - ) | 5日目 |
- ( - ) | 5日目 |
- ( - ) | 5日目 |
- ( - ) | 5日目 |
- ( - ) | 5日目 |
- ( - ) | 5日目 |
- ( - ) | 1日目 |
- ( - ) | 5日目 |
- ( - ) | 5日目 |
- ( - ) | 5日目 |
- ( - ) | 5日目 |
- ( - ) | 5日目 |
- ( - ) | 5日目 |
- ( - ) | 5日目 |
- ( - ) | 5日目 |
【2026年2月新穴加工追加】
組立工数削減パネルファスナー用長穴を穴加工種類に追加
【既存品との違い】
・厚みのラインナップは、3mmと5mmの2種類のみになります。
・既存品に比べ、板厚公差が大きくなっております。
板厚3mm(既存品:±0.5 本商品:±0.7) 板厚5mm(既存品:±0.6 本商品:±0.8)
・オレンジ色、制電ブラウンスモーク色の取り扱いはありません。
| 3 | 日目出荷 |
通常価格、通常出荷日が表示と異なる場合がございます
通常価格、通常出荷日が表示と異なる場合がございます

ミスミ
PETプレート (筐体専用樹脂プレート)
3.8
ミスミ
ポリカーボネートプレート (筐体専用樹脂プレート)
0
ミスミ
アクリルプレート (筐体専用樹脂プレート)
5
ミスミ
パネルサポートブラケット 樹脂タイプ
4.3通常価格(税別):108円

ミスミ
パネルサポートブラケット アルミタイプ
4.1通常価格(税別):168円~

ミスミ
引戸用アルミフレーム/スライドレール2列・3列/スライドスペーサ
4.8通常価格(税別):193円~

ミスミ
パネルサポートブラケット スチールタイプ/ステンレスタイプ
4.3通常価格(税別):134円~

ミスミ
パネルクランプ
4.3通常価格(税別):901円~

ミスミ
スライドレール用コネクタ樹脂タイプ
5