メカニカル部品技術窓口
ミスミ品のみ対象
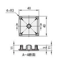
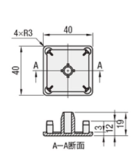
8シリーズの40mm角、1列溝アルミフレームです。■8シリーズとは溝幅10mmのアルミフレームです。M...
詳細を確認
![]() | 8シリーズ | |
![]() | ||
| ※固定長フレームの場合は公差規定無し | ||

| 型式 | − | L |
| HFST8−4040 | − | 800 |
| タイプ | 材質 | 表面処理 | 型式 | L指定0.5mm単位 (公差±0.5mm) | 質量kg/m | 断面積mm2 | 断面2次モーメントmm4 | |
| ℓx | ℓy | |||||||
| HFS | A6005CSS-T5 | 白アルマイト | HFST8-4040 | 50~4000 | 1.61 | 596 | 9.86×104 | 9.82×104 |
| HFS | A6005CSS-T5 | 黒アルマイト | HFSTB8-4040 | 50~4000 | 1.61 | 596 | 9.86×104 | 9.82×104 |
| EFS | A6005CSS-T5 | 白アルマイト | EFST8-4040 | 50~4000 | 1.51 | 558 | 9.92×104 | 9.92×104 |
| EFS | A6005CSS-T5 | 黒アルマイト | EFSTB8-4040 | 50~4000 | 1.51 | 558 | 9.92×104 | 9.92×104 |
| GFS | A6061SS-T6相当 | 白アルマイト | GFST8-4040 | 50~4000 | 2.28 | 846 | 14.57×104 | 14.57×104 |
| 型式 | − | L |
| KHFST8−4040 | − | 4000 |
| タイプ | 材質 | 表面処理 | 型式 | Lmm (公差規定なし)*1 | 断面積mm2 | 断面2次モーメントmm4 | |
| ℓx | ℓy | ||||||
| HFS | A6005CSS-T5 | 白アルマイト | KHFST8-4040 | 4000 | 596 | 9.86×104 | 9.82×104 |
| HFS | A6005CSS-T5 | 黒アルマイト | KHFSTB8-4040 | 4000 | 596 | 9.86×104 | 9.82×104 |
| EFS | A6005CSS-T5 | 白アルマイト | KEFST8-4040 | 4000 | 558 | 9.92×104 | 9.92×104 |
| EFS | A6005CSS-T5 | 黒アルマイト | KEFSTB8-4040 | 4000 | 558 | 9.92×104 | 9.92×104 |
| GFS | A6061SS-T6相当 | 白アルマイト | KGFST8-4040 | 4000 | 846 | 14.57×104 | 14.57×104 |
| 分類 | 追加工名称 | 追加工コード例 | 使用例 | 内容 | カタログ |
|---|---|---|---|---|---|
| > 端面タップ加工 | 端面タップ (センター穴) | LTP/RTP/TPW LHP/RHP/HPW | ![]() | フレームにタップ加工を行ないます。 LTP/RTP/TPW:M12深さ36mm LHP/RHP/HPW:M8深さ15mm(ヘリサート挿入済) この加工が必要なブラインドジョイント (スクリュージョイント / シンプルジョイント) | カタログ |
| > カット方法変更 | 高精度カット | SC | ![]() | 全長L寸法をL±0.5→L±0.2に公差変更し、高精度にカットします。 ※ L≦1500のみ適用可 | カタログ |
| 45度カット | L□T45 R□T45 | ![]() | 45度の角度をつけてカットします。 45度カットは、同一方向で他の追加工の重複指定はできません。 例:HFS6-3030-500-LTP-LAT45 ⇒ ✖(同一方向(左)の追加加工) HFS6-3030-500-LTP-RAT45 ⇒ 〇(左右別々の追加工) [ ! ]45度以外の角度でカットをご希望の場合は、カタログ規格外品サービスへご相談ください。 | ||
| > レンチ穴あけ | 固定位置レンチ穴 | LCH/LCV/LCP RCH/RCV/RCP | ![]() | フレームをL字に組むブラインドジョイント締結の際に、使用する相手側となるフレームの端面タップの位置にあわせて、レンチ穴(φ8)を開ける追加工です。 この加工が必要なブラインドジョイント (スクリュージョイント / タッピングジョイント) | カタログ |
| フレームキャップ 厚み分穴位置移動 | FL FR | ![]() | 固定位置のレンチ穴をフレームキャップの厚み分(3mm)移動させます。 角に組んだ際にフレームキャップが出っ張らなくなります。 | ||
| 指定位置レンチ穴 | AH/BH/CH/DH/EH AV/BV/CV/DV/EV AP/BP/CP/DP/EP | ![]() | 任意の位置にレンチ穴(φ8)を開ける追加工です。フレーム端部以外でのブラインドジョイント締結の際などにご利用頂けます。 ・ 水平、垂直、十字の各方向ともに最大5個まで開けることができます。 [ ! ]レンチ穴を6個以上でご希望の場合はカタログ規格外品サービスへご相談ください。 | カタログ | |
| > ザグリ穴あけ | 指定位置ザグリ穴 | Z8-XA○○ | ![]() | 任意の位置にザグリ穴(Z6・Z8・Z12から選択可能)を開ける追加工です。 Z6:通し穴φ6.5 ザグリ穴φ11 Z8:通し穴φ9 ザグリ穴φ14 Z12:通し穴φ13 ザグリ穴φ19 ・1方向につき5個まであけることができます。 ・1つの面に溝が複数列あるフレームでは全ての溝にザグリ穴は加工されます。 [ ! ]ザグリ穴を6個以上、ザグリ穴の向き変更をご希望の場合は、カタログ規格外品サービスへご相談ください。 | カタログ |
| > ブラインド ジョイント 専用穴あけ | D穴 | LDH/LDV RDH/RDV | ![]() | シングルジョイント締結時に必要な穴をあけます。 (シングルジョイント) | カタログ |
| M穴 | LMH/LMV RMH/RMV | ![]() | 後入れダブルジョイント、センタージョイント締結時に必要な穴をあけます。 (後入れダブルジョイント / センタージョイント) | カタログ | |
| L穴 | JLP○○-H△ | ![]() | パラレルジョイント締結時に必要な穴をあけます。 (パラレルジョイント) | カタログ | |
| > その他加工 | GFSシリーズ 端面タップ | LTS/RTS/TSW | ![]() | 高剛性タイプのフレーム専用の端面プレート取り付けに必要なタップ加工を行ないます。 (高剛性用プレート) | カタログ |
| 端面C面取り | CW | ![]() | フレーム端面の外周にC面取り加工を行ないます。 | カタログ | |
| シール貼り付け | ZZZ | ![]() | アルミフレームのカタログ記号などを印刷したシールを貼付けます。 文字数などの制限はありますが、お客様の通し番号・ユニット番号の印字も可能です。 |
■アルミフレームアクセサリ
| 商品名 | ブラケット | ブラインドジョイント | ナット | フレームキャップ | 溝カバー |
|---|---|---|---|---|---|
| 写真 | ![]() | ![]() | ![]() | ![]() | ![]() |
| カタログページ | 8シリーズカタログ | 8シリーズカタログ | 8シリーズカタログ | 8シリーズカタログ | 8シリーズカタログ |
| 商品ページ | こちら | こちら | こちら | こちら | こちら |
| 総合情報ページ | 詳細ページ | 詳細ページ | 詳細ページ | 詳細ページ | 詳細ページ |
■対応フレームキャップ一覧
| フレーム型番 | 対応フレームキャップ | |||||
| 商品タイプ | 色 | 厚さ | 型番 | 使用数 | ||
| HFST8-4040 HFSTB8-4040 EFST8-4040 EFSTB8-4040 固定長フレーム(Kで始まる型番) も同じです | ![]() | キャップ止め | 黒 | 3 | HFC8-4040-B | 1 |
| ライトグレー | 3 | HFC8-4040-S | 1 | |||
![]() | キャップ止め (足長タイプ) | 黒 | 3 | HFCL8-4040-B | 1 | |
| ライトグレー | 3 | HFCL8-4040-S | 1 | |||
![]() | ボルト止め | 黒 | 3 | HFCB8-4040-B | 1 | |
| ライトグレー | 3 | HFCB8-4040-S | 1 | |||
| 黄色 | 3 | HFCB8-4040-Y | 1 | |||
ブラケット | ブラインドジョイント | ||
接続例 | ![]() | ![]() | |
特徴 | ・フレームの外側で接続 ・任意の位置に移動可 ・美観に劣る | ・フレームの内側で接続 ・美観に優れる ・フレームに加工が必要 |

| 標準アルミフレーム | 軽量アルミフレーム | 高剛性アルミフレーム | ||||||
| HFSタイプ | EFSタイプ | NFS(NEFS) タイプ | HFSLタイプ | NFSLタイプ | GFSタイプ | GNFSタイプ | ||
| 断面 写真 | ![]() | ![]() | ![]() | ![]() | ![]() | ![]() | ![]() | |
| 材質 | A6005CSS-T5 | A6005CSS-T5 | A6063S-T5 | A6005CSS-T5 | A6063S-T5 | A6061SS-T6相当 | A6063S-T6相当 | |
| 特長 | スタンダードな断面形状です。 | HFSシリーズと同等の剛性を維持しつつ、軽量化・低価格化を実現したフレームです。 | 材質変更により大幅なプライスダウンを実現。強度(*)はHFS・EFSシリーズと同じです。 | 軽量・安価を追及したフレームです。強度よりも軽量・安価を優先する場合に適します。 | HFSLを材質変更することで、さらにプライスダウンを実現。強度(*)HFSLシリーズと同じです。 | 剛性を追及した肉 厚のフレームです。高い荷重を受ける筐体に適します。 | 耐荷重・剛性フレームの材質変更により大幅なプライスダウンを実現。強度(*)はGFSシリーズと同じです。 | |
| 表面 処理 | 白アルマイト 黒アルマイト クリア塗装 焼付塗装(黄色) | 白アルマイト 黒アルマイト | 白アルマイト 黒アルマイト | 白アルマイト 黒アルマイト | 白アルマイト | 白アルマイト | 白アルマイト | |
| 対応 シリーズ | 5 | ○ | - | ○ | - | - | - | - |
| 6 | ○ | ○ | ○ | ○ | ○ | |||
| 8 | ||||||||
| 8-45 | ||||||||
フレーム / キャップ / 溝カバー
ブラケット / ジョイント / ナット
パネル / フェンスネット
安全柵ユニット
取手 / 蝶番 / 錠
キャスタ / アジャスタ / アンカー
アルミフレームユニット
他アクセサリ
設計手順 / 強度計算 / 組立方法
アルミフレームとは

| 型番 |
|---|
通常単価(税別)
(税込単価) | 通常出荷日 |
材質違いで安価なNタイプ
|
|---|
- ( - ) | 1日目 |
- |
- ( - ) | 1日目 |
- |
- ( - ) | 1日目 |
- |
- ( - ) | 1日目 |
|
- ( - ) | 1日目 |
- |
6,136円 ( 6,750円 ) | 1日目 |
- |
8,008円 ( 8,809円 ) | 1日目 |
- |
9,798円 ( 10,778円 ) | 1日目 |
- |
6,188円 ( 6,807円 ) | 1日目 |
|
8,920円 ( 9,812円 ) | 1日目 |
- |
8シリーズの40mm角、1列溝アルミフレームです。
■8シリーズとは
溝幅10mmのアルミフレームです。M8のボルトに適用します。
切断面・追加工部には表面処理がされていません。
| タイプ | 型式 | L指定0.5mm単位 | ¥基準単価300mm未満 | ¥スライド単価300mm未満 | ¥基準単価/m300mm以上 | ¥スライド単価/m300mm以上 | ||
| 1~9本 | 10~49 | 50~160 | 1~9本 | 10~49 | 50~160 | |||
| HFS | HFST8-4040 | 50~4000 | 448 | 416 | 370 | 1,550 | 1,460 | 1,300 |
| HFS | HFSTB8-4040 | 50~4000 | 670 | 629 | 560 | 1,010 | 950 | 840 |
| EFS | EFST8-4040 | 50~4000 | 458 | 426 | 380 | 1,530 | 1,440 | 1,280 |
| EFS | EFSTB8-4040 | 50~4000 | 437 | 405 | 369 | 2,010 | 1,900 | 1,690 |
| GFS | GFST8-4040 | 50~4000 | 735 | 693 | 589 | 2,490 | 2,360 | 1,980 |
| タイプ | 型式 | Lmm | ¥基準単価 | ¥スライド単価 |
| 1~9本 | 10~20 | |||
| HFS | KHFST8-4040 | 4000 | 5,640 | 5,030 |
| HFS | KHFSTB8-4040 | 4000 | 8,130 | 7,250 |
| EFS | KEFST8-4040 | 4000 | 5,540 | 4,950 |
| EFS | KEFSTB8-4040 | 4000 | 7,230 | 6,450 |
| GFS | KGFST8-4040 | 4000 | 8,930 | 7,970 |

ミスミ
8シリーズ(溝幅10mm) ブラインドジョイント部品 後入れダブルジョイントキット
六角穴付きボルトで締結するブラインドジョイントです。通常のブラケットを使うと周辺部品との干渉が発生してしまう場合は、ブラインドジョイントをおすすめします。
通常価格、通常出荷日が表示と異なる場合がございます
通常価格、通常出荷日が表示と異なる場合がございます

ミスミ
アルミフレーム 6シリーズ 正方形 30×30mm 1列溝 4面溝
4.6通常価格(税別):966円~

ミスミ
アルミフレーム 6シリーズ Nタイプ 正方形 30×30mm 1列溝 4面溝
4.4通常価格(税別):2,361円~

ミスミ
アルミフレーム 8シリーズ 正方形 40×40mm 1列溝 4面溝
4.6通常価格(税別):1,755円~

ミスミ
アルミフレーム 8シリーズ Nタイプ 正方形 40×40mm 1列溝 4面溝
0通常価格(税別):4,317円~

ミスミ
アルミフレーム 5シリーズ 正方形 20×20mm 1列溝 4面溝
4.7通常価格(税別):549円~

ミスミ
アルミフレーム 5シリーズ Nタイプ 正方形 20×20mm 1列溝 4面溝
0通常価格(税別):1,703円~

ミスミ
アルミフレーム 6シリーズ 長方形 30×60mm 2列溝 4面溝
4.6通常価格(税別):1,667円~

ミスミ
アルミフレーム 6シリーズ Nタイプ 長方形 30×60mm 2列溝 4面溝
3通常価格(税別):4,650円~

ミスミ
アルミフレーム 8シリーズ 長方形 40×80mm 2列溝 4面溝
4.7通常価格(税別):3,543円~