17時までのご注文で最短当日出荷可能 当日出荷対象商品135万点拡大中!

メカニカル部品技術窓口

絞り込み条件

未確定:候補が30型番あります。

平ベルトコンベヤ 【CVシリーズ】高出力タイプ ヘッド駆動3溝フレーム Φ60/30

通常単価(税別)
-
税込単価
-
通常出荷日:8日目~40日目

出力90Wまで対応した、中距離搬送に適したコンベヤです。【技術コンテンツ】 ミスミはご選定のサポート、...

詳細を確認
  • モータ仕様B(オリエンタルモーター製)は、現在、モータの納期が延びているため、コンベヤ出荷日を延長しております。
  • 【販売終了情報】ベルト仕様「HY(黄緑)」は2025年3月3日に販売終了となりました。後継品はございませんので、他のベルト仕様をご選定頂けますようお願い致します。
  • 【販売終了情報】モータ仕様A(パナソニック製)は2023年6月28日に販売終了となりました。推奨代替品はモータ仕様AS(住友重機械工業製)またはモータ仕様B(オリエンタルモーター製)になります。
    【販売終了情報】INV(インダクションモータ+韓国製インバータ)仕様は2022年3月31日で販売終了となりました。推奨代替品はINVM(インダクションモータ+三菱製インバータ)仕様になります。
  • 規格表内の紫文字は2024年6月に規格を変更した商品です。
  • 当ページの価格表は23年4月時点の情報になります。最新の価格は型番確定後に「価格を確認」ボタンを押下しご確認ください。
詳細を確認
未確定:候補が30型番あります。
  • 単価(税別)
    -
  • 合計(税別)
    -
    (税込価格:-)
  • 出荷日
    -
    (参考出荷日:-)
数量:

外形図・規格表

商品情報

外形図

・メンテナンス部品を探すには、コンベヤ型番確定後、型番下に表示される「構成部品一覧」ボタンを押してください。詳しい手順はこちらをご参照ください。
CVSE
60W/90Wモータ仕様
平ベルトコンベヤ 高出力タイプ ヘッド駆動3溝フレーム φ60/30:関連画像

A*は下記参照

平ベルトコンベヤ 高出力タイプ ヘッド駆動3溝フレーム φ60/30:関連画像

フレーム断面・拡大(左右対称)

X部(M5用)

[ ! ]JIS規格の六角ナット使用可能です。
※1 L≧2005の場合、本図の位置にベルト受けローラが1個付きます。
※2 L≧4005の場合、本図の位置にベルト受けローラが2個付きます。

[ ! ]図中の寸法はベルト仕様H(厚み0.9mm)での寸法となります。ベルト厚みは、ベルト仕様によって異なるためご注意ください。
ベルト仕様はこちらをご参照ください。

[ ! ]1点へ集中的に荷重がかかるとアルミフレームに歪みが生じる可能性があります。
[ ! ]使用環境により、搬送不良が起こる可能性がございます。
[ ! ]L≧1000の場合、スタンド取付を推奨しております。スタンド追加工に関する詳細はこちらをご参照ください。
[ ! ]ベルト長さ計算式:(2L+161) / 1.002 / 1000   L=プーリ間長さ、単位:m、小数点第3位四捨五入
[ ! ]メンテナンス部品(構成部品一覧)の検索手順は>>こちらをご参照ください。

規格表

型式BLモータベルト仕様モータメーカー選択FYA
 
出力電圧仕様ギヤヘッド
減速比
CVSE300200090T100IM25HCFYA1000
CVSE300200090NVNMNHHR  (モータ・ギヤヘッドなし)
型式B
選択
L
指定5mm単位
モータ選択ベルト仕様モータメーカー選択
[ ! ]メーカーごとに価格が異なります。
FYA
(追加ザグリ穴)
指定5mm単位
出力(W)電圧(V)仕様ギヤヘッド減速比
CVSE100
200
300
400
500
440〜600060
90
T100(単相)
T200(単相)
IM
(インダクションモータ)
SCM
(スピードコントロールモータ)
5
18
60
150
7.5
25
75
180
9
30
90
12.5
36
100
15
50
120
H(一般用・緑)
W(一般用・白)
G(スライディング用・緑)
S(スライディング用・白)
D(電子部品搬送用・黒)
F(食品搬送用・白)
O(耐油仕様・紺)
N(非粘着仕様・白)
J(ベルトなし)

※モータメーカBの場合、下表の「ベルト仕様」からご選定ください。
B(オリエンタルモーター)
C(台湾製モータ)

※Cは搬送速度が20%程度低くなる可能性があります。
205<FYA<L−225
※ご指定ない場合、追加ザグリなしとなります。
S200(三相)IM(インダクションモータ)
INVM(インダクションモータ+三菱製インバータ)
NV(モータなし)NM(モータなし)NH(ギヤヘッドなし)R(モータ・ギヤヘッドなし)
[ ! ]基準搬送方向にベルトが回転するようモータ結線を行ってください。配線図・モータ・インバータ詳細は>>こちら〜参照 [ ! ]L≧2005の場合、お客様にて組立となります。
[ ! ]1個10kg以上のワークはベルト受け板を変形させる恐れがあります。

[ ! ]機長(L寸法)が2000mm以下の場合、本機は完成品の状態でのお届けとなります。2000mmを超える場合、フレームを分割してのお届けとなりますので、同梱の組立手順書に従ってお客様にて組立となります。組立手順書はコンベヤ選定サイトからもダウンロードできます。


[ ! ]
モータ・ギヤヘッドなし/ベルトなしコンベヤの指定方法については>>こちらをご参照ください。
[ ! ]モータ・ギヤヘッドなしを選択の場合、モータ取付穴ピッチはモータ出力により異なります。
[ ! ]モータ・ギヤヘッドなしを選択の場合、本機は部品状態でのお届けとなります。同梱の組立手順書に従ってお客様にて組立となります。
[ ! ]三菱製インバータ詳細は>>こちら
[ ! ]ベルト仕様に関わらず、機体を傾けたご使用は推奨しておりません。
ベルト仕様標準ベルト(本体価格のみ)オプションベルト1(+¥15,000)オプションベルト2(+¥27,500)ベルトなし(−¥20,000)
一般用
H(緑) W(白) HG(緑)
HBN(スカイブルー)

(ベルトなし)
スライディング用
G(緑) S(白)
傾斜搬送用
LG(緑) LW(白)
グリップ仕様
GG(緑) GW(白)
GSN(緑)
耐油仕様
O(紺) OH(緑) OG(緑)
OW(白) 
ON(白)
非粘着仕様
N(白) NS(白)
NB(スカイブルー) NBG(ライムグリーン)  HH(緑) HW(白)
NWN(白) NSN(スカイブルー)  NGN(ライムグリーン) HBG(緑) HBW(白) BW(白)
食品搬送用
F(白)
KW(白) KSB(スカイブルー) PHB(スカイブルー)
PHN(スカイブルー) PWN(白) KWN(白)
電子部品搬送用
D(黒) DS(黒)
DG(黒)
[ ! ]平ベルト詳細はこちら〜参照
[ ! ]モータメーカーC(台湾製モータ)は、H・W・G・S・D・F・O・NまたはJ(ベルトなし)から選定ください。
[ ! ]耐油仕様ベルトは、裏側に油が付着する環境ではご使用いただけません。
[ ! ]ベルト長さ計算式:(2L+161) / 1.002 / 1000   L=プーリ間長さ、単位:m、小数点第3位四捨五入
[ ! ]ミスミコンベヤのベルト交換手順を動画にてご紹介しています。>>こちら (参考)
[ ! ]ミスミコンベヤ共通取扱説明書は>>こちらをご参照ください。
■A寸法詳細(モータ全長)
出力(W)モータ減速比A
仕様メーカ
60Wインダクションモータオリエンタルモーター5〜180185.0
台湾製5〜75182.6
90〜180191.6
スピード
コントロール
モータ
オリエンタルモーター5〜180215.0
台湾製5〜75194.6
90〜180203.6
90Wインダクションモータオリエンタルモーター5〜180200.0
台湾製5〜75197.6
90〜180206.6
スピード
コントロール
モータ
オリエンタルモーター5〜180230.0
台湾製5〜75209.6
90〜180218.6
※モータ出力が90Wになる場合は0.5kg加算ください。

搬送能力算出

■搬送能力

*参考値

[ ! ]アキューム搬送(スライディングベルトのみ適用)の場合は
グラフの1/2以下の搬送能力でご検討ください。

[ ! ]ご使用条件によって搬送能力が異なる場合がございます。
[ ! ]このグラフは水平条件での搬送能力です。
■ギヤヘッド減速比
※搬送速度はIM(モータ回転数1500rpm(50Hz)/1800rpm(60Hz))での参考値です。
*負荷状態により減少することがあります。

*参考値

ギヤヘッド減速比ベルト速度(m/min)
50Hz60Hz
556.467.7
7.537.645.1
931.337.6
12.522.627.1
1518.822.6
1815.718.8
2511.313.5
309.411.3
367.89.4
505.66.8
604.75.6
753.84.5
903.13.8
1002.83.4
1202.42.8
1501.92.3
1801.61.9
[ ! ]モータ仕様IMの場合、上表の搬送速度で定速になります。
[ ! ]モータ仕様SCMの場合、最高速度は上表の値をご参照ください。

[ ! ]モータ仕様SCMの場合、(1/15)×(最大速度)まで調整出来ます。
速度の低下に伴い、搬送可能重量が低下します。

[ ! ]モータのW数、ギヤヘッド減速比の選び方、搬送能力表の見方などは >>こちらをご参照ください。
[ ! ]その他コンベヤの選定方法については>>こちらをご参照ください。

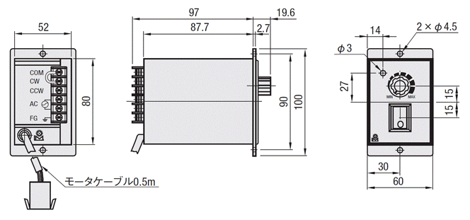
■オリエンタルモータスピードコントローラ外形図
60W/90W共通

コントロールユニット裏面

単相100V用プラグ(付属品)
(単相200V用はリード線)

コンデンサ

接地(アース用リード線:緑)

*図の接続でモータ軸は時計方向に回転します。
 点線の位置に差し替えると反時計方向に回転します。

[ ! ]コンデンサ単品はミスミでのお取り扱いはありません。

延長の中間ケーブルは、別でご購入ください。

■台湾モータスピードコントローラ外形図

[ ! ]モータケーブルは延長できません。

[ ! ]スピードコントロールモータには、スピードコントローラ用取付ブラケットは付属しておりません。スピードコントローラ用ブラケットをお求めの際は、追加工[SCB]をご選定ください。
[ ! ]スピードコントローラ用ブラケットを単品でご購入の場合は、型式[P1-JTEA-17152952]を「見積・注文」画面に直接ご入力頂きご購入ください。
[ ! ]スピードコントローラを外部から制御する入力端子はありません。
■スピードコントロールモータ型番
モータオリエンタルモータ台湾製モータ
モータユニット型番 ギヤヘッド型番 モータユニット型番 ギヤヘッド型番 
出力仕様電圧 ※□には減速比が入ります ※□には減速比が入ります
60Wスピードコントロールモータ単相100VUS560-501C5GU□□KBPACMSV-UT90-W60-V100PACMGZT90-□□
単相200VUS560-502CPACMSV-UT90-W60-V200
単相110V・115VUS560-501U2PACMSVW-UT90-W60-V110
単相220V・230VUS560-502E2PACMSVW-UT90-W60-V220
90Wスピードコントロールモータ単相100VUS590-501C5GU□□KBPACMSV-UT90-W90-V100PACMGZT90-□□
単相200VUS590-502CPACMSV-UT90-W90-V200
単相110V・115VUS590-501U2PACMSVW-UT90-W90-V110
単相220V・230VUS590-502E2PACMSVW-UT90-W90-V220
備考 

[ ! ]スピードコントロールモータには次のものが含まれています。
モーター、スピードコントロールユニット、コンデンサ*、
スピードコントロール用取り付けねじ、取扱説明書
*60W、90Wのみ。(単品販売はありません。)

[ ! ]スピードコントロールモータには次のものが含まれています。
モーター、スピードコントロールユニット

[ NG ]スピードコントロールモータのモータケーブルは延長できません。
■オリエンタルモータ製スピードコントロールモータ用 延長用接続ケーブル(別売り)
モータ
出力
延長用接続ケーブル型番
長さ
単相100V、単相200V
単相110V、単相115V
単相220V、単相230V
60W
90W
1m

モーター側

コントロールユニット側

モーター側

スピードコントローラ側

2m
3m
4m
 
・継ぎ足しできるケーブルの最大延長距離は4mです。
・継ぎ足しできるケーブルの最大延長距離は10mです。
[ ! ]台湾製スピードコントロールモータのモータケーブルは延長できません。
■コンベヤ 溝部適用ナット
挿入位置全機長に標準ザグリ穴がある為、ナットの挿入も付属もありません
JIS規格の六角ナット使用可能です(別売)
後入れナット(別売)
加工・分解無しで挿入可能
品名型番ねじの呼びピッチ品名型番ねじの呼びピッチ
X部JIS1種六角ナットLBNR5M5
(並目)
0.8コンベヤ用後入れナット
(10個入り)
PACK-CHNT5-4M4
(並目)
0.7
 PACK-CHNT5-3M3
(並目)
0.5

メンテナンス部品検索(構成部品一覧)

メンテナンス部品を探すには
 ①コンベヤ型番確定後、型番下に表示される「構成部品一覧」ボタンを押してください。

 ②構成部品一覧と展開図(立体分解図)が表示されます。
 ③展開図にて必要部品の展開図番号を確認し、構成部品一覧からお選び・ご購入いただけます。

[ ! ]「構成部品一覧」からご注文いただけない部品は、コンベヤ型番・展開図番号・数量を指定し、
カタログ規格外品サービスにてお見積り・お問い合わせください。
[ ! ]ミスミコンベヤのメンテナンス部品検索の方法は>>こちらでもご確認いただけます。
規格外品サービスへのご案内
特注お見積もりおよびご注文を承っております。
製作可否を含めたお見積もりとなるため、製作が不可能な場合もございます。予めご了承ください。

・寸法が記載されているポンチ絵、2DCAD図などを所持している場合は 「2D図面加工品」 へお見積もりをご依頼ください。
・標準品で取り扱いのないサイズ変更や追加工をご希望の場合は図面の有無を問わず「カタログ規格外品」へお見積もりをご依頼ください。
※お見積もりご回答までに3~5営業日(土日・祝日含まず)をいただいております。
規格外品サービスによくある質問
※上記FAQにて問題・疑問点が解決しない場合は規格外品ページ右上にある 「お問合せフォーム」 より問い合わせください。

コンベヤ構成部品

平ベルトコンベヤ 高出力タイプ ヘッド駆動3溝フレーム φ60/30 関連画像1_コンベア構成部品
平ベルトコンベヤ 高出力タイプ ヘッド駆動3溝フレーム φ60/30 関連画像2_コンベア構成部品
 
平ベルトコンベヤ 高出力タイプ ヘッド駆動3溝フレーム φ60/30 関連画像3_コンベア構成部品
平ベルトコンベヤ 高出力タイプ ヘッド駆動3溝フレーム φ60/30 関連画像4_コンベア構成部品
 

追加工

追加工
コード
追加工内容適用条件指定例\/1Code
MKモータ位置勝手違い
モータ位置が変更できます。
ヘッド駆動タイプのみ指定できます。
〈指定方法〉:MK

[ ! ]一部機種はMKを追加することにより、関連する部品も変更されます。

CVSE-300-2000-90-
T100-IM-25-H-C-FYA1000-MK
6,000
SCBスピードコントローラ用ブラケット付属
(ブラシレスモータのコントローラにも適用可)

<スピードコントローラブラケット規格図>

②高出力コンベヤ/
プラチェーンコンベヤシリーズ用

スピードコントローラ用の取付ブラケットを付属します。
〈指定方法〉: SCB
パナソニック・オリエンタル・台湾製モータのコントローラに対応します。
[ ! ]ブラケット取付用ねじ2個付属

[ ! ]コントローラ取付用ねじ(M4x8)2本付属

[ ! ]コンベヤによっては、スペース上取り付かない場合があります。

[ ! ]コンベヤ型式やモータ仕様によりブラケットの形状が異なります。

[ NG ]海外電圧TA100、TA110、TA115、TA200、TA220、TA230におけるパナソニック製スピードコントローラに適用不可。

CVSE-300-2000-90-
T100-IM-25-H-C-FYA1000-SCB
800
ANT□後入れナット付属
ミスミコンベヤフレーム溝用の後入れナットを付属します。
材質:SUS316相当・焼結
〈指定方法〉:
ANT5-Q8-4
[ ! ]後入れナット詳細はこちら
Codeナット数量QM付属品(1本)
セットスクリュー
AT
ANT5
(M5溝用)

8
12

4
M4×54.974
ANT6
(M6溝用)

4
5
M4×65.984.5
CVSE-300-2000-90-
T100-IM-25-H-C-FYA1000-ANT5-Q8-4
カット数量
Q
¥基準単価
4300
8500
12700
TBM端子箱付モータ

■オリエンタル仕様

インダクションモータを端子箱付きのタイプに変更します。
〈指定方法〉:TBM
[ ! ]オリエンタル仕様のみ選定可能。
※5日目商品は納期が+3日となります。
CVSE-300-2000-90-
T100-IM-25-H-C-FYA1000-TBM
5,000
追加工
コード
コンベヤ用スタンド追加適用条件指定例
NA□■コンベヤスタンドI型
ベルト幅≦140mm
(アジャスタボルトタイプ、スタンド□台+補強材)

*1 D寸法対応表
B30~8090~140
D200280
[ ! ]Bはベルト幅
コンベヤにコンベヤ用スタンドを追加します。
〈指定方法〉:
NA1-H750-PN
WA3-H1200-P400
 

[ ! ]コンベヤ本体の溝サイズに合わせたボルト・ナットが付属します。

[ ! ]プーリ間機長L寸≧1000(GVシリーズはL寸≧1400)の場合、2本以上のスタンド取付を推奨しております。

[ ! ]コンベヤ用スタンド1台に図面一点鎖線部が(□-1)台追加された仕様です。

[ ! ]納期はコンベヤの標準納期と同一
 
 ①ブラケット②アルミ
フレーム
③アジャスト
ボルト
④アルミ
フレーム
[ M ]材質NASUS304アルミ材スチールアルミ材
WAスチール
[ S ]表面処理NA2Bアルマイト
処理
三価
クロメート
アルマイト
処理
WA三価クロメート
 ⑤ブラケット⑥受け板⑦フット
ベース
 
[ M ]材質NAアルミ材スチール 
WAスチール 
[ S ]表面処理NAアルマイト
処理
三価
クロメート
 
WA三価
クロメート
 

■NA□・WA□取付寸法表
対応型式CX・Y
CVSE・CVSF35B+51
CVSX・CVSY
*Bはベルト幅、Cは搬送面までの寸法
*取付箇所は下溝を想定した寸法
 
Codeスタンド数高さHピッチP
NA
WA
1300~
1300
300~
2000
2
3
4
[ ! ]H寸、P寸10mm単位指定可能

[ ! ]□=1の場合、④アルミフレーム、⑤ブラケットは付属しません。

[ ! ]□=1の場合自立しません。

[ ! ]□≧2の場合に④アルミフレームが不要の場合は本追加工ではなく、単品のCSTS、CSTWをご注文ください。
こちら,およびこちら

[ ! ]スタンドは部品を分割して発送いたします。お客様にて組立が必要です。

[ NG ]GVシリーズの場合、NA3、NA4、WA3、WA4は適用不可

CVSE-100-2000-90-
T100-IM-25-H-C-FYA1000-NA1-H800-PN
WA□■コンベヤスタンドH型
ベルト幅≧150mm
(アジャスタボルトタイプ、スタンド□台+補強材)
CVSE-300-2000-90-
T100-IM-25-H-C-FYA1000-WA2-H800-P500
\/1Code
スタンド合計金額は(基準単価+追加スタンド価格x(□-1)となります。

 

〈基準単価〉

+

〈追加スタンド価格〉

=

〈スタンド合計金額〉

例)NA1-H800-PN

6,860円

+

0円

=

6,860円

例)NA3-H1000-P900

7,470円

+

10,260x(3-1)円

=

27,990円

 
コンベヤ用スタンドI型(NA□)
H\基準単価追加スタンド価格
PNP300~590P600~990P1000~1590P1600~2000
300~4905,99008,0708,7809,77010,490
500~6906,34008,4209,13010,12010,840
700~9906,86008,9409,65010,64011,360
1000~13007,47009,55010,26011,25011,970
[ ! ]□=1の場合、PNをご指定ください。
コンベヤ用スタンドH型(WA□)
H\基準単価追加スタンド価格
PNP300~590P600~990P1000~1590P1600~2000
300~4908,50009,99010,80011,79012,510
500~6909,020010,51011,32012,31013,030
700~99011,080012,57013,38014,37015,090
1000~130011,680013,17013,98014,97015,690
[ ! ]□=1の場合、PNをご指定ください。

価格表

・下表の価格表は23年4月時点の情報になります。
・最新の価格は型番確定後に「価格を確認」ボタンを押下しご確認ください。
型式B¥本体価格 1〜5コ
L440〜600L605〜800L805〜1000L1005〜1200L1205〜1400L1405〜1600L1605〜1800L1805〜2000L2005〜2200L2205〜2400L2405〜2600L2605〜2800L2805〜3000L3005〜3250L3255〜3500L3505〜3750L3755〜4000L4005〜4250L4255〜4500L4505〜5000L5005〜5500L5505〜6000
CVSE100142,170143,850145,640152,250153,930155,930157,920160,230206,010208,110209,160210,210211,160230,270232,050233,420237,720259,040261,350264,290280,560283,500
200155,190158,030165,690167,580169,370171,150178,080221,760223,970225,330227,540228,900249,690251,370254,000258,720282,030285,290288,860306,600310,800
300178,400180,810183,120185,430193,100238,250241,190242,870245,910247,590270,060272,160275,630280,880306,080309,540315,000334,110339,680
400201,920204,860207,900210,840257,990261,980263,970267,860269,960294,210296,840301,250306,920332,960337,470344,400365,400372,440
500221,550225,120274,370278,990281,400286,020288,440314,370317,420322,670328,760355,530360,890369,080391,650399,950
[ ! ]表示数量超えはWOSにてご確認ください。

[ ! ]価格表にて「−」が付いているサイズはお取り扱いがございません。
取り扱いなし型番例:CVSE-300-800-60-T100-IM-15-G-B

モータ
仕様価格
モータ出力仕様B(オリエンタルモーター)C(台湾製モータ)R(モータ・ギヤヘッドなし)
60W
90W
IM本体価格+¥13,000本体価格のみ本体価格-¥8,000
SCM本体価格+¥23,000本体価格+¥10,000
INVM本体価格+¥22,400本体価格+¥ 9,400
 
ベルト
仕様価格
標準ベルトオプションベルト1オプションベルト2ベルトなし
本体価格のみ本体価格+¥15,000本体価格+¥27,500本体価格−¥20,000
数量スライド価格 [ ! ]1円未満切り捨て) こちら
数量区分標準対応個別対応
小口大口大口
数 量1〜23〜56〜
値引率基準単価基準単価お見積り
出荷日通常+4日
[ ! ]表示数量超えはWOSにてご確認ください。

納期

 8 日目出荷
[ ! ]コンベヤは大型商品の為、地域とサイズによっては他商品と着日が異なる可能性がございます。
[ ! ]本商品の稼働日は、土曜、祝日を含みません。
出荷日については、こちらをご覧ください。

関連商品

商品名高出力タイプ ヘッド駆動3溝フレーム φ60/30高出力タイプ 蛇行抑制桟付中間駆動3溝フレーム φ60/30高出力タイプ 中間駆動3溝フレーム φ60/30高出力タイプ 蛇行抑制桟付ヘッド駆動3溝フレーム φ60/30
写真

平ベルトコンベヤ 高出力タイプ ヘッド駆動3溝フレーム φ60/30 関連画像1_関連商品

平ベルトコンベヤ 高出力タイプ ヘッド駆動3溝フレーム φ60/30 関連画像2_関連商品

平ベルトコンベヤ 高出力タイプ ヘッド駆動3溝フレーム φ60/30 関連画像3_関連商品

平ベルトコンベヤ 高出力タイプ ヘッド駆動3溝フレーム φ60/30 関連画像4_関連商品

駆動種類ヘッド駆動中間駆動中間駆動ヘッド駆動
最大搬送重量(kg)50505050

関連ページリンク

■選定ガイド
・選定手順などの選定方法は こちら

 

■モータ詳細
・モータ仕様・結線図は こちら

 

■オプション部品
・スタンド・ガイド・ホッパなどのオプション部品は こちら

 

■コンベヤ総合情報
・商品情報、技術情報などコンベヤ全般については こちら

 

注意事項

  • 逆搬送は、推奨しておりません。
  •  

型番リスト

表示件数
型番

ベルト幅/ピッチ B

(mm)

プーリ間長さ L(mm)

モータ仕様

モータ出力

(W)

モータ電圧 T (単相) ※日本向け

(V)

モータ電圧 S (三相) ※日本向け

(V)

モータ電圧 TA (単相)※インターナショナル

(V)

モータ電圧 SA (三相)※インターナショナル

(V)

モータ電圧(モータなし)

モータメーカー選択

ギヤヘッド減速比

ベルト仕様

最小発注数量
100 ~ 500
440 ~ 6000
インダクションモータ [IM] / インダクションモータ+三菱製インバータ [INVM] / スピードコントロールモータ [SCM] / モータなし [NM]
60 ~ 90
-
-
-
-
モータなし [NV]
[C] 台湾製モータ / [R] モータ・ギヤヘッドなし
5 / 7.5 / 9 / 12.5 / 15 / 18 / 25 / 30 / 36 / 50 / 60 / 75 / 90 / 100 / 120 / 150 / 180 / ギヤヘッドなし [NH]
1.ベルトなし [J] -\20000 / 2.一般用・緑 [H] / 3.一般用・白 [W] / 4.一般用・緑 [HG] / 6.一般用・スカイブルー [HBN] +\27500 / 7.スライディング用・緑 [G] / 8.スライディング用・白 [S] / 9.傾斜搬送用・緑 [LG] / 10.傾斜搬送用・白 [LW] / 11.グリップ仕様・緑 [GG] +\15000 / 12.グリップ仕様・白 [GW] +\15000 / 13.グリップ仕様・緑 [GSN] +\27500 / 14.耐油仕様・紺 [O] / 15.耐油仕様・緑 [OH] / 16.耐油仕様・緑 [OG] / 17.耐油仕様・白 [OW] +\15000 / 18.耐油仕様・白 [ON] +5500 / 19.非粘着仕様・白 [N] / 20.非粘着仕様・白 [NS] / 21.非粘着仕様・スカイブルー [NB] +\15000 / 22.非粘着仕様・ライムグリーン [NBG] +\15000 / 23.非粘着仕様・緑 [HH] +\15000 / 24.非粘着仕様・白 [HW] +\15000 / 25.非粘着仕様・白 [NWN] +\27500 / 26.非粘着仕様・スカイブルー [NSN] +\27500 / 27.非粘着仕様・ライムグリーン [NGN] +\27500 / 28.非粘着仕様・緑 [HBG] +\27500 / 29.非粘着仕様・白 [HBW] +\27500 / 30.非粘着仕様・白 [BW] +\27500 / 31.食品搬送用・白 [F] / 32.食品搬送用・白 [KW] +\15000 / 33.食品搬送用・スカイブルー [KSB] +\15000 / 36.食品搬送用・白 [PWN] +\27500 / 37.食品搬送用・白 [KWN] +\27500 / 38.電子部品搬送用・黒 [D] / 39.電子部品搬送用・黒 [DS] / 40.電子部品搬送用・黒 [DG] +\27500
1個
100 ~ 500
440 ~ 6000
インダクションモータ [IM] / インダクションモータ+三菱製インバータ [INVM] / スピードコントロールモータ [SCM] / モータなし [NM]
60 ~ 90
-
-
-
-
モータなし [NV]
[B] オリエンタルモーター
5 / 7.5 / 9 / 12.5 / 15 / 18 / 25 / 30 / 36 / 50 / 60 / 75 / 90 / 100 / 120 / 150 / 180 / ギヤヘッドなし [NH]
1.ベルトなし [J] -\20000 / 2.一般用・緑 [H] / 3.一般用・白 [W] / 4.一般用・緑 [HG] / 6.一般用・スカイブルー [HBN] +\27500 / 7.スライディング用・緑 [G] / 8.スライディング用・白 [S] / 9.傾斜搬送用・緑 [LG] / 10.傾斜搬送用・白 [LW] / 11.グリップ仕様・緑 [GG] +\15000 / 12.グリップ仕様・白 [GW] +\15000 / 13.グリップ仕様・緑 [GSN] +\27500 / 14.耐油仕様・紺 [O] / 15.耐油仕様・緑 [OH] / 16.耐油仕様・緑 [OG] / 17.耐油仕様・白 [OW] +\15000 / 18.耐油仕様・白 [ON] +5500 / 19.非粘着仕様・白 [N] / 20.非粘着仕様・白 [NS] / 21.非粘着仕様・スカイブルー [NB] +\15000 / 22.非粘着仕様・ライムグリーン [NBG] +\15000 / 23.非粘着仕様・緑 [HH] +\15000 / 24.非粘着仕様・白 [HW] +\15000 / 25.非粘着仕様・白 [NWN] +\27500 / 26.非粘着仕様・スカイブルー [NSN] +\27500 / 27.非粘着仕様・ライムグリーン [NGN] +\27500 / 28.非粘着仕様・緑 [HBG] +\27500 / 29.非粘着仕様・白 [HBW] +\27500 / 30.非粘着仕様・白 [BW] +\27500 / 31.食品搬送用・白 [F] / 32.食品搬送用・白 [KW] +\15000 / 33.食品搬送用・スカイブルー [KSB] +\15000 / 36.食品搬送用・白 [PWN] +\27500 / 37.食品搬送用・白 [KWN] +\27500 / 38.電子部品搬送用・黒 [D] / 39.電子部品搬送用・黒 [DS] / 40.電子部品搬送用・黒 [DG] +\27500
1個
100 ~ 500
440 ~ 6000
インダクションモータ [IM] / インダクションモータ+三菱製インバータ [INVM] / スピードコントロールモータ [SCM] / モータなし [NM]
60 ~ 90
-
-
-
-
モータなし [NV]
[C] 台湾製モータ / [R] モータ・ギヤヘッドなし
5 / 7.5 / 9 / 12.5 / 15 / 18 / 25 / 30 / 36 / 50 / 60 / 75 / 90 / 100 / 120 / 150 / 180 / ギヤヘッドなし [NH]
34.食品搬送用・スカイブルー [PHB] +\15000
1個
100 ~ 500
440 ~ 6000
インダクションモータ [IM] / インダクションモータ+三菱製インバータ [INVM] / スピードコントロールモータ [SCM] / モータなし [NM]
60 ~ 90
-
-
-
-
モータなし [NV]
[B] オリエンタルモーター
5 / 7.5 / 9 / 12.5 / 15 / 18 / 25 / 30 / 36 / 50 / 60 / 75 / 90 / 100 / 120 / 150 / 180 / ギヤヘッドなし [NH]
34.食品搬送用・スカイブルー [PHB] +\15000
1個
100 ~ 500
440 ~ 6000
インダクションモータ [IM] / インダクションモータ+三菱製インバータ [INVM] / スピードコントロールモータ [SCM] / モータなし [NM]
60 ~ 90
-
-
-
-
モータなし [NV]
[C] 台湾製モータ / [R] モータ・ギヤヘッドなし
5 / 7.5 / 9 / 12.5 / 15 / 18 / 25 / 30 / 36 / 50 / 60 / 75 / 90 / 100 / 120 / 150 / 180 / ギヤヘッドなし [NH]
35.食品搬送用・スカイブルー [PHN] +\27500
1個
100 ~ 500
440 ~ 6000
インダクションモータ [IM] / インダクションモータ+三菱製インバータ [INVM] / スピードコントロールモータ [SCM] / モータなし [NM]
60 ~ 90
-
-
-
-
モータなし [NV]
[B] オリエンタルモーター
5 / 7.5 / 9 / 12.5 / 15 / 18 / 25 / 30 / 36 / 50 / 60 / 75 / 90 / 100 / 120 / 150 / 180 / ギヤヘッドなし [NH]
35.食品搬送用・スカイブルー [PHN] +\27500
1個
100 ~ 500
440 ~ 6000
インダクションモータ [IM] / インダクションモータ+三菱製インバータ [INVM] / スピードコントロールモータ [SCM] / モータなし [NM]
60 ~ 90
-
200
-
-
-
[C] 台湾製モータ / [R] モータ・ギヤヘッドなし
5 / 7.5 / 9 / 12.5 / 15 / 18 / 25 / 30 / 36 / 50 / 60 / 75 / 90 / 100 / 120 / 150 / 180 / ギヤヘッドなし [NH]
1.ベルトなし [J] -\20000 / 2.一般用・緑 [H] / 3.一般用・白 [W] / 4.一般用・緑 [HG] / 6.一般用・スカイブルー [HBN] +\27500 / 7.スライディング用・緑 [G] / 8.スライディング用・白 [S] / 9.傾斜搬送用・緑 [LG] / 10.傾斜搬送用・白 [LW] / 11.グリップ仕様・緑 [GG] +\15000 / 12.グリップ仕様・白 [GW] +\15000 / 13.グリップ仕様・緑 [GSN] +\27500 / 14.耐油仕様・紺 [O] / 15.耐油仕様・緑 [OH] / 16.耐油仕様・緑 [OG] / 17.耐油仕様・白 [OW] +\15000 / 18.耐油仕様・白 [ON] +5500 / 19.非粘着仕様・白 [N] / 20.非粘着仕様・白 [NS] / 21.非粘着仕様・スカイブルー [NB] +\15000 / 22.非粘着仕様・ライムグリーン [NBG] +\15000 / 23.非粘着仕様・緑 [HH] +\15000 / 24.非粘着仕様・白 [HW] +\15000 / 25.非粘着仕様・白 [NWN] +\27500 / 26.非粘着仕様・スカイブルー [NSN] +\27500 / 27.非粘着仕様・ライムグリーン [NGN] +\27500 / 28.非粘着仕様・緑 [HBG] +\27500 / 29.非粘着仕様・白 [HBW] +\27500 / 30.非粘着仕様・白 [BW] +\27500 / 31.食品搬送用・白 [F] / 32.食品搬送用・白 [KW] +\15000 / 33.食品搬送用・スカイブルー [KSB] +\15000 / 36.食品搬送用・白 [PWN] +\27500 / 37.食品搬送用・白 [KWN] +\27500 / 38.電子部品搬送用・黒 [D] / 39.電子部品搬送用・黒 [DS] / 40.電子部品搬送用・黒 [DG] +\27500
1個
100 ~ 500
440 ~ 6000
インダクションモータ [IM] / インダクションモータ+三菱製インバータ [INVM] / スピードコントロールモータ [SCM] / モータなし [NM]
60 ~ 90
-
200
-
-
-
[B] オリエンタルモーター
5 / 7.5 / 9 / 12.5 / 15 / 18 / 25 / 30 / 36 / 50 / 60 / 75 / 90 / 100 / 120 / 150 / 180 / ギヤヘッドなし [NH]
1.ベルトなし [J] -\20000 / 2.一般用・緑 [H] / 3.一般用・白 [W] / 4.一般用・緑 [HG] / 6.一般用・スカイブルー [HBN] +\27500 / 7.スライディング用・緑 [G] / 8.スライディング用・白 [S] / 9.傾斜搬送用・緑 [LG] / 10.傾斜搬送用・白 [LW] / 11.グリップ仕様・緑 [GG] +\15000 / 12.グリップ仕様・白 [GW] +\15000 / 13.グリップ仕様・緑 [GSN] +\27500 / 14.耐油仕様・紺 [O] / 15.耐油仕様・緑 [OH] / 16.耐油仕様・緑 [OG] / 17.耐油仕様・白 [OW] +\15000 / 18.耐油仕様・白 [ON] +5500 / 19.非粘着仕様・白 [N] / 20.非粘着仕様・白 [NS] / 21.非粘着仕様・スカイブルー [NB] +\15000 / 22.非粘着仕様・ライムグリーン [NBG] +\15000 / 23.非粘着仕様・緑 [HH] +\15000 / 24.非粘着仕様・白 [HW] +\15000 / 25.非粘着仕様・白 [NWN] +\27500 / 26.非粘着仕様・スカイブルー [NSN] +\27500 / 27.非粘着仕様・ライムグリーン [NGN] +\27500 / 28.非粘着仕様・緑 [HBG] +\27500 / 29.非粘着仕様・白 [HBW] +\27500 / 30.非粘着仕様・白 [BW] +\27500 / 31.食品搬送用・白 [F] / 32.食品搬送用・白 [KW] +\15000 / 33.食品搬送用・スカイブルー [KSB] +\15000 / 36.食品搬送用・白 [PWN] +\27500 / 37.食品搬送用・白 [KWN] +\27500 / 38.電子部品搬送用・黒 [D] / 39.電子部品搬送用・黒 [DS] / 40.電子部品搬送用・黒 [DG] +\27500
1個
100 ~ 500
440 ~ 6000
インダクションモータ [IM] / インダクションモータ+三菱製インバータ [INVM] / スピードコントロールモータ [SCM] / モータなし [NM]
60 ~ 90
-
200
-
-
-
[C] 台湾製モータ / [R] モータ・ギヤヘッドなし
5 / 7.5 / 9 / 12.5 / 15 / 18 / 25 / 30 / 36 / 50 / 60 / 75 / 90 / 100 / 120 / 150 / 180 / ギヤヘッドなし [NH]
34.食品搬送用・スカイブルー [PHB] +\15000
1個
100 ~ 500
440 ~ 6000
インダクションモータ [IM] / インダクションモータ+三菱製インバータ [INVM] / スピードコントロールモータ [SCM] / モータなし [NM]
60 ~ 90
-
200
-
-
-
[B] オリエンタルモーター
5 / 7.5 / 9 / 12.5 / 15 / 18 / 25 / 30 / 36 / 50 / 60 / 75 / 90 / 100 / 120 / 150 / 180 / ギヤヘッドなし [NH]
34.食品搬送用・スカイブルー [PHB] +\15000
1個
100 ~ 500
440 ~ 6000
インダクションモータ [IM] / インダクションモータ+三菱製インバータ [INVM] / スピードコントロールモータ [SCM] / モータなし [NM]
60 ~ 90
-
200
-
-
-
[C] 台湾製モータ / [R] モータ・ギヤヘッドなし
5 / 7.5 / 9 / 12.5 / 15 / 18 / 25 / 30 / 36 / 50 / 60 / 75 / 90 / 100 / 120 / 150 / 180 / ギヤヘッドなし [NH]
35.食品搬送用・スカイブルー [PHN] +\27500
1個
100 ~ 500
440 ~ 6000
インダクションモータ [IM] / インダクションモータ+三菱製インバータ [INVM] / スピードコントロールモータ [SCM] / モータなし [NM]
60 ~ 90
-
200
-
-
-
[B] オリエンタルモーター
5 / 7.5 / 9 / 12.5 / 15 / 18 / 25 / 30 / 36 / 50 / 60 / 75 / 90 / 100 / 120 / 150 / 180 / ギヤヘッドなし [NH]
35.食品搬送用・スカイブルー [PHN] +\27500
1個
100 ~ 500
440 ~ 6000
インダクションモータ [IM] / インダクションモータ+三菱製インバータ [INVM] / スピードコントロールモータ [SCM] / モータなし [NM]
60 ~ 90
-
-
-
200 ~ 230
-
[C] 台湾製モータ / [R] モータ・ギヤヘッドなし
5 / 7.5 / 9 / 12.5 / 15 / 18 / 25 / 30 / 36 / 50 / 60 / 75 / 90 / 100 / 120 / 150 / 180 / ギヤヘッドなし [NH]
1.ベルトなし [J] -\20000 / 2.一般用・緑 [H] / 3.一般用・白 [W] / 4.一般用・緑 [HG] / 6.一般用・スカイブルー [HBN] +\27500 / 7.スライディング用・緑 [G] / 8.スライディング用・白 [S] / 9.傾斜搬送用・緑 [LG] / 10.傾斜搬送用・白 [LW] / 11.グリップ仕様・緑 [GG] +\15000 / 12.グリップ仕様・白 [GW] +\15000 / 13.グリップ仕様・緑 [GSN] +\27500 / 14.耐油仕様・紺 [O] / 15.耐油仕様・緑 [OH] / 16.耐油仕様・緑 [OG] / 17.耐油仕様・白 [OW] +\15000 / 18.耐油仕様・白 [ON] +5500 / 19.非粘着仕様・白 [N] / 20.非粘着仕様・白 [NS] / 21.非粘着仕様・スカイブルー [NB] +\15000 / 22.非粘着仕様・ライムグリーン [NBG] +\15000 / 23.非粘着仕様・緑 [HH] +\15000 / 24.非粘着仕様・白 [HW] +\15000 / 25.非粘着仕様・白 [NWN] +\27500 / 26.非粘着仕様・スカイブルー [NSN] +\27500 / 27.非粘着仕様・ライムグリーン [NGN] +\27500 / 28.非粘着仕様・緑 [HBG] +\27500 / 29.非粘着仕様・白 [HBW] +\27500 / 30.非粘着仕様・白 [BW] +\27500 / 31.食品搬送用・白 [F] / 32.食品搬送用・白 [KW] +\15000 / 33.食品搬送用・スカイブルー [KSB] +\15000 / 36.食品搬送用・白 [PWN] +\27500 / 37.食品搬送用・白 [KWN] +\27500 / 38.電子部品搬送用・黒 [D] / 39.電子部品搬送用・黒 [DS] / 40.電子部品搬送用・黒 [DG] +\27500
1個
100 ~ 500
440 ~ 6000
インダクションモータ [IM] / インダクションモータ+三菱製インバータ [INVM] / スピードコントロールモータ [SCM] / モータなし [NM]
60 ~ 90
-
-
-
200 ~ 230
-
[B] オリエンタルモーター
5 / 7.5 / 9 / 12.5 / 15 / 18 / 25 / 30 / 36 / 50 / 60 / 75 / 90 / 100 / 120 / 150 / 180 / ギヤヘッドなし [NH]
1.ベルトなし [J] -\20000 / 2.一般用・緑 [H] / 3.一般用・白 [W] / 4.一般用・緑 [HG] / 6.一般用・スカイブルー [HBN] +\27500 / 7.スライディング用・緑 [G] / 8.スライディング用・白 [S] / 9.傾斜搬送用・緑 [LG] / 10.傾斜搬送用・白 [LW] / 11.グリップ仕様・緑 [GG] +\15000 / 12.グリップ仕様・白 [GW] +\15000 / 13.グリップ仕様・緑 [GSN] +\27500 / 14.耐油仕様・紺 [O] / 15.耐油仕様・緑 [OH] / 16.耐油仕様・緑 [OG] / 17.耐油仕様・白 [OW] +\15000 / 18.耐油仕様・白 [ON] +5500 / 19.非粘着仕様・白 [N] / 20.非粘着仕様・白 [NS] / 21.非粘着仕様・スカイブルー [NB] +\15000 / 22.非粘着仕様・ライムグリーン [NBG] +\15000 / 23.非粘着仕様・緑 [HH] +\15000 / 24.非粘着仕様・白 [HW] +\15000 / 25.非粘着仕様・白 [NWN] +\27500 / 26.非粘着仕様・スカイブルー [NSN] +\27500 / 27.非粘着仕様・ライムグリーン [NGN] +\27500 / 28.非粘着仕様・緑 [HBG] +\27500 / 29.非粘着仕様・白 [HBW] +\27500 / 30.非粘着仕様・白 [BW] +\27500 / 31.食品搬送用・白 [F] / 32.食品搬送用・白 [KW] +\15000 / 33.食品搬送用・スカイブルー [KSB] +\15000 / 36.食品搬送用・白 [PWN] +\27500 / 37.食品搬送用・白 [KWN] +\27500 / 38.電子部品搬送用・黒 [D] / 39.電子部品搬送用・黒 [DS] / 40.電子部品搬送用・黒 [DG] +\27500
1個
100 ~ 500
440 ~ 6000
インダクションモータ [IM] / インダクションモータ+三菱製インバータ [INVM] / スピードコントロールモータ [SCM] / モータなし [NM]
60 ~ 90
-
-
-
200 ~ 230
-
[C] 台湾製モータ / [R] モータ・ギヤヘッドなし
5 / 7.5 / 9 / 12.5 / 15 / 18 / 25 / 30 / 36 / 50 / 60 / 75 / 90 / 100 / 120 / 150 / 180 / ギヤヘッドなし [NH]
34.食品搬送用・スカイブルー [PHB] +\15000
1個
100 ~ 500
440 ~ 6000
インダクションモータ [IM] / インダクションモータ+三菱製インバータ [INVM] / スピードコントロールモータ [SCM] / モータなし [NM]
60 ~ 90
-
-
-
200 ~ 230
-
[B] オリエンタルモーター
5 / 7.5 / 9 / 12.5 / 15 / 18 / 25 / 30 / 36 / 50 / 60 / 75 / 90 / 100 / 120 / 150 / 180 / ギヤヘッドなし [NH]
34.食品搬送用・スカイブルー [PHB] +\15000
1個
100 ~ 500
440 ~ 6000
インダクションモータ [IM] / インダクションモータ+三菱製インバータ [INVM] / スピードコントロールモータ [SCM] / モータなし [NM]
60 ~ 90
-
-
-
200 ~ 230
-
[C] 台湾製モータ / [R] モータ・ギヤヘッドなし
5 / 7.5 / 9 / 12.5 / 15 / 18 / 25 / 30 / 36 / 50 / 60 / 75 / 90 / 100 / 120 / 150 / 180 / ギヤヘッドなし [NH]
35.食品搬送用・スカイブルー [PHN] +\27500
1個
100 ~ 500
440 ~ 6000
インダクションモータ [IM] / インダクションモータ+三菱製インバータ [INVM] / スピードコントロールモータ [SCM] / モータなし [NM]
60 ~ 90
-
-
-
200 ~ 230
-
[B] オリエンタルモーター
5 / 7.5 / 9 / 12.5 / 15 / 18 / 25 / 30 / 36 / 50 / 60 / 75 / 90 / 100 / 120 / 150 / 180 / ギヤヘッドなし [NH]
35.食品搬送用・スカイブルー [PHN] +\27500
1個
100 ~ 500
440 ~ 6000
インダクションモータ [IM] / インダクションモータ+三菱製インバータ [INVM] / スピードコントロールモータ [SCM] / モータなし [NM]
60 ~ 90
100 ~ 200
-
-
-
-
[C] 台湾製モータ / [R] モータ・ギヤヘッドなし
5 / 7.5 / 9 / 12.5 / 15 / 18 / 25 / 30 / 36 / 50 / 60 / 75 / 90 / 100 / 120 / 150 / 180 / ギヤヘッドなし [NH]
1.ベルトなし [J] -\20000 / 2.一般用・緑 [H] / 3.一般用・白 [W] / 4.一般用・緑 [HG] / 6.一般用・スカイブルー [HBN] +\27500 / 7.スライディング用・緑 [G] / 8.スライディング用・白 [S] / 9.傾斜搬送用・緑 [LG] / 10.傾斜搬送用・白 [LW] / 11.グリップ仕様・緑 [GG] +\15000 / 12.グリップ仕様・白 [GW] +\15000 / 13.グリップ仕様・緑 [GSN] +\27500 / 14.耐油仕様・紺 [O] / 15.耐油仕様・緑 [OH] / 16.耐油仕様・緑 [OG] / 17.耐油仕様・白 [OW] +\15000 / 18.耐油仕様・白 [ON] +5500 / 19.非粘着仕様・白 [N] / 20.非粘着仕様・白 [NS] / 21.非粘着仕様・スカイブルー [NB] +\15000 / 22.非粘着仕様・ライムグリーン [NBG] +\15000 / 23.非粘着仕様・緑 [HH] +\15000 / 24.非粘着仕様・白 [HW] +\15000 / 25.非粘着仕様・白 [NWN] +\27500 / 26.非粘着仕様・スカイブルー [NSN] +\27500 / 27.非粘着仕様・ライムグリーン [NGN] +\27500 / 28.非粘着仕様・緑 [HBG] +\27500 / 29.非粘着仕様・白 [HBW] +\27500 / 30.非粘着仕様・白 [BW] +\27500 / 31.食品搬送用・白 [F] / 32.食品搬送用・白 [KW] +\15000 / 33.食品搬送用・スカイブルー [KSB] +\15000 / 36.食品搬送用・白 [PWN] +\27500 / 37.食品搬送用・白 [KWN] +\27500 / 38.電子部品搬送用・黒 [D] / 39.電子部品搬送用・黒 [DS] / 40.電子部品搬送用・黒 [DG] +\27500
1個
100 ~ 500
440 ~ 6000
インダクションモータ [IM] / インダクションモータ+三菱製インバータ [INVM] / スピードコントロールモータ [SCM] / モータなし [NM]
60 ~ 90
100 ~ 200
-
-
-
-
[B] オリエンタルモーター
5 / 7.5 / 9 / 12.5 / 15 / 18 / 25 / 30 / 36 / 50 / 60 / 75 / 90 / 100 / 120 / 150 / 180 / ギヤヘッドなし [NH]
1.ベルトなし [J] -\20000 / 2.一般用・緑 [H] / 3.一般用・白 [W] / 4.一般用・緑 [HG] / 6.一般用・スカイブルー [HBN] +\27500 / 7.スライディング用・緑 [G] / 8.スライディング用・白 [S] / 9.傾斜搬送用・緑 [LG] / 10.傾斜搬送用・白 [LW] / 11.グリップ仕様・緑 [GG] +\15000 / 12.グリップ仕様・白 [GW] +\15000 / 13.グリップ仕様・緑 [GSN] +\27500 / 14.耐油仕様・紺 [O] / 15.耐油仕様・緑 [OH] / 16.耐油仕様・緑 [OG] / 17.耐油仕様・白 [OW] +\15000 / 18.耐油仕様・白 [ON] +5500 / 19.非粘着仕様・白 [N] / 20.非粘着仕様・白 [NS] / 21.非粘着仕様・スカイブルー [NB] +\15000 / 22.非粘着仕様・ライムグリーン [NBG] +\15000 / 23.非粘着仕様・緑 [HH] +\15000 / 24.非粘着仕様・白 [HW] +\15000 / 25.非粘着仕様・白 [NWN] +\27500 / 26.非粘着仕様・スカイブルー [NSN] +\27500 / 27.非粘着仕様・ライムグリーン [NGN] +\27500 / 28.非粘着仕様・緑 [HBG] +\27500 / 29.非粘着仕様・白 [HBW] +\27500 / 30.非粘着仕様・白 [BW] +\27500 / 31.食品搬送用・白 [F] / 32.食品搬送用・白 [KW] +\15000 / 33.食品搬送用・スカイブルー [KSB] +\15000 / 36.食品搬送用・白 [PWN] +\27500 / 37.食品搬送用・白 [KWN] +\27500 / 38.電子部品搬送用・黒 [D] / 39.電子部品搬送用・黒 [DS] / 40.電子部品搬送用・黒 [DG] +\27500
1個
100 ~ 500
440 ~ 6000
インダクションモータ [IM] / インダクションモータ+三菱製インバータ [INVM] / スピードコントロールモータ [SCM] / モータなし [NM]
60 ~ 90
100 ~ 200
-
-
-
-
[C] 台湾製モータ / [R] モータ・ギヤヘッドなし
5 / 7.5 / 9 / 12.5 / 15 / 18 / 25 / 30 / 36 / 50 / 60 / 75 / 90 / 100 / 120 / 150 / 180 / ギヤヘッドなし [NH]
34.食品搬送用・スカイブルー [PHB] +\15000
1個
100 ~ 500
440 ~ 6000
インダクションモータ [IM] / インダクションモータ+三菱製インバータ [INVM] / スピードコントロールモータ [SCM] / モータなし [NM]
60 ~ 90
100 ~ 200
-
-
-
-
[B] オリエンタルモーター
5 / 7.5 / 9 / 12.5 / 15 / 18 / 25 / 30 / 36 / 50 / 60 / 75 / 90 / 100 / 120 / 150 / 180 / ギヤヘッドなし [NH]
34.食品搬送用・スカイブルー [PHB] +\15000
1個
100 ~ 500
440 ~ 6000
インダクションモータ [IM] / インダクションモータ+三菱製インバータ [INVM] / スピードコントロールモータ [SCM] / モータなし [NM]
60 ~ 90
100 ~ 200
-
-
-
-
[C] 台湾製モータ / [R] モータ・ギヤヘッドなし
5 / 7.5 / 9 / 12.5 / 15 / 18 / 25 / 30 / 36 / 50 / 60 / 75 / 90 / 100 / 120 / 150 / 180 / ギヤヘッドなし [NH]
35.食品搬送用・スカイブルー [PHN] +\27500
1個
100 ~ 500
440 ~ 6000
インダクションモータ [IM] / インダクションモータ+三菱製インバータ [INVM] / スピードコントロールモータ [SCM] / モータなし [NM]
60 ~ 90
100 ~ 200
-
-
-
-
[B] オリエンタルモーター
5 / 7.5 / 9 / 12.5 / 15 / 18 / 25 / 30 / 36 / 50 / 60 / 75 / 90 / 100 / 120 / 150 / 180 / ギヤヘッドなし [NH]
35.食品搬送用・スカイブルー [PHN] +\27500
1個
100 ~ 500
440 ~ 6000
インダクションモータ [IM] / インダクションモータ+三菱製インバータ [INVM] / スピードコントロールモータ [SCM] / モータなし [NM]
60 ~ 90
-
-
100 ~ 230
-
-
[C] 台湾製モータ / [R] モータ・ギヤヘッドなし
5 / 7.5 / 9 / 12.5 / 15 / 18 / 25 / 30 / 36 / 50 / 60 / 75 / 90 / 100 / 120 / 150 / 180 / ギヤヘッドなし [NH]
1.ベルトなし [J] -\20000 / 2.一般用・緑 [H] / 3.一般用・白 [W] / 4.一般用・緑 [HG] / 6.一般用・スカイブルー [HBN] +\27500 / 7.スライディング用・緑 [G] / 8.スライディング用・白 [S] / 9.傾斜搬送用・緑 [LG] / 10.傾斜搬送用・白 [LW] / 11.グリップ仕様・緑 [GG] +\15000 / 12.グリップ仕様・白 [GW] +\15000 / 13.グリップ仕様・緑 [GSN] +\27500 / 14.耐油仕様・紺 [O] / 15.耐油仕様・緑 [OH] / 16.耐油仕様・緑 [OG] / 17.耐油仕様・白 [OW] +\15000 / 18.耐油仕様・白 [ON] +5500 / 19.非粘着仕様・白 [N] / 20.非粘着仕様・白 [NS] / 21.非粘着仕様・スカイブルー [NB] +\15000 / 22.非粘着仕様・ライムグリーン [NBG] +\15000 / 23.非粘着仕様・緑 [HH] +\15000 / 24.非粘着仕様・白 [HW] +\15000 / 25.非粘着仕様・白 [NWN] +\27500 / 26.非粘着仕様・スカイブルー [NSN] +\27500 / 27.非粘着仕様・ライムグリーン [NGN] +\27500 / 28.非粘着仕様・緑 [HBG] +\27500 / 29.非粘着仕様・白 [HBW] +\27500 / 30.非粘着仕様・白 [BW] +\27500 / 31.食品搬送用・白 [F] / 32.食品搬送用・白 [KW] +\15000 / 33.食品搬送用・スカイブルー [KSB] +\15000 / 36.食品搬送用・白 [PWN] +\27500 / 37.食品搬送用・白 [KWN] +\27500 / 38.電子部品搬送用・黒 [D] / 39.電子部品搬送用・黒 [DS] / 40.電子部品搬送用・黒 [DG] +\27500
1個
100 ~ 500
440 ~ 6000
インダクションモータ [IM] / インダクションモータ+三菱製インバータ [INVM] / スピードコントロールモータ [SCM] / モータなし [NM]
60 ~ 90
-
-
100 ~ 230
-
-
[B] オリエンタルモーター
5 / 7.5 / 9 / 12.5 / 15 / 18 / 25 / 30 / 36 / 50 / 60 / 75 / 90 / 100 / 120 / 150 / 180 / ギヤヘッドなし [NH]
1.ベルトなし [J] -\20000 / 2.一般用・緑 [H] / 3.一般用・白 [W] / 4.一般用・緑 [HG] / 6.一般用・スカイブルー [HBN] +\27500 / 7.スライディング用・緑 [G] / 8.スライディング用・白 [S] / 9.傾斜搬送用・緑 [LG] / 10.傾斜搬送用・白 [LW] / 11.グリップ仕様・緑 [GG] +\15000 / 12.グリップ仕様・白 [GW] +\15000 / 13.グリップ仕様・緑 [GSN] +\27500 / 14.耐油仕様・紺 [O] / 15.耐油仕様・緑 [OH] / 16.耐油仕様・緑 [OG] / 17.耐油仕様・白 [OW] +\15000 / 18.耐油仕様・白 [ON] +5500 / 19.非粘着仕様・白 [N] / 20.非粘着仕様・白 [NS] / 21.非粘着仕様・スカイブルー [NB] +\15000 / 22.非粘着仕様・ライムグリーン [NBG] +\15000 / 23.非粘着仕様・緑 [HH] +\15000 / 24.非粘着仕様・白 [HW] +\15000 / 25.非粘着仕様・白 [NWN] +\27500 / 26.非粘着仕様・スカイブルー [NSN] +\27500 / 27.非粘着仕様・ライムグリーン [NGN] +\27500 / 28.非粘着仕様・緑 [HBG] +\27500 / 29.非粘着仕様・白 [HBW] +\27500 / 30.非粘着仕様・白 [BW] +\27500 / 31.食品搬送用・白 [F] / 32.食品搬送用・白 [KW] +\15000 / 33.食品搬送用・スカイブルー [KSB] +\15000 / 36.食品搬送用・白 [PWN] +\27500 / 37.食品搬送用・白 [KWN] +\27500 / 38.電子部品搬送用・黒 [D] / 39.電子部品搬送用・黒 [DS] / 40.電子部品搬送用・黒 [DG] +\27500
1個
100 ~ 500
440 ~ 6000
インダクションモータ [IM] / インダクションモータ+三菱製インバータ [INVM] / スピードコントロールモータ [SCM] / モータなし [NM]
60 ~ 90
-
-
100 ~ 230
-
-
[C] 台湾製モータ / [R] モータ・ギヤヘッドなし
5 / 7.5 / 9 / 12.5 / 15 / 18 / 25 / 30 / 36 / 50 / 60 / 75 / 90 / 100 / 120 / 150 / 180 / ギヤヘッドなし [NH]
34.食品搬送用・スカイブルー [PHB] +\15000
1個
100 ~ 500
440 ~ 6000
インダクションモータ [IM] / インダクションモータ+三菱製インバータ [INVM] / スピードコントロールモータ [SCM] / モータなし [NM]
60 ~ 90
-
-
100 ~ 230
-
-
[B] オリエンタルモーター
5 / 7.5 / 9 / 12.5 / 15 / 18 / 25 / 30 / 36 / 50 / 60 / 75 / 90 / 100 / 120 / 150 / 180 / ギヤヘッドなし [NH]
34.食品搬送用・スカイブルー [PHB] +\15000
1個
100 ~ 500
440 ~ 6000
インダクションモータ [IM] / インダクションモータ+三菱製インバータ [INVM] / スピードコントロールモータ [SCM] / モータなし [NM]
60 ~ 90
-
-
100 ~ 230
-
-
[C] 台湾製モータ / [R] モータ・ギヤヘッドなし
5 / 7.5 / 9 / 12.5 / 15 / 18 / 25 / 30 / 36 / 50 / 60 / 75 / 90 / 100 / 120 / 150 / 180 / ギヤヘッドなし [NH]
35.食品搬送用・スカイブルー [PHN] +\27500
1個
100 ~ 500
440 ~ 6000
インダクションモータ [IM] / インダクションモータ+三菱製インバータ [INVM] / スピードコントロールモータ [SCM] / モータなし [NM]
60 ~ 90
-
-
100 ~ 230
-
-
[B] オリエンタルモーター
5 / 7.5 / 9 / 12.5 / 15 / 18 / 25 / 30 / 36 / 50 / 60 / 75 / 90 / 100 / 120 / 150 / 180 / ギヤヘッドなし [NH]
35.食品搬送用・スカイブルー [PHN] +\27500
1個
通常単価(税別) (税込単価)
通常出荷日
-
( - )
8日目
-
( - )
14日目
-
( - )
40日目
-
( - )
40日目
-
( - )
30日目
-
( - )
30日目
-
( - )
8日目
-
( - )
14日目
-
( - )
40日目
-
( - )
40日目
-
( - )
30日目
-
( - )
30日目
-
( - )
8日目
-
( - )
14日目
-
( - )
40日目
-
( - )
40日目
-
( - )
30日目
-
( - )
30日目
-
( - )
8日目
-
( - )
14日目
-
( - )
40日目
-
( - )
40日目
-
( - )
30日目
-
( - )
30日目
-
( - )
8日目
-
( - )
14日目
-
( - )
40日目
-
( - )
40日目
-
( - )
30日目
-
( - )
30日目

詳細情報

基本情報

出力90Wまで対応した、中距離搬送に適したコンベヤです。

【技術コンテンツ】
ミスミはご選定のサポート、ご購入後のアフターフォローのサービスが充実!

コンベヤのメンテナンス品をお探しの方は、「構成部品一覧」から必要な部品を選択ください。

ミスミコンベヤ選定情報

搬送ラインが丸ごと買える

ご注意

  • モータ仕様B(オリエンタルモーター製)は、現在、モータの納期が延びているため、コンベヤ出荷日を延長しております。
  • 【販売終了情報】ベルト仕様「HY(黄緑)」は2025年3月3日に販売終了となりました。後継品はございませんので、他のベルト仕様をご選定頂けますようお願い致します。
  • 【販売終了情報】モータ仕様A(パナソニック製)は2023年6月28日に販売終了となりました。推奨代替品はモータ仕様AS(住友重機械工業製)またはモータ仕様B(オリエンタルモーター製)になります。
    【販売終了情報】INV(インダクションモータ+韓国製インバータ)仕様は2022年3月31日で販売終了となりました。推奨代替品はINVM(インダクションモータ+三菱製インバータ)仕様になります。
  • 規格表内の紫文字は2024年6月に規格を変更した商品です。
  • 当ページの価格表は23年4月時点の情報になります。最新の価格は型番確定後に「価格を確認」ボタンを押下しご確認ください。

概要・仕様

カタログ

  • 現在、カタログPDF記載の在庫品当日出荷受付時間はPM6:00でなく、PM 5:00迄となります。

商品担当おすすめ

  • 一部型番の仕様・寸法を掲載しきれていない場合がございますので、詳細は メーカーカタログをご覧ください。

平ベルトコンベヤ 【CVシリーズ】高出力タイプ ヘッド駆動3溝フレーム Φ60/30のレビュー
4平均満足度:4.01件のレビュー
治具(1枚10キロ程度)の搬送用
4
満足度:4.0
3メートル以上のものを購入しました。 組み立てが必要なのですが、その手順書が素人では到底組み立てられないようなもので苦労...もっと読む
0人が参考にしています。

よくあるご質問(FAQ)

Q基準搬送方向と逆に搬送したい
A
配線を逆につないでいただければ逆向きの搬送は可能ですが、構造上搬送能力の低下・蛇行の発生等、動作保障は対象外となります。

この商品を見た人は、こんな商品も見ています

今見ている商品
平ベルトコンベヤ 【CVシリーズ】高出力タイプ ヘッド駆動3溝フレーム Φ60/30
平ベルトコンベヤ 【CVシリーズ】高出力タイプ 中間駆動3溝フレーム Φ60/30
平ベルトコンベヤ 【CVシリーズ】高出力タイプ 蛇行抑制桟付ヘッド駆動3溝フレーム Φ60/30
平ベルトコンベヤ 【CVシリーズ】高出力タイプ 蛇行抑制桟付中間駆動3溝フレーム Φ60/30
平ベルトコンベヤ 【CVシリーズ】ヘッド駆動2溝フレーム Φ30
平ベルトコンベヤ 【CVシリーズ】中間駆動2溝フレーム Φ30
メーカーミスミミスミミスミミスミミスミミスミ
通常価格------
通常出荷日8日目〜10日目〜8日目〜10日目〜8日目〜8日目〜
ベルト種類平ベルト平ベルト平ベルト平ベルト平ベルト平ベルト
駆動位置ヘッド駆動中間駆動ヘッド駆動中間駆動ヘッド駆動中間駆動
最大搬送重量(kg)505050501515
蛇行防止蛇行防止クラウンプーリ蛇行防止クラウンプーリ蛇行防止桟溝付き蛇行防止桟溝付き蛇行防止クラウンプーリ蛇行防止クラウンプーリ
モータ仕様インダクションモータインダクションモータインダクションモータインダクションモータインダクションモータインダクションモータ

最近見た商品

通常価格、通常出荷日が表示と異なる場合がございます

ベルトコンベヤ・プラチェーンコンベヤカテゴリの売れ筋ランキング

通常価格、通常出荷日が表示と異なる場合がございます

技術サポート窓口

メカニカル部品技術窓口

商品の仕様・技術のお問い合わせ

Webお問い合わせフォーム

営業時間:9:00~18:00(土曜日・日曜日・祝日は除く)

※お問い合わせフォームは24時間受付しております。

見積もり・発注後 最短当日出荷 新規会員登録で2D・3D CADデータを無料でダウンロード

比較リスト