メカニカル部品技術窓口
ミスミ品のみ対象
耐熱性・導電性に優れたステンレスベルトコンベヤです。蛇行をクラウンプーリで抑制するタイプ。【技術コンテ...
詳細を確認6Wモータ仕様
フレーム断面・拡大(左右対称)

[ ! ]A*は下記 「*A寸法詳細(モータ全長)」
表を ご参照ください。
X部(M3用)
Y部(M6用)
25Wモータ仕様
40Wモータ仕様

| フレーム | モータカバー | プーリホルダ | |
| [ M ]材質 | アルミ材 | アルミ材 | A5052 |
| [ S ]表面処理 | アルマイト処理 | 塗装 | アルマイト処理 |
[ ! ]JIS規格の六角ナット使用可能です。
[ ! ]L≦405の場合、ナット専用のザグリ穴は一切付きません。ただし、1溝につきあらかじめ4個ずつナットが挿入されています。
[ ! ]ステンレスベルト単品は平坦性に優れていますが、コンベヤとしてはテンションをかけるため、精度の必要な平坦な面でのご使用は推奨いたしかねます。
[ ! ]ステンレスベルト厚みは0.1mmです。ベルト仕様は>>こちらをご参照ください。
[ ! ]1点へ集中的に荷重がかかるとアルミフレームに歪みが生じる可能性があります。
[ ! ]使用環境により、搬送不良が起こる可能性がございます。
[ ! ]L≧1000の場合、2本以上のスタンド取付を推奨しております。スタンド追加工に関する詳細は>>こちらをご参照ください。
[ ! ]メンテナンス部品(構成部品一覧)の検索手順は>>こちらをご参照ください。
| 型式 | − | B | − | L | − | モータ | − | モータメーカー選択 | − | FYA | |||||||
| 出力 | − | 電圧 | − | 仕様 | − | ギヤヘッド 減速比 | |||||||||||
| CVSSA | − | 100 | − | 1000 | − | 25 | − | T100 | − | IM | − | 25 | − | B | − | FYA500 | |
| CVSSA | − | 100 | − | 1000 | − | 25 | − | NV | − | NM | − | NH | − | R | − | FYA500 | (モータ・ギヤヘッドなし) |
| 型式 | B 指定10mm単位 | L 指定5mm単位 | モータ選択 | モータメーカー選択 [ ! ]メーカーごとに価格が異なります。 | FYA (追加ザグリ穴) 指定5mm単位 | |||||||
| 出力(W) | 電圧(V) | 仕様 | ギヤヘッド減速比 | |||||||||
| CVSSA | 40~150 | 250~2000 | 6 25 40 | T100(単相) T200(単相) | IM(インダクションモータ) SCM(スピードコントロールモータ) | 12.5 36 100 | 15 50 120 | 18 60 150 | 25 75 180 | 30 90 | B(オリエンタルモーター) C(台湾製モータ) ※Cは搬送速度が20%程度低くなる | 240<FYA<L−180 ※ご指定ない場合、 |
| 25 40 | S200(三相) | IM(インダクションモータ) INVM(インダクションモータ+三菱製インバータ) | ||||||||||
| 6 25 40 | NV(モータなし) | NM(モータなし) | NH(ギヤヘッドなし) | R(モータ・ギヤヘッドなし) | ||||||||
| ベルト幅 B(mm) | 機長 L(mm) | ||||
| 500 | 750 | 1000 | 1500 | 2000 | |
| 50 | 6.7 | 8 | 9.5 | 12.2 | 15 |
| 100 | 6.9 | 9.2 | 10.6 | 13.6 | 16.6 |
| 150 | 8.6 | 10.2 | 11.8 | 15 | 18.3 |
| 出力(W) | モータ | 減速比 | A | |
| 仕様 | メーカ | |||
| 6W | インダクションモータ | オリエンタルモーター | 12.5〜18 | 105.0 |
| 25〜180 | 115.0 | |||
| 台湾製 | 12.5〜75 | 114.7 | ||
| 90〜180 | 120.7 | |||
| スピード コントロール モータ | オリエンタルモーター | 12.5〜18 | 115.0 | |
| 25〜180 | 125.0 | |||
| 台湾製 | 12.5〜75 | 126.9 | ||
| 90〜180 | 132.9 | |||
| 25W | インダクションモータ | オリエンタルモーター | 5〜18 | 117.0 |
| 25〜180 | 127.5 | |||
| 台湾製 | 5〜75 | 129.0 | ||
| 90〜180 | 136.0 | |||
| スピード コントロール モータ | オリエンタルモーター | 5〜18 | 127.0 | |
| 25〜180 | 137.5 | |||
| 台湾製 | 5〜75 | 139.5 | ||
| 90〜180 | 146.5 | |||
| 出力(W) | モータ | 減速比 | A | |
| 仕様 | メーカ | |||
| 40W | インダクションモータ | オリエンタルモーター | 12.5〜18 | 147.0 |
| 25〜180 | 165.0 | |||
| 台湾製 | 12.5〜75 | 164.6 | ||
| 90〜180 | 173.6 | |||
| スピード コントロール モータ | オリエンタルモーター | 12.5〜18 | 157.0 | |
| 25〜180 | 175.0 | |||
| 台湾製 | 12.5〜75 | 175.1 | ||
| 90〜180 | 184.1 | |||
■搬送能力
*参考値

*参考値
| ギヤヘッド 減速比 | ベルト速度(m/min) | |
| 50Hz | 60Hz | |
| 12.5 | 18.8 | 22.6 |
| 15 | 15.7 | 18.8 |
| 18 | 13.1 | 15.7 |
| 25 | 9.4 | 11.3 |
| 30 | 7.9 | 9.4 |
| 36 | 6.5 | 7.9 |
| 50 | 4.7 | 5.7 |
| 60 | 3.9 | 4.7 |
| 75 | 3.1 | 3.8 |
| 90 | 2.6 | 3.1 |
| 100 | 2.4 | 2.8 |
| 120 | 2.0 | 2.4 |
| 150 | 1.6 | 1.9 |
| 180 | 1.3 | 1.6 |
[ ! ]モータ仕様SCMの場合、(1/15)×(最大速度)まで調整出来ます。
速度の低下に伴い、搬送可能重量が低下します。
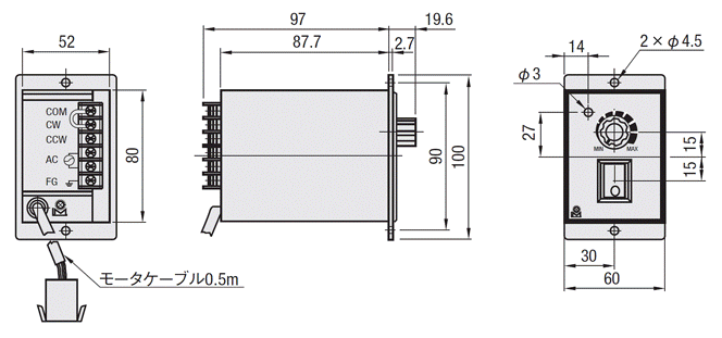
■オリエンタルモータスピードコントローラ外形図
6W/25W/40W 共通
コントロールユニット裏面
白
黒
単相100V用プラグ(付属品)
(単相200V用はリード線)
接地
(アース用リード線:緑)
*図の接続でモータ軸は時計方向に回転します。
点線の位置に差し替えると反時計方向に回転します。

[ ! ]モータケーブルは延長できません。

| モータ | オリエンタルモータ | 台湾製モータ | ||||
| モータユニット型番 | ギヤヘッド型番 | モータユニット型番 | ギヤヘッド型番 | |||
| 出力 | 仕様 | 電圧 | ※□には減速比が入ります | ※□には減速比が入ります | ||
| 6W | スピードコントロールモータ | 単相100V | US206-401 | 2GN□□S | PACMSV-UT60-W6-V100 | PACMGXT60-□□ |
| 単相200V | US206-402 | PACMSV-UT60-W6-V200 | ||||
| 単相110V・115V | US206-401U2 | PACMSVW-UT60-W6-V110 | ||||
| 単相220V・230V | US206-402E2 | PACMSVW-UT60-W6-V220 | ||||
| 25W | スピードコントロールモータ | 単相100V | US425-401 | 4GN□□S | PACMSV-UT80-W25-V100 | PACMGXT80-□□ |
| 単相200V | US425-402 | PACMSV-UT80-W25-V200 | ||||
| 単相110V・115V | US425-401U2 | PACMSVW-UT80-W25-V110 | ||||
| 単相220V・230V | US425-402E2 | PACMSVW-UT80-W25-V220 | ||||
| 40W | スピードコントロールモータ | 単相100V | US540-401 | 5GN□□S | PACMSV-UT90-W40-V100 | PACMGXT90-□□ |
| 単相200V | US540-402 | PACMSV-UT90-W40-V200 | ||||
| 単相110V・115V | US540-401U2 | PACMSVW-UT90-W40-V110 | ||||
| 単相220V・230V | US540-402E2 | PACMSVW-UT90-W40-V220 | ||||
| 備考 | [ ! ]スピードコントロールモータには次のものが含まれています。 | [ ! ]スピードコントロールモータには次のものが含まれています。 | ||||
モータ 出力 | 延長用接続ケーブル型番 | ||||
長さ | 単相100V、単相200V | 単相110V、単相115V 単相220V、単相230V | |||
6W 25W 40W | 1m | | | ||
2m | |||||
3m | |||||
4m | |||||
| ・継ぎ足しできるケーブルの最大延長距離は4mです。 | ・継ぎ足しできるケーブルの最大延長距離は10mです。 | ||||
| 仕様 | INVM |
| メーカ | 三菱電機株式会社 |
| 型式 | FR-D720-0.1K |
| 電源 | 三相200V |
挿入位置 | L≦405の場合ザグリ穴はつきません (ただし、1溝につきあらかじめ4個ずつナットが挿入されています) L≧410は標準ザグリ穴がある為、ナットの挿入も付属もありません(別売) JIS規格六角ナット使用可能です | 後入れナット(別売) 加工・分解無しで挿入可能 | ||||||
| 品名 | 型番 | ねじの呼び | ピッチ | 品名 | 型番 | ねじの呼び | ピッチ | |
| X部 | JIS1種六角ナット | LBNR3 | M3 (並目) | 0.5 | ― | |||
| Y部 | JIS1種六角ナット | LBNR6 | M6 (並目) | 1.0 | コンベヤ用後入れナット (10個入り) | PACK-CHNT6-5 | M5 (並目) | 0.8 |
| ― | PACK-CHNT6-4 | M4 (並目) | 0.7 | |||||
| PACK-CHNT6-3 | M3 (並目) | 0.5 | ||||||


| 追加工 コード | 追加工内容 | 適用条件 | 指定例 | \/1Code | |||||||||||||||||||||||||||||
| MK | モータ位置勝手違い![]() | モータ位置が変更できます。 ヘッド駆動タイプのみ指定できます。 〈指定方法〉:MK | [ ! ]一部機種はMKを追加することにより、関連する部品も変更されます。 | CVSSA-100-1000-25- T100-IM-25-B-FYA500-MK | 6,000 | ||||||||||||||||||||||||||||
| SCB | スピードコントローラ用ブラケット付属 (ブラシレスモータのコントローラにも適用可) ![]() <スピードコントローラブラケット規格図> ①スピードコントローラブラケット | スピードコントローラ用の取付ブラケットを付属します。 〈指定方法〉: SCB オリエンタルモーター・台湾製モータのコントローラに対応します。 | [ ! ]ブラケット取付用ねじ2個付属 [ ! ]コントローラ取付用ねじ(M4x8)2本付属 [ ! ]コンベヤによっては、スペース上取り付かない場合があります。 [ ! ]コンベヤ型式やモータ仕様によりブラケットの形状が異なります。
| CVSSA-100-1000-25- T100-IM-25-B-FYA500-SCB | 800 | ||||||||||||||||||||||||||||
| CW | モータカバー窓付きタイプ![]() ヘッド駆動 中間駆動 | モーターカバー窓付きタイプに変更できます。 〈指定方法〉:CW | [ ! ]メンテナンス用に樹脂プレート単品でも購入可能 | CVSSA-100-1000-25- T100-IM-25-B-FYA500-CW | 3,000 | ||||||||||||||||||||||||||||
| ANT□ | 後入れナット付属![]() | ミスミコンベヤフレーム溝用の後入れナットを付属します。 材質:SUS316相当・焼結 〈指定方法〉:ANT5-Q8-4 | [ ! ]後入れナット詳細はこちら
| CVSSA-100-1000-25- T100-IM-25-B-FYA500-ANT6-Q8-4 |
| ||||||||||||||||||||||||||||
| TBM | 端子箱付モータ ■オリエンタル仕様 ![]() | インダクションモータを端子箱付きのタイプに変更します。 〈指定方法〉:TBM | [ ! ]オリエンタルモーター仕様のみ選定可能。 | CVSSA-100-1000-25- T100-IM-25-B-FYA500-TBM | 5,000 | ||||||||||||||||||||||||||||
| 追加工 コード | コンベヤ用スタンド追加 | 適用条件 | 指定例 | |||||||||||||||||||||||||||||||||||||||||||||||||||||||||||||||||||||||||||||||||
| NA□ | ■コンベヤスタンドI型 ベルト幅≦140mm (アジャスタボルトタイプ、スタンド□台+補強材) ![]() *1 D寸法対応表
| コンベヤにコンベヤ用スタンドを追加します。 〈指定方法〉: NA1-H750-PN WA3-H1200-P400 [ ! ]コンベヤ本体の溝サイズに合わせたボルト・ナットが付属します。 [ ! ]プーリ間機長L寸≧1000(GVシリーズはL寸≧1400)の場合、2本以上のスタンド取付を推奨しております。 [ ! ]コンベヤ用スタンド1台に図面一点鎖線部が(□-1)台追加された仕様です。 [ ! ]納期はコンベヤの標準納期と同一
■NA□・WA□取付寸法表
*取付箇所は下溝を想定した寸法
| [ ! ]□=1の場合、④アルミフレーム、⑤ブラケットは付属しません。 [ ! ]□=1の場合自立しません。[ ! ]□≧2の場合に④アルミフレームが不要の場合は本追加工ではなく、単品のCSTS、CSTWをご注文ください。 [ ! ]スタンドは部品を分割して発送いたします。お客様にて組立が必要です。 [ NG ]GVシリーズの場合、NA3、NA4、WA3、WA4は適用不可 | CVSSA-100-1000-25- T100-IM-25-B-FYA500-NA1-H750-P | ||||||||||||||||||||||||||||||||||||||||||||||||||||||||||||||||||||||||||||||||
| WA□ | ■コンベヤスタンドH型 ベルト幅≧150mm (アジャスタボルトタイプ、スタンド□台+補強材) ![]() | CVSSA-100-1000-25- T100-IM-25-B-FYA500-WA3-H1200-P400 | ||||||||||||||||||||||||||||||||||||||||||||||||||||||||||||||||||||||||||||||||||
| \/1Code | ||||||||||||||||||||||||||||||||||||||||||||||||||||||||||||||||||||||||||||||||||||
| スタンド合計金額は(基準単価+追加スタンド価格x(□-1)となります。
〈基準単価〉 + 〈追加スタンド価格〉 = 〈スタンド合計金額〉 例)NA1-H800-PN → 6,860円 + 0円 = 6,860円 例)NA3-H1000-P900 → 7,470円 + 10,260x(3-1)円 = 27,990円 コンベヤ用スタンドI型(NA□)
コンベヤ用スタンドH型(WA□)
| ||||||||||||||||||||||||||||||||||||||||||||||||||||||||||||||||||||||||||||||||||||
| 型式 | B | ¥本体価格 1〜5コ | |||||||||||||||||
| L250~300 | L305~400 | L405~500 | L505~600 | L605~700 | L705~800 | L805~900 | L905~1000 | L1005~1100 | L1105~1200 | L1205~1300 | L1305~1400 | L1405~1500 | L1505~1600 | L1605~1700 | L1705~1800 | L1805~1900 | L1905~2000 | ||
| CVSSA | 40~60 | 213,570 | 214,940 | 215,880 | 224,910 | 226,590 | 228,590 | 229,320 | 231,740 | 234,990 | 237,090 | 237,830 | 238,980 | 240,240 | 243,920 | 244,650 | 246,650 | 247,910 | 249,480 |
| 70~90 | - | 232,050 | 233,100 | 242,130 | 243,710 | 245,700 | 246,540 | 248,960 | 252,210 | 254,210 | 255,050 | 256,200 | 257,360 | 261,030 | 261,870 | 263,870 | 265,020 | 266,700 | |
| 100~120 | - | - | 252,740 | 262,080 | 263,660 | 265,760 | 266,600 | 269,010 | 273,210 | 275,310 | 276,050 | 277,310 | 278,570 | 282,450 | 283,290 | 285,290 | 286,550 | 288,230 | |
| 130~150 | - | - | - | 279,200 | 280,880 | 282,870 | 283,710 | 286,230 | 290,430 | 292,430 | 293,270 | 294,420 | 295,680 | 299,670 | 300,410 | 302,510 | 303,660 | 305,340 | |
[ ! ]価格表にて「−」が付いているサイズはお取り扱いがございません。
取り扱いなし型番例:CVSSA-150-400-25-T100-IM-15-B
| モータ 仕様価格 | モータ出力 | 仕様 | B(オリエンタルモーター) | C(台湾製モータ) | R(モータ・ギヤヘッドなし) |
| 6W 25W 40W | IM | 本体価格+¥ 5,000 | 本体価格のみ | 本体価格-¥6,000 | |
| SCM | 本体価格+¥11,000 | 本体価格+¥6,000 | |||
| INVM | 本体価格+¥14,400 | 本体価格+¥9,400 |
| 数量区分 | 標準対応 | 個別対応 | |
| 小口 | 大口 | 大口 | |
| 数 量 | 1〜2 | 3〜5 | 6〜 |
| 値引率 | 基準単価 | 基準単価 | お見積り |
| 出荷日 | 通常 | +4日 | |
| 12 | 日目出荷 |
| 型番 |
|---|
通常単価(税別)
(税込単価) | 通常出荷日 |
|---|
- ( - ) | 13日目 |
- ( - ) | 22日目 |
- ( - ) | 13日目 |
- ( - ) | 22日目 |
- ( - ) | 13日目 |
- ( - ) | 22日目 |
- ( - ) | 13日目 |
- ( - ) | 22日目 |
- ( - ) | 13日目 |
- ( - ) | 22日目 |



通常価格、通常出荷日が表示と異なる場合がございます
通常価格、通常出荷日が表示と異なる場合がございます

ミスミ
平ベルトコンベヤ 【SVシリーズ】 中間駆動2溝フレーム Φ30
3.6
ミスミ
平ベルトコンベヤ【SVシリーズ】蛇行抑制桟付中間駆動2溝フレーム Φ30
2.8
ミスミ
平ベルトコンベヤ 【SVシリーズ】 ヘッド駆動2溝フレーム(プーリ径30mm)
4.7
ミスミ
平ベルトコンベヤ 【CVシリーズ】高出力タイプ 中間駆動3溝フレーム Φ60/30
0
ミスミ
タイミングベルトコンベヤ【GVシリーズ】 2列中間駆動2溝フレーム(プーリ径30mm)
4.3
ミスミ
平ベルトコンベヤ【GVシリーズ】 フルベルトタイプ 中間駆動2溝フレーム(プーリ径30mm)
5
ミスミ
タイミングベルトコンベヤ【GVシリーズ】 単列中間駆動2溝フレーム(プーリ径30mm)
4.5
ミスミ
平ベルトコンベヤ SVシリーズ 蛇行抑制桟付ヘッド駆動2溝フレーム Φ30
4.5
オークラ輸送機
エコノミータイプ 軽搬送ベルトコンベヤ(EMH/EMG型)
0