メカニカル部品技術窓口
ミスミ品のみ対象
ツバ付きタイプの裏からボルトで取付ける形状です。圧入に比べメンテナンス性が向上します。
(丸)
(ダイヤ)


D(P)≧3の場合
a=1.0
d=D(P)-0.2
[ ! ]逃げ部寸法は参考値になります。
D(P)<3の場合
a=0.5
d=D(P)-0.1
| 材質 No. | [ M ]材質 | [ S ]表面処理 | [ H ]硬度 | P寸固定 | P寸指定 | P・L・B寸指定 | |||
| Type | 形状 | Type | 形状記号 | Type | 形状 | ||||
| ① | SKS3相当 | − | 焼入硬度60〜63HRC | JP | UB(丸) DU(ダイヤ) | JP | UA(丸) UD(ダイヤ) | FP | UA(丸) UD(ダイヤ) |
| ② | SKS3相当 | 硬質クロムメッキ | 焼入硬度50〜55HRC メッキ硬度750HV〜 | − | − | GFP | |||
| ③ | SUS304 | − | − | SJP | − | SFP | |||
| 型式 | − | P | − | L | − | B | ||||
| Type | 形状 | D | ||||||||
| JP | UB | 8 | − | 6 | ||||||
| JP | UA | 6 | - | 4.02 | ||||||
| FP | UA | 6 | − | P4.01 | − | L8 | − | B3.5 | ||
| D | 公差g6 | m | H | (W) | ℓ | M (並目) | *締付トルク N・cm |
| 5 | −0.004 −0.012 | 2 | 8 | 1.5 | 3 | M2 | − |
| 6 | 1.8 | 5 | M3 | 98 | |||
| 6T | 4 | M2.6 | − | ||||
| 8 | −0.005 −0.014 | 3 | 11 | 2.2 | 8 | M5 | 461 |
| 8T | 6 | M4 | 225 | ||||
| 10 | 13 | 3 | 8 | M5 | 461 | ||
| 10T | 6 | M4 | 225 | ||||
| 12 | −0.006 −0.017 | 15 | 3.2 | 8 | M5 | 461 | |
| 12T | 6 | M4 | 225 | ||||
| 13 | 4 | 16 | 3.5 | 10 | M8 | 1911 | |
| 13T | 9 | M6 | 784 | ||||
| 16 | 19 | 4 | 12 | M8 | 1911 | ||
| 16T | 9 | M6 | 784 | ||||
| 20 | −0.007 −0.020 | 5 | 23 | 5.5 | 12 | M8 | 1911 |
| 20T | 9 | M6 | 784 |
| 型式 | P 選択 | L | B | ¥基準単価 丸形状 | ¥基準単価 ダイヤ形状 | |||||||||||||||
| Type | 形状 | D | ①SKS3焼 JPUB | ③SUS304 SJPUB | ①SKS3焼 JPDU | ③SUS304 SJPDU | ||||||||||||||
| JP SJP | UB(丸) DU(ダイヤ) | 5 | 3 | 4 | 5 | 6 | 10 | 5 | 690 | 890 | 810 | - | ||||||||
| 6 | 4 | 5 | 6 | 700 | 900 | 820 | 1,080 | |||||||||||||
| 6T | 700 | 900 | 820 | 1,080 | ||||||||||||||||
| 8 | 5 | 6 | 8 | 15 | 6 | 710 | 920 | 850 | 1,110 | |||||||||||
| 8T | 710 | 920 | 850 | 1,110 | ||||||||||||||||
| 10 | 8 | 10 | 8 | 740 | 960 | 870 | 1,160 | |||||||||||||
| 12 | 8 | 10 | 12 | 760 | 990 | 900 | 1,200 | |||||||||||||
| 13 | 8 | 10 | 12 | 13 | 22 | 780 | 1,020 | 910 | 1,240 | |||||||||||
| 16 | 13 | 14 | 15 | 16 | 10 | 930 | 1,260 | 1,110 | 1,540 | |||||||||||
| 20 | 16 | 20 | 30 | 1,100 | 1,510 | 1,340 | 1,890 | |||||||||||||
| 型式 | P 指定0.01mm単位 | L | B | ¥基準単価 丸形状 | ¥基準単価 ダイヤ形状 | ||
| Type | 形状 | D | ①SKS3焼 JPUA | ①SKS3焼 JPUD | |||
| JP | UA (丸) UD (ダイヤ) | 5 | 3.00~6.00 | 10 | 5 | 1,030 | 1,250 |
| 6 | 4.00~7.00 | 1,050 | 1,270 | ||||
| 6T | 1,050 | 1,270 | |||||
| 8 | 5.00~9.00 | 15 | 6 | 1,080 | 1,320 | ||
| 8T | 1,080 | 1,320 | |||||
| 10 | 7.00~11.00 | 8 | 1,120 | 1,370 | |||
| 12 | 7.00~12.00 | 1,160 | 1,420 | ||||
| 13 | 8.00~13.00 | 22 | 1,200 | 1,460 | |||
| 16 | 13.00~16.00 | 10 | 1,490 | 1,850 | |||
| 20 | 16.00~20.00 | 30 | 1,820 | 2,260 | |||
| 型式 | P 指定0.01mm単位 | L 指定1mm単位 | B 指定0.1mm単位 | ¥基準単価 丸形状 | ¥基準単価 ダイヤ形状 | ||||||
| Type | 形状 | D | ①SKS3焼 FPUA | ②SKS3硬質 GFPUA | ③SUS304 SFPUA | ①SKS3焼 FPUD | ②SKS3硬質 GFPUD | ③SUS304 SFPUD | |||
| FP GFP SFP | UA (丸) UD (ダイヤ) | 5 | 3.00〜6.00 | 5〜10 | 2.0〜15.0 | 1,220 | 1,560 | 1,660 | 1,490 | 1,910 | 2,080 |
| 6 | 4.00〜7.00 | 6(9)〜12 | 2.0〜15.0 | 1,240 | 1,600 | 1,700 | 1,510 | 1,940 | 2,120 | ||
| 6T | 1,240 | 1,600 | 1,700 | 1,510 | 1,940 | 2,120 | |||||
| 8 | 5.00〜9.00 | 8(12)〜16 | 2.0〜20.0 | 1,290 | 1,660 | 1,770 | 1,590 | 2,030 | 2,220 | ||
| 8T | 1,290 | 1,660 | 1,770 | 1,590 | 2,030 | 2,220 | |||||
| 10 | 7.00〜12.00 | 10(12)〜20 | 2.0〜30.0 | 1,320 | 1,700 | 1,850 | 1,640 | 2,100 | 2,310 | ||
| 10T | 8(12)〜16 | 1,290 | 1,660 | 1,810 | 1,600 | 2,060 | 2,260 | ||||
| 12 | 7.00〜12.00 | 12〜24 | 3.0〜30.0 | 1,380 | 1,760 | 1,910 | 1,700 | 2,180 | 2,400 | ||
| 12T | 8(12)〜18 | 1,340 | 1,720 | 1,870 | 1,660 | 2,130 | 2,350 | ||||
| 13 | 8.00〜13.00 | 13(14)〜26 | 1,430 | 1,830 | 1,980 | 1,740 | 2,240 | 2,500 | |||
| 13T | 10(14)〜20 | 1,400 | 1,790 | 1,940 | 1,700 | 2,180 | 2,450 | ||||
| 16 | 13.00〜16.00 | 16〜32 | 5.0〜30.0 | 1,800 | 2,300 | 2,180 | 2,250 | 2,880 | 3,220 | ||
| 16T | 10(14)〜24 | 1,750 | 2,250 | 2,130 | 2,190 | 2,810 | 3,150 | ||||
| 20 | 16.00〜20.00 | 20〜40 | 2,180 | 2,790 | 2,720 | 2,750 | 3,530 | 4,010 | |||
| 20T | 12(18)〜30 | 2,130 | 2,730 | 2,660 | 2,690 | 3,450 | 3,930 | ||||
| 5 | 日目出荷 |
| 追加工 コード | 追加工内容 | 適用条件 | 指定例 | \/1Code | |||||||||||||||||||||||||||||||||||||||||
| HC | 二面幅加工を追加![]() | HC=指定0.5mm単位指定 [ ! ]HC>D HC>P | FPUA8-P6.01-L10-B15.5-HC10 | 500 | |||||||||||||||||||||||||||||||||||||||||
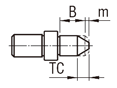
| TC | 先端テーパー部長さ変更![]() | m寸法を変更します。指定1mm単位 [ ! ]B+m≧TC+2(ストレート部min.2mm) [ ! ]P≧2.00に適用可 [ ! ]P/2-TCtan15°(≒0.27)>0.5(先端φ1.0min.) [ ! ]TCの指定により、B寸法が変わります。
| FPUA8-P6.01-L10-B15.5-TC5 | 300 | |||||||||||||||||||||||||||||||||||||||||
| RC | 首元R加工を追加![]() | 首元の逃げをR0.5に変更します。 [ ! ]H-P≧2の場合に適用 [ NG ]LACとの併用不可 | FPUA8-P6.01-L10-B15.5-RC | 300 | |||||||||||||||||||||||||||||||||||||||||
| RAC | 六角穴を追加![]() | 六角穴を追加します。 [ ! ]P寸・L寸・B寸指定タイプのみ適用 [ ! ]丸形状はD≧8、ダイヤ形状はD≧10に適用 [ NG ]TC・LACとの併用不可
| FPUA8-P6.01-L10-B15.5-RAC | 600 | |||||||||||||||||||||||||||||||||||||||||
| LAC | レンチ穴を追加![]() | レンチ穴を追加します。 [ ! ]丸形状はD≧8、P≧6、ダイヤ形状はD≧10、P≧8に適用 [ ! ]ダイヤ形状のレンチ穴は、ダイヤ面に対し垂直にあきますが、
| FPUA8-P6.01-L10-B15.5-LAC | 300 | |||||||||||||||||||||||||||||||||||||||||
| 型番 |
|---|
通常単価(税別)
(税込単価) | 通常出荷日 |
クリーン洗浄・梱包済みでお届けします
|
|---|
- ( - ) | 6日目 |
- |
- ( - ) | 6日目 |
- |
- ( - ) | 6日目 |
- |
- ( - ) | 6日目 |
- |
- ( - ) | 6日目 |
- |
- ( - ) | 6日目 |
- |
- ( - ) | 6日目 |
- |
- ( - ) | 6日目 |
- |
- ( - ) | 6日目 |
- |
- ( - ) | 6日目 |
- |
- ( - ) | 6日目 |
- |
- ( - ) | 6日目 |
- |
- ( - ) | 6日目 |
- |
- ( - ) | 6日目 |
- |
- ( - ) | 6日目 |
- |
- ( - ) | 6日目 |
- |
- ( - ) | 6日目 |
- |
- ( - ) | 6日目 |
- |
- ( - ) | 6日目 |
- |
- ( - ) | 6日目 |
- |
- ( - ) | 6日目 |
- |
- ( - ) | 6日目 |
- |
- ( - ) | 6日目 |
- |
- ( - ) | 6日目 |
- |
- ( - ) | 6日目 |
- |
- ( - ) | 6日目 |
- |
- ( - ) | 6日目 |
- |
- ( - ) | 6日目 |
- |
- ( - ) | 6日目 |
- |
- ( - ) | 6日目 |
- |
- ( - ) | 8日目 |
|
- ( - ) | 8日目 |
|
- ( - ) | 6日目 |
|
- ( - ) | 8日目 |
|
- ( - ) | 6日目 |
|
- ( - ) | 8日目 |
|
- ( - ) | 8日目 |
|
- ( - ) | 8日目 |
|
- ( - ) | 8日目 |
|
- ( - ) | 8日目 |
|
- ( - ) | 8日目 |
|
- ( - ) | 8日目 |
|
- ( - ) | 8日目 |
|
- ( - ) | 8日目 |
|
- ( - ) | 8日目 |
|
- ( - ) | 8日目 |
|
- ( - ) | 8日目 |
|
- ( - ) | 6日目 |
|
- ( - ) | 8日目 |
|
- ( - ) | 6日目 |
|
- ( - ) | 8日目 |
|
- ( - ) | 8日目 |
|
- ( - ) | 8日目 |
|
- ( - ) | 8日目 |
|
- ( - ) | 8日目 |
|
- ( - ) | 8日目 |
|
- ( - ) | 8日目 |
|
- ( - ) | 8日目 |
|
- ( - ) | 8日目 |
|
- ( - ) | 8日目 |



通常価格、通常出荷日が表示と異なる場合がございます
通常価格、通常出荷日が表示と異なる場合がございます

ミスミ
位置決めピン 大頭テーパタイプ -圧入-
4.8通常価格(税別):340円~

ミスミ
位置決めピン 大頭フラットタイプ -圧入-
4.6通常価格(税別):300円~

ミスミ
位置決めピン 先端形状選択タイプ -おねじ-
4.5
ミスミ
位置決めピン 高耐食ステンレス(55・35HRC~/SUS316L)大頭テーパ 圧入
4.7
ミスミ
位置決めピン 先端形状選択タイプ -全ねじ-
4.4
ミスミ
位置決めピン 高耐食ステンレス(55・35HRC~/SUS316L)R/テーパ/テーパR 全ねじ
4.4
ミスミ
位置決めピン 先端形状選択タイプ -めねじ(大頭/ストレート)-
4.6
ミスミ
マーカーピン 六角穴付タイプ
4.4
ミスミ
位置決めピン 大頭テーパタイプ-テーパ角度指定・公差選択・圧入-
4.4