メカニカル部品技術窓口
ミスミ品のみ対象
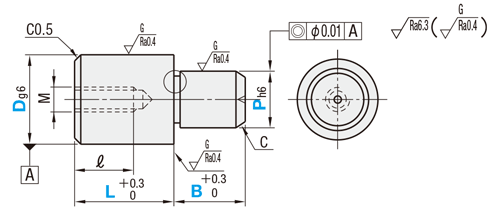
小頭フラットタイプの裏からボルトで取付ける形状です。圧入に比べメンテナンス性が向上します。


| 材質 No. | [ M ]材質 | [ S ]表面処理 | [ H ]硬度 | Type | ||
| P寸固定 | P寸指定 | P・L・B寸指定 | ||||
| ① | SKS3相当 | − | 焼入硬度 60〜63HRC | JPDSTB | JPDSTC | FPDSTC |
| ② | SKS3相当 | 硬質クロムメッキ | 焼入硬度 50〜55HRC メッキ硬度 750HV〜 | − | − | GFPDSTC |
| ④ | SUS304* | − | − | SJPDSTB | − | SFPDSTC |
| ⑥ | SUS440Cまたは 13Crステンレス | − | 焼入硬度 50〜55HRC | − | CJPDSTC | CFPDSTC |
| 型式 | − | P | − | L | − | B |
| JPDSTB6 JPDSTC6 FPDSTC6 | − − − | 4 4.00 P4.00 | − | L10 | − | B5.5 |
| P | h6 |
| 4.00〜6.00 | 0 −0.008 |
| 6.01〜10.00 | 0 −0.009 |
| 10.01〜18.00 | 0 −0.011 |
| 18.01〜20.00 | 0 −0.013 |
| 型式 | P選択 | L | B | M (並目) | *締付トルク N・cm | ℓ | C | ¥基準単価 | |||||||
| Type | D | D寸公差g6 | ①SKS3焼 JPDSTB | ④SUS304 SJPDSTB | |||||||||||
| JPDSTB SJPDSTB | 6 | −0.004 −0.012 | 4 | 10 | 3 | M3 | 98 | 5 | 0.5 | 690 | 1,040 | ||||
| 8 | −0.005 −0.014 | 6 | 12 | 4 | M4 | 225 | 6 | 1 | 720 | 1,080 | |||||
| 10 | 8 | 16 | 5 | M5 | 461 | 8 | 750 | 1,120 | |||||||
| 12 | −0.006 −0.017 | 10 | 20 | 6 | 1.5 | 780 | 1,160 | ||||||||
| 16 | 10 | 14 | 24 | 10 | M8 | 1911 | 12 | 3 | 1,000 | 1,480 | |||||
質量(g)参考値 | |||
D | P | SKS3相当 | SUS304相当 |
6 | 4 | 2.24 | 2.28 |
8 | 6 | 5.03 | 5.12 |
10 | 8 | 10.61 | 10.8 |
12 | 10 | 20.24 | 20.6 |
16 | 10 | 39.34 | 40.04 |
14 | 45.26 | 46.07 | |
■P寸指定タイプ
・下表の価格表は23年4月時点の情報になります。| 型式 | P | L | B | M (並目) | *締付トルク N・cm | ℓ | C | ¥基準単価 | |||
| Type | D | D寸公差g6 | 指定0.01mm単位 | ①SKS3焼 JPDSTC | ⑥SUS440Cまたは 13Crステンレス CJPDSTC | ||||||
| JPDSTC CJPDSTC | 6 | −0.004 −0.012 | 4.00~6.00 | 10 | 3 | M3 | 98 | 5 | 0.5 | 930 | 1,530 |
| 6T | M2.6 | - | 4 | 930 | 1,530 | ||||||
| 8 | −0.005 −0.014 | 6.00~8.00 | 12 | 4 | M4 | 225 | 6 | 1 | 970 | 1,590 | |
| 10 | 7.00~10.00 | 16 | 5 | M5 | 461 | 8 | 1,000 | 1,650 | |||
| 12 | -0.006 -0.017 | 7.00~12.00 | 20 | 6 | 1.5 | 1,030 | 1,700 | ||||
| 13 | 8.00~13.00 | 22 | 10 | M8 | 1911 | 12 | 2 | 1,070 | 1,760 | ||
| 16 | 10.00~16.00 | 24 | 10 | 3 | 1,330 | 2,200 | |||||
| 20 | −0.007 −0.020 | 13.00~20.00 | 32 | 20 | 1,630 | 2,680 | |||||
■P寸・L寸・B寸指定タイプ
・下表の価格表は23年4月時点の情報になります。| 型式 | P 指定0.01mm単位 | L 指定1mm単位 | B 指定0.1mm単位 | M (並目) | *締付トルク N・cm | ℓ | C | ¥基準単価 | |||||
| Type | D | D寸公差g6 | ①SKS3焼 FPDSTC | ②SKS3硬質 GFPDSTC | ④SUS304 SFPDSTC | ⑥SUS440Cまたは 13Crステンレス CFPDSTC | |||||||
| FPDSTC GFPDSTC SFPDSTC CFPDSTC | 6 | −0.004 −0.012 | 4.00〜6.00 | 8〜17 | 2.0〜15.0 | M3 | 98 | 5 | 0.5 | 1,210 | 1,630 | 1,810 | 2,000 |
| 6T | M2.6 | − | 4 | 1,210 | 1,630 | 1,810 | 2,000 | ||||||
| 8 | −0.005 −0.014 | 6.00〜8.00 | 11〜21 | 2.0〜30.0 | M4 | 225 | 6 | 1 | 1,260 | 1,700 | 1,890 | 2,070 | |
| 10 | 7.00〜10.00 | 11〜23 | 3.0〜30.0 | M5 | 461 | 8 | 1,300 | 1,760 | 1,950 | 2,140 | |||
| 10T | 8〜18 | M4 | 225 | 6 | 1,270 | 1,720 | 1,910 | 2,090 | |||||
| 12 | −0.006 −0.017 | 7.00〜12.00 | 12〜24 | 3.0〜30.0 | M5 | 461 | 8 | 1.5 | 1,350 | 1,820 | 2,020 | 2,220 | |
| 12T | 8〜18 | M4 | 225 | 6 | 1,320 | 1,770 | 1,970 | 2,160 | |||||
| 13 | 8.00〜13.00 | 13〜26 | 5.0〜30.0 | M8 | 1911 | 10 | 2 | 1,400 | 1,890 | 2,100 | 2,310 | ||
| 13T | 10〜20 | M6 | 784 | 9 | 1,370 | 1,850 | 2,060 | 2,260 | |||||
| 16 | 10.00〜16.00 | 16〜32 | 5.0〜30.0 | M8 | 1911 | 12 | 3 | 1,770 | 2,390 | 2,650 | 2,920 | ||
| 16T | 10〜24 | M6 | 784 | 9 | 1,730 | 2,340 | 2,580 | 2,860 | |||||
| 20 | −0.007 −0.020 | 13.00〜20.00 | 20〜40 | 5.0〜30.0 | M8 | 1911 | 12 | 2,160 | 2,920 | 3,230 | 3,560 | ||
| 20T | 12〜30 | M6 | 784 | 9 | 2,110 | 2,860 | 3,160 | 3,490 | |||||
| 5 | 日目出荷 |
| 追加工 コード | 追加工内容 | 適用条件 | 指定例 | \/1Code | |||||||||||||||||||||||||||||||
| RC | 首元R加工を追加![]() | 首元の逃げをR0.5に変更します。 [ ! ]D-P≧2の場合に適用 [ NG ]LACとの併用不可 | FPDSTC8-P7.00-L15-B9.5-RC | 300 | |||||||||||||||||||||||||||||||
| CN | C面取りのサイズ変更![]() | P寸部C面取りをC0.5以下に変更します。 [ ! ]D≧8の場合に適用 [ NG ]D寸法には適用不可 | FPDSTC8-P7.00-L15-B9.5-CN | 無料 | |||||||||||||||||||||||||||||||
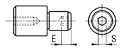
| RAC | 六角穴を追加![]() | 六角穴を追加します。 [ ! ]D≧8に適用 [ ! ]P寸・L寸・B寸指定タイプのみ適用 [ NG ]LACとの併用不可 |
| FPDSTC8-P7.00-L15-B9.5-RAC | 600 | ||||||||||||||||||||||||||||||
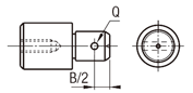
| LAC | レンチ穴を追加![]() | レンチ穴を追加します。 [ ! ]D≧8に適用 [ ! ]P寸・L寸・B寸指定タイプのみ適用 [ NG ]RC・RACとの併用不可 |
レンチ穴寸法
| FPDSTC8-P7.00-L15-B9.5-LAC | 300 | ||||||||||||||||||||||||||||||
| 型番 |
|---|
通常単価(税別)
(税込単価) | 通常出荷日 |
クリーン洗浄・梱包済みでお届けします
|
|---|
- ( - ) | 2日目 |
|
- ( - ) | 2日目 |
|
- ( - ) | 2日目 |
|
- ( - ) | 2日目 |
|
- ( - ) | 2日目 |
|
- ( - ) | 2日目 |
|
- ( - ) | 2日目 |
|
- ( - ) | 2日目 |
|
- ( - ) | 2日目 |
|
- ( - ) | 2日目 |
|
- ( - ) | 2日目 |
|
- ( - ) | 2日目 |
|
- ( - ) | 2日目 |
|
- ( - ) | 4日目 |
- |
- ( - ) | 4日目 |
- |
- ( - ) | 4日目 |
- |
- ( - ) | 4日目 |
- |
- ( - ) | 4日目 |
- |
- ( - ) | 4日目 |
- |
- ( - ) | 4日目 |
- |
- ( - ) | 4日目 |
- |
- ( - ) | 2日目 |
- |
- ( - ) | 2日目 |
- |
- ( - ) | 2日目 |
- |
- ( - ) | 2日目 |
- |
- ( - ) | 2日目 |
- |
- ( - ) | 2日目 |
- |
- ( - ) | 2日目 |
- |
- ( - ) | 2日目 |
- |
- ( - ) | 2日目 |
- |
- ( - ) | 2日目 |
- |
- ( - ) | 2日目 |
- |
- ( - ) | 2日目 |
- |
- ( - ) | 2日目 |
- |
- ( - ) | 4日目 |
|
- ( - ) | 4日目 |
|
- ( - ) | 4日目 |
|
- ( - ) | 4日目 |
|
- ( - ) | 4日目 |
|
- ( - ) | 4日目 |
|
- ( - ) | 4日目 |
|
- ( - ) | 4日目 |
|
- ( - ) | 4日目 |
|
- ( - ) | 4日目 |
|
- ( - ) | 4日目 |
|
- ( - ) | 4日目 |
|
- ( - ) | 4日目 |
|
690円 ( 759円 ) | 在庫品1日目当日出荷可能 |
- |
720円 ( 792円 ) | 在庫品1日目当日出荷可能 |
- |
750円 ( 825円 ) | 在庫品1日目当日出荷可能 |
- |
780円 ( 858円 ) | 在庫品1日目当日出荷可能 |
- |
1,000円 ( 1,100円 ) | 在庫品1日目当日出荷可能 |
- |
1,000円 ( 1,100円 ) | 在庫品1日目当日出荷可能 |
- |
- ( - ) | 4日目 |
- |
- ( - ) | 4日目 |
- |
- ( - ) | 4日目 |
- |
- ( - ) | 4日目 |
- |
- ( - ) | 4日目 |
- |
- ( - ) | 4日目 |
- |
- ( - ) | 4日目 |
- |
小頭フラットタイプの裏からボルトで取付ける形状です。圧入に比べメンテナンス性が向上します。
| 数量区分 | 標準対応 | 個別対応 | ||||
| 小口 | 大口 | 大口 | ||||
| 数 量 | 1〜19 | 20〜34 | 35〜49 | 50〜100 | 101~300 | 301〜 |
| 値引率 | 基準単価 | 5% | 10% | 18% | 23% | お見積り |
| 出荷日 | 通常 | +7日 | ||||
| 数量区分 | 標準対応 | 個別対応 | |||||
| 小口 | 大口 | 大口 | |||||
| 数 量 | 1~19 | 20~34 | 35~49 | 50~100 | 101~300 | 301~500 | 501~ |
| 値引率 | 基準単価 | 5% | 10% | 18% | 40% | 55% | お見積り |
| 出荷日 | 通常 | +5日 | |||||



通常価格、通常出荷日が表示と異なる場合がございます
通常価格、通常出荷日が表示と異なる場合がございます

ミスミ
位置決めピン 大頭テーパタイプ -圧入-
4.8通常価格(税別):340円~

ミスミ
位置決めピン 高耐食ステンレス(55・35HRC~/SUS316L)大頭テーパ 圧入
4.7
ミスミ
位置決めピン 先端形状選択タイプ -おねじ-
4.5
ミスミ
位置決めピン 大頭フラットタイプ -圧入-
4.6通常価格(税別):300円~

ミスミ
マーカーピン 六角穴付タイプ
4.4
ミスミ
位置決めピン 先端形状選択タイプ -めねじ(大頭/ストレート)-
4.6
ミスミ
位置決めピン 高耐食ステンレス(55・35HRC~/SUS316L)R/テーパ/テーパR 全ねじ
4.4
ミスミ
位置決めピン 大頭テーパタイプ-テーパ角度指定・公差選択・圧入-
4.4
ミスミ
小径位置決めピン ストレートタイプ
4.7通常価格(税別):300円~