メカニカル部品技術窓口
ミスミ品のみ対象



| Type | [ M ]材質 | [ S ]表面処理 | [ H ]硬度 | 洗浄方法 | ||||
| P寸固定 | P・L・B寸指定 | 洗浄方法 | 洗浄環境 | 梱包形態 | 梱包環境 | |||
| SL-SJPDSTB | SL-SFPDSTC | SUS304* | - | - | 脱脂洗浄 | 一般環境 | 防錆梱包 | 一般環境 |
| SH-SJPDSTB | SH-SFPDSTC | 精密洗浄 | クラス1000 | 脱気2重梱包 | クラス10 | |||
| SHD-SJPDSTB | SHD-SFPDSTC | 電解研磨+精密洗浄 | ||||||
| − | SL-GFPDSTC | SKS3相当 | 硬質クロムメッキ | 焼入硬度 50〜55HRC メッキ硬度 750HV〜 | 脱脂洗浄 | 一般環境 | 防錆梱包 | 一般環境 |
| SH-GFPDSTC | 精密洗浄 | クラス1000 | 脱気2重梱包 | クラス10 | ||||
| − | SL-CFPDSTC | SUS440Cまたは 13Crステンレス | − | 焼入硬度 50〜55HRC | 脱脂洗浄 | 一般環境 | 防錆梱包 | 一般環境 |
| SH-CFPDSTC | 精密洗浄 | クラス1000 | 脱気2重梱包 | クラス10 | ||||
詳細図を記載しておりますので、ご確認ください。| 型式 | − | P | − | L | − | B |
| SL-SJPDSTB6 | − | 4 | ||||
| SH-SFPDSTC6 | − | P4.00 | − | L10 | − | B5.5 |
| SHD-SFPDSTC10 | − | P7.00 | − | L12 | − | B6.0 |
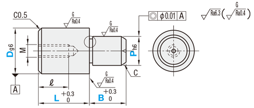
| 型式 | P選択 | L | B | M (並目) | *締付トルク N・cm | ℓ | C | ¥基準単価 | ||||||||
| Type | D | D寸公差g6 | SL-SJPDSTB | SH-SJPDSTB | SHD-SJPDSTB | |||||||||||
| SL-SJPDSTB SH-SJPDSTB SHD-SJPDSTB | 6 | -0.004 -0.012 | 4 | 10 | 3 | M3 | 98 | 5 | 0.5 | 2,040 | 2,540 | 2,840 | ||||
| 8 | -0.005 -0.014 | 6 | 12 | 4 | M4 | 225 | 6 | 1 | 2,080 | 2,580 | 2,880 | |||||
| 10 | 8 | 16 | 5 | M5 | 461 | 8 | 2,120 | 2,620 | 2,920 | |||||||
| 12 | -0.006 -0.017 | 10 | 20 | 6 | 1.5 | 2,160 | 2,660 | 2,960 | ||||||||
| 16 | 10 | 14 | 24 | 10 | M8 | 1911 | 12 | 3 | 2,480 | 2,980 | 3,280 | |||||
| D | P | 質量(g)参考値 | |
| SUS304相当 | SKS3相当 | ||
| 6 | 4 | 2.28 | 2.24 |
| 8 | 6 | 5.12 | 5.03 |
| 10 | 8 | 10.8 | 10.61 |
| 12 | 10 | 20.6 | 20.24 |
| 16 | 10 | 40.04 | 39.34 |
| 14 | 46.07 | 45.26 | |
| 型式 | P 指定0.01mm単位 | L 指定1mm単位 | B 指定0.1mm単位 | M (並目) | *締付トルク N・cm | ℓ | C | ||
| Type | D | D寸公差g6 | |||||||
| SL-SFPDSTC SH-SFPDSTC SHD-SFPDSTC SL-GFPDSTC SH-GFPDSTC SL-CFPDSTC SH-CFPDSTC | 6 | -0.004 -0.012 | 4.00〜6.00 | 8〜17 | 2.0〜15.0 | M3 | 98 | 5 | 0.5 |
| 6T | M2.6 | − | 4 | ||||||
| 8 | -0.005 -0.014 | 6.00〜8.00 | 11〜21 | 2.0〜30.0 | M4 | 225 | 6 | 1 | |
| 10 | 7.00〜10.00 | 11〜23 | 3.0〜30.0 | M5 | 461 | 8 | |||
| 10T | 8〜18 | M4 | 225 | 6 | |||||
| 12 | -0.006 -0.017 | 7.00〜12.00 | 12〜24 | 3.0〜30.0 | M5 | 461 | 8 | 1.5 | |
| 12T | 8〜18 | M4 | 225 | 6 | |||||
| 13 | 8.00〜13.00 | 13〜26 | 5.0〜30.0 | M8 | 1911 | 10 | 2 | ||
| 13T | 10〜20 | M6 | 784 | 9 | |||||
| 16 | 10.00〜16.00 | 16〜32 | 5.0〜30.0 | M8 | 1911 | 12 | 3 | ||
| 16T | 10〜24 | M6 | 784 | 9 | |||||
| 20 | -0.007 -0.020 | 13.00〜20.00 | 20〜40 | 5.0〜30.0 | M8 | 1911 | 12 | ||
| 20T | 12〜30 | M6 | 784 | 9 | |||||
| D | ¥基準単価 | ||||||
| SUS304 | SKS3相当 硬質クロムメッキ | SUS440Cまたは13Crステンレス | |||||
| SL-SFPDSTC | SH-SFPDSTC | SHD-SFPDSTC | SL-GFPDSTC | SH-GFPDSTC | SL-CFPDSTC | SH-CFPDSTC | |
| 6 | 2,810 | 3,310 | 3,610 | 2,680 | 3,180 | 3,060 | 3,560 |
| 6T | 2,810 | 3,310 | 3,610 | 2,680 | 3,180 | 3,060 | 3,560 |
| 8 | 2,890 | 3,390 | 3,690 | 2,760 | 3,260 | 3,140 | 3,640 |
| 10 | 2,950 | 3,450 | 3,750 | 2,820 | 3,320 | 3,210 | 3,710 |
| 10T | 2,910 | 3,410 | 3,710 | 2,780 | 3,280 | 3,160 | 3,660 |
| 12 | 3,020 | 3,520 | 3,820 | 2,880 | 3,380 | 3,290 | 3,790 |
| 12T | 2,970 | 3,470 | 3,770 | 2,830 | 3,330 | 3,230 | 3,730 |
| 13 | 3,100 | 3,600 | 3,900 | 2,950 | 3,450 | 3,380 | 3,880 |
| 13T | 3,060 | 3,560 | 3,860 | 2,910 | 3,410 | 3,330 | 3,830 |
| 16 | 3,650 | 4,150 | 4,450 | 3,470 | 3,970 | 4,010 | 4,510 |
| 16T | 3,580 | 4,080 | 4,380 | 3,420 | 3,920 | 3,950 | 4,450 |
| 20 | 4,230 | 4,730 | 5,030 | 4,010 | 4,510 | 4,670 | 5,170 |
| 20T | 4,160 | 4,660 | 4,960 | 3,950 | 4,450 | 4,600 | 5,100 |
| P | h6 |
| 4.00〜6.00 | 0 −0.008 |
| 6.01〜10.00 | 0 −0.009 |
| 10.01〜18.00 | 0 −0.011 |
| 18.01〜20.00 | 0 −0.013 |
|
|
| 追加工 コード | 追加工内容 | 適用条件 | 指定例 | \/1Code | |||||||||||||||||||||||||||||||
| RC | 首元R加工を追加![]() | 首元の逃げをR0.5に変更します。 [ ! ]D-P≧2の場合に適用 [ NG ]LACとの併用不可 | FPDSTC8-P7.00-L15-B9.5-RC | 300 | |||||||||||||||||||||||||||||||
| CN | C面取りのサイズ変更![]() | P寸部C面取りをC0.5以下に変更します。 [ ! ]D≧8の場合に適用 [ NG ]D寸法には適用不可 | FPDSTC8-P7.00-L15-B9.5-CN | 無料 | |||||||||||||||||||||||||||||||
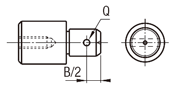
| RAC | 六角穴を追加![]() | 六角穴を追加します。 [ ! ]D≧8に適用 [ ! ]P寸・L寸・B寸指定タイプのみ適用 [ NG ]LACとの併用不可 |
| FPDSTC8-P7.00-L15-B9.5-RAC | 600 | ||||||||||||||||||||||||||||||
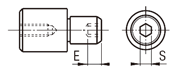
| LAC | レンチ穴を追加![]() | レンチ穴を追加します。 [ ! ]D≧8に適用 [ ! ]P寸・L寸・B寸指定タイプのみ適用 [ NG ]RC・RACとの併用不可 |
レンチ穴寸法
| FPDSTC8-P7.00-L15-B9.5-LAC | 300 | ||||||||||||||||||||||||||||||
洗浄工程| ※材質がステンレスの場合、アルカリ系温水洗浄となることがあります。 | |
| ・脱脂洗浄(型式:SL-□□) | ※表面処理が低温黒色クロムメッキの場合、IPA洗浄となります。 |
作業環境:一般環境 | ||||||
|---|---|---|---|---|---|---|
![]() 炭化水素系洗浄※ Ro水洗浄 中性洗剤洗浄 | ![]() | ![]() 高圧ジェット水洗(Ro水) 後に純水(10MΩ・cm)で 洗浄 | ![]() | ![]() エアブロー(オイルフリー) 使用 | ![]() | ![]() 防錆袋使用 |
| ・精密洗浄(型式:SH-□□) | ※表面処理が低温黒色クロムメッキの場合、IPA洗浄となります。 |
作業環境:クラス1000 | 作業環境:クラス10 | |||||||
|---|---|---|---|---|---|---|---|---|
![]() 炭化水素系洗浄※ Ro水洗浄 中性洗剤洗浄 | ![]() | ![]() 高圧ジェット水洗(Ro水) 後に純水(10MΩ・cm)で 洗浄 | ![]() | ![]() 温純水(13MΩ・cm)使用 | ![]() | ![]() 窒素ブロー使用 | ![]() | ![]() クリーンベンチ(クラス10) で実施 |
作業環境:クラス1000 | 作業環境:クラス10 | |||||||||
|---|---|---|---|---|---|---|---|---|---|---|
![]() 炭化水素系洗浄 Ro水洗浄 中性洗剤洗浄 | ![]() | ![]() 材質に応じた電解研磨槽 で電解研磨 | ![]() | ![]() 高圧ジェット水洗(Ro水) 後に純水(10MΩ・cm)で 洗浄 | ![]() | ![]() 温純水(13MΩ・cm)使用 | ![]() | ![]() 窒素ブロー使用 | ![]() | ![]() クリーンベンチ(クラス10) で実施 |
梱包例| 脱脂洗浄の場合 (TYPE型番:SL-□□) | 精密洗浄または電解研磨+精密洗浄の場合 | |
| (TYPE型番:SH-□□・SHD-□□) | ||
| オーステナイト系ステンレス・アルミ材質の場合 | 鉄・マルテンサイト系ステンレス材質の場合 | |
![]() | ![]() | ![]() |
| 一部商品・サイズによっては、 梱包形態が異なる場合がございます。 | [ ! ]1重目・2重目の梱包とも、脱気されております。 | [ ! ]防錆対策として乾燥剤を同封しております。 1梱包につき1つになります。 |
洗浄効果・利用推奨環境| 洗浄方法 | 商品型番 | 梱包形態 | 未洗浄品と比べた効果 | ご利用環境(目安) | 利用シーン・工程 |
|---|---|---|---|---|---|
| 脱脂洗浄 | SL-□□ | 防錆梱包 | 油分除去 | 一般環境 | 通常組立工程 |
| バッテリー組立後工程 | |||||
| 精密洗浄 | SH-□□ | 脱気2重梱包 | 油分除去 粉塵除去 | クリーン環境(クラス10~1,000) | バッテリー組立工程 |
| 液晶関連組立後工程 | |||||
| 車載カメラ組立工程 | |||||
| 電解研磨+精密洗浄 | SHD-□□ | 脱気2重梱包 | 油分除去 粉塵除去 アウトガス低減 | 真空環境 クリーン環境(クラス10~1,000) | 半導体前工程 |
| 液晶成膜工程 | |||||
| 有機EL前工程 |
| 型番 |
|---|
通常単価(税別)
(税込単価) | 通常出荷日 |
洗浄不要の場合の代替品
|
|---|
- ( - ) | 5日目 |
|
- ( - ) | 5日目 |
|
- ( - ) | 5日目 |
|
- ( - ) | 5日目 |
|
- ( - ) | 5日目 |
|
- ( - ) | 5日目 |
|
- ( - ) | 5日目 |
|
- ( - ) | 5日目 |
|
- ( - ) | 5日目 |
|
- ( - ) | 5日目 |
|
- ( - ) | 5日目 |
|
- ( - ) | 5日目 |
|
- ( - ) | 5日目 |
|
- ( - ) | 6日目 |
|
- ( - ) | 6日目 |
|
- ( - ) | 6日目 |
|
- ( - ) | 6日目 |
|
- ( - ) | 6日目 |
|
- ( - ) | 6日目 |
|
- ( - ) | 6日目 |
|
- ( - ) | 6日目 |
|
- ( - ) | 6日目 |
|
- ( - ) | 6日目 |
|
- ( - ) | 6日目 |
|
- ( - ) | 6日目 |
|
- ( - ) | 6日目 |
|
- ( - ) | 5日目 |
|
- ( - ) | 5日目 |
|
- ( - ) | 5日目 |
|
- ( - ) | 5日目 |
|
- ( - ) | 5日目 |
|
- ( - ) | 5日目 |
|
- ( - ) | 5日目 |
|
- ( - ) | 5日目 |
|
- ( - ) | 5日目 |
|
- ( - ) | 5日目 |
|
- ( - ) | 5日目 |
|
- ( - ) | 5日目 |
|
- ( - ) | 5日目 |
|
- ( - ) | 3日目 |
|
- ( - ) | 3日目 |
|
- ( - ) | 3日目 |
|
- ( - ) | 3日目 |
|
- ( - ) | 3日目 |
|
- ( - ) | 3日目 |
|
- ( - ) | 5日目 |
|
- ( - ) | 5日目 |
|
- ( - ) | 5日目 |
|
- ( - ) | 5日目 |
|
- ( - ) | 5日目 |
|
- ( - ) | 5日目 |
|
- ( - ) | 5日目 |
|
- ( - ) | 5日目 |
|
- ( - ) | 5日目 |
|
- ( - ) | 5日目 |
|
- ( - ) | 5日目 |
|
- ( - ) | 5日目 |
|
- ( - ) | 5日目 |
|
- ( - ) | 3日目 |
|
- ( - ) | 3日目 |
| ・脱脂洗浄(防錆1重梱包) | :型番SL-□□ |
| ・精密洗浄(脱気2重梱包) | :型番SH-□□ |
| ・電解研磨+精密洗浄(脱気2重梱包) | :型番SHD-□□ |
| 商品型番 | 洗浄方法 | 梱包形態 | 未洗浄品と比べた効果 | ご利用環境(目安) | 工程別 |
| SL-□□ | 脱脂洗浄 | 防錆梱包 | 油分除去 | 一般環境 | 通常組立工程 |
| バッテリー組立後工程 | |||||
| SH-□□ | 精密洗浄 | 脱気2重梱包 | 油分除去 粉塵除去 | クリーン環境(クラス10~1,000) | バッテリー組立工程 |
| 液晶関連組立後工程 | |||||
| 車載カメラ組立工程 | |||||
| SHD-□□ | 電解研磨+精密洗浄 | 脱気2重梱包 | 油分除去 粉塵除去 アウトガス低減 | 真空環境 クリーン環境(クラス10~1,000) | 半導体前工程 |
| 液晶成膜工程 | |||||
| 有機EL前工程 |
| 数量区分 | 標準対応 | 個別対応 | |||||
| 小口 | 大口 | 大口 | |||||
| 数 量 | 1~19 | 20~34 | 35~49 | 50~100 | 101~300 | 301~500 | 501~ |
| 値引率 | 基準単価 | 5% | 10% | 18% | 40% | 55% | お見積り |
| 出荷日 | 通常 | +5日 | |||||
| 数量区分 | 標準対応 | 個別対応 | ||||
| 小口 | 大口 | 大口 | ||||
| 数 量 | 1〜19 | 20〜34 | 35〜49 | 50〜100 | 101~300 | 301〜 |
| 値引率 | 基準単価 | 5% | 10% | 18% | 23% | お見積り |
| 出荷日 | 通常 | +7日 | ||||
| 5 | 日目出荷 |
| 6 | 日目出荷 |
| 7 | 日目出荷 |
通常価格、通常出荷日が表示と異なる場合がございます
通常価格、通常出荷日が表示と異なる場合がございます

ミスミ
位置決めピン 大頭テーパタイプ -圧入-
4.8通常価格(税別):340円~

ミスミ
位置決めピン 高耐食ステンレス(55・35HRC~/SUS316L)大頭テーパ 圧入
4.7
ミスミ
位置決めピン 先端形状選択タイプ -おねじ-
4.5
ミスミ
位置決めピン 先端形状選択タイプ -めねじ(大頭/ストレート)-
4.6
ミスミ
位置決めピン 大頭テーパタイプ-テーパ角度指定・公差選択・圧入-
4.4
ミスミ
位置決めピン 高耐食ステンレス(55・35HRC~/SUS316L)R/テーパ/テーパR 全ねじ
4.4
ミスミ
位置決めピン 先端形状選択タイプ -全ねじ-
4.4
ミスミ
位置決めピン 大頭フラットタイプ -圧入-
4.6通常価格(税別):300円~

ミスミ
マーカーピン 六角穴付タイプ
4.4