メカニカル部品技術窓口
ミスミ品のみ対象
・耐食性、耐熱性に優れたSUS316L材を追加しました。・【長さ公差±0.05mm】&【長さバラつき±...
詳細を確認
■全長公差バラつき保証タイプ
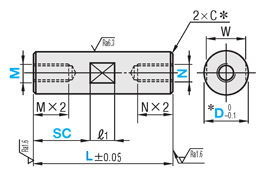
*コーナーはC0.2~0.5
*三価クロメート(黒色)のD部公差は±0.05になります。
[ ! ]めねじ加工によりめねじ部のDが多少ふくらむことがあります。
[ ! ]表面処理なしのスパナ溝付近はバフ研磨のため光沢が出ることがあります。
[ ! ]同軸度等の精度を求める場合は、シャフトをご検討ください。
| 精度 | L寸 | L寸公差 | L寸バラつき |
| 全長公差バラつき保証タイプ | 8≦L≦130 | ±0.05 | ±0.02 |
| 標準タイプ L寸指定 / ねじ径指定 | 8≦L≦300 | ±0.1 | - |
| 300<L≦600 | ±0.3 | ||
| 600<L≦1000 | ±0.4 |
| 精度 | Type | [ M ]材質 | [ S ]表面処理 | ||||
| L寸固定 | L寸指定 | ||||||
| 標準 | スパナ溝付 | ねじ径指定 | ねじ径指定 スパナ溝付 | ||||
| 全長公差バラつき保証タイプ | − | − | − | − | VPETS | SS400相当 | 無電解ニッケルメッキ |
| − | − | − | − | VSETS | SUS304 | − | |
| − | − | − | − | VUSETS | SUS316L | − | |
| 標準タイプ | − | NETRF | NETRS | NETF | NETS | SS400相当 | − |
| ETKR | ETKRF | ETKRS | ETKF | ETKS | 四三酸化鉄皮膜 | ||
| PETR | PETRF | PETRS | PETF | PETS | 無電解ニッケルメッキ | ||
| − | BETRF | BETRS | − | BETS | 三価クロメート(黒色) | ||
| SETR | SETRF | SETRS | SETF | SETS | SUS304 | − | |
| − | AETRF | AETRS | AETTF | AETTS | A2017-T4 | 白アルマイト | |
| − | ABETRF | ABETRS | ABETTF | ABETTS | 黒アルマイト | ||
| 型式 | − | L | − | SC | − | M | − | N |
| VPETS5 ETKR10 ETKRF10 ETKF20 SETS25 | − − − − − | 100 150 150 400 500 | − − | SC50 SC100 | − − | M2.5 M8 M10 | − − − | M2.5 N10 N12 |
| 種類 | 型式 | 標準対応 | 個別対応 | ||||
| 2〜 | 100〜 | 300〜 | 500〜 | 1000〜 | 3001〜 | ||
| 全長公差バラつき保証タイプ | VSETS8-100-SC10-M4-N4 | 1,150 | 1,036 | 694 | 654 | 429 | 429 |
| 標準タイプ | SETS8-100-SC10-M4-N4-LVC-LKC | 1,790 | 1,790 | 1,790 | 1,572 | 1,572 | 1,572 |
| プライスダウン率 | ▲36% | ▲42% | ▲61% | ▲58% | ▲73% | ▲73% | |
| 型式 | L | SC | M・N | W | ℓ1 | |||||||
| Type | D | 指定0.1mm単位 | 指定0.5mm単位 | (並目)選択 | ||||||||
| SS400相当 VPETS SUS304 VSETS SUS316L VUSETS | 5 | 15.0-100.0 | 0-92.0 | 2.5 | 3 | 4 | 8 | |||||
| 6 | 15.0-130.0 | 0-122.0 | 3 | 4 | 5 | |||||||
| 8 | 15.0-130.0 | 0-122.0 | 3 | 4 | 5 | 7 | ||||||
| 10 | 20.0-130.0 | 0-122.0 | 3 | 4 | 5 | 6 | 8 | |||||
| 12 | 25.0-130.0 | 0-120.0 | 4 | 5 | 6 | 8 | 10 | 10 | ||||
| 15 | 30.0-130.0 | 0-120.0 | 5 | 6 | 8 | 10 | 13 | |||||
| 20 | 40.0-130.0 | 0-120.0 | 5 | 6 | 8 | 10 | 17 | |||||
| 型式 | L 選択 | M (並目) | S | W | ℓ1 | |||||||||||||||||||
| Type | D | |||||||||||||||||||||||
| SS400相当 ETKR PETR SUS304 SETR | 6 | 15 | 20 | 25 | 30 | 35 | 40 | 45 | 50 | 3 | 3.5 | 5 | 8 | |||||||||||
| 8 | 20 | 25 | 30 | 35 | 40 | 45 | 50 | 60 | 70 | 80 | 90 | 100 | 110 | 120 | 130 | 140 | 150 | 4 | 6 | 7 | ||||
| 10 | 20 | 25 | 30 | 35 | 40 | 45 | 50 | 60 | 70 | 80 | 90 | 100 | 110 | 120 | 130 | 140 | 150 | 200 | 5 | 6 | 8 | |||
| 12 | 25 | 30 | 35 | 40 | 45 | 50 | 60 | 70 | 80 | 90 | 100 | 110 | 120 | 130 | 140 | 150 | 200 | 6 | 7.5 | 10 | 10 | |||
| 15 | 35 | 40 | 45 | 50 | 60 | 70 | 80 | 90 | 100 | 110 | 120 | 130 | 140 | 150 | 200 | 8 | 10 | 13 | ||||||
| 20 | 40 | 45 | 50 | 60 | 70 | 80 | 90 | 100 | 110 | 120 | 130 | 140 | 150 | 200 | 10 | 15 | 17 | |||||||
型式 | L | SC | M (並目) | W | ℓ1 | ||||
[ ! ]指定0.1mm単位 *D=5,35,40,50は指定0.5mm単位 | 指定0.5mm単位 [ ! ]スパナ溝付のみ | ||||||||
Type | D | NETRF / NETRS ETKRF / ETKRS PETRF / PETRS SETRF / SETRS | BETRF BETRS | NETRS ETKRS PETRS SETRS | BETRS | ||||
L寸指定・ 標準 | L寸指定・ スパナ溝付 | *5 | 8.0-100.0 | 8.0-100.0 | 0-92.0 | 0-92.0 | 2.6 | 4 | 8 |
6 | 8.0-300.0 | 8.0-100.0 | 0-292.0 | 0-92.0 | 3 | 5 | |||
8 | 10.0-400.0 | 10.0-200.0 | 0-392.0 | 0-192.0 | 4 | 7 | |||
SS400相当 | SS400相当 | 10 | 15.0-600.0 | 15.0-400.0 | 0-592.0 | 0-392.0 | 5 | 8 | |
NETRF | NETRS | 12 | 25.0-700.0 | 25.0-500.0 | 0-690.0 | 0-490.0 | 6 | 10 | 10 |
ETKRF | ETKRS | 15 | 25.0-800.0 | 25.0-600.0 | 0-790.0 | 0-590.0 | 8 | 13 | |
PETRF | PETRS | 20 | 30.0-800.0 | 30.0-600.0 | 0-790.0 | 0-590.0 | 10 | 17 | |
BETRF | BETRS | 25 | 40.0-900.0 | 40.0-700.0 | 0-890.0 | 0-690.0 | 12 | 22 | |
30 | 50.0-1000.0 | 50.0-800.0 | 0-985.0 | 0-785.0 | 16 | 27 | 15 | ||
SUS304 | SUS304 | *35 | 50.0-900.0 | - | 0-885.0 | - | 16 | 30 | |
SETRF(D≦30) | SETRS(D≦30) | *40 | 60.0-1000.0 | - | 0-980.0 | - | 20 | 36 | 20 |
*50 | 75.0-1000.0 | - | 0-980.0 | - | 24 | 41 | |||
型式 | L | SC | M (並目) | W | ℓ1 | ||||
[ ! ]指定0.1mm単位 | 指定0.5mm単位 [ ! ]スパナ溝付のみ | ||||||||
Type | D | AETRF AETRS | ABETRF ABETRS | AETRS | ABETRS | ||||
L寸指定・ 標準 | L寸指定・ スパナ溝付 | 6 | 8.0-100.0 | 8.0-100.0 | 0-92.0 | 0-92.0 | 3 | 5 | 8 |
8 | 10.0-200.0 | 10.0-200.0 | 0-192.0 | 0-192.0 | 4 | 7 | |||
10 | 15.0-400.0 | 15.0-400.0 | 0-392.0 | 0-392.0 | 5 | 8 | |||
A2017 | A2017 | 12 | 25.0-500.0 | 25.0-500.0 | 0-490.0 | 0-490.0 | 6 | 10 | 10 |
AETRF | AETRS | 15 | 25.0-600.0 | 25.0-500.0 | 0-590.0 | 0-490.0 | 8 | 13 | |
ABETRF (D≦20) | ABETRS(D≦20) | 20 | 30.0-600.0 | 30.0-500.0 | 0-590.0 | 0-490.0 | 10 | 17 | |
25 | 40.0-700.0 | - | 0-690.0 | - | 12 | 22 | |||
30 | 50.0-800.0 | - | 0-785.0 | - | 16 | 27 | 15 | ||
型式 | L | SC | M・N | W | ℓ1 | ||||||||||||||
[ ! ]指定0.1mm単位 *D=5,35,40,50は指定0.5mm単位 | 指定0.5mm単位 [ ! ]スパナ溝付のみ | (並目)選択 | |||||||||||||||||
Type | D | NETF / NETS ETKF / ETKS PETF / PETS SETF / SETS | BETS | NETS ETKS PETS SETS | BETS | ||||||||||||||
ねじ径指定 | ねじ径指定・ スパナ溝付 | *5 | 15.0-100.0 | 15.0-100.0 | 0-92.0 | 0-92.0 | 2.6 | 3 | 4 | 8 | |||||||||
6 | 15.0-300.0 | 15.0-100.0 | 0-292.0 | 0-92.0 | 3 | 4 | 5 | ||||||||||||
8 | 15.0-400.0 | 15.0-200.0 | 0-392.0 | 0-192.0 | 3 | 4 | 5 | 7 | |||||||||||
SS400相当 | SS400相当 | 10 | 20.0-600.0 | 20.0-400.0 | 0-592.0 | 0-392.0 | 3 | 4 | 5 | 6 | 8 | ||||||||
NETF | NETS | 12 | 25.0-700.0 | 25.0-500.0 | 0-690.0 | 0-490.0 | 4 | 5 | 6 | 8 | 10 | 10 | |||||||
ETKF | ETKS | 15 | 30.0-800.0 | 30.0-600.0 | 0-790.0 | 0-590.0 | 5 | 6 | 8 | 10 | 13 | ||||||||
PETF | PETS | 20 | 40.0-800.0 | 40.0-600.0 | 0-790.0 | 0-590.0 | 5 | 6 | 8 | 10 | 12 | 17 | |||||||
BETS | 25 | 50.0-900.0 | 50.0-700.0 | 0-890.0 | 0-690.0 | 5 | 6 | 8 | 10 | 12 | 16 | 22 | |||||||
30 | 60.0-1000.0 | 60.0-800.0 | 0-985.0 | 0-785.0 | 5 | 6 | 8 | 10 | 12 | 16 | 20 | 27 | 15 | ||||||
SUS304 | SUS304 | *35 | 75.0-900.0 | - | 0-885.0 | - | 6 | 8 | 10 | 12 | 16 | 20 | 24 | 30 | |||||
SETF(D≦30) | SETS(D≦30) | *40 | 75.0-1000.0 | - | 0-980.0 | - | 8 | 10 | 12 | 16 | 20 | 24 | 36 | 20 | |||||
*50 | 75.0-1000.0 | - | 0-980.0 | - | 10 | 12 | 16 | 20 | 24 | 41 | |||||||||
型式 | L | SC | M・N | W | ℓ1 | ||||||||||||
[ ! ]指定0.1mm単位 | 指定0.5mm単位 [ ! ]スパナ溝付のみ | (並目)選択 | |||||||||||||||
Type | D | AETTF AETTS | ABETTF ABETTS | AETTS | ABETTS | ||||||||||||
ねじ径指定 | ねじ径指定・ スパナ溝付 | 6 | 15.0-100.0 | 15.0-100.0 | 0-92.0 | 0-92.0 | 3 | 4 | 5 | 8 | |||||||
8 | 15.0-200.0 | 15.0-200.0 | 0-192.0 | 0-192.0 | 3 | 4 | 5 | 7 | |||||||||
10 | 20.0-400.0 | 20.0-400.0 | 0-392.0 | 0-392.0 | 3 | 4 | 5 | 6 | 8 | ||||||||
A2017 | A2017 | 12 | 25.0-500.0 | 25.0-500.0 | 0-490.0 | 0-490.0 | 4 | 5 | 6 | 8 | 10 | 10 | |||||
AETTF | AETTS | 15 | 30.0-600.0 | 30.0-500.0 | 0-590.0 | 0-490.0 | 5 | 6 | 8 | 10 | 13 | ||||||
ABETTF (D≦20) | ABETTS (D≦20) | 20 | 40.0-600.0 | 40.0-500.0 | 0-590.0 | 0-490.0 | 5 | 6 | 8 | 10 | 12 | 17 | |||||
25 | 50.0-700.0 | - | 0-690.0 | - | 5 | 6 | 8 | 10 | 12 | 16 | 22 | ||||||
30 | 60.0-800.0 | - | 0-785.0 | - | 5 | 6 | 8 | 10 | 12 | 16 | 20 | 27 | 15 | ||||
| 型式 | − | L | − | SC | − | M | − | N | − | (LKC・HL) |
| ETKRF10 ETKF20 SETS25 | − − − | 150.3 400 500 | − | SC100 | − − | MD8 M10 | − − | N10 N12 | − − − | LKC LKC HL300 |
| Alterations | L寸公差変更 | 全長(L寸)精度変更 | めねじ部有効長変更 | 六角レンチ用通し穴 | |||||||||||||||||||||||||||||||||||||||
![]() | ![]() | ![]() | ![]() | ||||||||||||||||||||||||||||||||||||||||
| Code | LKC | LVC | MD・ND | HL | |||||||||||||||||||||||||||||||||||||||
| Spec. | L寸法公差は以下のようになります。 指定方法 LKC LKC使用時、L寸単位0.1mm指定可
[ NG ]全長公差バラつき保証タイプは | 複数注文時、各L寸法のバラつきを ±0.02mm以内に致します。 指定方法 LVC [ ! ]1明細行のご注文数量に上限があります。 [ NG ]全長公差バラつき保証タイプは標準でL寸 バラつき±0.02以内のため適用不可 | めねじ部の有効長をM(N)×3に変更します。 指定方法 MD6/ND6 (MをMD・NをNDに変更) [ ! ]MD×3+ND×3≦L [ ! ]ねじ径指定のみ適用 [ NG ]M(N)2.6は適用不可 | HL=指定1mm単位 指定方法 HL10 [ ! ]d/2+5≦HL≦L-(d/2+5) [ ! ]8≦D≦30のみ適用
[ NG ]L寸固定は適用不可 | |||||||||||||||||||||||||||||||||||||||
| ¥/1Code | 400 | 50 | 200 | 400 | |||||||||||||||||||||||||||||||||||||||
| 材質 / 表面処理 | 対面幅B | 追加工LVC 1明細行あたり上限数量 |
| 一般構造用鋼 / 処理なし 一般構造用鋼 / 四三酸化鉄被膜 一般構造用鋼 / 無電解ニッケルメッキ SUS304 | 6~20 | 100本/明細行 |
| 5、25~50 | 20本/明細行 | |
| 一般構造用鋼 / 三価クロメート(黒色) A2017-T4 / 白アルマイト | 5~50 |
| 型番 |
|---|
通常単価(税別)
(税込単価) | 通常出荷日 |
|---|
- ( - ) | 5日目 |
- ( - ) | 5日目 |
- ( - ) | 5日目 |
- ( - ) | 5日目 |
- ( - ) | 5日目 |
- ( - ) | 5日目 |
- ( - ) | 5日目 |
- ( - ) | 5日目 |
- ( - ) | 5日目 |
- ( - ) | 5日目 |
- ( - ) | 5日目 |
- ( - ) | 5日目 |
- ( - ) | 5日目 |
- ( - ) | 5日目 |
- ( - ) | 5日目 |
- ( - ) | 5日目 |
- ( - ) | 5日目 |
- ( - ) | 5日目 |
- ( - ) | 5日目 |
- ( - ) | 5日目 |
- ( - ) | 5日目 |
- ( - ) | 5日目 |
- ( - ) | 5日目 |
- ( - ) | 5日目 |
- ( - ) | 5日目 |
- ( - ) | 5日目 |
- ( - ) | 5日目 |
- ( - ) | 5日目 |
- ( - ) | 5日目 |
- ( - ) | 5日目 |
- ( - ) | 5日目 |
- ( - ) | 5日目 |
- ( - ) | 5日目 |
- ( - ) | 5日目 |
- ( - ) | 5日目 |
- ( - ) | 5日目 |
- ( - ) | 5日目 |
- ( - ) | 5日目 |
- ( - ) | 5日目 |
- ( - ) | 5日目 |
- ( - ) | 5日目 |
- ( - ) | 5日目 |
- ( - ) | 5日目 |
- ( - ) | 5日目 |
- ( - ) | 5日目 |
- ( - ) | 5日目 |
- ( - ) | 5日目 |
- ( - ) | 5日目 |
- ( - ) | 5日目 |
- ( - ) | 5日目 |
- ( - ) | 5日目 |
- ( - ) | 5日目 |
- ( - ) | 5日目 |
- ( - ) | 5日目 |
- ( - ) | 5日目 |
- ( - ) | 5日目 |
- ( - ) | 5日目 |
- ( - ) | 5日目 |
- ( - ) | 5日目 |
- ( - ) | 5日目 |
・耐食性、耐熱性に優れたSUS316L材を追加しました。
・【長さ公差±0.05mm】&【長さバラつき±0.02mm】を保証した規格となります。
既存追加工のLVC+LKCをご希望の場合は、全長公差バラつき保証タイプでより安価にご購入いただけます。
詳しくは価格比較表をご確認ください。
| Type | D | ¥基準単価 | ||||||||
| SS400相当 無電解ニッケルメッキ VPETS | SUS304 VSETS | SUS316L VUSETS | ||||||||
| 最短L 〜50 | L50.1 ~100 | L100.1 ~130 | 最短L 〜50 | L50.1 ~100 | L100.1 ~130 | 最短L 〜50 | L50.1 ~100 | L100.1 ~130 | ||
| VPETS VSETS VUSETS | 5 | 1,030 | 1,040 | - | 1,100 | 1,110 | - | 1,430 | 1,500 | - |
| 6 | 1,080 | 1,090 | 1,100 | 1,120 | 1,130 | 1,140 | 1,430 | 1,530 | 1,580 | |
| 8 | 1,110 | 1,120 | 1,130 | 1,140 | 1,150 | 1,160 | 1,450 | 1,530 | 1,580 | |
| 10 | 1,120 | 1,130 | 1,140 | 1,150 | 1,160 | 1,170 | 1,480 | 1,560 | 1,600 | |
| 12 | 1,150 | 1,170 | 1,190 | 1,190 | 1,220 | 1,240 | 1,480 | 1,560 | 1,600 | |
| 15 | 1,250 | 1,340 | 1,420 | 1,370 | 1,460 | 1,550 | 1,510 | 1,610 | 1,760 | |
| 20 | 1,530 | 1,620 | 1,730 | 1,660 | 1,760 | 1,850 | 1,830 | 1,940 | 2,050 | |
| Type | D | ¥基準単価 | |||||||||||
| SS400相当 四三酸化鉄皮膜 ETKR | SS400相当 無電解ニッケルメッキ PETR | SUS304 SETR | |||||||||||
| 最短L 〜50 | L60 〜100 | L110 〜150 | L200 | 最短L 〜50 | L60 〜100 | L110 〜150 | L200 | 最短L 〜50 | L60 〜100 | L110 〜150 | L200 | ||
| ETKR PETR SETR | 6 | 430 | - | - | - | 480 | - | - | - | 540 | - | - | - |
| 8 | 450 | 490 | 540 | - | 500 | 550 | 600 | - | 580 | 600 | 620 | - | |
| 10 | 480 | 510 | 550 | 590 | 530 | 560 | 610 | 650 | 590 | 610 | 650 | 720 | |
| 12 | 500 | 550 | 600 | 660 | 560 | 610 | 650 | 720 | 610 | 660 | 750 | 860 | |
| 15 | 550 | 650 | 790 | 920 | 610 | 740 | 880 | 1,060 | 690 | 870 | 1,060 | 1,270 | |
| 20 | 630 | 780 | 950 | 1,120 | 680 | 880 | 1,090 | 1,310 | 800 | 1,080 | 1,300 | 1,500 | |
| 型式 | ¥基準単価 | |||||||||
| Type | D | 最短L 〜50 | L50.1 ~100 | L100.1 ~150 | L150.1 ~200 | L200.1 〜300 | L300.1 〜400 | L400.1 〜600 | L600.1 〜800 | L800.1 〜1000 |
SS400相当 NETRF NETRS *スパナ溝付は 右記価格表に +420円 | 5 | 390 | 400 | 410 | 420 | - | - | - | - | - |
| 6 | 420 | 430 | 440 | 450 | 460 | - | - | - | - | |
| 8 | 430 | 440 | 450 | 460 | 470 | 480 | - | - | - | |
| 10 | 440 | 450 | 460 | 470 | 500 | 510 | 770 | - | - | |
| 12 | 460 | 480 | 500 | 530 | 790 | 950 | 1,200 | 1,450 | - | |
| 15 | 530 | 610 | 690 | 780 | 920 | 1,080 | 1,330 | 1,590 | - | |
| 20 | 610 | 700 | 800 | 890 | 1,090 | 1,310 | 1,480 | 1,650 | - | |
| 25 | 820 | 910 | 1,010 | 1,100 | 1,280 | 1,430 | 1,660 | 2,150 | 2,650 | |
| 30 | 970 | 1,090 | 1,220 | 1,340 | 1,580 | 1,850 | 2,290 | 2,660 | 3,020 | |
| 35 | 1,370 | 1,500 | 1,640 | 1,770 | 2,070 | 2,360 | 2,840 | 3,600 | 4,570 | |
| 40 | - | 1,810 | 1,950 | 2,100 | 2,510 | 2,950 | 3,660 | 4,650 | 5,650 | |
| 50 | - | 2,560 | 2,800 | 3,050 | 3,600 | 4,140 | 4,990 | 6,390 | 7,930 | |
SS400相当 四三酸化鉄皮膜 ETKRF ETKRS *スパナ溝付は 右記価格表に +420円 | 5 | 430 | 440 | 450 | 460 | - | - | - | - | - |
| 6 | 440 | 450 | 460 | 470 | 480 | - | - | - | - | |
| 8 | 460 | 470 | 480 | 490 | 500 | 510 | - | - | - | |
| 10 | 470 | 480 | 490 | 500 | 550 | 560 | 920 | - | - | |
| 12 | 500 | 530 | 550 | 570 | 840 | 1,000 | 1,370 | 1,730 | - | |
| 15 | 570 | 650 | 740 | 820 | 1,000 | 1,160 | 1,450 | 1,740 | - | |
| 20 | 660 | 760 | 850 | 950 | 1,190 | 1,410 | 1,610 | 1,810 | - | |
| 25 | 870 | 970 | 1,060 | 1,160 | 1,470 | 1,620 | 2,020 | 2,770 | 3,530 | |
| 30 | 1,100 | 1,230 | 1,350 | 1,480 | 1,920 | 2,190 | 2,850 | 3,360 | 3,870 | |
| 35 | 1,490 | 1,630 | 1,760 | 1,900 | 2,470 | 2,760 | 3,530 | 4,560 | 5,870 | |
| 40 | - | 2,040 | 2,180 | 2,330 | 3,190 | 3,630 | 4,610 | 5,920 | 7,220 | |
| 50 | - | 2,910 | 3,150 | 3,390 | 4,580 | 5,110 | 6,550 | 8,360 | 10,380 | |
SS400相当 無電解ニッケルメッキ PETRF PETRS *スパナ溝付は 右記価格表に +420円 | 5 | 480 | 490 | 500 | 510 | - | - | - | - | - |
| 6 | 500 | 510 | 530 | 540 | 550 | - | - | - | - | |
| 8 | 530 | 540 | 550 | 560 | 570 | 580 | - | - | - | |
| 10 | 540 | 550 | 560 | 570 | 610 | 620 | 1,060 | - | - | |
| 12 | 570 | 590 | 610 | 630 | 950 | 1,100 | 1,540 | 1,980 | - | |
| 15 | 640 | 720 | 810 | 890 | 1,210 | 1,370 | 1,770 | 2,180 | - | |
| 20 | 900 | 1,000 | 1,090 | 1,190 | 1,680 | 1,900 | 2,380 | 2,870 | - | |
| 25 | 1,230 | 1,320 | 1,420 | 1,510 | 2,180 | 2,330 | 3,070 | 4,320 | 5,570 | |
| 30 | 1,560 | 1,690 | 1,820 | 1,940 | 2,810 | 3,090 | 4,160 | 5,090 | 6,030 | |
| 35 | 1,960 | 2,100 | 2,240 | 2,370 | 3,410 | 3,710 | 4,940 | 6,430 | 8,360 | |
| 40 | - | 2,670 | 2,810 | 2,960 | 4,430 | 4,870 | 6,460 | 8,360 | 10,280 | |
| 50 | - | 3,740 | 3,980 | 4,220 | 6,170 | 6,710 | 8,950 | 11,540 | 14,360 | |
SS400相当 三価クロメート BETRF BETRS *スパナ溝付は 右記価格表に +420円 | 5 | 560 | 570 | 580 | 590 | - | - | - | - | - |
| 6 | 530 | 540 | 550 | 560 | - | - | - | - | - | |
| 8 | 550 | 560 | 570 | 580 | - | - | - | - | - | |
| 10 | 560 | 570 | 580 | 590 | 630 | 640 | - | - | - | |
| 12 | 590 | 610 | 630 | 650 | 980 | 1,130 | 1,590 | - | - | |
| 15 | 660 | 750 | 830 | 910 | 1,240 | 1,400 | 1,820 | - | - | |
| 20 | 920 | 1,020 | 1,110 | 1,210 | 1,720 | 1,940 | 2,440 | - | - | |
| 25 | 1,260 | 1,350 | 1,450 | 1,540 | 2,230 | 2,370 | 3,120 | 4,380 | - | |
| 30 | 1,600 | 1,720 | 1,850 | 1,970 | 2,870 | 3,140 | 4,230 | 5,180 | - | |
SUS304 SETRF SETRS *スパナ溝付は 右記価格表に +420円 | 5 | 570 | 580 | 590 | 600 | - | - | - | - | - |
| 6 | 540 | 550 | 560 | 570 | 580 | - | - | - | - | |
| 8 | 560 | 570 | 580 | 590 | 600 | 610 | - | - | - | |
| 10 | 570 | 580 | 590 | 600 | 690 | 700 | 1,420 | - | - | |
| 12 | 600 | 620 | 640 | 660 | 1,090 | 1,250 | 1,960 | 2,680 | - | |
| 15 | 740 | 820 | 900 | 990 | 1,410 | 1,560 | 2,070 | 2,570 | - | |
| 20 | 1,000 | 1,090 | 1,190 | 1,280 | 1,960 | 2,180 | 2,820 | 3,470 | - | |
| 25 | 1,470 | 1,560 | 1,660 | 1,750 | 2,760 | 2,910 | 4,040 | 5,930 | 7,820 | |
| 30 | 2,060 | 2,180 | 2,310 | 2,440 | 3,750 | 4,020 | 5,890 | 7,150 | 8,410 | |
A2017 白アルマイト(×1.0) AETRF AETRS 黒アルマイト(×1.1) ABETRF ABETRS *スパナ溝付は 右記価格表に +420円 | *6 | 540 | 550 | - | - | - | - | - | - | - |
*8 | 580 | 590 | - | - | - | - | - | - | - | |
| *10 | 650 | 660 | 670 | 680 | 910 | 920 | - | - | - | |
| *12 | 760 | 780 | 800 | 820 | 1,180 | 1,330 | 1,800 | - | - | |
| *15 | 880 | 970 | 1,050 | 1,130 | 1,410 | 1,560 | 2,050 | - | - | |
| *20 | 1,110 | 1,210 | 1,300 | 1,400 | 1,840 | 2,060 | 2,510 | - | - | |
25 | 1,440 | 1,530 | 1,630 | 1,720 | 2,430 | 2,570 | 3,440 | 4,900 | - | |
30 | 1,970 | 2,100 | 2,230 | 2,350 | 3,480 | 3,750 | 5,020 | 6,000 | - | |
| 型式 | ¥基準単価 | |||||||||
| Type | D | 最短L 〜50 | L50.1 ~100 | L100.1 ~150 | L150.1 ~200 | L200.1 〜300 | L300.1 〜400 | L400.1 〜600 | L600.1 〜800 | L800.1 〜1000 |
SS400相当 NETF NETS *スパナ溝付は 右記価格表に +420円 | 5 | 460 | 470 | 480 | 490 | - | - | - | - | - |
| 6 | 490 | 500 | 510 | 530 | 540 | - | - | - | - | |
| 8 | 510 | 530 | 540 | 550 | 560 | 570 | - | - | - | |
| 10 | 530 | 540 | 550 | 560 | 570 | 580 | 900 | - | - | |
| 12 | 560 | 580 | 600 | 620 | 880 | 1,040 | 1,370 | 1,690 | - | |
| 15 | 620 | 700 | 790 | 870 | 1,030 | 1,190 | 1,490 | 1,800 | - | |
| 20 | 720 | 820 | 910 | 1,010 | 1,230 | 1,450 | 1,650 | 1,850 | - | |
| 25 | 950 | 1,040 | 1,130 | 1,230 | 1,410 | 1,550 | 1,840 | 2,400 | 2,970 | |
| 30 | - | 1,260 | 1,390 | 1,510 | 1,750 | 2,030 | 2,550 | 2,940 | 3,330 | |
| 35 | - | 1,690 | 1,830 | 1,960 | 2,340 | 2,640 | 3,230 | 4,080 | 5,150 | |
| 40 | - | 2,040 | 2,180 | 2,330 | 2,850 | 3,290 | 4,130 | 5,240 | 6,340 | |
| 50 | - | 2,880 | 3,120 | 3,360 | 4,080 | 4,620 | 5,660 | 7,210 | 8,940 | |
SS400相当 四三酸化鉄皮膜 ETKF ETKS *スパナ溝付は 右記価格表に +420円 | 5 | 500 | 510 | 530 | 540 | - | - | - | - | - |
| 6 | 540 | 550 | 560 | 570 | 580 | - | - | - | - | |
| 8 | 560 | 570 | 580 | 590 | 600 | 610 | - | - | - | |
| 10 | 570 | 580 | 590 | 600 | 620 | 630 | 1,010 | - | - | |
| 12 | 600 | 620 | 640 | 660 | 960 | 1,110 | 1,490 | 1,870 | - | |
| 15 | 670 | 760 | 840 | 920 | 1,110 | 1,270 | 1,620 | 1,960 | - | |
| 20 | 790 | 880 | 980 | 1,070 | 1,320 | 1,540 | 1,790 | 2,030 | - | |
| 25 | 1,030 | 1,120 | 1,220 | 1,310 | 1,630 | 1,770 | 2,240 | 3,080 | 3,920 | |
| 30 | - | 1,410 | 1,530 | 1,660 | 2,130 | 2,400 | 3,130 | 3,680 | 4,220 | |
| 35 | - | 1,820 | 1,950 | 2,090 | 2,760 | 3,060 | 3,930 | 5,060 | 6,510 | |
| 40 | - | 2,270 | 2,420 | 2,560 | 3,550 | 3,990 | 5,110 | 6,530 | 7,960 | |
| 50 | - | 3,240 | 3,490 | 3,730 | 5,080 | 5,620 | 7,270 | 9,220 | 11,430 | |
SS400相当 無電解ニッケルメッキ PETF PETS *スパナ溝付は 右記価格表に +420円 | 5 | 560 | 570 | 580 | 590 | - | - | - | - | - |
| 6 | 600 | 610 | 620 | 630 | 640 | - | - | - | - | |
| 8 | 630 | 640 | 650 | 660 | 670 | 680 | - | - | - | |
| 10 | 640 | 650 | 660 | 670 | 690 | 700 | 1,120 | - | - | |
| 12 | 670 | 690 | 710 | 740 | 1,060 | 1,220 | 1,640 | 2,060 | - | |
| 15 | 770 | 850 | 930 | 1,020 | 1,330 | 1,490 | 1,960 | 2,440 | - | |
| 20 | 1,030 | 1,120 | 1,220 | 1,310 | 1,840 | 2,060 | 2,600 | 3,150 | - | |
| 25 | 1,420 | 1,510 | 1,610 | 1,700 | 2,370 | 2,520 | 3,300 | 4,590 | 5,880 | |
| 30 | - | 1,910 | 2,040 | 2,160 | 3,060 | 3,330 | 4,490 | 5,440 | 6,380 | |
| 35 | - | 2,310 | 2,450 | 2,580 | 3,730 | 4,020 | 5,360 | 6,970 | 9,060 | |
| 40 | - | 2,920 | 3,070 | 3,210 | 4,810 | 5,250 | 6,980 | 9,010 | 11,040 | |
| 50 | - | 4,070 | 4,320 | 4,560 | 6,720 | 7,260 | 9,700 | 12,440 | 15,480 | |
SS400相当 三価クロメート BETS *スパナ溝付は 右記価格表に +420円 | 5 | 630 | 640 | 650 | 660 | - | - | - | - | - |
| 6 | 620 | 630 | 640 | 650 | - | - | - | - | - | |
| 8 | 650 | 660 | 670 | 680 | - | - | - | - | - | |
| 10 | 660 | 670 | 680 | 690 | 710 | 720 | - | - | - | |
| 12 | 690 | 710 | 740 | 760 | 1,090 | 1,250 | 1,690 | - | - | |
| 15 | 790 | 870 | 960 | 1,040 | 1,380 | 1,530 | 2,020 | - | - | |
| 20 | 1,060 | 1,160 | 1,250 | 1,340 | 1,880 | 2,100 | 2,660 | - | - | |
| 25 | 1,450 | 1,540 | 1,640 | 1,730 | 2,430 | 2,570 | 3,360 | 4,660 | - | |
| 30 | - | 1,950 | 2,080 | 2,210 | 3,120 | 3,390 | 4,580 | 5,530 | - | |
SUS304 SETF SETS *スパナ溝付は 右記価格表に +420円 | 5 | 670 | 680 | 690 | 700 | - | - | - | - | - |
| 6 | 640 | 650 | 660 | 670 | 680 | - | - | - | - | |
| 8 | 660 | 670 | 680 | 690 | 700 | 710 | - | - | - | |
| 10 | 670 | 680 | 690 | 700 | 800 | 810 | 1,500 | - | - | |
| 12 | 710 | 740 | 760 | 780 | 1,230 | 1,390 | 2,080 | 2,770 | - | |
| 15 | 880 | 970 | 1,050 | 1,130 | 1,610 | 1,760 | 2,350 | 2,940 | - | |
| 20 | 1,160 | 1,250 | 1,340 | 1,440 | 2,190 | 2,420 | 3,160 | 3,910 | - | |
| 25 | 1,720 | 1,820 | 1,910 | 2,010 | 3,070 | 3,210 | 4,490 | 6,600 | 8,720 | |
| 30 | - | 2,540 | 2,670 | 2,790 | 4,160 | 4,430 | 6,590 | 7,930 | 9,260 | |
A2017 白アルマイト(×1.0) AETTF AETTS 黒アルマイト(×1.1) ABETTF ABETTS *スパナ溝付は 右記価格表に +420円 | *6 | 640 | 650 | - | - | - | - | - | - | - |
| *8 | 690 | 700 | - | - | - | - | - | - | - | |
| *10 | 770 | 780 | 790 | 800 | 1,040 | 1,050 | - | - | - | |
| *12 | 900 | 920 | 950 | 970 | 1,310 | 1,470 | 1,880 | - | - | |
| *15 | 1,050 | 1,130 | 1,220 | 1,300 | 1,580 | 1,730 | 2,300 | - | - | |
| *20 | 1,320 | 1,420 | 1,510 | 1,610 | 2,050 | 2,270 | 2,820 | - | - | |
| 25 | 1,730 | 1,830 | 1,920 | 2,020 | 2,750 | 2,900 | 3,890 | 5,490 | - | |
| 30 | - | 2,510 | 2,640 | 2,760 | 3,960 | 4,230 | 5,690 | 6,770 | - | |
| 3 | 日目出荷 |
| 2 | 日目出荷 |
| ご注文締切 | |||||
| 急 | ストークT | 当日出荷 | 600円/1本 | 正午迄 | >>こちら |
| ストークA早割 | 翌日出荷 | 300円/1明細行 | PM 3:00迄 | ||
| ストークA | 翌日出荷 | 300円/1本 | PM 6:00迄 | ||
| 2 | 日目出荷 |
| ご注文締切 | |||||
| 急 | ストークA早割 | 翌日出荷 | 300円/1明細行 | PM 3:00迄 | >>こちら |
| ストークA | 翌日出荷 | 800円/1本 | PM 6:00迄 | ||
| 5 | 日目出荷 |
出荷日については、こちらをご覧ください。




通常価格、通常出荷日が表示と異なる場合がございます
通常価格、通常出荷日が表示と異なる場合がございます

ミスミ
六角支柱-片端おねじ片端めねじ【全長公差バラつき保証タイプ・標準タイプ】
4.5
ミスミ
六角支柱-両端めねじ【全長公差バラつき保証タイプ・標準タイプ】
4.6
ミスミ
円形支柱-片端おねじ片端めねじ【全長公差バラつき保証タイプ・標準タイプ】
4.5
ミスミ
円形支柱-両端めねじ【全長公差バラつき保証タイプ・標準タイプ】
4.6
ミスミ
六角支柱-並目ねじ径長さ指定片端おねじ片端めねじ-
4.5
ミスミ
【黄銅・SUS・鉄】 金属スペーサー(小径六角支柱) 片端おねじ片端めねじ
4.6通常価格(税別):31円~

ミスミ
円形支柱-片端おねじ-【全長公差バラつき保証タイプ・標準タイプ】
4.5
ミスミ
円形支柱-片端めねじ-【全長公差バラつき保証タイプ・標準タイプ】
4.5
ミスミ
【エコノミーシリーズ】 RoHS対応 六角支柱 片端おねじ・片端めねじタイプ
4.7通常価格(税別):165円~