メカニカル部品技術窓口
ミスミ品のみ対象

「脱脂洗浄」「精密洗浄」「電解研磨+精密洗浄」3種類の洗浄方法が選択可能、いずれも標準型番で1個からご...
詳細を確認
■全長公差バラつき保証タイプ
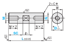
*コーナーはC0.2~0.5
*三価クロメート(黒色)のD部公差は±0.05になります。
[ ! ]めねじ加工によりめねじ部のDが多少ふくらむことがあります。
[ ! ]表面処理なしのスパナ溝付近はバフ研磨のため光沢が出ることがあります。
[ ! ]三価クロメート(黒色)、白・黒アルマイトはめねじ内部に表面処理されない場合があります。
[ ! ]L≧M×2+N×2
[ ! ]SC≦Lーℓ1
[ ! ]スパナ溝付近は研磨のため光沢が出ることがあります。
[ ! ]同軸度等の精度を求める場合は、シャフトをご検討ください。
| 精度 | L寸 | L寸公差 | L寸バラつき |
| 全長公差バラつき保証タイプ | 8≦L≦130 | ±0.05 | ±0.02 |
| 標準タイプ L寸指定 / ねじ径指定 | 8≦L≦300 | ±0.1 | - |
| 300<L≦600 | ±0.3 | ||
| 600<L≦1000 | ±0.4 |
| 精度 | Type | [ M ]材質 | [ S ]表面処理 | 洗浄方法 | |||||||
| L寸固定 | L寸指定 | ||||||||||
| 標準 | スパナ溝付 | ねじ径指定 | ねじ径指定 スパナ溝付 | 洗浄方法 | 洗浄環境 | 梱包形態 | 梱包環境 | ||||
| 標準タイプ | SL-SETR | SL-SETRF | SL-SETRS | SL-SETF | SL-SETS | SUS304 | - | 脱脂洗浄 | 一般環境 | 防錆梱包 | 一般環境 |
| SH-SETR | SH-SETRF | SH-SETRS | SH-SETF | SH-SETS | 精密洗浄 | クラス1000 | 脱気2重梱包 | クラス10 | |||
| SHD-SETR | SHD-SETRF | SHD-SETRS | SHD-SETF | SHD-SETS | 電解研磨+精密洗浄 | ||||||
| - | SL-AETRF | SL-AETRS | SL-AETTF | SL-AETTS | A2017-T4 | 白アルマイト | 脱脂洗浄 | 一般環境 | 防錆梱包 | 一般環境 | |
| SH-AETRF | SH-AETRS | SH-AETTF | SH-AETTS | 精密洗浄 | クラス1000 | 脱気2重梱包 | クラス10 | ||||
| - | SL-ABETRF | SL-ABETRS | SL-ABETTF | SL-ABETTS | 黒アルマイト | 脱脂洗浄 | 一般環境 | 防錆梱包 | 一般環境 | ||
| SH-ABETRF | SH-ABETRS | SH-ABETTF | SH-ABETTS | 精密洗浄 | クラス1000 | 脱気2重梱包 | クラス10 | ||||
| SL-PETR | SL-PETRF | SL-PETRS | SL-PETF | SL-PETS | SS400相当 | 無電解ニッケルメッキ | 脱脂洗浄 | 一般環境 | 防錆梱包 | 一般環境 | |
| SH-PETR | SH-PETRF | SH-PETRS | SH-PETF | SH-PETS | 精密洗浄 | クラス1000 | 脱気2重梱包 | クラス10 | |||
| − | SL-BETRF | SL-BETRS | − | SL-BETS | 三価クロメート(黒色) | 脱脂洗浄 | 一般環境 | 防錆梱包 | 一般環境 | ||
| SH-BETRF | SH-BETRS | SH-BETS | 精密洗浄 | クラス1000 | 脱気2重梱包 | クラス10 | |||||
| 全長公差バラつき保証タイプ | − | − | − | − | SL-VSETS | SUS304 | − | 脱脂洗浄 | 一般環境 | 防錆梱包 | 一般環境 |
| SH-VSETS | 精密洗浄 | クラス1000 | 脱気2重梱包 | クラス10 | |||||||
| SHD-VSETS | 電解研磨+精密洗浄 | ||||||||||
| − | − | − | − | SL-VUSETS | SUS316L | − | 脱脂洗浄 | 一般環境 | 防錆梱包 | 一般環境 | |
| SH-VUSETS | 精密洗浄 | クラス1000 | 脱気2重梱包 | クラス10 | |||||||
| SHD-VUSETS | 電解研磨+精密洗浄 | ||||||||||
| − | − | − | − | SL-VPETS | SS400相当 | 無電解ニッケルメッキ | 脱脂洗浄 | 一般環境 | 防錆梱包 | 一般環境 | |
| SH-VPETS | 精密洗浄 | クラス1000 | 脱気2重梱包 | クラス10 | |||||||
| 型式 | − | L | − | SC | − | M | − | N |
| SL-SETR10 | − | 150 | ||||||
| SH-SETRF10 | − | 150 | ||||||
| SHD-SETF20 | − | 400 | − | M8 | − | N10 | ||
| SL-SETS25 | − | 500 | − | SC100 | − | M10 | − | N12 |
| 型式 | L 選択 | M (並目) | S | W | ℓ1 | |||||||||||||||||||
| Type | D | |||||||||||||||||||||||
| SUS304 SL-SETR SH-SETR SHD-SETR SS400相当 SL-PETR SH-PETR | 6 | 15 | 20 | 25 | 30 | 35 | 40 | 45 | 50 | 3 | 3.5 | 5 | 8 | |||||||||||
| 8 | 20 | 25 | 30 | 35 | 40 | 45 | 50 | 60 | 70 | 80 | 90 | 100 | 110 | 120 | 130 | 140 | 150 | 4 | 6 | 7 | ||||
| 10 | 20 | 25 | 30 | 35 | 40 | 45 | 50 | 60 | 70 | 80 | 90 | 100 | 110 | 120 | 130 | 140 | 150 | 200 | 5 | 6 | 8 | |||
| 12 | 25 | 30 | 35 | 40 | 45 | 50 | 60 | 70 | 80 | 90 | 100 | 110 | 120 | 130 | 140 | 150 | 200 | 6 | 7.5 | 10 | 10 | |||
| 15 | 35 | 40 | 45 | 50 | 60 | 70 | 80 | 90 | 100 | 110 | 120 | 130 | 140 | 150 | 200 | 8 | 10 | 13 | ||||||
| 20 | 40 | 45 | 50 | 60 | 70 | 80 | 90 | 100 | 110 | 120 | 130 | 140 | 150 | 200 | 10 | 15 | 17 | |||||||
| 型式 | L [ ! ]指定0.1mm単位 *D=5は指定0.5mm単位 | SC 指定0.5mm単位 [ ! ]スパナ溝付のみ | M (並目) | W | ℓ1 | ||
| Type | D | ||||||
| L寸指定 SL-SETRF SH-SETRF SHD-SETRF | L寸指定・スパナ溝付 SL-SETRS SH-SETRS SHD-SETRS | * 5 | 8.0〜100.0 | 0〜92.0 | 2.6 | 4 | 8 |
| 6 | 8.0〜300.0 | 0〜292.0 | 3 | 5 | |||
| 8 | 10.0〜400.0 | 0〜392.0 | 4 | 7 | |||
| 10 | 15.0〜600.0 | 0〜592.0 | 5 | 8 | |||
| 12 | 25.0〜700.0 | 0〜690.0 | 6 | 10 | 10 | ||
| 15 | 25.0〜800.0 | 0〜790.0 | 8 | 13 | |||
| 20 | 30.0〜800.0 | 0〜790.0 | 10 | 17 | |||
| 25 | 40.0〜900.0 | 0〜890.0 | 12 | 22 | |||
| 30 | 50.0〜1000.0 | 0〜985.0 | 16 | 27 | 15 | ||
| 型式 | L [ ! ]指定0.1mm単位 | SC 指定0.5mm単位 [ ! ]スパナ溝付のみ | M (並目) | W | ℓ1 | ||||
| Type | D | 白アルマイト | 黒アルマイト | 白アルマイト | 黒アルマイト | ||||
| L寸指定 白アルマイト SL-AETRF SH-AETRF 黒アルマイト SL-ABETRF SH-ABETRF | L寸指定・スパナ溝付 白アルマイト SL-AETRS SH-AETRS 黒アルマイト SL-ABETRS SH-ABETRS | 6 | 8.0-100.0 | 8.0-100.0 | 0-92.0 | 0-92.0 | 3 | 5 | 8 |
| 8 | 10.0-200.0 | 10.0-200.0 | 0-192.0 | 0-192.0 | 4 | 7 | |||
| 10 | 15.0-400.0 | 15.0-400.0 | 0-392.0 | 0-392.0 | 5 | 8 | |||
| 12 | 25.0-500.0 | 25.0-500.0 | 0-490.0 | 0-490.0 | 6 | 10 | 10 | ||
| 15 | 25.0-600.0 | 25.0-500.0 | 0-590.0 | 0-490.0 | 8 | 13 | |||
| 20 | 30.0-600.0 | 30.0-500.0 | 0-590.0 | 0-490.0 | 10 | 17 | |||
| 25 | 40.0-700.0 | - | 0-690.0 | - | 12 | 22 | |||
| 30 | 50.0-800.0 | - | 0-785.0 | - | 16 | 27 | 15 | ||
| 型式 | L [ ! ]指定0.1mm単位 *D=5,35,40,50は指定0.5mm単位 | SC 指定0.5mm単位 [ ! ]スパナ溝付のみ | M (並目) | W | ℓ1 | ||||
| Type | D | 無電解ニッケルメッキ | 三価クロメート | 無電解ニッケルメッキ | 三価クロメート | ||||
| L寸指定 無電解ニッケルメッキ SL-PETRF SH-PETRF 三価クロメート SL-BETRF SH-BETRF | L寸指定 無電解ニッケルメッキ SL-PETRS SH-PETRS 三価クロメート SL-BETRS SH-BETRS | * 5 | 8.0-100.0 | 8.0-100.0 | 0-92.0 | 0-92.0 | 2.6 | 4 | 8 |
| 6 | 8.0-300.0 | 8.0-100.0 | 0-292.0 | 0-92.0 | 3 | 5 | |||
| 8 | 10.0-400.0 | 10.0-200.0 | 0-392.0 | 0-192.0 | 4 | 7 | |||
| 10 | 15.0-600.0 | 15.0-400.0 | 0-592.0 | 0-392.0 | 5 | 8 | |||
| 12 | 25.0-700.0 | 25.0-500.0 | 0-690.0 | 0-490.0 | 6 | 10 | 10 | ||
| 15 | 25.0-800.0 | 25.0-600.0 | 0-790.0 | 0-590.0 | 8 | 13 | |||
| 20 | 30.0-800.0 | 30.0-600.0 | 0-790.0 | 0-590.0 | 10 | 17 | |||
| 25 | 40.0-900.0 | 40.0-700.0 | 0-890.0 | 0-690.0 | 12 | 22 | |||
| 30 | 50.0-1000.0 | 50.0-800.0 | 0-985.0 | 0-785.0 | 16 | 27 | 15 | ||
| * 35 | 50.0-900.0 | - | 0-885.0 | - | 16 | 30 | |||
| * 40 | 60.0-1000.0 | - | 0-980.0 | - | 20 | 36 | 20 | ||
| * 50 | 75.0-1000.0 | - | 0-980.0 | - | 24 | 41 | |||
| 型式 | L [ ! ]指定0.1mm単位 *D=5は指定0.5mm単位 | SC 指定0.5mm単位 [ ! ]スパナ溝付のみ | M・N (並目)選択 | W | ℓ1 | ||||||||||||
| Type | D | ||||||||||||||||
| ねじ径指定 SL-SETF SH-SETF SHD-SETF | ねじ径指定・スパナ溝付 SL-SETS SH-SETS SHD-SETS | * 5 | 15.0-100.0 | 0-92.0 | 2.6 | 3 | 4 | 8 | |||||||||
| 6 | 15.0-300.0 | 0-292.0 | 3 | 4 | 5 | ||||||||||||
| 8 | 15.0-400.0 | 0-392.0 | 3 | 4 | 5 | 7 | |||||||||||
| 10 | 20.0-600.0 | 0-592.0 | 3 | 4 | 5 | 6 | 8 | ||||||||||
| 12 | 25.0-700.0 | 0-690.0 | 4 | 5 | 6 | 8 | 10 | 10 | |||||||||
| 15 | 30.0-800.0 | 0-790.0 | 5 | 6 | 8 | 10 | 13 | ||||||||||
| 20 | 40.0-800.0 | 0-790.0 | 5 | 6 | 8 | 10 | 12 | 17 | |||||||||
| 25 | 50.0-900.0 | 0-890.0 | 5 | 6 | 8 | 10 | 12 | 16 | 22 | ||||||||
| 30 | 60.0-1000.0 | 0-985.0 | 5 | 6 | 8 | 10 | 12 | 16 | 20 | 27 | 15 | ||||||
[ ! ]L≦(M×2+下穴深さ)+(N×2+下穴深さ)の場合、めねじ下穴が貫通及び大きいタップ有効長を優先させるため、小さいタップの有効長が短くなります。
(MD、NDの場合はL≦(MD×3+下穴深さ)+(ND×3+下穴深さ)になります。)
| 型式 | L [ ! ]指定0.1mm単位 | SC 指定0.5mm単位 [ ! ]スパナ溝付のみ | M・N (並目)選択 | W | ℓ1 | ||||||||||||
| Type | D | 白アルマイト | 黒アルマイト | 白アルマイト | 黒アルマイト | ||||||||||||
| ねじ径指定 白アルマイト SL-AETTF SH-AETTF 黒アルマイト SL-ABETTF SH-ABETTF | ねじ径指定・スパナ溝付 白アルマイト SL-AETTS SH-AETTS 黒アルマイト SL-ABETTS SH-ABETTS | 6 | 15.0-100.0 | 15.0-100.0 | 0-92.0 | 0-92.0 | 3 | 4 | 5 | ||||||||
| 8 | 15.0-200.0 | 15.0-200.0 | 0-192.0 | 0-192.0 | 3 | 4 | 5 | 7 | |||||||||
| 10 | 20.0-400.0 | 20.0-400.0 | 0-392.0 | 0-392.0 | 3 | 4 | 5 | 6 | 8 | ||||||||
| 12 | 25.0-500.0 | 25.0-500.0 | 0-490.0 | 0-490.0 | 4 | 5 | 6 | 8 | 10 | 10 | |||||||
| 15 | 30.0-600.0 | 30.0-500.0 | 0-590.0 | 0-490.0 | 5 | 6 | 8 | 10 | 13 | ||||||||
| 20 | 40.0-600.0 | 40.0-500.0 | 0-590.0 | 0-490.0 | 5 | 6 | 8 | 10 | 12 | 17 | |||||||
| 25 | 50.0-700.0 | - | 0-690.0 | - | 5 | 6 | 8 | 10 | 12 | 16 | 22 | ||||||
| 30 | 60.0-800.0 | - | 0-785.0 | - | 5 | 6 | 8 | 10 | 12 | 16 | 20 | 27 | 15 | ||||
[ ! ]L≦(M×2+下穴深さ)+(N×2+下穴深さ)の場合、めねじ下穴が貫通及び大きいタップ有効長を優先させるため、小さいタップの有効長が短くなる可能性があります。
(MD、NDの場合はL≦(MD×3+下穴深さ)+(ND×3+下穴深さ)になります。)
| 型式 | L [ ! ]指定0.1mm単位 *D=5,35,40,50は指定0.5mm単位 | SC 指定0.5mm単位 [ ! ]スパナ溝付のみ | M・N (並目)選択 | W | ℓ1 | ||||||||||||||
| Type | D | 無電解ニッケルメッキ | 三価クロメート | 無電解ニッケルメッキ | 三価クロメート | ||||||||||||||
| ねじ径指定 無電解ニッケルメッキ SL-PETF SH-PETF | ねじ径指定・スパナ溝付 無電解ニッケルメッキ SL-PETS SH-PETS 三価クロメート SL-BETS SH-BETS | * 5 | 15.0-100.0 | 15.0-100.0 | 0-92.0 | 0-92.0 | 2.6 | 3 | 4 | 8 | |||||||||
| 6 | 15.0-300.0 | 15.0-100.0 | 0-292.0 | 0-92.0 | 3 | 4 | 5 | ||||||||||||
| 8 | 15.0-400.0 | 15.0-200.0 | 0-392.0 | 0-192.0 | 3 | 4 | 5 | 7 | |||||||||||
| 10 | 20.0-600.0 | 20.0-400.0 | 0-592.0 | 0-392.0 | 3 | 4 | 5 | 6 | 8 | ||||||||||
| 12 | 25.0-700.0 | 25.0-500.0 | 0-690.0 | 0-490.0 | 4 | 5 | 6 | 8 | 10 | 10 | |||||||||
| 15 | 30.0-800.0 | 30.0-600.0 | 0-790.0 | 0-590.0 | 5 | 6 | 8 | 10 | 13 | ||||||||||
| 20 | 40.0-800.0 | 40.0-600.0 | 0-790.0 | 0-590.0 | 5 | 6 | 8 | 10 | 12 | 17 | |||||||||
| 25 | 50.0-900.0 | 50.0-700.0 | 0-890.0 | 0-690.0 | 5 | 6 | 8 | 10 | 12 | 16 | 22 | ||||||||
| 30 | 60.0-1000.0 | 60.0-800.0 | 0-985.0 | 0-785.0 | 5 | 6 | 8 | 10 | 12 | 16 | 20 | 27 | 15 | ||||||
| * 35 | 75.0-900.0 | - | 0-885.0 | - | 6 | 8 | 10 | 12 | 16 | 20 | 24 | 30 | |||||||
| * 40 | 75.0-1000.0 | - | 0-980.0 | - | 8 | 10 | 12 | 16 | 20 | 24 | 36 | 20 | |||||||
| * 50 | 75.0-1000.0 | - | 0-980.0 | - | 10 | 12 | 16 | 20 | 24 | 41 | |||||||||
[ ! ]L≦(M×2+下穴深さ)+(N×2+下穴深さ)の場合、めねじ下穴が貫通及び大きいタップ有効長を優先させるため、小さいタップの有効長が短くなる可能性があります。
(MD、NDの場合はL≦(MD×3+下穴深さ)+(ND×3+下穴深さ)になります。)
| 型式 | L | SC | M・N (並目)選択 | W | ℓ1 | |||||||||
| Type | D | 指定0.1mm単位 | 指定0.5mm単位 | |||||||||||
| SUS304 SL-VSETS SH-VSETS SHD-VSETS | SUS316L SL-VUSETS SH-VUSETS SHD-VUSETS | SS400相当 SL-VPETS SH-VPETS | 5 | 15.0~100.0 | 0~92.0 | 2.5 | 3 | 4 | 8 | |||||
| 6 | 15.0~130.0 | 0~122.0 | 3 | 4 | 5 | |||||||||
| 8 | 15.0~130.0 | 0~122.0 | 3 | 4 | 5 | 7 | ||||||||
| 10 | 20.0~130.0 | 0~122.0 | 3 | 4 | 5 | 6 | 8 | |||||||
| 12 | 25.0~130.0 | 0~120.0 | 4 | 5 | 6 | 8 | 10 | 10 | ||||||
| 15 | 30.0~130.0 | 0~120.0 | 5 | 6 | 8 | 10 | 13 | |||||||
| 20 | 40.0~130.0 | 0~120.0 | 5 | 6 | 8 | 10 | 17 | |||||||
| 型式 | − | L | − | SC | − | M | − | N | − | (LKC・LVC…etc.) |
| SH-SETRF10 | − | 150.3 | − | LKC | ||||||
| SHD-SETF20 | − | 400 | − | MD8 | − | N10 | − | LKC | ||
| SL-SETS25 | − | 500 | − | SC100 | − | M10 | − | N12 | − | HL300 |
| Alterations | L寸公差変更 | 全長(L寸)精度変更 | めねじ部有効長変更 | 六角レンチ用通し穴 | |||||||||||||||||||||||||||||||||||||||
![]() | ![]() | ![]() | ![]() | ||||||||||||||||||||||||||||||||||||||||
| Code | LKC | LVC | MD・ND | HL | |||||||||||||||||||||||||||||||||||||||
| Spec. | L寸法公差は以下のようになります。 指定方法 LKC LKC使用時、L寸単位0.1mm指定可
[ NG ]全長公差バラつき保証タイプは | 複数注文時、各L寸法のバラつきを±0.02mm以内に致します。 指定方法 LVC [ ! ]1明細行のご注文数量に上限があります。 [ NG ]L≧200、L寸固定、黒アルマイトは適用不可 [ NG ]全長公差バラつき保証タイプは標準でL寸バラつき±0.02以内のため適用不可 | めねじ部の有効長をM(N)×3に変更します。 指定方法 MD6/ND6 (MをMD・NをNDに変更) [ ! ]MD×3+ND×3≦L [ ! ]ねじ径指定のみ適用 [ NG ]M(N)2.6は適用不可 | HL=指定1mm単位 指定方法 HL10 [ ! ]d/2+5≦HL≦L-(d/2+5) [ ! ] 8≦D≦30のみ適用
[ NG ]L寸固定は適用不可 | |||||||||||||||||||||||||||||||||||||||
| ¥/1Code | 400 | 50 | 200 | 400 | |||||||||||||||||||||||||||||||||||||||
| 追加工LVC 1明細行あたり上限数量表 | ||
| 材質/ 表面処理 | 一般構造用鋼 / なし 一般構造用鋼 / 四三酸化鉄被膜 一般構造用鋼 / 無電解ニッケルメッキ SUS304 / なし | 一般構造用鋼 / 三価クロメート(黒色) A2011-T8 / 白アルマイト A2017-T4 / 白アルマイト |
| 寸法 | 六角:対面幅B6~19 円形:外径D6~20 | 六角:対面幅B5、B24~B32 円形:外径D5、D25~D50 |
| 追加工 LVC 上限数量 | 100本/明細行 | 20本/明細行 |
洗浄工程| ※材質がステンレスの場合、アルカリ系温水洗浄となることがあります。 | |
| ・脱脂洗浄(型式:SL-□□) | ※表面処理が低温黒色クロムメッキの場合、IPA洗浄となります。 |
作業環境:一般環境 | ||||||
|---|---|---|---|---|---|---|
![]() 炭化水素系洗浄※ Ro水洗浄 中性洗剤洗浄 | ![]() | ![]() 高圧ジェット水洗(Ro水) 後に純水(10MΩ・cm)で 洗浄 | ![]() | ![]() エアブロー(オイルフリー) 使用 | ![]() | ![]() 防錆袋使用 |
| ・精密洗浄(型式:SH-□□) | ※表面処理が低温黒色クロムメッキの場合、IPA洗浄となります。 |
作業環境:クラス1000 | 作業環境:クラス10 | |||||||
|---|---|---|---|---|---|---|---|---|
![]() 炭化水素系洗浄※ Ro水洗浄 中性洗剤洗浄 | ![]() | ![]() 高圧ジェット水洗(Ro水) 後に純水(10MΩ・cm)で 洗浄 | ![]() | ![]() 温純水(13MΩ・cm)使用 | ![]() | ![]() 窒素ブロー使用 | ![]() | ![]() クリーンベンチ(クラス10) で実施 |
作業環境:クラス1000 | 作業環境:クラス10 | |||||||||
|---|---|---|---|---|---|---|---|---|---|---|
![]() 炭化水素系洗浄 Ro水洗浄 中性洗剤洗浄 | ![]() | ![]() 材質に応じた電解研磨槽 で電解研磨 | ![]() | ![]() 高圧ジェット水洗(Ro水) 後に純水(10MΩ・cm)で 洗浄 | ![]() | ![]() 温純水(13MΩ・cm)使用 | ![]() | ![]() 窒素ブロー使用 | ![]() | ![]() クリーンベンチ(クラス10) で実施 |
梱包例| 脱脂洗浄の場合 (TYPE型番:SL-□□) | 精密洗浄または電解研磨+精密洗浄の場合 | |
| (TYPE型番:SH-□□・SHD-□□) | ||
| オーステナイト系ステンレス・アルミ材質の場合 | 鉄・マルテンサイト系ステンレス材質の場合 | |
![]() | ![]() | ![]() |
| 一部商品・サイズによっては、 梱包形態が異なる場合がございます。 | [ ! ]1重目・2重目の梱包とも、脱気されております。 | [ ! ]防錆対策として乾燥剤を同封しております。 1梱包につき1つになります。 |
洗浄効果・利用推奨環境洗浄方法 | 商品型番 | 梱包形態 | 未洗浄品と比べた効果 | ご利用環境(目安) | 利用シーン・工程 |
|---|---|---|---|---|---|
| 脱脂洗浄 | SL-□□ | 防錆梱包 | 油分除去 | 一般環境 | 通常組立工程 |
| バッテリー組立後工程 | |||||
| 精密洗浄 | SH-□□ | 脱気2重梱包 | 油分除去 粉塵除去 | クリーン環境(クラス10~1,000) | バッテリー組立工程 |
| 液晶関連組立後工程 | |||||
| 車載カメラ組立工程 | |||||
| 電解研磨+精密洗浄 | SHD-□□ | 脱気2重梱包 | 油分除去 粉塵除去 アウトガス低減 | 真空環境 クリーン環境(クラス10~1,000) | 半導体前工程 |
| 液晶成膜工程 | |||||
| 有機EL前工程 |
| 型番 |
|---|
通常単価(税別)
(税込単価) | 通常出荷日 |
|---|
- ( - ) | 8日目 |
- ( - ) | 8日目 |
- ( - ) | 8日目 |
- ( - ) | 8日目 |
- ( - ) | 8日目 |
- ( - ) | 8日目 |
- ( - ) | 8日目 |
- ( - ) | 8日目 |
- ( - ) | 8日目 |
- ( - ) | 8日目 |
- ( - ) | 8日目 |
- ( - ) | 8日目 |
- ( - ) | 8日目 |
- ( - ) | 8日目 |
- ( - ) | 8日目 |
- ( - ) | 8日目 |
- ( - ) | 8日目 |
- ( - ) | 8日目 |
- ( - ) | 8日目 |
- ( - ) | 8日目 |
- ( - ) | 8日目 |
- ( - ) | 8日目 |
- ( - ) | 8日目 |
- ( - ) | 8日目 |
- ( - ) | 8日目 |
- ( - ) | 8日目 |
- ( - ) | 8日目 |
- ( - ) | 8日目 |
- ( - ) | 8日目 |
- ( - ) | 8日目 |
- ( - ) | 8日目 |
- ( - ) | 8日目 |
- ( - ) | 8日目 |
- ( - ) | 8日目 |
- ( - ) | 8日目 |
- ( - ) | 8日目 |
- ( - ) | 8日目 |
- ( - ) | 8日目 |
- ( - ) | 8日目 |
- ( - ) | 8日目 |
- ( - ) | 8日目 |
- ( - ) | 8日目 |
- ( - ) | 8日目 |
- ( - ) | 8日目 |
- ( - ) | 8日目 |
- ( - ) | 8日目 |
- ( - ) | 8日目 |
- ( - ) | 8日目 |
- ( - ) | 8日目 |
- ( - ) | 8日目 |
- ( - ) | 8日目 |
- ( - ) | 8日目 |
- ( - ) | 8日目 |
- ( - ) | 8日目 |
- ( - ) | 8日目 |
- ( - ) | 8日目 |
- ( - ) | 8日目 |
- ( - ) | 8日目 |
- ( - ) | 8日目 |
- ( - ) | 8日目 |
| ・脱脂洗浄(防錆1重梱包) | :型番SL-□□ |
| ・精密洗浄(脱気2重梱包) | :型番SH-□□ |
| ・電解研磨+精密洗浄(脱気2重梱包) | :型番SHD-□□ |
| 商品型番 | 洗浄方法 | 梱包形態 | 未洗浄品と比べた効果 | ご利用環境(目安) | 工程別 |
| SL-□□ | 脱脂洗浄 | 防錆梱包 | 油分除去 | 一般環境 | 通常組立工程 |
| バッテリー組立後工程 | |||||
| SH-□□ | 精密洗浄 | 脱気2重梱包 | 油分除去 粉塵除去 | クリーン環境(クラス10~1,000) | バッテリー組立工程 |
| 液晶関連組立後工程 | |||||
| 車載カメラ組立工程 | |||||
| SHD-□□ | 電解研磨+精密洗浄 | 脱気2重梱包 | 油分除去 粉塵除去 アウトガス低減 | 真空環境 クリーン環境(クラス10~1,000) | 半導体前工程 |
| 液晶成膜工程 | |||||
| 有機EL前工程 |
| 型式 | ¥基準単価 | ||||
| Type | D | 最短L〜50 | L60〜100 | L110〜150 | L200 |
| SL-SETR | 6 | 1,540 | - | - | - |
| 8 | 1,580 | 1,600 | 1,620 | - | |
| 10 | 1,590 | 1,610 | 1,650 | 1,720 | |
| 12 | 1,610 | 1,660 | 1,750 | 1,860 | |
| 15 | 1,690 | 1,870 | 2,060 | 2,270 | |
| 20 | 1,800 | 2,080 | 2,300 | 2,500 | |
| SH-SETR | 6 | 2,040 | - | - | - |
| 8 | 2,080 | 2,100 | 2,120 | - | |
| 10 | 2,090 | 2,110 | 2,150 | 2,520 | |
| 12 | 2,110 | 2,160 | 2,250 | 2,660 | |
| 15 | 2,190 | 2,370 | 2,560 | 3,070 | |
| 20 | 2,300 | 2,580 | 2,800 | 3,300 | |
| SHD-SETR | 6 | 2,340 | - | - | - |
| 8 | 2,380 | 2,400 | 2,420 | - | |
| 10 | 2,390 | 2,410 | 2,450 | 3,020 | |
| 12 | 2,410 | 2,460 | 2,550 | 3,160 | |
| 15 | 2,490 | 2,670 | 2,860 | 3,570 | |
| 20 | 2,600 | 2,880 | 3,100 | 3,800 | |
| SL-PETR | 6 | 1,520 | - | - | - |
| 8 | 1,540 | 1,600 | 1,650 | - | |
| 10 | 1,580 | 1,610 | 1,660 | 1,710 | |
| 12 | 1,610 | 1,660 | 1,710 | 1,780 | |
| 15 | 1,660 | 1,800 | 1,960 | 2,150 | |
| 20 | 1,740 | 1,960 | 2,180 | 2,420 | |
| SH-PETR | 6 | 2,020 | - | - | - |
| 8 | 2,040 | 2,100 | 2,150 | - | |
| 10 | 2,080 | 2,110 | 2,160 | 2,210 | |
| 12 | 2,110 | 2,160 | 2,210 | 2,280 | |
| 15 | 2,160 | 2,300 | 2,460 | 2,650 | |
| 20 | 2,240 | 2,460 | 2,680 | 2,920 | |
| 型式 | ¥基準単価 | |||||||||
| Type | D | 最短L 〜50 | L50.1 ~100 | L100.1 ~150 | L150.1 ~200 | L200.1 〜300 | L300.1 〜400 | L400.1 〜600 | L600.1 〜800 | L800.1 〜1000 |
| SL-SETRF | 5 | 1,570 | 1,580 | 1,590 | 1,600 | - | - | - | - | - |
| 6 | 1,540 | 1,550 | 1,560 | 1,570 | 1,580 | - | - | - | - | |
| 8 | 1,560 | 1,570 | 1,580 | 1,590 | 1,600 | 2,110 | - | - | - | |
| 10 | 1,570 | 1,580 | 1,590 | 1,600 | 1,690 | 2,200 | 2,920 | - | - | |
| 12 | 1,600 | 1,620 | 1,640 | 1,660 | 2,090 | 2,750 | 3,460 | 4,180 | - | |
| 15 | 1,740 | 1,820 | 1,900 | 1,990 | 2,410 | 3,060 | 3,570 | 4,070 | - | |
| 20 | 2,000 | 2,090 | 2,190 | 2,280 | 2,960 | 3,680 | 4,320 | 4,970 | - | |
| 25 | 2,470 | 2,560 | 2,660 | 2,750 | 3,760 | 4,410 | 5,540 | 7,430 | - | |
| 30 | 3,060 | 3,180 | 3,310 | 3,440 | 4,750 | 5,520 | 7,390 | 8,650 | - | |
| SH-SETRF | 5 | 2,070 | 2,080 | 2,090 | 2,100 | - | - | - | - | - |
| 6 | 2,040 | 2,050 | 2,060 | 2,070 | 2,380 | - | - | - | - | |
| 8 | 2,060 | 2,070 | 2,080 | 2,090 | 2,400 | 3,610 | - | - | - | |
| 10 | 2,070 | 2,080 | 2,090 | 2,100 | 2,490 | 3,700 | 4,420 | - | - | |
| 12 | 2,100 | 2,120 | 2,140 | 2,160 | 2,890 | 4,250 | 4,960 | 5,680 | - | |
| 15 | 2,240 | 2,320 | 2,400 | 2,490 | 3,210 | 4,560 | 5,070 | 5,570 | - | |
| 20 | 2,500 | 2,590 | 2,690 | 2,780 | 3,760 | 5,180 | 5,820 | 6,470 | - | |
| 25 | 2,970 | 3,060 | 3,160 | 3,250 | 4,560 | 5,910 | 7,040 | 8,930 | - | |
| 30 | 3,560 | 3,680 | 3,810 | 3,940 | 5,550 | 7,020 | 8,890 | 10,150 | - | |
| SHD-SETRF | 5 | 2,370 | 2,380 | 2,390 | 2,400 | - | - | - | - | - |
| 6 | 2,340 | 2,350 | 2,360 | 2,370 | 2,880 | - | - | - | - | |
| 8 | 2,360 | 2,370 | 2,380 | 2,390 | 2,900 | 4,360 | - | - | - | |
| 10 | 2,370 | 2,380 | 2,390 | 2,400 | 2,990 | 4,450 | 5,170 | - | - | |
| 12 | 2,400 | 2,420 | 2,440 | 2,460 | 3,390 | 5,000 | 5,710 | 6,430 | - | |
| 15 | 2,540 | 2,620 | 2,700 | 2,790 | 3,710 | 5,310 | 5,820 | 6,320 | - | |
| 20 | 2,800 | 2,890 | 2,990 | 3,080 | 4,260 | 5,930 | 6,570 | 7,220 | - | |
| 25 | 3,270 | 3,360 | 3,460 | 3,550 | 5,060 | 6,660 | 7,790 | 9,680 | - | |
| 30 | 3,860 | 3,980 | 4,110 | 4,240 | 6,050 | 7,770 | 9,640 | 10,900 | - | |
| 型式 | ¥基準単価 | ||||||||
| Type | D | 最短L | L50.5 | L100.5 | L150.5 | L200.5 | L300.5 | L400.5 | L600.5 |
| 〜50 | ~100 | ~150 | ~200 | 〜300 | 〜400 | 〜600 | 〜800 | ||
| 6* | 1,040 | 1,050 | - | - | - | - | - | - | |
| 白アルマイト(×1.0) | 8* | 1,080 | 1,090 | - | - | - | - | - | - |
| SL-AETRF | 10* | 1,150 | 1,160 | 1,170 | 1,180 | 1,410 | 1,420 | - | - |
| 12* | 1,260 | 1,280 | 1,300 | 1,320 | 1,680 | 1,830 | 2,300 | - | |
| 黒アルマイト(×1.1) | 15* | 1,380 | 1,470 | 1,550 | 1,630 | 1,910 | 2,060 | 2,550 | - |
| SL-ABETRF | 20* | 1,610 | 1,710 | 1,800 | 1,900 | 2,340 | 2,560 | 3,010 | - |
| 25 | 1,940 | 2,030 | 2,130 | 2,220 | 2,930 | 3,070 | 3,940 | 5,400 | |
| 30 | 2,470 | 2,600 | 2,730 | 2,850 | 3,980 | 4,250 | 5,520 | 6,500 | |
| 6* | 1,290 | 1,300 | - | - | - | - | - | - | |
| 白アルマイト(×1.0) | 8* | 1,330 | 1,340 | - | - | - | - | - | - |
| SH-AETRF | 10* | 1,400 | 1,410 | 1,420 | 1,430 | 1,660 | 1,670 | - | - |
| 12* | 1,510 | 1,530 | 1,550 | 1,570 | 1,930 | 2,080 | 2,550 | - | |
| 黒アルマイト(×1.1) | 15* | 1,630 | 1,720 | 1,800 | 1,880 | 2,160 | 2,310 | 2,800 | - |
| SH-ABETRF | 20* | 1,860 | 1,960 | 2,050 | 2,150 | 2,590 | 2,810 | 3,260 | - |
| 25 | 2,190 | 2,280 | 2,380 | 2,470 | 3,180 | 3,320 | 4,190 | 5,650 | |
| 30 | 2,720 | 2,850 | 2,980 | 3,100 | 4,230 | 4,500 | 5,770 | 6,750 | |
| 型式 | ¥基準単価 | |||||||||
| Type | D | 最短L 〜50 | L50.1 ~100 | L100.1 ~150 | L150.1 ~200 | L200.1 〜300 | L300.1 〜400 | L400.1 〜600 | L600.1 〜800 | L800.1 〜1000 |
| SL-PETRF | 5 | 1,520 | 1,530 | 1,540 | 1,560 | - | - | - | - | - |
| 6 | 1,540 | 1,560 | 1,580 | 1,590 | 1,600 | - | - | - | - | |
| 8 | 1,580 | 1,590 | 1,600 | 1,610 | 1,620 | 2,130 | - | - | - | |
| 10 | 1,590 | 1,600 | 1,610 | 1,620 | 1,660 | 2,170 | 2,650 | - | - | |
| 12 | 1,620 | 1,640 | 1,660 | 1,690 | 2,030 | 2,690 | 3,170 | 3,640 | - | |
| 15 | 1,700 | 1,780 | 1,880 | 1,970 | 2,310 | 2,980 | 3,420 | 3,860 | - | |
| 20 | 1,980 | 2,080 | 2,180 | 2,290 | 2,820 | 3,560 | 4,080 | 4,600 | - | |
| 25 | 2,330 | 2,430 | 2,540 | 2,640 | 3,360 | 4,020 | 4,820 | 6,170 | - | |
| 30 | - | 2,690 | 2,970 | 3,100 | 4,040 | 4,840 | 6,000 | 7,000 | - | |
| 35 | - | 3,120 | 3,420 | 3,560 | 4,690 | 5,510 | 6,840 | 8,450 | - | |
| 40 | - | 3,890 | 4,040 | 4,200 | 5,790 | 6,760 | 8,480 | 10,530 | - | |
| 50 | - | 5,040 | 5,300 | 5,560 | 7,670 | 8,750 | 11,170 | 13,970 | - | |
| SH-PETRF | 5 | 2,020 | 2,030 | 2,040 | 2,060 | - | - | - | - | - |
| 6 | 2,040 | 2,060 | 2,080 | 2,090 | 2,400 | - | - | - | - | |
| 8 | 2,080 | 2,090 | 2,100 | 2,110 | 2,420 | 3,630 | - | - | - | |
| 10 | 2,090 | 2,100 | 2,110 | 2,120 | 2,460 | 3,670 | 4,150 | - | - | |
| 12 | 2,120 | 2,140 | 2,160 | 2,190 | 2,830 | 4,190 | 4,670 | 5,140 | - | |
| 15 | 2,200 | 2,280 | 2,380 | 2,470 | 3,110 | 4,480 | 4,920 | 5,360 | - | |
| 20 | 2,480 | 2,580 | 2,680 | 2,790 | 3,620 | 5,060 | 5,580 | 6,100 | - | |
| 25 | 2,830 | 2,930 | 3,040 | 3,140 | 4,160 | 5,520 | 6,320 | 7,670 | - | |
| 30 | - | 3,190 | 3,470 | 3,600 | 4,840 | 6,340 | 7,500 | 8,500 | - | |
| 35 | - | 3,620 | 3,920 | 4,060 | 5,490 | 7,010 | 8,340 | 9,950 | - | |
| 40 | - | 4,390 | 4,540 | 4,700 | 6,590 | 8,260 | 9,980 | 12,030 | - | |
| 50 | - | 5,540 | 5,800 | 6,060 | 8,470 | 10,250 | 12,670 | 15,470 | - | |
| SL-BETRF | 5 | 1,610 | 1,620 | 1,630 | 1,640 | - | - | - | - | - |
| 6 | 1,580 | 1,590 | 1,600 | 1,610 | - | - | - | - | - | |
| 8 | 1,600 | 1,610 | 1,620 | 1,630 | - | - | - | - | - | |
| 10 | 1,610 | 1,620 | 1,630 | 1,640 | 1,690 | 2,200 | - | - | - | |
| 12 | 1,640 | 1,660 | 1,690 | 1,710 | 2,060 | 2,730 | 3,220 | - | - | |
| 15 | 1,720 | 1,810 | 1,900 | 1,990 | 2,340 | 3,020 | 3,470 | - | - | |
| 20 | 2,000 | 2,110 | 2,200 | 2,310 | 2,860 | 3,600 | 4,140 | - | - | |
| 25 | 2,370 | 2,460 | 2,570 | 2,670 | 3,410 | 4,060 | 4,870 | 6,240 | - | |
| 30 | - | 2,730 | 3,000 | 3,130 | 4,100 | 4,900 | 6,070 | 7,100 | - | |
| SH-BETRF | 5 | 2,110 | 2,120 | 2,130 | 2,140 | - | - | - | - | - |
| 6 | 2,080 | 2,090 | 2,100 | 2,110 | - | - | - | - | - | |
| 8 | 2,100 | 2,110 | 2,120 | 2,130 | - | - | - | - | - | |
| 10 | 2,110 | 2,120 | 2,130 | 2,140 | 2,490 | 3,700 | - | - | - | |
| 12 | 2,140 | 2,160 | 2,190 | 2,210 | 2,860 | 4,230 | 4,720 | - | - | |
| 15 | 2,220 | 2,310 | 2,400 | 2,490 | 3,140 | 4,520 | 4,970 | - | - | |
| 20 | 2,500 | 2,610 | 2,700 | 2,810 | 3,660 | 5,100 | 5,640 | - | - | |
| 25 | 2,870 | 2,960 | 3,070 | 3,170 | 4,210 | 5,560 | 6,370 | 7,740 | - | |
| 30 | - | 3,230 | 3,500 | 3,630 | 4,900 | 6,400 | 7,570 | 8,600 | - | |
| 型式 | ¥基準単価 | |||||||||
| Type | D | 最短L 〜50 | L50.1 ~100 | L100.1 ~150 | L150.1 ~200 | L200.1 〜300 | L300.1 〜400 | L400.1 〜600 | L600.1 〜800 | L800.1 〜1000 |
| SL-SETRS | 5 | 1,990 | 2,000 | 2,010 | 2,020 | - | - | - | - | - |
| 6 | 1,960 | 1,970 | 1,980 | 1,990 | 2,000 | - | - | - | - | |
| 8 | 1,980 | 1,990 | 2,000 | 2,010 | 2,020 | 2,530 | - | - | - | |
| 10 | 1,990 | 2,000 | 2,010 | 2,020 | 2,110 | 2,620 | 3,340 | - | - | |
| 12 | 2,020 | 2,040 | 2,060 | 2,080 | 2,510 | 3,170 | 3,880 | 4,600 | - | |
| 15 | 2,160 | 2,240 | 2,320 | 2,410 | 2,830 | 3,480 | 3,990 | 4,490 | - | |
| 20 | 2,420 | 2,510 | 2,610 | 2,700 | 3,380 | 4,100 | 4,740 | 5,390 | - | |
| 25 | 2,890 | 2,980 | 3,080 | 3,170 | 4,180 | 4,830 | 5,960 | 7,850 | - | |
| 30 | 3,480 | 3,600 | 3,730 | 3,860 | 5,170 | 5,940 | 7,810 | 9,070 | - | |
| SH-SETRS | 5 | 2,490 | 2,500 | 2,510 | 2,520 | - | - | - | - | - |
| 6 | 2,460 | 2,470 | 2,480 | 2,490 | 2,800 | - | - | - | - | |
| 8 | 2,480 | 2,490 | 2,500 | 2,510 | 2,820 | 4,030 | - | - | - | |
| 10 | 2,490 | 2,500 | 2,510 | 2,520 | 2,910 | 4,120 | 4,840 | - | - | |
| 12 | 2,520 | 2,540 | 2,560 | 2,580 | 3,310 | 4,670 | 5,380 | 6,100 | - | |
| 15 | 2,660 | 2,740 | 2,820 | 2,910 | 3,630 | 4,980 | 5,490 | 5,990 | - | |
| 20 | 2,920 | 3,010 | 3,110 | 3,200 | 4,180 | 5,600 | 6,240 | 6,890 | - | |
| 25 | 3,390 | 3,480 | 3,580 | 3,670 | 4,980 | 6,330 | 7,460 | 9,350 | - | |
| 30 | 3,980 | 4,100 | 4,230 | 4,360 | 5,970 | 7,440 | 9,310 | 10,570 | - | |
| SHD-SETRS | 5 | 2,790 | 2,800 | 2,810 | 2,820 | - | - | - | - | - |
| 6 | 2,760 | 2,770 | 2,780 | 2,790 | 3,300 | - | - | - | - | |
| 8 | 2,780 | 2,790 | 2,800 | 2,810 | 3,320 | 4,780 | - | - | - | |
| 10 | 2,790 | 2,800 | 2,810 | 2,820 | 3,410 | 4,870 | 5,590 | - | - | |
| 12 | 2,820 | 2,840 | 2,860 | 2,880 | 3,810 | 5,420 | 6,130 | 6,850 | - | |
| 15 | 2,960 | 3,040 | 3,120 | 3,210 | 4,130 | 5,730 | 6,240 | 6,740 | - | |
| 20 | 3,220 | 3,310 | 3,410 | 3,500 | 4,680 | 6,350 | 6,990 | 7,640 | - | |
| 25 | 3,690 | 3,780 | 3,880 | 3,970 | 5,480 | 7,080 | 8,210 | 10,100 | - | |
| 30 | 4,280 | 4,400 | 4,530 | 4,660 | 6,470 | 8,190 | 10,060 | 11,320 | - | |
| 型式 | ¥基準単価 | ||||||||
| Type | D | 最短L | L50.5 | L100.5 | L150.5 | L200.5 | L300.5 | L400.5 | L600.5 |
| 〜50 | ~100 | ~150 | ~200 | 〜300 | 〜400 | 〜600 | 〜800 | ||
| 6* | 1,460 | 1,470 | - | - | - | - | - | - | |
| 白アルマイト(×1.0) | 8* | 1,500 | 1,510 | - | - | - | - | - | - |
| SL-AETRS | 10* | 1,570 | 1,580 | 1,590 | 1,600 | 1,830 | 1,840 | - | - |
| 12* | 1,680 | 1,700 | 1,720 | 1,740 | 2,100 | 2,250 | 2,720 | - | |
| 黒アルマイト(×1.1) | 15* | 1,800 | 1,890 | 1,970 | 2,050 | 2,330 | 2,480 | 2,970 | - |
| SL-ABETRS | 20* | 2,030 | 2,130 | 2,220 | 2,320 | 2,760 | 2,980 | 3,430 | - |
| 25 | 2,360 | 2,450 | 2,550 | 2,640 | 3,350 | 3,490 | 4,360 | 5,820 | |
| 30 | 2,890 | 3,020 | 3,150 | 3,270 | 4,400 | 4,670 | 5,940 | 6,920 | |
| 6* | 1,710 | 1,720 | - | - | - | - | - | - | |
| 白アルマイト(×1.0) | 8* | 1,750 | 1,760 | - | - | - | - | - | - |
| SH-AETRS | 10* | 1,820 | 1,830 | 1,840 | 1,850 | 2,080 | 2,090 | - | - |
| 12* | 1,930 | 1,950 | 1,970 | 1,990 | 2,350 | 2,500 | 2,970 | - | |
| 黒アルマイト(×1.1) | 15* | 2,050 | 2,140 | 2,220 | 2,300 | 2,580 | 2,730 | 3,220 | - |
| SH-ABETRS | 20* | 2,280 | 2,380 | 2,470 | 2,570 | 3,010 | 3,230 | 3,680 | - |
| 25 | 2,610 | 2,700 | 2,800 | 2,890 | 3,600 | 3,740 | 4,610 | 6,070 | |
| 30 | 3,140 | 3,270 | 3,400 | 3,520 | 4,650 | 4,920 | 6,190 | 7,170 | |
| 型式 | ¥基準単価 | |||||||||
| Type | D | 最短L 〜50 | L50.1 ~100 | L100.1 ~150 | L150.1 ~200 | L200.1 〜300 | L300.1 〜400 | L400.1 〜600 | L600.1 〜800 | L800.1 〜1000 |
| SL-PETRS | 5 | 1,980 | 1,990 | 2,000 | 2,010 | - | - | - | - | - |
| 6 | 2,000 | 2,010 | 2,030 | 2,040 | 2,050 | - | - | - | - | |
| 8 | 2,030 | 2,040 | 2,050 | 2,060 | 2,070 | 2,580 | - | - | - | |
| 10 | 2,040 | 2,050 | 2,060 | 2,070 | 2,120 | 2,630 | 3,100 | - | - | |
| 12 | 2,070 | 2,100 | 2,120 | 2,140 | 2,480 | 3,150 | 3,620 | 4,100 | - | |
| 15 | 2,150 | 2,240 | 2,330 | 2,420 | 2,770 | 3,440 | 3,870 | 4,310 | - | |
| 20 | 2,430 | 2,540 | 2,640 | 2,740 | 3,270 | 4,010 | 4,530 | 5,060 | - | |
| 25 | 2,790 | 2,880 | 2,990 | 3,090 | 3,810 | 4,470 | 5,270 | 6,620 | - | |
| 30 | - | 3,140 | 3,420 | 3,550 | 4,490 | 5,300 | 6,450 | 7,460 | - | |
| 35 | - | 3,580 | 3,880 | 4,020 | 5,140 | 5,970 | 7,290 | 8,900 | - | |
| 40 | - | 4,340 | 4,490 | 4,660 | 6,240 | 7,220 | 8,940 | 10,990 | - | |
| 50 | - | 5,500 | 5,760 | 6,020 | 8,120 | 9,210 | 11,620 | 14,420 | - | |
| SH-PETRS | 5 | 2,480 | 2,490 | 2,500 | 2,510 | - | - | - | - | - |
| 6 | 2,500 | 2,510 | 2,530 | 2,540 | 2,850 | - | - | - | - | |
| 8 | 2,530 | 2,540 | 2,550 | 2,560 | 2,870 | 4,080 | - | - | - | |
| 10 | 2,540 | 2,550 | 2,560 | 2,570 | 2,920 | 4,130 | 4,600 | - | - | |
| 12 | 2,570 | 2,600 | 2,620 | 2,640 | 3,280 | 4,650 | 5,120 | 5,600 | - | |
| 15 | 2,650 | 2,740 | 2,830 | 2,920 | 3,570 | 4,940 | 5,370 | 5,810 | - | |
| 20 | 2,930 | 3,040 | 3,140 | 3,240 | 4,070 | 5,510 | 6,030 | 6,560 | - | |
| 25 | 3,290 | 3,380 | 3,490 | 3,590 | 4,610 | 5,970 | 6,770 | 8,120 | - | |
| 30 | - | 3,640 | 3,920 | 4,050 | 5,290 | 6,800 | 7,950 | 8,960 | - | |
| 35 | - | 4,080 | 4,380 | 4,520 | 5,940 | 7,470 | 8,790 | 10,400 | - | |
| 40 | - | 4,840 | 4,990 | 5,160 | 7,040 | 8,720 | 10,440 | 12,490 | - | |
| 50 | - | 6,000 | 6,260 | 6,520 | 8,920 | 10,710 | 13,120 | 15,920 | - | |
| SL-BETRS | 5 | 2,060 | 2,070 | 2,080 | 2,100 | - | - | - | - | - |
| 6 | 2,030 | 2,040 | 2,050 | 2,060 | - | - | - | - | - | |
| 8 | 2,050 | 2,060 | 2,070 | 2,080 | - | - | - | - | - | |
| 10 | 2,060 | 2,070 | 2,080 | 2,100 | 2,140 | 2,650 | - | - | - | |
| 12 | 2,100 | 2,120 | 2,140 | 2,160 | 2,520 | 3,180 | 3,680 | - | - | |
| 15 | 2,170 | 2,270 | 2,350 | 2,440 | 2,800 | 3,470 | 3,920 | - | - | |
| 20 | 2,450 | 2,560 | 2,660 | 2,770 | 3,320 | 4,050 | 4,590 | - | - | |
| 25 | 2,820 | 2,920 | 3,020 | 3,120 | 3,870 | 4,520 | 5,330 | 6,690 | - | |
| 30 | - | 3,190 | 3,460 | 3,590 | 4,560 | 5,350 | 6,530 | 7,550 | - | |
| SH-BETRS | 5 | 2,560 | 2,570 | 2,580 | 2,600 | - | - | - | - | - |
| 6 | 2,530 | 2,540 | 2,550 | 2,560 | - | - | - | - | - | |
| 8 | 2,550 | 2,560 | 2,570 | 2,580 | - | - | - | - | - | |
| 10 | 2,560 | 2,570 | 2,580 | 2,600 | 2,940 | 4,150 | - | - | - | |
| 12 | 2,600 | 2,620 | 2,640 | 2,660 | 3,320 | 4,680 | 5,180 | - | - | |
| 15 | 2,670 | 2,770 | 2,850 | 2,940 | 3,600 | 4,970 | 5,420 | - | - | |
| 20 | 2,950 | 3,060 | 3,160 | 3,270 | 4,120 | 5,550 | 6,090 | - | - | |
| 25 | 3,320 | 3,420 | 3,520 | 3,620 | 4,670 | 6,020 | 6,830 | 8,190 | - | |
| 30 | - | 3,690 | 3,960 | 4,090 | 5,360 | 6,850 | 8,030 | 9,050 | - | |
| 型式 | ¥基準単価 | |||||||||
| Type | D | 最短L 〜50 | L50.1 ~100 | L100.1 ~150 | L150.1 ~200 | L200.1 〜300 | L300.1 〜400 | L400.1 〜600 | L600.1 〜800 | L800.1 〜1000 |
| SL-SETF | 5 | 1,670 | - | - | - | - | - | - | - | - |
| 6 | 1,640 | 1,650 | 1,660 | 1,670 | 1,680 | - | - | - | - | |
| 8 | 1,660 | 1,670 | 1,680 | 1,690 | 1,700 | 2,210 | - | - | - | |
| 10 | 1,670 | 1,680 | 1,690 | 1,700 | 1,800 | 2,310 | 3,000 | - | - | |
| 12 | 1,710 | 1,740 | 1,760 | 1,780 | 2,230 | 2,890 | 3,580 | 4,270 | - | |
| 15 | 1,880 | 1,970 | 2,050 | 2,130 | 2,610 | 3,260 | 3,850 | 4,440 | - | |
| 20 | 2,160 | 2,250 | 2,340 | 2,440 | 3,190 | 3,920 | 4,660 | 5,410 | - | |
| 25 | 2,720 | 2,820 | 2,910 | 3,010 | 4,070 | 4,710 | 5,990 | 8,100 | - | |
| 30 | - | - | 3,670 | 3,790 | 5,160 | 5,930 | 8,090 | 9,430 | - | |
| SH-SETF | 5 | 2,170 | - | - | - | - | - | - | - | - |
| 6 | 2,140 | 2,150 | 2,160 | 2,170 | 2,480 | - | - | - | - | |
| 8 | 2,160 | 2,170 | 2,180 | 2,190 | 2,500 | 3,710 | - | - | - | |
| 10 | 2,170 | 2,180 | 2,190 | 2,200 | 2,600 | 3,810 | 4,500 | - | - | |
| 12 | 2,210 | 2,240 | 2,260 | 2,280 | 3,030 | 4,390 | 5,080 | 5,770 | - | |
| 15 | 2,380 | 2,470 | 2,550 | 2,630 | 3,410 | 4,760 | 5,350 | 5,940 | - | |
| 20 | 2,660 | 2,750 | 2,840 | 2,940 | 3,990 | 5,420 | 6,160 | 6,910 | - | |
| 25 | 3,220 | 3,320 | 3,410 | 3,510 | 4,870 | 6,210 | 7,490 | 9,600 | - | |
| 30 | - | - | 4,170 | 4,290 | 5,960 | 7,430 | 9,590 | 10,930 | - | |
| SHD-SETF | 5 | 2,470 | - | - | - | - | - | - | - | - |
| 6 | 2,440 | 2,450 | 2,460 | 2,470 | 2,980 | - | - | - | - | |
| 8 | 2,460 | 2,470 | 2,480 | 2,490 | 3,000 | 4,460 | - | - | - | |
| 10 | 2,470 | 2,480 | 2,490 | 2,500 | 3,100 | 4,560 | 5,250 | - | - | |
| 12 | 2,510 | 2,540 | 2,560 | 2,580 | 3,530 | 5,140 | 5,830 | 6,520 | - | |
| 15 | 2,680 | 2,770 | 2,850 | 2,930 | 3,910 | 5,510 | 6,100 | 6,690 | - | |
| 20 | 2,960 | 3,050 | 3,140 | 3,240 | 4,490 | 6,170 | 6,910 | 7,660 | - | |
| 25 | 3,520 | 3,620 | 3,710 | 3,810 | 5,370 | 6,960 | 8,240 | 10,350 | - | |
| 30 | - | - | 4,470 | 4,590 | 6,460 | 8,180 | 10,340 | 11,680 | - | |
| 型式 | ¥基準単価 | ||||||||
| Type | D | 最短L | L50.5 | L100.5 | L150.5 | L200.5 | L300.5 | L400.5 | L600.5 |
| 〜50 | ~100 | ~150 | ~200 | 〜300 | 〜400 | 〜600 | 〜800 | ||
| 6* | 1,140 | 1,150 | - | - | - | - | - | - | |
| 白アルマイト(×1.0) | 8* | 1,190 | 1,200 | - | - | - | - | - | - |
| SL-AETTF | 10* | 1,270 | 1,280 | 1,290 | 1,300 | 1,540 | 1,550 | - | - |
| 12* | 1,400 | 1,420 | 1,450 | 1,470 | 1,810 | 1,970 | 2,380 | - | |
| 黒アルマイト(×1.1) | 15* | 1,550 | 1,630 | 1,720 | 1,800 | 2,080 | 2,230 | 2,800 | - |
| SL-ABETTF | 20* | 1,820 | 1,920 | 2,010 | 2,110 | 2,550 | 2,770 | 3,320 | - |
| 25 | 2,230 | 2,330 | 2,420 | 2,520 | 3,250 | 3,400 | 4,390 | 5,990 | |
| 30 | - | 3,010 | 3,140 | 3,260 | 4,460 | 4,730 | 6,190 | 7,270 | |
| 6* | 1,390 | 1,400 | - | - | - | - | - | - | |
| 白アルマイト(×1.0) | 8* | 1,440 | 1,450 | - | - | - | - | - | - |
| SH-AETTF | 10* | 1,520 | 1,530 | 1,540 | 1,550 | 1,790 | 1,800 | - | - |
| 12* | 1,650 | 1,670 | 1,700 | 1,720 | 2,060 | 2,220 | 2,630 | - | |
| 黒アルマイト(×1.1) | 15* | 1,800 | 1,880 | 1,970 | 2,050 | 2,330 | 2,480 | 3,050 | - |
| SH-ABETTF | 20* | 2,070 | 2,170 | 2,260 | 2,360 | 2,800 | 3,020 | 3,570 | - |
| 25 | 2,480 | 2,580 | 2,670 | 2,770 | 3,500 | 3,650 | 4,640 | 6,240 | |
| 30 | - | 3,260 | 3,390 | 3,510 | 4,710 | 4,980 | 6,440 | 7,520 | |
| 型式 | ¥基準単価 | |||||||||
| Type | D | 最短L 〜50 | L50.1 ~100 | L100.1 ~150 | L150.1 ~200 | L200.1 〜300 | L300.1 〜400 | L400.1 〜600 | L600.1 〜800 | L800.1 〜1000 |
| SL-PETF | 5 | 1,610 | 1,620 | 1,630 | 1,640 | - | - | - | - | - |
| 6 | 1,650 | 1,660 | 1,670 | 1,690 | 1,700 | - | - | - | - | |
| 8 | 1,690 | 1,700 | 1,710 | 1,720 | 1,730 | 2,240 | - | - | - | |
| 10 | 1,700 | 1,710 | 1,720 | 1,730 | 1,750 | 2,260 | 2,710 | - | - | |
| 12 | 1,730 | 1,750 | 1,770 | 1,800 | 2,150 | 2,820 | 3,280 | 3,730 | - | |
| 15 | 1,840 | 1,920 | 2,010 | 2,110 | 2,440 | 3,110 | 3,620 | 4,140 | - | |
| 20 | 2,120 | 2,210 | 2,320 | 2,420 | 2,990 | 3,730 | 4,310 | 4,910 | - | |
| 25 | - | 2,540 | 2,740 | 2,840 | 3,560 | 4,230 | 5,070 | 6,460 | - | |
| 30 | - | 3,070 | 3,210 | 3,340 | 4,310 | 5,100 | 6,350 | 7,380 | - | |
| 35 | - | 3,500 | 3,650 | 3,790 | 5,030 | 5,850 | 7,290 | 9,030 | - | |
| 40 | - | 4,160 | 4,320 | 4,470 | 6,200 | 7,170 | 9,040 | 11,240 | - | |
| 50 | - | 5,400 | 5,670 | 5,930 | 8,260 | 9,350 | 11,980 | 14,940 | - | |
| SH-PETF | 5 | 2,110 | 2,120 | 2,130 | 2,140 | - | - | - | - | - |
| 6 | 2,150 | 2,160 | 2,170 | 2,190 | 2,500 | - | - | - | - | |
| 8 | 2,190 | 2,200 | 2,210 | 2,220 | 2,530 | 3,740 | - | - | - | |
| 10 | 2,200 | 2,210 | 2,220 | 2,230 | 2,550 | 3,760 | 4,210 | - | - | |
| 12 | 2,230 | 2,250 | 2,270 | 2,300 | 2,950 | 4,320 | 4,780 | 5,230 | - | |
| 15 | 2,340 | 2,420 | 2,510 | 2,610 | 3,240 | 4,610 | 5,120 | 5,640 | - | |
| 20 | 2,620 | 2,710 | 2,820 | 2,920 | 3,790 | 5,230 | 5,810 | 6,410 | - | |
| 25 | - | 3,040 | 3,240 | 3,340 | 4,360 | 5,730 | 6,570 | 7,960 | - | |
| 30 | - | 3,570 | 3,710 | 3,840 | 5,110 | 6,600 | 7,850 | 8,880 | - | |
| 35 | - | 4,000 | 4,150 | 4,290 | 5,830 | 7,350 | 8,790 | 10,530 | - | |
| 40 | - | 4,660 | 4,820 | 4,970 | 7,000 | 8,670 | 10,540 | 12,740 | - | |
| 50 | - | 5,900 | 6,170 | 6,430 | 9,060 | 10,850 | 13,480 | 16,440 | - | |
| 型式 | ¥基準単価 | |||||||||
| Type | D | 最短L 〜50 | L50.1 ~100 | L100.1 ~150 | L150.1 ~200 | L200.1 〜300 | L300.1 〜400 | L400.1 〜600 | L600.1 〜800 | L800.1 〜1000 |
| SL-SETS | 5 | 2,090 | 2,100 | 2,110 | 2,120 | - | - | - | - | - |
| 6 | 2,060 | 2,070 | 2,080 | 2,090 | 2,100 | - | - | - | - | |
| 8 | 2,080 | 2,090 | 2,100 | 2,110 | 2,120 | 2,630 | - | - | - | |
| 10 | 2,090 | 2,100 | 2,110 | 2,120 | 2,220 | 2,730 | 3,420 | - | - | |
| 12 | 2,130 | 2,160 | 2,180 | 2,200 | 2,650 | 3,310 | 4,000 | 4,690 | - | |
| 15 | 2,300 | 2,390 | 2,470 | 2,550 | 3,030 | 3,680 | 4,270 | 4,860 | - | |
| 20 | 2,580 | 2,670 | 2,760 | 2,860 | 3,610 | 4,340 | 5,080 | 5,830 | - | |
| 25 | 3,140 | 3,240 | 3,330 | 3,430 | 4,490 | 5,130 | 6,410 | 8,520 | - | |
| 30 | - | 3,960 | 4,090 | 4,210 | 5,580 | 6,350 | 8,510 | 9,850 | - | |
| SH-SETS | 5 | 2,590 | 2,600 | 2,610 | 2,620 | - | - | - | - | - |
| 6 | 2,560 | 2,570 | 2,580 | 2,590 | 2,900 | - | - | - | - | |
| 8 | 2,580 | 2,590 | 2,600 | 2,610 | 2,920 | 4,130 | - | - | - | |
| 10 | 2,590 | 2,600 | 2,610 | 2,620 | 3,020 | 4,230 | 4,920 | - | - | |
| 12 | 2,630 | 2,660 | 2,680 | 2,700 | 3,450 | 4,810 | 5,500 | 6,190 | - | |
| 15 | 2,800 | 2,890 | 2,970 | 3,050 | 3,830 | 5,180 | 5,770 | 6,360 | - | |
| 20 | 3,080 | 3,170 | 3,260 | 3,360 | 4,410 | 5,840 | 6,580 | 7,330 | - | |
| 25 | 3,640 | 3,740 | 3,830 | 3,930 | 5,290 | 6,630 | 7,910 | 10,020 | - | |
| 30 | - | 4,460 | 4,590 | 4,710 | 6,380 | 7,850 | 10,010 | 11,350 | - | |
| SHD-SETS | 5 | 2,890 | 2,900 | 2,910 | 2,920 | - | - | - | - | - |
| 6 | 2,860 | 2,870 | 2,880 | 2,890 | 3,400 | - | - | - | - | |
| 8 | 2,880 | 2,890 | 2,900 | 2,910 | 3,420 | 4,880 | - | - | - | |
| 10 | 2,890 | 2,900 | 2,910 | 2,920 | 3,520 | 4,980 | 5,670 | - | - | |
| 12 | 2,930 | 2,960 | 2,980 | 3,000 | 3,950 | 5,560 | 6,250 | 6,940 | - | |
| 15 | 3,100 | 3,190 | 3,270 | 3,350 | 4,330 | 5,930 | 6,520 | 7,110 | - | |
| 20 | 3,380 | 3,470 | 3,560 | 3,660 | 4,910 | 6,590 | 7,330 | 8,080 | - | |
| 25 | 3,940 | 4,040 | 4,130 | 4,230 | 5,790 | 7,380 | 8,660 | 10,770 | - | |
| 30 | - | 4,760 | 4,890 | 5,010 | 6,880 | 8,600 | 10,760 | 12,100 | - | |
| 型式 | ¥基準単価 | ||||||||
| Type | D | 最短L | L50.5 | L100.5 | L150.5 | L200.5 | L300.5 | L400.5 | L600.5 |
| 〜50 | ~100 | ~150 | ~200 | 〜300 | 〜400 | 〜600 | 〜800 | ||
| 6* | 1,560 | 1,570 | - | - | - | - | - | - | |
| 白アルマイト(×1.0) | 8* | 1,610 | 1,620 | - | - | - | - | - | - |
| SL-AETTS | 10* | 1,690 | 1,700 | 1,710 | 1,720 | 1,960 | 1,970 | - | - |
| 12* | 1,820 | 1,840 | 1,870 | 1,890 | 2,230 | 2,390 | 2,800 | - | |
| 黒アルマイト(×1.1) | 15* | 1,970 | 2,050 | 2,140 | 2,220 | 2,500 | 2,650 | 3,220 | - |
| SL-ABETTS | 20* | 2,240 | 2,340 | 2,430 | 2,530 | 2,970 | 3,190 | 3,740 | - |
| 25 | 2,650 | 2,750 | 2,840 | 2,940 | 3,670 | 3,820 | 4,810 | 6,410 | |
| 30 | - | 3,430 | 3,560 | 3,680 | 4,880 | 5,150 | 6,610 | 7,690 | |
| 6* | 1,810 | 1,820 | - | - | - | - | - | - | |
| 白アルマイト(×1.0) | 8* | 1,860 | 1,870 | - | - | - | - | - | - |
| SH-AETTS | 10* | 1,940 | 1,950 | 1,960 | 1,970 | 2,210 | 2,220 | - | - |
| 12* | 2,070 | 2,090 | 2,120 | 2,140 | 2,480 | 2,640 | 3,050 | - | |
| 黒アルマイト(×1.1) | 15* | 2,220 | 2,300 | 2,390 | 2,470 | 2,750 | 2,900 | 3,470 | - |
| SH-ABETTS | 20* | 2,490 | 2,590 | 2,680 | 2,780 | 3,220 | 3,440 | 3,990 | - |
| 25 | 2,900 | 3,000 | 3,090 | 3,190 | 3,920 | 4,070 | 5,060 | 6,660 | |
| 30 | - | 3,680 | 3,810 | 3,930 | 5,130 | 5,400 | 6,860 | 7,940 | |
| 型式 | ¥基準単価 | |||||||||
| Type | D | 最短L 〜50 | L50.1 ~100 | L100.1 ~150 | L150.1 ~200 | L200.1 〜300 | L300.1 〜400 | L400.1 〜600 | L600.1 〜800 | L800.1 〜1000 |
| SL-PETS | 5 | 2,060 | 2,070 | 2,080 | 2,100 | - | - | - | - | - |
| 6 | 2,110 | 2,120 | 2,130 | 2,140 | 2,150 | - | - | - | - | |
| 8 | 2,140 | 2,150 | 2,160 | 2,170 | 2,180 | 2,690 | - | - | - | |
| 10 | 2,150 | 2,160 | 2,170 | 2,180 | 2,200 | 2,710 | 3,170 | - | - | |
| 12 | 2,180 | 2,200 | 2,230 | 2,260 | 2,600 | 3,280 | 3,730 | 4,180 | - | |
| 15 | 2,290 | 2,380 | 2,460 | 2,560 | 2,890 | 3,570 | 4,080 | 4,590 | - | |
| 20 | 2,570 | 2,670 | 2,780 | 2,870 | 3,450 | 4,180 | 4,770 | 5,360 | - | |
| 25 | - | 2,990 | 3,200 | 3,290 | 4,020 | 4,680 | 5,520 | 6,920 | - | |
| 30 | - | 3,520 | 3,660 | 3,790 | 4,760 | 5,550 | 6,810 | 7,830 | - | |
| 35 | - | 3,950 | 4,100 | 4,240 | 5,490 | 6,300 | 7,750 | 9,490 | - | |
| 40 | - | 4,610 | 4,770 | 4,930 | 6,650 | 7,630 | 9,500 | 11,690 | - | |
| 50 | - | 5,850 | 6,120 | 6,380 | 8,720 | 9,800 | 12,430 | 15,390 | - | |
| SH-PETS | 5 | 2,560 | 2,570 | 2,580 | 2,600 | - | - | - | - | - |
| 6 | 2,610 | 2,620 | 2,630 | 2,640 | 2,950 | - | - | - | - | |
| 8 | 2,640 | 2,650 | 2,660 | 2,670 | 2,980 | 4,190 | - | - | - | |
| 10 | 2,650 | 2,660 | 2,670 | 2,680 | 3,000 | 4,210 | 4,670 | - | - | |
| 12 | 2,680 | 2,700 | 2,730 | 2,760 | 3,400 | 4,780 | 5,230 | 5,680 | - | |
| 15 | 2,790 | 2,880 | 2,960 | 3,060 | 3,690 | 5,070 | 5,580 | 6,090 | - | |
| 20 | 3,070 | 3,170 | 3,280 | 3,370 | 4,250 | 5,680 | 6,270 | 6,860 | - | |
| 25 | - | 3,490 | 3,700 | 3,790 | 4,820 | 6,180 | 7,020 | 8,420 | - | |
| 30 | - | 4,020 | 4,160 | 4,290 | 5,560 | 7,050 | 8,310 | 9,330 | - | |
| 35 | - | 4,450 | 4,600 | 4,740 | 6,290 | 7,800 | 9,250 | 10,990 | - | |
| 40 | - | 5,110 | 5,270 | 5,430 | 7,450 | 9,130 | 11,000 | 13,190 | - | |
| 50 | - | 6,350 | 6,620 | 6,880 | 9,520 | 11,300 | 13,930 | 16,890 | - | |
| SL-BETS | 5 | 2,140 | 2,150 | 2,160 | 2,170 | - | - | - | - | - |
| 6 | 2,130 | 2,140 | 2,150 | 2,160 | - | - | - | - | - | |
| 8 | 2,160 | 2,170 | 2,180 | 2,190 | - | - | - | - | - | |
| 10 | 2,170 | 2,180 | 2,190 | 2,200 | 2,230 | 2,740 | - | - | - | |
| 12 | 2,200 | 2,230 | 2,260 | 2,280 | 2,640 | 3,310 | 3,780 | - | - | |
| 15 | 2,310 | 2,400 | 2,500 | 2,580 | 2,950 | 3,610 | 4,140 | - | - | |
| 20 | 2,600 | 2,710 | 2,810 | 2,910 | 3,490 | 4,230 | 4,830 | - | - | |
| 25 | - | 3,120 | 3,230 | 3,330 | 4,080 | 4,730 | 5,590 | 6,990 | - | |
| 30 | - | 3,560 | 3,700 | 3,850 | 4,830 | 5,620 | 6,900 | 7,930 | - | |
| SH-BETS | 5 | 2,640 | 2,650 | 2,660 | 2,670 | - | - | - | - | - |
| 6 | 2,630 | 2,640 | 2,650 | 2,660 | - | - | - | - | - | |
| 8 | 2,660 | 2,670 | 2,680 | 2,690 | - | - | - | - | - | |
| 10 | 2,670 | 2,680 | 2,690 | 2,700 | 3,030 | 4,240 | - | - | - | |
| 12 | 2,700 | 2,730 | 2,760 | 2,780 | 3,440 | 4,810 | 5,280 | - | - | |
| 15 | 2,810 | 2,900 | 3,000 | 3,080 | 3,750 | 5,110 | 5,640 | - | - | |
| 20 | 3,100 | 3,210 | 3,310 | 3,410 | 4,290 | 5,730 | 6,330 | - | - | |
| 25 | - | 3,620 | 3,730 | 3,830 | 4,880 | 6,230 | 7,090 | 8,490 | - | |
| 30 | - | 4,060 | 4,200 | 4,350 | 5,630 | 7,120 | 8,400 | 9,430 | - | |
| Type | D | ¥基準単価 | ||
| 最短L 〜50 | L50.1 ~100 | L100.1 ~130 | ||
| SL-VSETS | 5 | 2,100 | 2,110 | - |
| 6 | 2,120 | 2,130 | 2,140 | |
| 8 | 2,140 | 2,150 | 2,160 | |
| 10 | 2,150 | 2,160 | 2,170 | |
| 12 | 2,190 | 2,220 | 2,240 | |
| 15 | 2,370 | 2,460 | 2,550 | |
| 20 | 2,660 | 2,760 | 2,850 | |
| SH-VSETS | 5 | 2,600 | 2,610 | - |
| 6 | 2,620 | 2,630 | 2,640 | |
| 8 | 2,640 | 2,650 | 2,660 | |
| 10 | 2,650 | 2,660 | 2,670 | |
| 12 | 2,690 | 2,720 | 2,740 | |
| 15 | 2,870 | 2,960 | 3,050 | |
| 20 | 3,160 | 3,260 | 3,350 | |
| SHD-VSETS | 5 | 2,900 | 2,910 | - |
| 6 | 2,920 | 2,930 | 2,940 | |
| 8 | 2,940 | 2,950 | 2,960 | |
| 10 | 2,950 | 2,960 | 2,970 | |
| 12 | 2,990 | 3,020 | 3,040 | |
| 15 | 3,170 | 3,260 | 3,350 | |
| 20 | 3,460 | 3,560 | 3,650 | |
| Type | D | ¥基準単価 | ||
| 最短L 〜50 | L50.1 ~100 | L100.1 ~130 | ||
| SL-VUSETS | 5 | 2,430 | 2,500 | - |
| 6 | 2,430 | 2,530 | 2,580 | |
| 8 | 2,450 | 2,530 | 2,580 | |
| 10 | 2,480 | 2,560 | 2,600 | |
| 12 | 2,480 | 2,560 | 2,600 | |
| 15 | 2,510 | 2,610 | 2,760 | |
| 20 | 2,830 | 2,940 | 3,050 | |
| SH-VUSETS | 5 | 2,930 | 3,000 | - |
| 6 | 2,930 | 3,030 | 3,080 | |
| 8 | 2,950 | 3,030 | 3,080 | |
| 10 | 2,980 | 3,060 | 3,100 | |
| 12 | 2,980 | 3,060 | 3,100 | |
| 15 | 3,010 | 3,110 | 3,260 | |
| 20 | 3,330 | 3,440 | 3,550 | |
| SHD-VUSETS | 5 | 3,230 | 3,300 | - |
| 6 | 3,230 | 3,330 | 3,380 | |
| 8 | 3,250 | 3,330 | 3,380 | |
| 10 | 3,280 | 3,360 | 3,400 | |
| 12 | 3,280 | 3,360 | 3,400 | |
| 15 | 3,310 | 3,410 | 3,560 | |
| 20 | 3,630 | 3,740 | 3,850 | |
| Type | D | ¥基準単価 | ||
| 最短L 〜50 | L50.1 ~100 | L100.1 ~130 | ||
| SL-VPETS | 5 | 2,030 | 2,040 | - |
| 6 | 2,080 | 2,090 | 2,100 | |
| 8 | 2,110 | 2,120 | 2,130 | |
| 10 | 2,120 | 2,130 | 2,140 | |
| 12 | 2,150 | 2,170 | 2,190 | |
| 15 | 2,250 | 2,340 | 2,420 | |
| 20 | 2,530 | 2,620 | 2,730 | |
| SH-VPETS | 5 | 2,530 | 2,540 | - |
| 6 | 2,580 | 2,590 | 2,600 | |
| 8 | 2,610 | 2,620 | 2,630 | |
| 10 | 2,620 | 2,630 | 2,640 | |
| 12 | 2,650 | 2,670 | 2,690 | |
| 15 | 2,750 | 2,840 | 2,920 | |
| 20 | 3,030 | 3,120 | 3,230 | |
| 数量区分 | 標準対応 | ||||||||
| 小口 | 大口 | ||||||||
| 数 量 | 1~4 | 5~9 | 10~14 | 15~19 | 20~49 | 50~100 | 101~300 | 301~500 | 501~600 |
| 値引率 | 基準単価 | 23% | 25% | 30% | 35% | 38% | 38% | 50% | 60% |
| 出荷日 | 通常 | +1日 | +4日 | ||||||
| 数量区分 | 標準対応 | 個別対応 | |||||
| 小口 | 大口 | 大口 | |||||
| 数 量 | 1~4 | 5~9 | 10~14 | 15~19 | 20~49 | 50~100 | 101~ |
| 値引率 | 基準単価 | 23% | 25% | 30% | 35% | 43% | お見積り |
| 出荷日 | 通常 | +5日 | |||||
| 5 | 日目出荷 |
| 8 | 日目出荷 |

通常価格、通常出荷日が表示と異なる場合がございます
通常価格、通常出荷日が表示と異なる場合がございます

ミスミ
六角支柱-片端おねじ片端めねじ【全長公差バラつき保証タイプ・標準タイプ】
4.5
ミスミ
六角支柱-両端めねじ【全長公差バラつき保証タイプ・標準タイプ】
4.6
ミスミ
円形支柱-両端めねじ【全長公差バラつき保証タイプ・標準タイプ】
4.6
ミスミ
円形支柱-片端おねじ片端めねじ【全長公差バラつき保証タイプ・標準タイプ】
4.5
ミスミ
六角支柱-並目ねじ径長さ指定片端おねじ片端めねじ-
4.5
ミスミ
円形支柱-片端おねじ-【全長公差バラつき保証タイプ・標準タイプ】
4.5
ミスミ
【エコノミーシリーズ】 RoHS対応 六角支柱 片端おねじ・片端めねじタイプ
4.7通常価格(税別):165円~

ミスミ
円形支柱-片端めねじ-【全長公差バラつき保証タイプ・標準タイプ】
4.5
ミスミ
円形支柱 片端おねじ片端めねじ -ねじ径長さ指定-
4.3