メカニカル部品技術窓口
ミスミ品のみ対象

【特徴】SUS304相当の材質を使用しており、1個からご購入いただけます。機械の干渉回避や薄型設計など...
詳細を確認
| Type | [ M ]材質 |
| E-GCBSTS | SUSXM7(SUS304相当) |
| 型式 | - | L |
| E-GCBSTS3 | - | 10 |
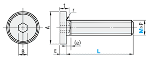
| 型式 | M×P | 頭部 | 六角穴 | 不完全 ねじ部 (e)max. | 首下 r max. | ||||||
| 径 A | 高さ E | 幅 B | 深さ t | ||||||||
| Type | M | 寸法 | 公差 | 寸法 | 公差 | 寸法 | 公差 | ||||
| E-GCBSTS | 2 | 2×0.4 | 4 | 0 -0.5 | 1.1 | 0.1 -0.1 | 1.3 | 1.1 | 0 -0.3 | 1.2 | 0.45 |
| 2.5 | 2.5×0.45 | 5 | 1.3 | 1.2 | 1.3 | ||||||
| 3 | 3×0.6 | 6 | +0.1 -0.3 | 0 -0.1 | 1.5 | 1.3 | 1.4 | 0.5 | |||
| 4 | 4×0.7 | 8 | 1.5 | 2 | 1.7 | 0 -0.4 | 1.5 | 0.6 | |||
| 5 | 5×0.8 | 9 | 2.5 | 2 | 1.8 | 0.65 | |||||
| 6 | 6×1.0 | 10 | 3 | 2.4 | 2.2 | 0.75 | |||||
| ねじの呼び M | 締め付け トルク | 頭部引張 強さ | |
| 推奨 | 破壊 | N/mm2 | |
| M2 | 0.16 | 0.4 | 200 |
| M2.5 | 0.35 | 0.5 | |
| M3 | 0.4 | 0.6 | 350 |
| M4 | 0.5 | 0.7 | |
| M5 | 1.8 | 2.3 | |
| M6 | 3.3 | 5 | |
| L寸 | M2 | M2.5 | M3 | M4 | M5 | M6 |
| 4~6 | ±0.2 | ±0.25 | ||||
| 7~10 | ±0.3 | |||||
| 12~16 | - | ±0.4 | ||||
| 当社類似品 CBSTS | エコノミーシリーズ E-GCBSTS | ||
| 販売数量 | 1個から | ||
| 材質 | SUSXM7(SUS304相当) | ||
| 頭部高さ※ | 1.1~1.5 | ||
| 頭部引張強さ N/mm2 ※ | 400 | 200~350 | |
| 六角穴深さ t max. ※ | 1.2~4 | 1~2.4 | |
| 締付トルク N・m※ | 推奨 | 0.25~5 | 0.16~3.3 |
| 破壊 | ー | 0.4~5 | |
| RoHS10 | 対応 | ||
| 型式 | ¥基準単価 | |||
| Type | M-L | |||
| E-GCBSTS | 2 | - | 5 | 76 |
| 2.5 | - | 5 | ||
| 6 | ||||
| 8 | ||||
| 3 | - | 4 | ||
| 5 | ||||
| 6 | ||||
| 8 | ||||
| 10 | ||||
| 4 | - | 6 | ||
| 8 | ||||
| 10 | ||||
| 12 | ||||
| 5 | - | 6 | ||
| 8 | ||||
| 10 | ||||
| 12 | ||||
| 14 | ||||
| 6 | - | 10 | ||
| 12 | ||||
| 14 | ||||
| 16 | ||||
| 型番 | ねじ径 | 六角穴深さ(mm) | 商品画像 | 六角穴 | |
| 寸法 | 公差 | ||||
| E-GCBSTS2-5 | M2 | 1.1 | 0 -0.3 | - | ![]() |
| E-GCBSTS2.5-8 | M2.5 | 1.2 | - | ||
| E-GCBSTS3-10 | M3 | 1.3 | ![]() | ||
| E-GCBSTS4-10 | M4 | 1.7 | 0 -0.4 | ![]() | |
| E-GCBSTS5-10 | M5 | 2 | ![]() | ||
| E-GCBSTS6-10 | M6 | 2.4 | ![]() | ||
| 型番 |
|---|
通常単価(税別)
(税込単価) | 通常出荷日 |
|---|
76円 ( 84円 ) | 在庫品1日目当日出荷可能 |
76円 ( 84円 ) | 在庫品1日目当日出荷可能 |
76円 ( 84円 ) | 在庫品1日目当日出荷可能 |
76円 ( 84円 ) | 在庫品1日目当日出荷可能 |
76円 ( 84円 ) | 在庫品1日目当日出荷可能 |
76円 ( 84円 ) | 在庫品1日目当日出荷可能 |
76円 ( 84円 ) | 在庫品1日目当日出荷可能 |
76円 ( 84円 ) | 在庫品1日目当日出荷可能 |
76円 ( 84円 ) | 在庫品1日目当日出荷可能 |
76円 ( 84円 ) | 在庫品1日目当日出荷可能 |
76円 ( 84円 ) | 在庫品1日目当日出荷可能 |
76円 ( 84円 ) | 在庫品1日目当日出荷可能 |
76円 ( 84円 ) | 在庫品1日目当日出荷可能 |
76円 ( 84円 ) | 在庫品1日目当日出荷可能 |
76円 ( 84円 ) | 在庫品1日目当日出荷可能 |
76円 ( 84円 ) | 在庫品1日目当日出荷可能 |
76円 ( 84円 ) | 在庫品1日目当日出荷可能 |
76円 ( 84円 ) | 在庫品1日目当日出荷可能 |
76円 ( 84円 ) | 在庫品1日目当日出荷可能 |
76円 ( 84円 ) | 在庫品1日目当日出荷可能 |
76円 ( 84円 ) | 在庫品1日目当日出荷可能 |
76円 ( 84円 ) | 在庫品1日目当日出荷可能 |
【特徴】SUS304相当の材質を使用しており、1個からご購入いただけます。
機械の干渉回避や薄型設計など、省スペースが求められる用途に最適です。
通常価格、通常出荷日が表示と異なる場合がございます
通常価格、通常出荷日が表示と異なる場合がございます

ミスミ
極低頭六角穴付ボルト【SUS316L/ SUSXM7/ SCM435】
4.7通常価格(税別):90円~

ミスミ
低頭六角穴付ボルト【メカニカル部品カタログ掲載】
4.6通常価格(税別):90円~

ミスミ
超極低頭六角穴付ボルト【SUS316L/ SUS304相当/ SCM435】
4.6通常価格(税別):230円~

ミスミ
【エコノミーシリーズ】 RoHS対応 超極低頭ボルト 六角穴タイプ
4.7通常価格(税別):77円

ミスミ
【エコノミーシリーズ】 RoHS対応 極低頭ボルト 六角穴タイプ
0通常価格(税別):76円

ミスミ
SUS316L 低頭ボルト
0通常価格(税別):95円~

SUNCO
極低頭キャップ(六角穴付ボルト)
4.6通常価格(税別):95円~

鍋屋バイテック
六角穴付き極低頭ボルト SSH
4.7通常価格(税別):331円~

ミスミ
極低頭六角ボルト
4.7通常価格(税別):180円~