メカニカル部品技術窓口
ミスミ品のみ対象
【新登場・SUS316L】高耐食性のCBSTSS(SUS316L)タイプを追加いたしました。(2025...
詳細を確認■極低頭六角穴付ボルト



| TYPE | [ M ]材質 | 単価例 | [ S ]表面処理 | 強度区分 | 磁性 | ねじ種別 |
| M4-L10 100個~ | ||||||
| CBSTSS | SUS316L | 42 | − | (注1) | なし | メートル並目 |
| CBSTS | SUSXM7 | 152 | 加工による 弱磁性あり | |||
| BOX-CBSTS | − | |||||
| PACK-CBSTS | 173 | 緩み防止処理 | ||||
| (エポキシ樹脂系接着剤) |
| TYPE | [ M ]材質 | 単価例 | [ H ]硬度 | [ S ]表面処理 | 強度区分 | 頭部 | 磁性 | ねじ種別 |
| M4-L10 100個~ | 強度区分 | |||||||
| CBSS | SCM435 | 23 | 32~39HRC | 四酸化鉄被膜(黒) | 10.9 | 5.8 (M10 4.8) | あり | メートル並目 |
| CBSA | 80 | 三価クロメート(白) | ||||||
| CBSM (注2) | 80 | |||||||
| CBSR | 215 | 低温黒色クロムメッキ(黒) |
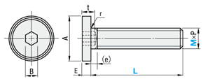
| Type | M | 頭部径 A | 頭部高さ E | 六角穴幅 B | 六角穴 深さ t max. | 不完全 ねじ部 (e) max. | 首下 r |
| CBSTSS CBSTS (※1) | 2 | 4 | 1.1 | 1.3 | 1.2 | 1.2 | 0.2以上 |
| 2.5 | 5 | 1.3 | 1.5 | 1.5 | |||
| 3 | 6 | 1.5 | 1.5 | 2 | 1.6 | ||
| 4 | 8 | 2 | 2.5 | ||||
| 5 | 9 | 3 | 3 | 2 | |||
| 6 | 10 | 4 | 2.5 | ||||
| CBSTS | 8 | 13 | 4 | 5 | 3 | ||
| 10 | 15 | 5 | 6 | 3.5 |
| Type | M | 頭部径 A | 頭部高さ E | 六角穴幅 B | 六角穴 深さ t max. | 不完全 ねじ部 (e) max. | 首下 r |
| CBSS CBSA | 2 | 4 | 1.1 | 1.3 | 1.2 | 1.2 | 0.1以上 |
| 2.5 | 5 | 1.3 | 1.5 | 1.5 | |||
| 3 | 6 | 1.5 | 2 | 1.6 | |||
| CBSM | 4 | 8 | 1.5 | 2 | 2.5 | 0.2以上 | |
| CBSR (※2) | 5 | 9 | 3 | 3 | 2 | ||
| 6 | 10 | 4 | 2.5 | 0.25以上 | |||
| 8 | 13 | 4 | 5 | 3 | 0.4以上 | ||
| 10 | 16 | 5 | 6 | 3.5 |
| M | L | (a) | (b) |
| M3 | 4~10 | 3 | 0 |
| 12 | 0.5 | ||
| M4 | 5~10 | 4 | 0 |
| 12~16 | 0.7 | ||
| M5 | 6~10 | 5 | 0 |
| 12~20 | 0.8 | ||
| M6 | 8~10 | 6 | 0 |
| 12~25 | 1 |
| 型式 | ¥基準単価 | ¥スライド単価 | ||||||||||||
| 代表寸法 | [ M ]材質 | [ S ]表面処理 | Type | M− | L | 1~3本 | 4~9本 | 10~19本 | 20~39本 | 40~99本 | 100~199本 | 200~499本 | 500~999本 | 1000本~ |
| M4 | SUS316L | ― | CBSTSS | 4- | 10 | 241 | 200 | 118 | 75 | 56 | 42 | 35 | 31 | 28 |
| SUSXM7 | ― | CBSTS | 205 | 205 | 205 | 205 | 172 | 152 | 152 | 152 | 152 | |||
| SCM435 | 四酸化鉄被膜 | CBSS | 625 | 209 | 36 | 36 | 36 | 23 | 23 | 23 | 23 | |||
| 三価クロメート | CBSA | 90 | 90 | 90 | 90 | 90 | 80 | 80 | 80 | 80 | ||||
| 低温黒色クロム | CBSR | 240 | 240 | 240 | 240 | 240 | 215 | 215 | 215 | 215 | ||||
■公差一覧
| Type | CBSTSS | CBSR | |||||||
| CBSTS | CBSS | ||||||||
| BOX−CBSTS | CBSA | ||||||||
| PACK-CBSTS | CBSM | ||||||||
| 寸法 | A | E | B | A | E | B | A | E | B |
| M2 | +0 -0.3 | ±0.07 | +0.01 -0.03 | +0.18 -0.3 | ±0.07 | +0.01 -0.03 | ー | ー | ±0.07 |
| M2.5 | ー | ー | |||||||
| M3 | +0.1 -0.3 | +0 -0.15 | +0.08 +0.02 | +0.08 +0.02 | +0 -0.3 | ±0.07 | +0 -0.15 | ||
| M4 | +0.02 -0.36 | +0.1 -0.14 | +0 -0.36 | +0 -0.14 | |||||
| M5 | |||||||||
| M6 | +0.27 -0.43 | +0 -0.43 | |||||||
| M8 | +0 -0.35 | +0 -0.14 | +0.095 +0.02 | +0.095 +0.02 | +0 -0.14 | ||||
| M10 | +0.14 +0.02 | +0.14 +0.02 | ー | ー | |||||
| L寸公差 | |
| 3~6 | ±0.24 |
| 8~10 | ±0.29 |
| 12~18 | ±0.35 |
| 20~30 | ±0.42 |
| ねじの呼び | 締付トルク(参考値) | ||
| N・m | |||
| CBSTSS | CBSS | CBSR | |
| CBSTS | CBSA | ||
| BOX−CBSTS | CBSM | ||
| PACK-CBSTS | |||
| M2 | 0.25 | 0.12 | ー |
| M2.5 | 0.42 | 0.24 | ー |
| M3 | 0.8 | 0.6 | 0.9 |
| M4 | 1.6 | 1.2 | 2.2 |
| M5 | 3 | 2.1 | 3.3 |
| M6 | 5 | 3 | 5.9 |
| M8 | 8.6 | 6 | 10.3 |
| M10 | 15.4 | 10.8 | ー |
| TYPE | 処理記号 | [ M ]材質 | 処理 |
| PACK-CBSTS | YBM | SUSXM7 | 緩み防止処理 (エポキシ樹脂系接着剤) |
| 型式 | CBSTSS (SUS316L) | CBSTS (SUSXM7) | |||||||||||
| ¥基準単価 | ¥スライド単価 | ¥基準単価 | ¥スライド単価 | ||||||||||
| Type | M-L | 1~3本 | 4~9本 | 10~19本 | 20~39本 | 40~99本 | 100~199本 | 200~499本 | 500~999本 | 1000本~ | 1~25本 | 26~99本 | 100~300本 |
| CBSTSS CBSTS | 2- 3 | 291 | 250 | 195 | 144 | 108 | 92 | 82 | 74 | 70 | 370 | 315 | 280 |
| 4 | 80 | 70 | 64 | 60 | |||||||||
| 5 | 60 | 360 | 305 | 270 | |||||||||
| 6 | 60 | 370 | 315 | 280 | |||||||||
| 8 | - | - | - | - | - | - | - | - | - | 390 | 330 | 295 | |
| 10 | 420 | 355 | 315 | ||||||||||
| 12 | |||||||||||||
| 2.5- 3 | 261 | 220 | 172 | 124 | 93 | 92 | 82 | 74 | 70 | 370 | 315 | 280 | |
| 4 | 86 | 76 | 69 | 65 | |||||||||
| 5 | 73 | 64 | 58 | 54 | 360 | 305 | 270 | ||||||
| 6 | 80 | 70 | 64 | 60 | 370 | 315 | 280 | ||||||
| 8 | 390 | 330 | 295 | ||||||||||
| 10 | - | - | - | - | - | - | - | - | - | 420 | 355 | 315 | |
| 12 | - | - | - | ||||||||||
| 3- 4 | 241 | 200 | 150 | 117 | 87 | 62 | 53 | 48 | 44 | 330 | 280 | 250 | |
| 5 | 48 | 40 | 36 | 33 | 320 | 270 | 240 | ||||||
| 6 | 226 | 185 | 103 | 74 | 55 | 48 | 40 | 36 | 33 | 260 | 220 | 195 | |
| 8 | 49 | 41 | |||||||||||
| 10 | 86 | 64 | 53 | 45 | 40 | 37 | |||||||
| 12 | 112 | 102 | 76 | 58 | 50 | 45 | 41 | ||||||
| 14 | - | - | - | - | - | - | - | - | - | ||||
| 16 | 226 | 185 | 112 | 102 | 76 | 66 | 58 | 52 | 48 | ||||
| 型式 | CBSTSS (SUS316L) | CBSTS (SUSXM7) | |||||||||||
| ¥基準単価 | ¥スライド単価 | ¥基準単価 | ¥スライド単価 | ||||||||||
| Type | M-L | 1~3本 | 4~9本 | 10~19本 | 20~39本 | 40~99本 | 100~199本 | 200~499本 | 500~999本 | 1000本~ | 1~25本 | 26~99本 | 100~300本 |
| CBSTSS CBSTS | 4- 5 | 241 | 200 | 118 | 75 | 56 | 42 | 35 | 31 | 28 | 270 | 230 | 205 |
| 6 | 52 | 41 | 34 | 30 | 27 | 205 | 172 | 152 | |||||
| 8 | 54 | ||||||||||||
| 10 | 56 | 42 | 35 | 31 | 28 | ||||||||
| 12 | 45 | 37 | 33 | 30 | |||||||||
| 14 | - | - | - | - | - | - | - | - | - | 280 | 240 | 210 | |
| 16 | 241 | 200 | 126 | 84 | 63 | 47 | 39 | 34 | 32 | ||||
| 18 | - | - | - | - | - | - | - | - | - | ||||
| 20 | 241 | 200 | 126 | 110 | 86 | 79 | 69 | 63 | 59 | ||||
| 5- 6 | 246 | 205 | 123 | 86 | 64 | 47 | 40 | 35 | 32 | 235 | 197 | 177 | |
| 8 | 44 | 37 | 32 | 30 | |||||||||
| 10 | 45 | 38 | 33 | 31 | |||||||||
| 12 | 47 | 39 | 34 | 32 | |||||||||
| 14 | - | - | - | - | - | - | - | - | - | 265 | 227 | 197 | |
| 16 | 246 | 205 | 123 | 86 | 64 | 52 | 44 | 39 | 36 | ||||
| 18 | - | - | - | - | - | - | - | - | - | ||||
| 20 | 246 | 205 | 132 | 90 | 67 | 54 | 46 | 41 | 38 | ||||
| 25 | 166 | 138 | 103 | 82 | 73 | 66 | 62 | ||||||
| 型式 | CBSTSS (SUS316L) | CBSTS (SUSXM7) | |||||||||||
| ¥基準単価 | ¥スライド単価 | ¥基準単価 | ¥スライド単価 | ||||||||||
| Type | M-L | 1~3本 | 4~9本 | 10~19本 | 20~39本 | 40~99本 | 100~199本 | 200~499本 | 500~999本 | 1000本~ | 1~25本 | 26~99本 | 100~300本 |
| CBSTSS CBSTS | 6- 6 | - | - | - | - | - | - | - | - | - | 250 | 215 | 190 |
| 8 | 251 | 210 | 164 | 90 | 67 | 47 | 39 | 35 | 32 | ||||
| 10 | 48 | 40 | 33 | ||||||||||
| 12 | 49 | 41 | 36 | 34 | |||||||||
| 14 | - | - | - | - | - | - | - | - | - | 290 | 245 | 220 | |
| 16 | 251 | 210 | 164 | 90 | 67 | 52 | 44 | 39 | 36 | ||||
| 18 | - | - | - | - | - | - | - | - | - | ||||
| 20 | 251 | 210 | 164 | 104 | 78 | 57 | 49 | 44 | 41 | ||||
| 25 | 114 | 85 | 61 | 53 | 47 | 44 | |||||||
| 30 | - | - | - | - | - | - | - | - | - | 420 | 355 | 315 | |
| 8- 6 | - | - | - | - | - | - | - | - | - | 320 | 270 | 240 | |
| 8 | |||||||||||||
| 10 | |||||||||||||
| 12 | |||||||||||||
| 14 | |||||||||||||
| 16 | |||||||||||||
| 18 | 360 | 305 | 370 | ||||||||||
| 20 | |||||||||||||
| 25 | |||||||||||||
| 30 | 400 | 340 | 300 | ||||||||||
| 10- 10 | - | - | - | - | - | - | - | - | - | 460 | 390 | 345 | |
| 12 | |||||||||||||
| 14 | |||||||||||||
| 16 | |||||||||||||
| 18 | |||||||||||||
| 20 | |||||||||||||
| 25 | 500 | 425 | 375 | ||||||||||
| 30 | 530 | 450 | 400 | ||||||||||
| 型式 | CBSS (四酸化鉄被膜) | CBSA (三価クロメート) | CBSM (三価クロメート) | CBSR (低温黒色クロム) | ||||||||||||
| ¥基準単価 | ¥スライド単価 | ¥基準単価 | ¥スライド単価 | ¥基準単価 | ¥スライド単価 | ¥基準単価 | ¥スライド単価 | |||||||||
| Type | M-L | 1本 | 2本 | 3本 | 4~5本 | 6~7本 | 8~9本 | 10本~ | 1~25本 | 26~99本 | 100~300本 | 1~25本 | 26~99本 | 100~300本 | 1~99本 | 100~300本 |
| CBSS | 2- 4 | 630 | 505 | 463 | 430 | 402 | 370 | 260 | 210 | 180 | 160 | - | - | - | - | - |
| CBSA | 5 | 620 | 495 | 453 | 420 | 382 | 350 | 240 | ||||||||
| 6 | ||||||||||||||||
| 8 | ||||||||||||||||
| 10 | ||||||||||||||||
| 12 | ||||||||||||||||
| 2.5-4 | 630 | 505 | 463 | 430 | 402 | 370 | 260 | - | - | - | ||||||
| 5 | 620 | 495 | 453 | 420 | 382 | 350 | 240 | 210 | 180 | 160 | ||||||
| 6 | ||||||||||||||||
| 8 | ||||||||||||||||
| 10 | ||||||||||||||||
| 12 | ||||||||||||||||
| 型式 | CBSS (四酸化鉄被膜) | CBSA (三価クロメート) | CBSM (三価クロメート) | CBSR (低温黒色クロム) | ||||||||||||
| ¥基準単価 | ¥スライド単価 | ¥基準単価 | ¥スライド単価 | ¥基準単価 | ¥スライド単価 | ¥基準単価 | ¥スライド単価 | |||||||||
| Type | M-L | 1本 | 2~3本 | 4~7本 | 8~9本 | 10~99本 | 100本~ | 1~25本 | 26~99本 | 100~300本 | 1~25本 | 26~99本 | 100~300本 | 1~99本 | 100~300本 | |
| CBSS | 3- 4 | - | - | - | - | - | - | 170 | 145 | 125 | - | - | - | - | - | |
| CBSA | 5 | 150 | 130 | 110 | ||||||||||||
| CBSM | 6 | 628 | 390 | 213 | 134 | 41 | 26 | 100 | 100 | 85 | 100 | 100 | 85 | 270 | 235 | |
| CBSR | 8 | |||||||||||||||
| 10 | 629 | 391 | 215 | 135 | 42 | 28 | ||||||||||
| 12 | - | - | - | - | - | - | 90 | 90 | ||||||||
| 4- 5 | - | - | - | - | - | - | 140 | 115 | 105 | - | - | - | - | - | ||
| 6 | 623 | 384 | 207 | 127 | 34 | 22 | 90 | 90 | 80 | 90 | 90 | 80 | 240 | 215 | ||
| 8 | 624 | 385 | 208 | 129 | 35 | 22 | ||||||||||
| 10 | 625 | 386 | 209 | 130 | 36 | 23 | ||||||||||
| 12 | - | - | - | - | - | - | ||||||||||
| 16 | 150 | 130 | 110 | - | - | - | - | - | ||||||||
| 5- 6 | - | - | - | - | - | - | 90 | 90 | 80 | 90 | 90 | 80 | 260 | 230 | ||
| 8 | 626 | 388 | 211 | 131 | 37 | 24 | 75 | 75 | ||||||||
| 10 | 627 | 389 | 212 | 133 | 38 | 25 | ||||||||||
| 12 | 628 | 390 | 213 | 134 | 41 | 26 | 100 | 100 | 85 | 100 | 100 | 85 | ||||
| 16 | 629 | 391 | 215 | 135 | 42 | 28 | 100 | 100 | 85 | 100 | 100 | 85 | 280 | 245 | ||
| 20 | 630 | 393 | 216 | 137 | 43 | 29 | 100 | 100 | 85 | 100 | 100 | 85 | 280 | 245 | ||
| 型式 | CBSS (四酸化鉄被膜) | CBSA (三価クロメート) | CBSM (三価クロメート) | CBSR (低温黒色クロム) | ||||||||||||
| ¥基準単価 | ¥スライド単価 | ¥基準単価 | ¥スライド単価 | ¥基準単価 | ¥スライド単価 | ¥基準単価 | ¥スライド単価 | |||||||||
| Type | M-L | 1本 | 2~3本 | 4~7本 | 8~9本 | 10~99本 | 100本~ | 1~25本 | 26~99本 | 100~300本 | 1~25本 | 26~99本 | 100~300本 | 1~99本 | 100~300本 | |
| CBSS | 6- 6 | - | - | - | - | - | - | 110 | 110 | 95 | 110 | 110 | 95 | 260 | 230 | |
| CBSA | 8 | 629 | 391 | 215 | 135 | 42 | 28 | |||||||||
| CBSM | 10 | 631 | 394 | 217 | 138 | 44 | 29 | |||||||||
| CBSR | 12 | 632 | 395 | 218 | 139 | 46 | 30 | |||||||||
| 16 | 634 | 398 | 221 | 142 | 49 | 32 | 110 | 110 | 100 | 110 | 110 | 100 | 290 | 250 | ||
| 20 | 636 | 400 | 224 | 144 | 52 | 34 | 110 | 110 | 100 | 110 | 110 | 100 | 320 | 270 | ||
| 25 | 637 | 401 | 225 | 146 | 53 | 120 | 120 | 105 | 120 | 120 | 105 | 330 | 285 | |||
| 30 | - | - | - | - | - | - | 230 | 195 | 175 | 230 | 195 | 175 | - | - | ||
| 8- 6 | - | - | - | - | - | - | 140 | 140 | 135 | 140 | 140 | 135 | 320 | 270 | ||
| 8 | 672 | 445 | 270 | 191 | 103 | 67 | ||||||||||
| 10 | 667 | 439 | 264 | 185 | 96 | 63 | ||||||||||
| 12 | 649 | 416 | 241 | 161 | 71 | 46 | 265 | |||||||||
| 16 | 651 | 419 | 243 | 164 | 73 | 47 | 140 | 140 | 135 | 140 | 140 | 135 | 320 | 210 | ||
| 20 | 653 | 421 | 246 | 166 | 77 | 50 | 140 | 140 | 135 | 140 | 140 | 135 | 320 | 270 | ||
| 25 | 656 | 425 | 250 | 170 | 80 | 53 | 380 | 315 | ||||||||
| 30 | 160 | 160 | 155 | 160 | 160 | 155 | 400 | 330 | ||||||||
| CBSS | 10- 10 | 690 | 468 | 294 | 215 | 130 | 85 | 420 | 355 | 315 | - | - | - | - | - | |
| CBSA | 12 | 676 | 450 | 276 | 196 | 109 | 72 | 410 | 345 | 310 | ||||||
| 16 | 661 | 431 | 256 | 177 | 88 | 57 | 340 | 285 | 255 | |||||||
| 20 | 663 | 434 | 259 | 179 | 91 | 59 | 340 | 285 | 255 | |||||||
| 25 | 664 | 435 | 260 | 181 | 92 | |||||||||||
| 30 | 672 | 445 | 270 | 191 | 103 | 67 | 380 | 320 | 285 | |||||||
| 型番 |
|---|
通常単価(税別)
(税込単価) | 通常出荷日 |
価格が安い代替相当品
|
|---|
30,000円 ( 33,000円 ) | 在庫品1日目当日出荷可能 |
- |
30,000円 ( 33,000円 ) | 在庫品1日目当日出荷可能 |
- |
30,500円 ( 33,550円 ) | 在庫品1日目当日出荷可能 |
- |
31,000円 ( 34,100円 ) | 在庫品1日目当日出荷可能 |
- |
31,000円 ( 34,100円 ) | 在庫品1日目当日出荷可能 |
- |
25,000円 ( 27,500円 ) | 在庫品1日目当日出荷可能 |
- |
25,000円 ( 27,500円 ) | 在庫品1日目当日出荷可能 |
- |
25,000円 ( 27,500円 ) | 在庫品1日目当日出荷可能 |
- |
25,500円 ( 28,050円 ) | 在庫品1日目当日出荷可能 |
- |
26,000円 ( 28,600円 ) | 在庫品1日目当日出荷可能 |
- |
26,500円 ( 29,150円 ) | 在庫品1日目当日出荷可能 |
- |
26,500円 ( 29,150円 ) | 在庫品1日目当日出荷可能 |
- |
26,500円 ( 29,150円 ) | 在庫品1日目当日出荷可能 |
- |
27,000円 ( 29,700円 ) | 在庫品1日目当日出荷可能 |
- |
28,000円 ( 30,800円 ) | 在庫品1日目当日出荷可能 |
- |
29,000円 ( 31,900円 ) | 在庫品1日目当日出荷可能 |
- |
30,000円 ( 33,000円 ) | 在庫品1日目当日出荷可能 |
- |
27,000円 ( 29,700円 ) | 在庫品1日目当日出荷可能 |
- |
27,000円 ( 29,700円 ) | 在庫品1日目当日出荷可能 |
- |
27,500円 ( 30,250円 ) | 在庫品1日目当日出荷可能 |
- |
29,500円 ( 32,450円 ) | 在庫品1日目当日出荷可能 |
- |
31,000円 ( 34,100円 ) | 在庫品1日目当日出荷可能 |
- |
32,500円 ( 35,750円 ) | 在庫品1日目当日出荷可能 |
- |
18,000円 ( 19,800円 ) | 在庫品1日目当日出荷可能 |
- |
18,000円 ( 19,800円 ) | 在庫品1日目当日出荷可能 |
- |
18,200円 ( 20,020円 ) | 在庫品1日目当日出荷可能 |
- |
18,200円 ( 20,020円 ) | 在庫品1日目当日出荷可能 |
- |
18,400円 ( 20,240円 ) | 在庫品1日目当日出荷可能 |
- |
20,000円 ( 22,000円 ) | 在庫品1日目当日出荷可能 |
- |
20,000円 ( 22,000円 ) | 在庫品1日目当日出荷可能 |
- |
16,350円 ( 17,985円 ) | 在庫品1日目当日出荷可能 |
- |
210円 ( 231円 ) | 在庫品1日目当日出荷可能 |
- |
210円 ( 231円 ) | 在庫品1日目当日出荷可能 |
- |
210円 ( 231円 ) | 在庫品1日目当日出荷可能 |
- |
210円 ( 231円 ) | 在庫品1日目当日出荷可能 |
- |
210円 ( 231円 ) | 在庫品1日目当日出荷可能 |
- |
210円 ( 231円 ) | 在庫品1日目当日出荷可能 |
- |
210円 ( 231円 ) | 在庫品1日目当日出荷可能 |
|
210円 ( 231円 ) | 在庫品1日目当日出荷可能 |
|
210円 ( 231円 ) | 在庫品1日目当日出荷可能 |
|
210円 ( 231円 ) | 在庫品1日目当日出荷可能 |
- |
210円 ( 231円 ) | 在庫品1日目当日出荷可能 |
- |
170円 ( 187円 ) | 在庫品1日目当日出荷可能 |
|
150円 ( 165円 ) | 在庫品1日目当日出荷可能 |
|
100円 ( 110円 ) | 在庫品1日目当日出荷可能 |
|
100円 ( 110円 ) | 在庫品1日目当日出荷可能 |
- |
100円 ( 110円 ) | 在庫品1日目当日出荷可能 |
|
100円 ( 110円 ) | 在庫品1日目当日出荷可能 |
- |
140円 ( 154円 ) | 在庫品1日目当日出荷可能 |
- |
90円 ( 99円 ) | 在庫品1日目当日出荷可能 |
|
90円 ( 99円 ) | 在庫品1日目当日出荷可能 |
- |
90円 ( 99円 ) | 在庫品1日目当日出荷可能 |
|
90円 ( 99円 ) | 在庫品1日目当日出荷可能 |
|
150円 ( 165円 ) | 在庫品1日目当日出荷可能 |
- |
90円 ( 99円 ) | 在庫品1日目当日出荷可能 |
|
90円 ( 99円 ) | 在庫品1日目当日出荷可能 |
|
90円 ( 99円 ) | 在庫品1日目当日出荷可能 |
|
100円 ( 110円 ) | 在庫品1日目当日出荷可能 |
|
100円 ( 110円 ) | 在庫品1日目当日出荷可能 |
|
100円 ( 110円 ) | 在庫品1日目当日出荷可能 |
- |
【新登場・SUS316L】高耐食性のCBSTSS(SUS316L)タイプを追加いたしました。(2025年1月発売)
数量区分 | 標準対応 | 個別対応 |
小口 | 大口 | |
数量 | 1~300 | 301~ |
出荷日 | 通常 | お見積り |
数量区分 | 標準対応 | 個別対応 |
小口 | 大口 | |
数量 | 1~10 | 11~ |
出荷日 | 通常 | お見積り |
| 数量区分 | 標準対応 | 個別対応 | |||
| 小口 | 大口 | 大口 | |||
| 数量 | 1~2 | 3~9 | 10~29 | 30~100 | 101~ |
| 値引き率 | 基準単価 | 20% | 40% | 41% | お見積り |
| 出荷日 | 通常 | +5日 | |||
| SUS440C | SUS304 | SUS316L | |
| 試験前 | ![]() | ![]() | ![]() |
| 48hr | ![]() | ![]() | ![]() |
| 168hr | ![]() | ![]() | ![]() |
試験方法
複合腐食試験として JIS H 8502
サイクル試験方法に準拠
試験条件
①塩水噴霧試験(5%NaCI. 35℃) 2hr
②乾燥(60℃) 4hr
③湿潤(95%RH. 35℃) 2hr


通常価格、通常出荷日が表示と異なる場合がございます
通常価格、通常出荷日が表示と異なる場合がございます

ミスミ
極低頭六角穴付ボルト【SUS316L/ SUSXM7/ SCM435】
4.7通常価格(税別):90円~

ミスミ
低頭六角穴付ボルト【メカニカル部品カタログ掲載】
4.6通常価格(税別):90円~

ミスミ
超極低頭六角穴付ボルト【SUS316L/ SUS304相当/ SCM435】
4.6通常価格(税別):230円~

ミスミ
【エコノミーシリーズ】 RoHS対応 超極低頭ボルト 六角穴タイプ
4.7通常価格(税別):77円

ミスミ
SUS316L 低頭ボルト
0通常価格(税別):95円~

鍋屋バイテック
六角穴付き極低頭ボルト SSH
4.7通常価格(税別):331円~

ミスミ
【エコノミーシリーズ】 RoHS対応 極低頭ボルト 六角穴タイプ
0通常価格(税別):76円

SUNCO
極低頭キャップ(六角穴付ボルト)
4.6通常価格(税別):95円~

SUNCO
十字穴付(+)スリムヘッド小ねじ
4.7通常価格(税別):348円~