メカニカル部品技術窓口


| Type | [ M ]材質 | 洗浄方法 | |||
| 洗浄方法 | 洗浄環境 | 梱包形態 | 梱包環境 | ||
| SL-TBCBS | チタン | 脱脂洗浄 | 一般環境 | 防錆梱包 | 一般環境 |
| SH-TBCBS | 精密洗浄 | クラス1000 | 脱気2重梱包 | クラス10 | |
| SHD-TBCBS | 電解研磨+精密洗浄 | ||||
詳細図を記載しておりますので、ご確認ください。
に記載しておりますので、ご確認ください。| 型式 |
| SL-TBCBS3ー6 |
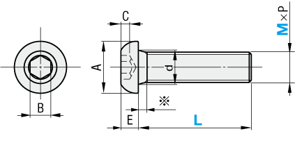
| M×P (並目) | A | E | B | C (最小) | d |
| 3×0.5 | 5.7 | 1.65 | 2 | 1.04 | 3.6 |
| 4×0.7 | 7.6 | 2.2 | 2.5 | 1.3 | 4.7 |
| 5×0.8 | 9.5 | 2.75 | 3 | 1.56 | 5.7 |
| 型式 | ¥基準単価 | ||||
| Type | M-L | SL-TBCBS | SH-TBCBS | SHD-TBCBS | |
| SL-TBCBS SH-TBCBS SHD-TBCBS | 3- | 6 | 620 | 775 | 930 |
| 8 | 630 | 785 | 940 | ||
| 10 | 630 | 785 | 940 | ||
| 12 | 630 | 785 | 940 | ||
| 4- | 8 | 670 | 825 | 980 | |
| 10 | 680 | 835 | 990 | ||
| 15 | 710 | 865 | 1,020 | ||
| 5- | 8 | 710 | 865 | 1,020 | |
| 10 | 720 | 875 | 1,030 | ||
| 15 | 770 | 925 | 1,080 | ||
| 20 | 810 | 965 | 1,120 | ||
洗浄工程作業環境:一般環境 | ||||||
|---|---|---|---|---|---|---|
![]() 炭化水素系洗浄 Ro水洗浄 | ![]() | ![]() 高圧ジェット水洗(Ro水)後 純水で洗浄 | ![]() | ![]() オイルフリー コンプレッサー 使用 | ![]() | ![]() 防錆袋1重梱包 |
作業環境:クラス1000 | 作業環境:クラス10 | |||||||
|---|---|---|---|---|---|---|---|---|
![]() 炭化水素系洗浄 Ro水洗浄 | ![]() | ![]() 高圧ジェット水洗(Ro水)後 純水(10MΩ・cm)で洗浄 | ![]() | ![]() 純水(13MΩ・cm)使用 | ![]() | ![]() 窒素ブロー使用 | ![]() | ![]() クラス10クリーン環境内の クリーンベンチで実施 |
作業環境:クラス1000 | 作業環境:クラス10 | |||||||||
|---|---|---|---|---|---|---|---|---|---|---|
![]() 炭化水素系洗浄 Ro水洗浄 | ![]() | ![]() 材質に応じた電解研磨層で 電解研磨 | ![]() | ![]() 高圧ジェット水洗(Ro水)後 純水(10MΩ・cm)で洗浄 | ![]() | ![]() 温純水(13MΩ・cm)使用 | ![]() | ![]() 窒素ブロー使用 | ![]() | ![]() クラス10クリーン環境内の クリーンベンチで実施 |
梱包例| 脱脂洗浄の場合 (TYPE型番:SL-□□) ![]() 一部商品・サイズによっては、 梱包形態が異なる場合がございます。 | 精密洗浄または電解研磨+精密洗浄の場合 (TYPE型番:SH-□□・SHD-□□) ![]() [ ! ]1重目・2重目の梱包とも、脱気されております。 |
洗浄効果・利用推奨環境洗浄方法 | 商品型番 | 梱包形態 | 未洗浄品と比べた効果 | ご利用環境(目安) | 利用シーン・工程 |
|---|---|---|---|---|---|
| 脱脂洗浄 | SL-□□ | 防錆梱包 | 油分除去 | 一般環境 | 通常組立工程 |
| バッテリー組立後工程 | |||||
| 精密洗浄 | SH-□□ | 脱気2重梱包 | 油分除去 粉塵除去 | クリーン環境(クラス10~1,000) | バッテリー組立工程 |
| 液晶関連組立後工程 | |||||
| 車載カメラ組立工程 | |||||
| 電解研磨+精密洗浄 | SHD-□□ | 脱気2重梱包 | 油分除去 粉塵除去 アウトガス低減 | 真空環境 クリーン環境(クラス10~1,000) | 半導体前工程 |
| 液晶成膜工程 | |||||
| 有機EL前工程 |
| 型番 |
|---|
通常単価(税別)
(税込単価) | 通常出荷日 |
|---|
- ( - ) | 3日目 |
- ( - ) | 3日目 |
- ( - ) | 3日目 |
- ( - ) | 3日目 |
- ( - ) | 3日目 |
- ( - ) | 3日目 |
- ( - ) | 3日目 |
- ( - ) | 3日目 |
- ( - ) | 3日目 |
- ( - ) | 3日目 |
- ( - ) | 3日目 |
- ( - ) | 3日目 |
- ( - ) | 3日目 |
- ( - ) | 3日目 |
- ( - ) | 3日目 |
- ( - ) | 3日目 |
- ( - ) | 3日目 |
- ( - ) | 3日目 |
- ( - ) | 3日目 |
- ( - ) | 3日目 |
- ( - ) | 3日目 |
- ( - ) | 3日目 |
- ( - ) | 3日目 |
- ( - ) | 3日目 |
- ( - ) | 3日目 |
- ( - ) | 3日目 |
- ( - ) | 3日目 |
- ( - ) | 3日目 |
- ( - ) | 3日目 |
- ( - ) | 3日目 |
- ( - ) | 3日目 |
- ( - ) | 3日目 |
- ( - ) | 3日目 |
| ・脱脂洗浄(防錆1重梱包) | :型番SL-□□ |
| ・精密洗浄(脱気2重梱包) | :型番SH-□□ |
| ・電解研磨+精密洗浄(脱気2重梱包) | :型番SHD-□□ |
| 商品型番 | 洗浄方法 | 梱包形態 | 未洗浄品と比べた効果 | ご利用環境(目安) | 工程別 |
| SL-□□ | 脱脂洗浄 | 防錆梱包 | 油分除去 | 一般環境 | 通常組立工程 |
| バッテリー組立後工程 | |||||
| SH-□□ | 精密洗浄 | 脱気2重梱包 | 油分除去 粉塵除去 | クリーン環境(クラス10~1,000) | バッテリー組立工程 |
| 液晶関連組立後工程 | |||||
| 車載カメラ組立工程 | |||||
| SHD-□□ | 電解研磨+精密洗浄 | 脱気2重梱包 | 油分除去 粉塵除去 アウトガス低減 | 真空環境 クリーン環境(クラス10~1,000) | 半導体前工程 |
| 液晶成膜工程 | |||||
| 有機EL前工程 |
| 数量区分 | 標準対応 | |||
| 数 量 | 1~9 | 10~99 | 100~499 | 500~ |
| 値引率 | 基準単価 | 20% | 40% | 60% |
| 純チタン | ステンレス(SUS340) | |
| 溶融点(℃) | 1668 | 1530 |
| 密度(g/cm3) | 4.51 | 7.85 |
| 電気抵抗(20℃)(μΩ⋅m) | 0.55 | 0.097 |
| 熱伝導率(20℃)(W/m⋅K) | 17 | 63 |
| 比熱(KJ/kg⋅K) | 0.519 | 0.46 |
| 体積比熱(W/cm3⋅K) | 2.3 | 3.6 |
| 線膨張係数(20℃)(/K×10-6) | 8.4 | 12 |
![]() | ![]() | ![]() |
| Before | After |
| 3 | 日目出荷 |
通常価格、通常出荷日が表示と異なる場合がございます
通常価格、通常出荷日が表示と異なる場合がございます

ミスミ
【SUS316 / SUSXM7】六角穴付ボタンボルト -ステンレス-
4.7通常価格(税別):29円~

ミスミ
六角穴付ボタンボルト -鉄・単品販売-
4.6通常価格(税別):93円~

ミスミ
六角穴付ボタンボルト フランジ付タイプ-単品・小箱-
4.7通常価格(税別):159円~

SUNCO
六角穴付ボタンボルト SSS規格(メートル並目)
4.7通常価格(税別):295円~

東工舎金属製作所
六角穴付ボタンボルト SSS規格(スチール)
4.5通常価格(税別):270円~

SUNCO
六角穴付ボタンボルト 平先 SSS規格
4.7通常価格(税別):212円~

ミスミ
【エコノミーシリーズ】 六角穴付ボタンボルト ステンレス・小箱・単品販売
0通常価格(税別):11円~

日産ネジ
六角穴付きボタンボルト(キャップスクリュー)(JIS-B1174)(全ねじ)
4.5通常価格(税別):301円~

日産ネジ
フランジボタン
4.4通常価格(税別):301円~