メカニカル部品技術窓口
ミスミ品のみ対象

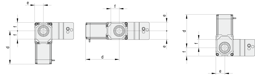
周辺部品・機器の取付自由度の高いヘッド駆動、機幅方向の長さを抑えられる直交中空軸ギヤヘッドタイプです。...
詳細を確認
※1:搬送チェーンのたるみ量を調整後出荷するため、上流側のスプロケット位置(L寸法)は0~15mm短くなる場合があります。
ただし、全長L+105は変化しません。
※2:L=1505~3000時、3か所
L=3005~4500時、4か所
L=4505~5000時、5か所

| 出力(W) | モータ | 寸法(mm) | ||||||
| a | b | c | d | e | f | |||
| 25W | インダクションモータ | 三相200V | B+147.5 | 113.5 | 93 | 155 | 40.5 | 39 |
| 単相100V/200V | B+147.5 | 113.5 | 93 | 155 | 40.5 | 39 | ||
| スピードコントロールモータ | 単相100V/200V | B+147.5 | 113.5 | - | 166 | 40.5 | 39 | |
| 40W | インダクションモータ | 三相200V | B+147.5 | 113.5 | 93 | 155 | 40.5 | 39 |
| 単相100V/200V | B+147.5 | 113.5 | 93 | 193 | 40.5 | 39 | ||
| スピードコントロールモータ | 単相100V/200V | B+164 | 130 | - | 176.5 | 49 | 44.5 | |
| 60W | インダクションモータ | 三相200V | B+147.5 | 113.5 | 93 | 193 | 40.5 | 39 |
| 単相100V/200V | B+164 | 130 | 104 | 202 | 49 | 44.5 | ||
| スピードコントロールモータ | 単相100V/200V | B+164 | 130 | - | 209.5 | 49 | 44.5 | |

※1:搬送チェーンのたるみ量を調整後出荷するため、上流側のスプロケット位置(L寸法)は0~15mm短くなる場合があります。
ただし、全長L+105は変化しません。
※2:L=1505~3000時、3か所
L=3005~4500時、4か所
L=4505~5000時、5か所

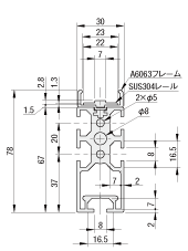
■フレーム寸法
フレーム・レール断面

溝はミスミアルミフレーム
6シリーズ準拠
X部 フレーム連結部詳細

乗り継ぎローラ部詳細

プラブロックチェーン概略寸法

[ ! ]フレーム繋ぎはご指定のスプロケット間距離(L)によって数量・位置が変化します。
[ ! ]六角穴付きボルトを緩めることでフレーム繋ぎ部を移動することができます。
■乗り継ぎ部詳細

■乗り継ぎ補助ローラ詳細
直列乗継時のパレット姿勢が不安定な場合、
サービスタップ(M4)に上図のような補助ローラを適宜検討いただくことを推奨します。
[ ! ]パレットサイズや重心などの要因により、直列乗継時のパレット姿勢が不安定が
想定されそうな場合、サービスタップ(M4)に上図のような補助ローラを適宜検討
いただくことを推奨します。
| 本体アルミフレーム | ステンレスレール | ||
| [ M ]材質 | [ S ]表面処理 | [ M ]材質 | [ S ]表面処理 |
| アルミ合金(A6063) | 白アルマイト | SUS304 | ― |
| 型式 | ー | チェーン ピッチ | ー | スプロケット間 距離 | ー | モータ | ||||||||
| 電圧 | ー | 仕様 | ー | 出力 | ー | ギヤヘッド 減速比 | ー | モータ メーカー | ||||||
| JVLPCA4 | ー | B100 | ー | L1500 | ー | S200 | ー | IM | ー | A40 | ー | G50 | ー | GT |
| JVLPCA4 | ー | B100 | ー | L1500 | ー | NV | ー | NM | ー | AN | ー | NH | ー | R |
| 型式 | チェーン種類 | メーカー | メーカー型式 |
| JVLPCA4 | 通常(白) | 株式会社 椿本チエイン | RS40-PC |
| JVLPCN4 | チェーンなし | ー | ー |
| 型式 ※型式毎の相違点は チェーン種類のみ | チェーン種類 | ①B (チェーンピッチ) 指定10mm単位 | ②L (スプロケット間距離) 指定5mm単位 | モータ選択 | ||||||
| 電圧(V) | 仕様 | ③出力(W) | ④ギヤヘッド減速比 | モータメーカー | ||||||
| JVLPCA4 JVLPCN4 | 通常タイプ チェーンなし | B80~B600 | L400~L5000 | S200 (三相200V) | IM (インダクションモータ) INVM (インダクションモータ+ 三菱製インバータ) INVC (インダクションモータ+ CC-Link対応三菱製インバータ) | A25 A40 A60 | G15 G30 G60 | G20 G40 | G25 G50 | GT(ニッセイ) |
| ABM(ACブラシレスモータ) | A60 | G15 G50 | G20 | G30 | IK(オリエンタルモーター) | |||||
| T100 T200 (単相100/200V) | IM (インダクションモータ) SCM (スピードコントロールモータ) | A25 A40 A60 | G15 G30 G60 | G20 G40 | G25 G50 | GT(ニッセイ) | ||||
| NV (モータなし) | NM (モータなし) | AN (モータなし) | NH (モータなし) | R(モータ・ギアヘッドなし) | ||||||
| 減速比 | 50Hz | 60Hz |
| 15 | 17.7 | 21.3 |
| 20 | 13.3 | 16.0 |
| 25 | 10.6 | 12.8 |
| 30 | 8.8 | 10.6 |
| 40 | 6.6 | 8.0 |
| 50 | 5.3 | 6.4 |
| 60 | 4.4 | 5.3 |
| 減速比 | Min | Max |
| 15 | 0.9 | 42.6 |
| 20 | 0.7 | 32.0 |
| 30 | 0.4 | 21.3 |
| 50 | 0.2 | 12.8 |
※チェーン速度(m/min)Maxはモータ出力軸回転速度4000r/min、
Minは80r/minでの参考値です。
[ ! ](株)ニッセイ製インダクションギアモータの詳細は下記をご参照ください。
F2SM-12-□□-T□□


[ ! ]ACブラシレスモータには、ドライバ用取り付けブラケットは付属しておりません。
| オリエンタルモータ | |||||||
| モータ | コントローラ型式 | モータ+ギヤヘッド型式 | 接続ケーブル | 電源ケーブル | |||
| 出力 | 仕様 | 電圧 | メーカー型式 | メーカー型式 | メーカー型式 | メーカー型式 | |
| 60W | ブラシレスモータ | 三相200~240V | BMUD30-C2 | BLM460SHPK-4H□S | CC01BL2 | ドライバ側 モーター側 | CC02AC04N(2m) |
| 備考 | [ ! ]ACブラシレスモータ仕様には次のものが含まれています。 モータ、ギヤヘッド、ドライバユニット、接続ケーブル(1m)、電源ケーブル(2m) ドライバ用取り付けねじ、取扱説明書 [ ! ]]ブラシレスモータはコネクタ接続タイプとなります。引き出し方向は外形図、またはCADデータをご確認ください。 [ ! ]電源ケーブルの長さは追加工で長さ変更指定できます。 | ||||||
| 仕様 | INVM | INVC |
| メーカ | 三菱電機株式会社 | 三菱電機株式会社 |
| 型式 | FR-D720-0.1K | R-E820-0.1K-1 ※CC-Linkカード: FR-A8NC E-KIT 同梱 |
| 電源 | 三相200V | 三相200V |
| 備考 | CC-Link通信対応 |
| 追加工 コード | 追加工内容 | 適用条件 | 指定例 | \/1Code | |
| MK | モータ位置勝手違い![]() | モータ位置が変更できます。 〈指定方法〉:MK | JVLPCA4-B120-L2150- IM-A60-G30-GT-MK | 1,000 | |
| TBM | 端子箱付モータ![]() | インダクションモータを端子箱付きのタイプに変更します。 モータ型式:A9M□JHL(□はW数) 〈指定方法〉:TBM | [ ! ]端子箱の方向は組替え可能です。 | JVLPCA4-B120-L2150- IM-A60-G30-GT-TBM | 5,000 |
| MB MC MD | モータ向きを変更 ![]() MB(下向き) MC(外向き) MD(上向き) | モータ向きを左図のように変更します。 〈指定方法〉:MB MC MD | [ ! ]MB・MC・MD選択時はモータ取り外し [ ! ]モータ取付方法は同梱の取扱説明書 | JVLPCA4-B120-L2150- IM-A60-G30-GT-MC | 2,000 |
| CL3 | 接続ケーブルの長さ変更 (3m) | ブラシレスモータの接続ケーブル長さを 通常の2mから3mに変更します。 | [ ! ]モータ仕様:ABM(ブラシレスモータ) | JVLPCA4-B120-L2150- ABM-A60-G50-IK-CL3 | 1,000 |
| CL5 | 接続ケーブルの長さ変更 (5m) | ブラシレスモータの接続ケーブル長さを 通常の2mから5mに変更します。 | [ ! ]モータ仕様:ABM(ブラシレスモータ) | JVLPCA4-B120-L2150- ABM-A60-G50-IK-CL5 | 5,000 |
| CL10 | 接続ケーブルの長さ変更 (10m) | ブラシレスモータの接続ケーブル長さを 通常の2mから10mに変更します。 | [ ! ]モータ仕様:ABM(ブラシレスモータ) | JVLPCA4-B120-L2150- ABM-A60-G50-IK-CL10 | 12,000 |
| 型式 | B | ¥本体価格1~4台 | ||||||||||
| L400~1000 | L1005~1200 | L1205~1400 | L1405~1600 | L1605~1800 | L1805~2000 | L2005~2200 | L2205~2400 | L2405~2600 | L2605~2800 | L2805~3000 | ||
| VLPCA4 (通常タイプ) | B80~100 | 229,000 | 245,000 | 252,000 | 259,000 | 270,000 | 281,000 | 306,000 | 317,000 | 329,000 | 341,000 | 348,000 |
| B110~400 | 231,000 | 247,000 | 254,000 | 261,000 | 272,000 | 283,000 | 308,000 | 319,000 | 331,000 | 343,000 | 350,000 | |
| B410~600 | 233,000 | 248,000 | 255,000 | 262,000 | 273,000 | 284,000 | 310,000 | 321,000 | 333,000 | 344,000 | 351,000 | |
| JVLPCN4 (チェーンなし) | B80~100 | 219,000 | 233,000 | 238,000 | 243,000 | 252,000 | 261,000 | 284,000 | 293,000 | 303,000 | 314,000 | 319,000 |
| B110~400 | 221,000 | 235,000 | 240,000 | 245,000 | 254,000 | 263,000 | 286,000 | 295,000 | 305,000 | 316,000 | 321,000 | |
| B410~600 | 223,000 | 236,000 | 241,000 | 246,000 | 255,000 | 264,000 | 288,000 | 297,000 | 307,000 | 317,000 | 322,000 | |
| 型式 | B | ¥本体価格1~4台 | |||||||||
| L3005~3200 | L3205~3400 | L3405~3600 | L3605~3800 | L3805~4000 | L4005~4200 | L4205~4400 | L4405~4600 | L4605~4800 | L4805~5000 | ||
| VLPCA4 (通常タイプ) | B80~100 | 372,000 | 384,000 | 397,000 | 410,000 | 423,000 | 440,000 | 454,000 | 469,000 | 484,000 | 499,000 |
| B110~400 | 374,000 | 386,000 | 399,000 | 412,000 | 425,000 | 442,000 | 456,000 | 471,000 | 486,000 | 501,000 | |
| B410~600 | 375,000 | 388,000 | 400,000 | 413,000 | 427,000 | 444,000 | 458,000 | 472,000 | 487,000 | 503,000 | |
| JVLPCN4 (チェーンなし) | B80~100 | 341,000 | 351,000 | 362,000 | 372,000 | 383,000 | 398,000 | 410,000 | 423,000 | 437,000 | 450,000 |
| B110~400 | 343,000 | 353,000 | 364,000 | 374,000 | 385,000 | 400,000 | 412,000 | 425,000 | 439,000 | 452,000 | |
| B410~600 | 344,000 | 355,000 | 365,000 | 375,000 | 387,000 | 402,000 | 414,000 | 426,000 | 440,000 | 454,000 | |
| モータ・ベルト | モータ出力 | 仕様 | GT(ニッセイモータ) | IK(オリエンタルモーター) | NM(モータ・ギヤヘッドなし) |
| 仕様価格 | 25W | IM | ー | ー | 本体価格-¥6,000 |
| 40W | ー | ー | |||
| 60W | 本体価格+¥11,000 | ー | |||
| 25W | INVM | 本体価格+¥14,400 | ー | ||
| 40W | 本体価格+¥14,400 | ー | |||
| 60W | 本体価格+¥25,400 | ー | |||
| 25W | INVC | 本体価格+¥26,000 | ー | ||
| 40W | 本体価格+¥26,000 | ー | |||
| 60W | 本体価格+¥37,000 | ー | |||
| 25W | SCM | 本体価格+¥13,600 | ー | ||
| 40W | 本体価格+¥14,300 | ー | |||
| 60W | 本体価格+¥29,600 | ー | |||
| 60W | ABM | ー | 本体価格+¥60,000 |
| 数量区分 | 標準対応 | 個別対応 |
| 小口 | 大口 | |
| 数量 | 1~4 | 5~ |
| 値引率 | 基準単価 | お見積り |
| 出荷日 | 通常 |
| 16 | 日目出荷 |
| 型番 |
|---|
通常単価(税別)
(税込単価) | 通常出荷日 |
|---|
- ( - ) | 18日目 |
- ( - ) | 18日目 |
- ( - ) | 18日目 |
- ( - ) | 18日目 |
- ( - ) | 18日目 |
- ( - ) | 18日目 |
- ( - ) | 18日目 |
- ( - ) | 18日目 |
- ( - ) | 18日目 |
- ( - ) | 18日目 |
- ( - ) | 18日目 |
- ( - ) | 18日目 |
- ( - ) | 18日目 |
- ( - ) | 18日目 |
- ( - ) | 18日目 |
- ( - ) | 18日目 |
- ( - ) | 18日目 |
- ( - ) | 18日目 |
- ( - ) | 18日目 |
- ( - ) | 18日目 |
- ( - ) | 18日目 |
- ( - ) | 18日目 |
- ( - ) | 18日目 |
- ( - ) | 18日目 |
- ( - ) | 18日目 |
- ( - ) | 18日目 |
- ( - ) | 18日目 |
- ( - ) | 18日目 |
- ( - ) | 18日目 |
- ( - ) | 18日目 |
- ( - ) | 18日目 |
- ( - ) | 18日目 |
- ( - ) | 18日目 |
- ( - ) | 18日目 |
- ( - ) | 18日目 |
- ( - ) | 18日目 |
- ( - ) | 18日目 |
- ( - ) | 18日目 |
- ( - ) | 18日目 |
- ( - ) | 18日目 |
- ( - ) | 18日目 |
- ( - ) | 18日目 |
- ( - ) | 18日目 |
- ( - ) | 18日目 |
- ( - ) | 18日目 |
- ( - ) | 18日目 |
- ( - ) | 18日目 |
- ( - ) | 18日目 |
- ( - ) | 18日目 |
- ( - ) | 18日目 |
- ( - ) | 18日目 |
- ( - ) | 18日目 |
- ( - ) | 18日目 |
- ( - ) | 18日目 |
- ( - ) | 18日目 |
- ( - ) | 18日目 |
- ( - ) | 18日目 |
- ( - ) | 18日目 |
- ( - ) | 18日目 |
- ( - ) | 18日目 |
周辺部品・機器の取付自由度の高いヘッド駆動、機幅方向の長さを抑えられる直交中空軸ギヤヘッドタイプです。小型のパレット搬送に適した仕様です。
◆◆関連商品◆◆コンベヤスタンド(コンベヤ向けの脚、安価な2種類の商品です。)
・アングルタイプ(直角度保証、鉄)はこちら
・板金タイプ(厚み6mm、鉄とステンレス)はこちら
通常価格、通常出荷日が表示と異なる場合がございます
通常価格、通常出荷日が表示と異なる場合がございます

ミスミ
平ベルトコンベヤ 【SVシリーズ】 中間駆動2溝フレーム Φ30
3.6
ミスミ
平ベルトコンベヤ 【SVシリーズ】 ヘッド駆動2溝フレーム(プーリ径30mm)
4.7
ミスミ
平ベルトコンベヤ 【CVシリーズ】高出力タイプ 中間駆動3溝フレーム Φ60/30
0
ミスミ
平ベルトコンベヤ SVシリーズ 蛇行抑制桟付ヘッド駆動2溝フレーム Φ30
4.5
ミスミ
タイミングベルトコンベヤ【GVシリーズ】 単列中間駆動2溝フレーム(プーリ径30mm)
4.5
ミスミ
平ベルトコンベヤ【SVシリーズ】蛇行抑制桟付中間駆動2溝フレーム Φ30
2.8
ミスミ
平ベルトコンベヤ【GVシリーズ】 ヘッド駆動2溝フレーム(プーリ径30mm)
5
ミスミ
平ベルトコンベヤ 【GVシリーズ】 フルベルトタイプ ヘッド駆動2溝フレーム(プーリ径30mm)
4.5
ミスミ
タイミングベルトコンベヤ【GVシリーズ】 2列中間駆動2溝フレーム(プーリ径30mm)
4.3