メカニカル部品技術窓口
ミスミ品のみ対象
ファイバセンサアンプとケーブルが一体になったセットで、配線工数を削減し、設置もスムーズに。

■アンプ
E-MSMFA11-2M/E-MSMFA41-2M [ ! ]単品販売可能>>こちら、取扱説明書は>>こちらからダウンロードしてください。

| 型番 | 感度設定 | 出力形態 | 投光光源 | スイッチモード |
| E-MSMFA11-2M | 手動/オート | NPNタイプ | 赤色4元素 ダイオード | NO/NC 設定可能 |
| E-MSMFA41-2M | PNPタイプ |
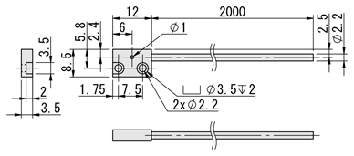
■ファイバセンサ ねじ固定タイプ ⇒詳細はこちら
| E-MSMC31M(反射型) | E-MSMT11R(透過型) |
![]() | ![]() [ ! ]投光側と受光側は同一形状です。 |
| E-MSMC31N(反射型) | E-MSMT11N(透過型) |
![]() | ![]() [ ! ]投光側と受光側は同一形状です。 |
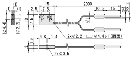
| 型番 | 検出方式 | 集束レンズ (別売) | 取付ねじ | ファイバ外径 (mm) | 光軸直径 (mm) | 曲げ半径 (mm) | ファイバ | 検出距離(mm) | |||
| 全長 | 仕様 | 高速モード | 標準モード | 長距離モード | |||||||
| E-MSMT11R | 透過型 | × | M4×P0.7 | φ2.2 | 1×φ1.0 | R25 | 2m | 平行型 | 300 | 600 | 900 |
| E-MSMT11N | × | M4×P0.7 | 16×φ0.25 | 多芯型 | 250 | 480 | 1100 | ||||
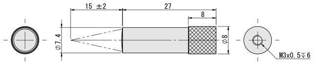
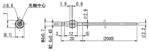
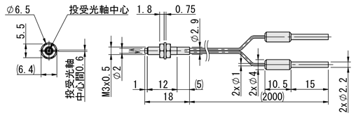
| E-MSMC31M | 反射型 | ○ E-MSMF3A (先端外径:φ4.0) E-MSMF3B (先端外径:φ7.4) | M3×P0.5 | 2×φ1 | 2×φ0.5 | R15 | 平行型 | 30 | 50 | 120 | |
| E-MSMC31N | M3×P0.5 | φ1.3 φ1 | 内1×φ0.5外9×φ0.25 | 同軸型 | 30 | 60 | 130 | ||||
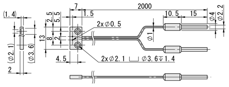
■ファイバセンサ 広域透過タイプ ⇒詳細はこちら





| 型番 | 検出方式 | 検出幅 (mm) | 使用温度 | 曲げ半径 (mm) | ファイバ長 | 取付ねじ | 光軸直径 (mm) | 検出距離(mm) | ||
| 高速モード | 標準モード | 長距離モード | ||||||||
| E-MSMA30 | 透過型 | 30 | −40~70℃ | R25 | 1.5m カット不可 | 2×M3×P0.5 | 32×φ0.25 | 400 | 700 | 1500 |
| E-MSMA50 | 50 | 2×M3×P0.5 | 100 | 200 | 650 | |||||
| E-MSMA100 | 100 | 2×φ4 φ6.5 | 400 | 700 | 1500 | |||||
| E-MSME11 | 11 | R15 | 2m フリーカット | 2×長穴2.1×3.6 3.8×5 1.3 | 検出エリア 2×11 | 700 | 1200 | 1600 | ||
| E-MSME40 | 40 | 2×長穴3.2×6 6×9 1 | 検出エリア 3×40 | 900 | 1400 | 2000 | ||||
■ファイバセンサ 薄型フラットバーブラケットタイプ ⇒詳細はこちら
| E-MSMD15XR(反射型トップビュー) | E-MSMD15YR(反射型サイドビュー) |
![]() | ![]() |
| E-MSMD15ZR(反射型フラットビュー) | E-MSMT15XR(透過型トップビュー) |
![]() | ![]() [ ! ]投光側と受光側は対象形状です。 |
| E-MSMT15YR(透過型サイドビュー) | E-MSMT15ZR(透過型フラットビュー) |
![]() [ ! ]投光側と受光側は対称形状です。 | ![]() [ ! ]投光側と受光側は対称形状です。 |
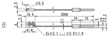
| E-MSM41TZ(反射型フラットビュー) | |
![]() | |
| 型番 | 検出方式 | 検出方向 | 使用温度 | 曲げ半径 (mm) | 光軸直径 (mm) | ファイバ長 | 検出距離(mm) | ||
| 高速モード | 標準モード | 長距離モード | |||||||
| E-MSM41TZ | 反射型 | フラットビュー | −40~70℃ | R15 | 2×φ0.5 | 2m | 10 | 20 | 35 |
| E-MSMD15XR | トップビュー | 30 | 45 | 70 | |||||
| E-MSMD15YR | サイドビュー | R25 | 20 | 30 | 50 | ||||
| E-MSMD15ZR | フラットビュー | 2×φ1.0 | 15 | 25 | 50 | ||||
| E-MSMT15ZR | 透過型 | フラットビュー | 1×φ1.0 | 90 | 160 | 270 | |||
| E-MSMT15YR | サイドビュー | 1×φ0.5 | 40 | 70 | 120 | ||||
| E-MSMT15XR | トップビュー | 1×φ1.0 | 350 | 600 | 1300 | ||||
■集束レンズ ⇒詳細はこちら


| 型番 | 検出方式 | 対応ファイバセンサ | 使用温度 | 先端外径 | スポット径 | 焦点距離 | 適用ヘッド径 |
| E-MSMF3A | 反射型 | E-MSMC31M | −40~70℃ | φ4.0 | 約φ0.4 | 7mm±2 | M3×P0.5 |
| E-MSMF3B | E-MSMC31N | −40~70℃ | φ7.4 | 約φ0.5 | 15mm±2 |
| 型番 | ||||
| アンプ | + | ファイバセンサ | + | 集束レンズ |
| E-MSMFA11-2M | + | E-MSMC31M | + | E-MSMF3A |
| E-MSMFA41-2M | + | E-MSMC31M | ||
| 型番 | ファイバセンサ タイプ | 出力形態 | 感度設定 | 投光光源 | スイッチモード | ¥基準単価 | ||
| アンプ | ファイバセンサ | 集束レンズ | ||||||
| E-MSMFA11-2M (NPN) | E-MSMC31M | E-MSMF3A | ねじ固定タイプ | NPN | 手動 オート | 赤色4元素 ダイオード | NO/NC 設定可能 | 7,370 |
| E-MSMF3B | 7,370 | |||||||
| E-MSMC31N | E-MSMF3A | 7,790 | ||||||
| E-MSMF3B | 7,790 | |||||||
| E-MSMC31M | - | 7,010 | ||||||
| E-MSMC31N | 7,460 | |||||||
| E-MSMT11R | 7,080 | |||||||
| E-MSMT11N | 7,600 | |||||||
| E-MSME11 | - | 広域透過タイプ | 7,880 | |||||
| E-MSME40 | 9,870 | |||||||
| E-MSMA30 | 8,730 | |||||||
| E-MSMA50 | 8,730 | |||||||
| E-MSMA100 | 10,290 | |||||||
| E-MSM41TZ | - | ミニチュア/ フラットバー取付タイプ | 6,970 | |||||
| E-MSMT15XR | 7,030 | |||||||
| E-MSMD15XR | 6,970 | |||||||
| E-MSMD15YR | 6,970 | |||||||
| E-MSMD15ZR | 7,030 | |||||||
| E-MSMT15ZR | 7,280 | |||||||
| E-MSMT15YR | 7,030 | |||||||
| E-MSMFA41-2M (PNP) | E-MSMC31M | E-MSMF3A | ねじ固定タイプ | PNP | 7,370 | |||
| E-MSMF3B | 7,370 | |||||||
| E-MSMC31N | E-MSMF3A | 7,790 | ||||||
| E-MSMF3B | 7,790 | |||||||
| E-MSMC31M | - | 6,900 | ||||||
| E-MSMC31N | 7,460 | |||||||
| E-MSMT11R | 7,080 | |||||||
| E-MSMT11N | 7,600 | |||||||
| E-MSME11 | - | 広域透過タイプ | 7,880 | |||||
| E-MSME40 | 9,870 | |||||||
| E-MSMA30 | 8,730 | |||||||
| E-MSMA50 | 8,730 | |||||||
| E-MSMA100 | 10,290 | |||||||
| E-MSM41TZ | - | ミニチュア/ フラットバー取付タイプ | 6,970 | |||||
| E-MSMT15XR | 7,030 | |||||||
| E-MSMD15XR | 6,970 | |||||||
| E-MSMD15YR | 6,970 | |||||||
| E-MSMD15ZR | 7,030 | |||||||
| E-MSMT15ZR | 7,280 | |||||||
| E-MSMT15YR | 7,030 | |||||||
| 構成 | ケーブル仕様 |
| 導体 | 導体構成30/導線導体0.08mm |
| PVC絶縁体 | 芯線外径(絶縁体外径):1.2mm(茶色、青色、黒色) |
| PVCシース | 仕上外径:3.8mm、黒 |
| 断面図 | ![]() |
■入出力回路図



| 型番 |
|---|
通常単価(税別)
(税込単価) | 通常出荷日 |
|---|
6,970円 ( 7,667円 ) | 在庫品1日目当日出荷可能 |
8,730円 ( 9,603円 ) | 在庫品1日目当日出荷可能 |
8,730円 ( 9,603円 ) | 在庫品1日目当日出荷可能 |
10,290円 ( 11,319円 ) | 在庫品1日目当日出荷可能 |
7,010円 ( 7,711円 ) | 在庫品1日目当日出荷可能 |
7,370円 ( 8,107円 ) | 在庫品1日目当日出荷可能 |
7,370円 ( 8,107円 ) | 在庫品1日目当日出荷可能 |
7,460円 ( 8,206円 ) | 在庫品1日目当日出荷可能 |
7,790円 ( 8,569円 ) | 在庫品1日目当日出荷可能 |
7,790円 ( 8,569円 ) | 在庫品1日目当日出荷可能 |
6,970円 ( 7,667円 ) | 在庫品1日目当日出荷可能 |
6,970円 ( 7,667円 ) | 在庫品1日目当日出荷可能 |
7,030円 ( 7,733円 ) | 在庫品1日目当日出荷可能 |
7,880円 ( 8,668円 ) | 在庫品1日目当日出荷可能 |
9,870円 ( 10,857円 ) | 在庫品1日目当日出荷可能 |
7,600円 ( 8,360円 ) | 在庫品1日目当日出荷可能 |
7,080円 ( 7,788円 ) | 在庫品1日目当日出荷可能 |
7,030円 ( 7,733円 ) | 在庫品1日目当日出荷可能 |
7,030円 ( 7,733円 ) | 在庫品1日目当日出荷可能 |
7,280円 ( 8,008円 ) | 在庫品1日目当日出荷可能 |
6,970円 ( 7,667円 ) | 在庫品1日目当日出荷可能 |
8,730円 ( 9,603円 ) | 在庫品1日目当日出荷可能 |
8,730円 ( 9,603円 ) | 在庫品1日目当日出荷可能 |
10,290円 ( 11,319円 ) | 在庫品1日目当日出荷可能 |
6,900円 ( 7,590円 ) | 在庫品1日目当日出荷可能 |
7,370円 ( 8,107円 ) | 在庫品1日目当日出荷可能 |
7,370円 ( 8,107円 ) | 在庫品1日目当日出荷可能 |
7,460円 ( 8,206円 ) | 在庫品1日目当日出荷可能 |
7,790円 ( 8,569円 ) | 在庫品1日目当日出荷可能 |
7,790円 ( 8,569円 ) | 在庫品1日目当日出荷可能 |
6,970円 ( 7,667円 ) | 在庫品1日目当日出荷可能 |
6,970円 ( 7,667円 ) | 在庫品1日目当日出荷可能 |
7,030円 ( 7,733円 ) | 在庫品1日目当日出荷可能 |
7,880円 ( 8,668円 ) | 在庫品1日目当日出荷可能 |
9,870円 ( 10,857円 ) | 在庫品1日目当日出荷可能 |
7,600円 ( 8,360円 ) | 在庫品1日目当日出荷可能 |
7,080円 ( 7,788円 ) | 在庫品1日目当日出荷可能 |
7,030円 ( 7,733円 ) | 在庫品1日目当日出荷可能 |
7,030円 ( 7,733円 ) | 在庫品1日目当日出荷可能 |
7,280円 ( 8,008円 ) | 在庫品1日目当日出荷可能 |
ファイバセンサアンプとケーブルが一体になったセットで、配線工数を削減し、設置もスムーズに。
通常価格、通常出荷日が表示と異なる場合がございます

ミスミ
アンプ内蔵型光電センサ -角型タイプ-
4.4通常価格(税別):2,680円~

オムロン
超小型・薄型アンプ内蔵形光電センサ 【E3T】
4.4通常価格(税別):7,214円~

ミスミ
汎用エリアセンサ
4.8通常価格(税別):4,840円~

ミスミ
超薄型エリアセンサ
4.8通常価格(税別):5,150円~

オムロン
光電センサE3Z/E3Z-IL
4.3通常価格(税別):4,889円~

ミスミ
ファイバセンサユニット ねじ固定タイプ
5通常価格(税別):1,300円~

オムロン
ファイバユニット E32
4.4通常価格(税別):2,964円~

ミスミ
アンプ内蔵型光電センサ -スタンダードタイプ-
4.5通常価格(税別):4,890円~

ミスミ
アンプ内蔵型光電センサ -超薄型タイプ-
4.5通常価格(税別):2,780円~