メカニカル部品技術窓口
微小なワークも確実に検出。ねじ固定タイプのファイバユニット。

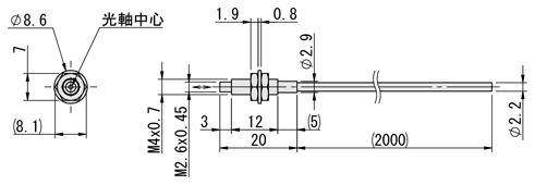
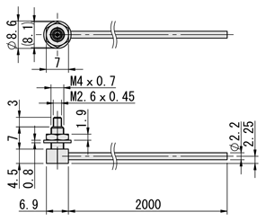
■検出方法:透過型 E-MSMT11R | E-MSMT11N |
![]() 注)投光側と受光側は同一形状です | ![]() 注)投光側と受光側は同一形状です |
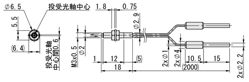
■検出方法:反射型 E-MSMC31M | E-MSMC31N |
![]() | ![]() |
| 構成品 | ヘッド部 | ケーブル | ねじ部 |
| [ M ]材質 | SUS303相当 | ポリエチレン | SUS303相当 |
![]() | ![]() | ![]() | ![]() |
| E-MSMT11R | E-MSMT11N | E-MSMC31M | E-MSMC31N |
| 型番 |
| E-MSMC31M |
| 型番 | 検出方式 | 集束レンズ (別売) | 取付ねじ | ファイバ外径 (mm) | 光軸直径 (mm) | 曲げ半径 (mm) | ファイバ | 検出距離(mm) | ¥基準単価 | |||
| 全長 | 仕様 | 高速モード | 標準モード | 長距離モード | ||||||||
| E-MSMT11R | 透過型 | × | M4×P0.7 | 2×φ2.2 | 1×φ1.0 | R25 | 2m | 平行型 | 300 | 600 | 900 | 1,320 |
| E-MSMT11N | × | M4×P0.7 | 16×φ0.25 | 多芯型 | 250 | 480 | 1100 | 1,480 | ||||
| E-MSMC31M | 反射型 | ○ E-MSMF3A (先端外径:φ4.0) E-MSMF3B (先端外径:φ7.4) | M3×P0.5 | 2×φ1.0 | 2×φ0.5 | R15 | 平行型 | 30 | 50 | 120 | 1,300 | |
| E-MSMC31N | M3×P0.5 | φ1.3 φ1.0 | 内1×φ0.5外9×φ0.25 | 同軸型 | 30 | 60 | 130 | 1,440 | ||||
微小なワークも確実に検出。ねじ固定タイプのファイバユニット。
通常価格、通常出荷日が表示と異なる場合がございます
通常価格、通常出荷日が表示と異なる場合がございます

ミスミ
超薄型エリアセンサ
4.8通常価格(税別):5,150円~

ミスミ
アンプ内蔵型光電センサ -角型タイプ-
4.4通常価格(税別):2,680円~

オムロン
光電センサE3Z/E3Z-IL
4.3通常価格(税別):4,889円~

ミスミ
アンプ内蔵型光電センサ -スタンダードタイプ-
4.5通常価格(税別):4,890円~

ミスミ
ファイバセンサユニット ねじ固定タイプ
5通常価格(税別):1,300円~

オムロン
ファイバユニット E32
4.4通常価格(税別):2,964円~

Panasonic
ワンタッチケーブル CN-7シリーズ
2通常価格(税別):1,117円~

オムロン
超小型・薄型アンプ内蔵形光電センサ 【E3T】
4.4通常価格(税別):7,214円~

ミスミ
汎用エリアセンサ
4.8通常価格(税別):4,840円~