メカニカル部品技術窓口
ミスミ品のみ対象

10シリーズの60mm角、1列溝アルミフレームです。■10シリーズとは溝幅12mmのアルミフレームです...
詳細を確認| 型式 | − | L |
| HFS10−6060 | − | 800 |
| タイプ | 材質 | 表面処理 | 型式 | L指定0.5mm単位 | 質量kg/m | 断面積mm2 | 断面2次モーメントmm4 | |
| ℓx | ℓy | |||||||
| HFS | A6005CSS-T5 | 白アルマイト | HFS10-6060 | 50~4000 | 4.29 | 1588 | 49.6×104 | 49.6×104 |
| HFS | A6005CSS-T5 | 黒アルマイト | HFSB10-6060 | 50~4000 | 4.29 | 1588 | 49.6×104 | 49.6×104 |
| GFS | A6061SS-T6相当 | 白アルマイト | GFS10-6060 | 50~4000 | 5.55 | 2057 | 72.4×104 | 72.4×104 |
| GFS | A6061SS-T6相当 | 黒アルマイト | GFSB10-6060 | 50~4000 | 5.55 | 2057 | 72.4×104 | 72.4×104 |
| 型式 | − | L |
| KHFS10−6060 | − | 4000 |
| タイプ | 材質 | 表面処理 | 型式 | Lmm | 断面積mm2 | 断面2次モーメントmm4 | |
| ℓx | ℓy | ||||||
| HFS | A6005CSS-T5 | 白アルマイト | KHFS10-6060 | 4000 | 1588 | 49.6×104 | 49.6×104 |
| HFS | A6005CSS-T5 | 黒アルマイト | KHFSB10-6060 | 4000 | 1588 | 49.6×104 | 49.6×104 |
| GFS | A6061SS-T6相当 | 白アルマイト | KGFS10-6060 | 4000 | 2057 | 72.4×104 | 72.4×104 |
| GFS | A6061SS-T6相当 | 黒アルマイト | KGFSB10-6060 | 4000 | 2057 | 72.4×104 | 72.4×104 |
| 分類 | 追加工名称 | 内容 | 追加工コード | ||||||||
| > 端面タップ加工 | 端面タップ | フレーム端面(図面赤丸部)にタップ加工を行ないます。 | タップ | ||||||||
(センター穴)![]() | [ ! ]左右端面タップに異径ねじを選択する場合、L≧LTP×3+RTP×3 この加工が必要なブラインドジョイント (スクリュージョイント) 型式例: HFS10-6060-1000-RTP12 | LTP(左端面) RTP(右端面) TPW(両端面) | 12 M12深さ36 16 M16深さ48 20 M20深さ60 | ||||||||
| インサート挿入 | |||||||||||
| LHP(左端面) RHP(右端面) HPW(両端面) | 10 M10深さ18 12 M12深さ22 | ||||||||||
| 分類 | 追加工名称 | 内容 | 追加工コード | ||||||||
| > カット方法変更 | 高精度カット![]() | 全長L寸法をL±0.5→L±0.2に公差変更し、カットします。 [ ! ]L≦1500のみ適用可 型式例: HFS10-6060-1000-SC | SC | ||||||||
45度カット![]() | 45度の角度をつけてカットします。 [ NG ]HFS/GFS10-60180・120180・60240・120240は適用不可 [ NG ]45度カット指定する場合、同一方向で他の追加工の重複指定は不可 型式例: HFS10-6060-1000-LAT45-RBT45 | 断面が下を向くようにカット 左 右 ![]() | 断面が上を向くようにカット 左 右 ![]() | ||||||||
| LAT45 RAT45 | LCT45 RCT45 | ||||||||||
断面が奥を向くようにカット 左 右 ![]() | 断面が手前を向くようにカット 左 右 ![]() | ||||||||||
| LBT45 RBT45 | LDT45 RDT45 | ||||||||||
| 分類 | 追加工名称 | 内容 | 追加工コード | ||||||||
| > レンチ穴あけ | 固定位置レンチ穴![]() | ブラインドジョイント締結の際に使用するレンチ穴をあけます。 フレームをL字に組む際に、相手側となるフレームの端面タップの位置にあわせ穴加工されます。 この加工が必要なブラインドジョイント(スクリュージョイント) ![]() 10シリーズアルミフレームは、レンチ穴d寸を選択できます。 X9、X12で選択ください。ご指定が無い場合はX12になります。 型式例: HFS10-6060-800-LCH-X9 | 1番目 | 2番目 | 3番目 | レンチ穴径 | |||||
| L(左) R(右) | C(レンチ穴1列) W(レンチ穴2列) E(レンチ穴3列) | H(水平) V(垂直) P(十字) | X9 X12 | ||||||||
| 穴の位置とサイズ | |||||||||||
| H(mm) | J(mm) | K(mm) | レンチ穴 d | ||||||||
| 30 | 60 | 60 | Φ9 Φ12 | ||||||||
フレームキャップ 厚み分穴位置移動 フレームキャップ ![]() | 固定位置のレンチ穴をフレームキャップの厚み分(3mm)移動させます。 角に組んだ際にフレームキャップが出っ張らなくなります。 [ ! ]固定位置レンチ穴追加工と同時にご指定ください。 型式例: HFS10-6060-2000-LCV-FL-RCV-X9 | 追加工コード | |||||||||
| 左端面 | 右端面 | ||||||||||
| FL | FR | ||||||||||
指定位置レンチ穴![]() | 左端面から任意の位置にレンチ穴をあけます。 梁部など、フレームの端部以外でのブラインドジョイント締結時にご利用いただけます。 10シリーズアルミフレームは、レンチ穴d寸を選択できます。X9、X12で選択ください。 ご指定が無い場合はX12になります。 型式例: HFS10-6060-500-X9-AH30-BH280-AV100-BV280 | 追加工コード | |||||||||
| レンチ穴径 | 穴位置指定0.5mm単位(左端よりの距離) | ||||||||||
| X9(φ9) X12(φ12) | AH BH CH DH EH(水平) AV BV CV DV EV(垂直) AP BP CP DP EP(十字) | ||||||||||
| 分類 | 追加工名称 | 内容 | 追加工コード | ||||||||
| > その他加工 | 端面C面取り![]() | フレーム端面の外周にC面取り加工を行ないます。 (糸面取りC0.2~0.3) 型式例: HFS10-6060-500-CW | CW | ||||||||
シール貼り付け![]() | アルミフレームのカタログ記号などを印刷したシールを貼付します。 文字数などの制限はありますが、お客様の通し番号・ユニット番号の印字も可能です。 | 通し番号 | ユニット番号 | ||||||||
| ZZZ 数字4桁以内 | U 数字3桁以内 | ||||||||||
| 分類 | 追加工名称 | 内容 | 追加工コード | ||||||||
| > ブラインド ジョイント 専用穴あけ | J穴![]() 2ヶ所以上の締結を推奨 | 先入れシングルジョイント締結時に必要な穴をあけます。 | J穴 | 1番目 | 2番目 | 3番目 | |||||
| 一つの面に溝が複数列あるフレームでは全ての溝にJ穴は加工されます。 フレームの置き方は外形図が基準です。 | D 30.1 h 23.2 H 29.5 | L(左) R(右) | J (J穴) | X(上から) Z(下から) Q(左から) Y(右から) V(上下2箇所) H(左右2箇所) | |||||||
断面図 ![]() | |||||||||||
| > ザグリ穴あけ | 指定位置ザグリ穴![]() | 左端面から任意の位置にザグリ穴をあけます。 ・ 1方向につき5個まであけることができます。 ・ 1つの面に溝が複数列あるフレームでは全ての溝にザグリ穴は加工されます。 | ザグリ穴径選択 | ザグリ深さ選択 | ザグリ穴位置指定 | ||||||
| フレーム同士の締結やテーブルなどの取り付けにご利用いただけます。 指定例:Z12-HX1-XA100 | Z (選択) | 上から下へ(垂直) | HX(選択) | XA XB XC XD XE (指定0.5mm単位) | |||||||
断面図 ![]() 上から下へ(垂直) ![]() 右から左へ(水平) ![]() | 右から左へ(水平) | HY(選択) | YA YB YC YD YE (指定0.5mm単位) | ||||||||
| Z | d | d1 | T(フレーム高さ)\h | H□1 | H□2 | [ ! ]穴位置指定範囲は Z12:10 ~(L-10) Z16:14 ~(L-14) Z20:17 ~(L-17) の範囲でご指定ください。 | |||||
| 12 | 13 | 19 | 60 | 18.2 | 53.2 | ||||||
| 16 | 18 | 26 | 120 | 18.2 | 78.2 | ||||||
| 20 | 22 | 32 | 180・240 | 18.2 | 78.2 | ||||||
型式例: HFS10-6060-500-Z12-HX1-XA30-XB470 | |||||||||||
| 商品名 | ブラケット | 補強用フレームブラケット | ナット | フレームキャップ | 溝カバー | 板金プレート | ブラインドジョイント |
| イメージ 写真 | ![]() | ![]() | ![]() | ![]() | ![]() | ![]() | ご用意無し (10シリーズ) |
| 商品ページ | こちら | こちら | こちら | こちら | こちら | こちら |
| フレーム型番 | 対応フレームキャップ | |||||
| 商品タイプ | 色 | 厚さ | 型番 | 使用数 | ||
| HFS10-6060 HFSB10-6060 GFS10-6060 GFSB10-6060 固定長フレーム(Kで始まる型番) も同じです | ![]() | キャップ止め | 黒 | 3 | HFC10-6060-B | 1 |
| ライトグレー | 3 | HFC10-6060-S | 1 | |||
![]() | ボルト止め | 黒 | 3 | HFCB10-6060-B | 1 | |
| ライトグレー | 3 | HFCB10-6060-S | 1 | |||
ブラケット | ブラインドジョイント | ||
接続例 | ![]() | ![]() | |
特徴 | ・フレームの外側で接続 ・任意の位置に移動可 ・美観に劣る | ・フレームの内側で接続 ・美観に優れる ・フレームに加工が必要 |

| フレームタイプ | 標準アルミフレーム | 高剛性アルミフレーム | |
| HFSタイプ | GFSタイプ | ||
| 断面写真 | ![]() | ![]() | |
| 材質 | A6005CSS-T5 | A6061SS-T6相当 | |
| 特長 | スタンダードな断面形状です | 剛性を追及した肉厚のフレームです。 高い荷重を受ける筐体に適します | |
| 表面処理 | 白アルマイト 黒アルマイト | 白アルマイト 黒アルマイト | |
白アルマイト処理 | 黒アルマイト処理 | |
端面写真 | ![]() | ![]() |

| 型番 |
|---|
通常単価(税別)
(税込単価) | 通常出荷日 |
|---|
- ( - ) | 1日目 |
- ( - ) | 1日目 |
- ( - ) | 1日目 |
- ( - ) | 1日目 |
25,192円 ( 27,711円 ) | 1日目 |
27,716円 ( 30,488円 ) | 1日目 |
19,476円 ( 21,424円 ) | 1日目 |
21,451円 ( 23,596円 ) | 1日目 |
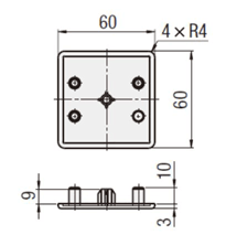
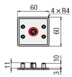
10シリーズの60mm角、1列溝アルミフレームです。
■10シリーズとは
溝幅12mmのアルミフレームです。M10またはM12のボルトに適用します。
切断面・追加工部には表面処理がされていません。
| タイプ | 型式 | L指定0.5mm単位 | ¥基準単価 300mm未満 | ¥スライド単価 300mm未満 | ¥基準単価/m 300mm以上 | ¥スライド単価/m 300mm以上 |
| 1~9本 | 10~20本 | 1~9本 | 10~20本 | |||
| HFS | HFS10-6060 | 50~4000 | 1,470 | 1,396 | 4,940 | 4,680 |
| HFS | HFSB10-6060 | 50~4000 | 1,610 | 1,534 | 5,440 | 5,160 |
| GFS | GFS10-6060 | 50~4000 | 1,900 | 1,811 | 6,380 | 6,060 |
| GFS | GFSB10-6060 | 50~4000 | 2,090 | 1,992 | 7,020 | 6,670 |
| タイプ | 型式 | Lmm | ¥基準単価 | ¥スライド単価 |
| 1~9本 | 10~20本 | |||
| HFS | KHFS10-6060 | 4000 | 17,750 | 16,859 |
| HFS | KHFSB10-6060 | 4000 | 19,550 | 18,574 |
| GFS | KGFS10-6060 | 4000 | 22,960 | 21,812 |
| GFS | KGFSB10-6060 | 4000 | 25,260 | 23,995 |

| 型式 | 高さ×幅 (mm) | 断面係数 | 断面二次 モーメント | フレーム長さ 500mmの時 | フレーム長さ 1000mmの時 | |||
| Type | フレーム | ×103 (mm3) | ×104 (mm4) | 許容荷重 | 許容荷重 | |||
| (N) | (kgf) | (N) | (kgf) | |||||
| HFS10 | 6060 | 60×60 | 16.53 | 49.6 | 6663 | 679 | 1665 | 169 |
| 60120 | 60×120 | 31.5 | 94.5 | 12695 | 1295 | 3173 | 323 | |
| 120×60 | 63.91 | 383.5 | 51521 | 5257 | 12880 | 1314 | ||
| 60180 | 60×180 | 46.5 | 139.5 | 18741 | 1912 | 4685 | 478 | |
| 180×60 | 135.88 | 1223 | 164305 | 16765 | 41076 | 4191 | ||
| 60240 | 60×240 | 61.46 | 184.4 | 24773 | 2527 | 6193 | 631 | |
| 240×60 | 232.5 | 2790 | 374826 | 38247 | 93706 | 9561 | ||
| 120120 | 120×120 | 114.41 | 686.5 | 92228 | 9411 | 23057 | 2352 | |
| 120180 | 120×180 | 166.31 | 997.9 | 134064 | 13680 | 33516 | 3420 | |
| 180×120 | 238 | 2142 | 287769 | 29364 | 71942 | 7341 | ||
| 120240 | 120×240 | 217.16 | 1303 | 175053 | 17862 | 43763 | 4465 | |
| 240×120 | 382.66 | 4592 | 616917 | 62950 | 154229 | 15737 | ||
| GFS10 | 6060 | 60×60 | 24.13 | 72.4 | 9726 | 992 | 2431 | 248 |
| 60120 | 60×120 | 45.56 | 136.7 | 18365 | 1873 | 4591 | 468 | |
| 120×60 | 85.76 | 514.6 | 69134 | 7054 | 17283 | 1763 | ||
| 60180 | 60×180 | 69.26 | 207.8 | 27917 | 2848 | 6979 | 712 | |
| 180×60 | 182 | 1638 | 220059 | 22455 | 55014 | 5613 | ||
| 60240 | 60×240 | 91.8 | 275.4 | 36998 | 3775 | 9249 | 943 | |
| 240×60 | 312.66 | 3752 | 504067 | 51435 | 126016 | 12858 | ||
| 120120 | 120×120 | 158.28 | 949.7 | 127588 | 13019 | 31897 | 3254 | |
| 120180 | 120×180 | 232 | 1392 | 187009 | 19082 | 46752 | 4770 | |
| 180×120 | 322.22 | 2900 | 389604 | 39755 | 97401 | 9938 | ||
| 120240 | 120×240 | 304.5 | 1827 | 245450 | 25045 | 61362 | 6261 | |
| 240×120 | 516.66 | 6200 | 832946 | 84994 | 208236 | 21248 | ||

| 型式 | 高さ×幅 (mm) | 許容荷重 | ||||
| Type | フレーム | 集中荷重 | 等分布荷重 | |||
| (N) | (kgf) | (N) | (kgf) | |||
| HFS10 | 6060 | 60×60 | 6663 | 679 | 13327 | 1359 |
| 60120 | 60×120 | 12695 | 1295 | 25391 | 2590 | |
| 120×60 | 51521 | 5257 | 103043 | 10514 | ||
| 60180 | 60×180 | 18741 | 1912 | 37482 | 3824 | |
| 180×60 | 164305 | 16765 | 328610 | 33531 | ||
| 60240 | 60×240 | 24773 | 2527 | 49546 | 5055 | |
| 240×60 | 374826 | 38247 | 749652 | 76495 | ||
| 120120 | 120×120 | 92228 | 9411 | 184457 | 18822 | |
| 120180 | 120×180 | 134064 | 13680 | 268128 | 27360 | |
| 180×120 | 287769 | 29364 | 575539 | 58728 | ||
| 120240 | 120×240 | 175053 | 17862 | 350106 | 35725 | |
| 240×120 | 616917 | 62950 | 1233835 | 125901 | ||
| GFS10 | 6060 | 60×60 | 9726 | 992 | 19453 | 1985 |
| 60120 | 60×120 | 18365 | 1873 | 36730 | 3747 | |
| 120×60 | 69134 | 7054 | 138269 | 14109 | ||
| 60180 | 60×180 | 27917 | 2848 | 55834 | 5697 | |
| 180×60 | 220059 | 22455 | 440118 | 44910 | ||
| 60240 | 60×240 | 36998 | 3775 | 73997 | 7550 | |
| 240×60 | 504067 | 51435 | 1008134 | 102870 | ||
| 120120 | 120×120 | 127588 | 13019 | 255177 | 26038 | |
| 120180 | 120×180 | 187009 | 19082 | 374019 | 38165 | |
| 180×120 | 389604 | 39755 | 779208 | 79511 | ||
| 120240 | 120×240 | 245450 | 25045 | 490901 | 50091 | |
| 240×120 | 832946 | 84994 | 1665893 | 169989 | ||
通常価格、通常出荷日が表示と異なる場合がございます

ミスミ
アルミフレーム 6シリーズ 正方形 30×30mm 1列溝 4面溝
4.6通常価格(税別):966円~

ミスミ
アルミフレーム 6シリーズ Nタイプ 正方形 30×30mm 1列溝 4面溝
4.4通常価格(税別):2,361円~

ミスミ
アルミフレーム 8シリーズ 正方形 40×40mm 1列溝 4面溝
4.6通常価格(税別):1,755円~

ミスミ
アルミフレーム 8シリーズ Nタイプ 正方形 40×40mm 1列溝 4面溝
0通常価格(税別):4,317円~

ミスミ
アルミフレーム 5シリーズ 正方形 20×20mm 1列溝 4面溝
4.7通常価格(税別):549円~

ミスミ
アルミフレーム 5シリーズ Nタイプ 正方形 20×20mm 1列溝 4面溝
0通常価格(税別):1,703円~

ミスミ
アルミフレーム 6シリーズ 長方形 30×60mm 2列溝 4面溝
4.6通常価格(税別):1,667円~

ミスミ
アルミフレーム 6シリーズ Nタイプ 長方形 30×60mm 2列溝 4面溝
3通常価格(税別):4,650円~

ミスミ
アルミフレーム 8シリーズ 長方形 40×80mm 2列溝 4面溝
4.7通常価格(税別):3,543円~