メカニカル部品技術窓口
ミスミ品のみ対象
ミスミの低価格新ブランド【エコノミーシリーズ】順次商品拡大中!特集ページはこちら商品ラインナップ

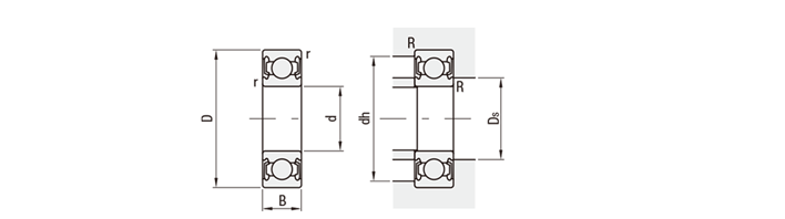
(取付関係図)
[ ! ]軸受精度 JIS B 1514 0級
[ ! ]技術データのラジアル軸受(等級0級)の許容差及び許容値はこちらを参照願います。
[ M ]材質 SUJ2
| 型番 | d | D | B | r (min.) | 基本定格荷重 | 許容回転数 rpm (参考) | 取付寸法 | 質量 (g) (参考) | ¥基準単価 | ||||
| Ds | dh (max.) | R (max.) | |||||||||||
| (min.) | (max.) | ||||||||||||
| Cr(動)N | Cor(静)N | ||||||||||||
| C−E6800DDU | 10 | 19 | 5 | 0.3 | 1716 | 840 | 17000 | 12 | 12 | 17 | 0.3 | 6 | 390 |
| C−E6900DDU | 22 | 6 | 2695 | 1273 | 15000 | 12.5 | 20 | 10 | 320 | ||||
| C−E6000DDU | 26 | 8 | 4550 | 1970 | 24 | 18 | 180 | ||||||
| C−E6200DDU | 30 | 9 | 0.6 | 5100 | 2390 | 13000 | 14 | 16 | 26 | 0.6 | 32 | 150 | |
| C−E6300DDU | 35 | 11 | 8100 | 3450 | 12000 | 16.5 | 31 | 52 | 200 | ||||
| C−E6801DDU | 12 | 21 | 5 | 0.3 | 1915 | 1041 | 14000 | 14 | 19 | 0.3 | 7 | 390 | |
| C−E6901DDU | 24 | 6 | 2886 | 1466 | 14.5 | 22 | 10 | 330 | |||||
| C−E6001DDU | 28 | 8 | 5100 | 2370 | 13000 | 15.5 | 26 | 22 | 180 | ||||
| C−E6201DDU | 32 | 10 | 0.6 | 6800 | 3050 | 12000 | 16 | 17 | 28 | 0.6 | 37 | 160 | |
| C−E6301DDU | 37 | 12 | 1 | 9700 | 4200 | 11000 | 17 | 18 | 32 | 1 | 60 | 140 | |
| C−E6802DDU | 15 | 24 | 5 | 0.3 | 2073 | 1253 | 12000 | 17 | 22 | 0.3 | 9 | 440 | |
| C−E6902DDU | 28 | 7 | 4321 | 2259 | 26 | 15 | 360 | ||||||
| C−E6002DDU | 32 | 9 | 5600 | 2830 | 11000 | 19 | 30 | 31 | 200 | ||||
| C−E6202DDU | 35 | 11 | 0.6 | 7650 | 3750 | 10000 | 19 | 20.5 | 31 | 0.6 | 45 | 180 | |
| C−E6302DDU | 42 | 13 | 1 | 11400 | 5450 | 9000 | 20 | 22.5 | 37 | 1 | 83 | 230 | |
| C−E6803DDU | 17 | 26 | 5 | 0.3 | 2233 | 1456 | 11000 | 19 | 19 | 24 | 0.3 | 9 | 470 |
| C−E6903DDU | 30 | 7 | 4588 | 2565 | 19.5 | 28 | 10 | 380 | |||||
| C−E6003DDU | 35 | 10 | 6000 | 3250 | 9000 | 21.5 | 33 | 41 | 210 | ||||
| C−E6203DDU | 40 | 12 | 0.6 | 9550 | 4800 | 8000 | 21 | 23.5 | 36 | 0.6 | 67 | ||
| C−E6303DDU | 47 | 14 | 1 | 13600 | 6650 | 22 | 25.5 | 42 | 1 | 113 | 170 | ||
| C−E6804DDU | 20 | 32 | 7 | 0.3 | 4015 | 2462 | 9000 | 22 | 30 | 0.3 | 18 | 480 | |
| C−E6904DDU | 37 | 9 | 6381 | 3682 | 8000 | 24 | 35 | 40 | 390 | ||||
| C−E6004DDU | 42 | 12 | 0.6 | 9400 | 5000 | 24 | 25.5 | 38 | 0.6 | 68 | 230 | ||
| C−E6204DDU | 47 | 14 | 1 | 12800 | 6600 | 25 | 26.5 | 42 | 1 | 107 | 250 | ||
| C−E6304DDU | 52 | 15 | 1.1 | 15900 | 7900 | 7000 | 26.5 | 28 | 45.5 | 145 | 320 | ||
| C−E6805DDU | 25 | 37 | 7 | 0.3 | 4303 | 2932 | 27 | 27 | 35 | 0.3 | 24 | 530 | |
| C−E6905DDU | 42 | 9 | 7001 | 4540 | 28.5 | 40 | 47 | 270 | |||||
| C−E6005DDU | 47 | 12 | 0.6 | 10100 | 5850 | 29 | 30 | 43 | 0.6 | 79 | 260 | ||
| C−E6205DDU | 52 | 15 | 1 | 14000 | 7850 | 6000 | 30 | 32 | 47 | 1 | 129 | 280 | |
| C−E6305DDU | 62 | 17 | 1.1 | 20600 | 11200 | 31.5 | 36 | 55.5 | 235 | 400 | |||
| C−E6806DDU | 30 | 42 | 7 | 0.3 | 4538 | 3402 | 32 | 32 | 40 | 0.3 | 27 | ||
| C−E6906DDU | 47 | 9 | 7242 | 5003 | 34 | 45 | 53 | 320 | |||||
| C−E6006DDU | 55 | 13 | 1 | 13200 | 8300 | 35 | 36.5 | 50 | 1 | 116 | 200 | ||
| C−E6206DDU | 62 | 16 | 19500 | 11300 | 5000 | 38.5 | 57 | 199 | 370 | ||||
| C−E6306DDU | 72 | 19 | 1.1 | 26700 | 15000 | 37 | 40 | 65 | 345 | 920 | |||
| C−E6807DDU | 35 | 47 | 7 | 0.3 | 4729 | 3821 | 38 | 45 | 0.3 | 32 | 620 | ||
| C−E6907DDU | 55 | 10 | 0.6 | 10900 | 7818 | 39 | 39 | 51 | 0.6 | 88 | 600 | ||
| C−E6007DDU | 62 | 14 | 1 | 16000 | 10300 | 40 | 41.5 | 57 | 1 | 151 | 390 | ||
| C−E6207DDU | 72 | 17 | 1.1 | 25700 | 15300 | 4000 | 41.5 | 44.5 | 65.5 | 284 | 490 | ||
| C−E6307DDU | 80 | 21 | 1.5 | 33500 | 19200 | 43 | 47 | 72 | 1.5 | 464 | 700 | ||
| C−E6808DDU | 40 | 52 | 7 | 0.3 | 4923 | 4178 | 5000 | 42 | 43 | 50 | 0.3 | 35 | 690 |
| C−E6908DDU | 62 | 12 | 0.6 | 13678 | 9968 | 4000 | 44 | 46 | 58 | 0.6 | 132 | 670 | |
| C−E6008DDU | 68 | 15 | 1 | 16800 | 11500 | 45 | 47.5 | 63 | 1 | 190 | 510 | ||
| C−E6208DDU | 80 | 18 | 1.1 | 29100 | 17900 | 46.5 | 50.5 | 73.5 | 366 | 400 | |||
| C−E6308DDU | 90 | 23 | 1.5 | 40500 | 24000 | 49 | 53 | 81 | 1.5 | 636 | 1,670 | ||
| C−E6809DDU | 45 | 58 | 7 | 0.3 | 6187 | 5381 | 47 | 47.5 | 56 | 0.3 | 42 | 830 | |
| C−E6909DDU | 68 | 12 | 0.6 | 14100 | 10830 | 49 | 50 | 64 | 0.6 | 148 | 840 | ||
| C−E6009DDU | 75 | 16 | 1 | 20900 | 15200 | 50 | 53.5 | 70 | 1 | 241 | 660 | ||
| C−E6209DDU | 85 | 19 | 1.1 | 31500 | 20400 | 51.5 | 55.5 | 78.5 | 420 | 790 | |||
| C−E6309DDU | 100 | 25 | 1.5 | 53000 | 32000 | 3000 | 54 | 58 | 91 | 1.5 | 829 | 2,300 | |
| C−E6810DDU | 50 | 65 | 7 | 0.3 | 6610 | 6090 | 4000 | 52 | 52.5 | 63 | 0.3 | 65 | 1,130 |
| C−E6910DDU | 72 | 12 | 0.6 | 14540 | 11710 | 54 | 55 | 68 | 0.6 | 145 | 1,020 | ||
| C−E6010DDU | 80 | 16 | 1 | 21800 | 16600 | 3000 | 55 | 58.5 | 75 | 1 | 261 | 770 | |
| C−E6210DDU | 90 | 20 | 35000 | 23200 | 56.5 | 60 | 83.5 | 459 | 900 | ||||
| C−E6310DDU | 110 | 27 | 2 | 62000 | 38500 | 61 | 64 | 99 | 2 | 1060 | 2,790 | ||
| 内径d(mm) | 当社類似品のすきま(μm) | エコノミーシリーズのすきま(μm) | |||
| 以上 | 以下 | 最小 | 最大 | 最小 | 最大 |
| 10未満 | 5 | 10 | 7 | 15 | |
| 10のみ | 2 | 13 | 4 | 18 | |
| 10 | 18 | 3 | 18 | 6 | 23 |
| 18 | 24 | 5 | 20 | 8 | 25 |
| 24 | 30 | 5 | 20 | 8 | 25 |
| 当社類似品 B623DDU | エコノミーシリーズ C−E623DDU | ||
| 基本定格荷重 | Cr(動)N | 630 | 631 |
| Cor(静)N | 210 | 219 | |
| ベアリング 内部すきま | 最小 μm | 5 | 7 |
| 最大 μm | 10 | 15 | |
| (参考)許容回転数 rpm | 25000 | 25000 | |
| RoHS10 | 対応 | 保証外 | |
| 型番 |
|---|
通常単価(税別)
(税込単価) | 通常出荷日 |
高品質の代替品
|
|---|
180円 ( 198円 ) | 在庫品1日目当日出荷可能 |
|
180円 ( 198円 ) | 在庫品1日目当日出荷可能 |
|
200円 ( 220円 ) | 在庫品1日目当日出荷可能 |
|
210円 ( 231円 ) | 在庫品1日目当日出荷可能 |
|
230円 ( 253円 ) | 在庫品1日目当日出荷可能 |
|
260円 ( 286円 ) | 在庫品1日目当日出荷可能 |
|
320円 ( 352円 ) | 在庫品1日目当日出荷可能 |
|
390円 ( 429円 ) | 在庫品1日目当日出荷可能 |
|
510円 ( 561円 ) | 在庫品1日目当日出荷可能 |
|
660円 ( 726円 ) | 在庫品1日目当日出荷可能 |
|
770円 ( 847円 ) | 在庫品1日目当日出荷可能 |
|
150円 ( 165円 ) | 在庫品1日目当日出荷可能 |
|
160円 ( 176円 ) | 在庫品1日目当日出荷可能 |
|
180円 ( 198円 ) | 在庫品1日目当日出荷可能 |
|
210円 ( 231円 ) | 在庫品1日目当日出荷可能 |
|
250円 ( 275円 ) | 在庫品1日目当日出荷可能 |
|
280円 ( 308円 ) | 在庫品1日目当日出荷可能 |
|
370円 ( 407円 ) | 在庫品1日目当日出荷可能 |
|
490円 ( 539円 ) | 在庫品1日目当日出荷可能 |
|
790円 ( 869円 ) | 在庫品1日目当日出荷可能 |
|
900円 ( 990円 ) | 在庫品1日目当日出荷可能 |
|
200円 ( 220円 ) | 在庫品1日目当日出荷可能 |
|
140円 ( 154円 ) | 在庫品1日目当日出荷可能 |
|
230円 ( 253円 ) | 在庫品1日目当日出荷可能 |
|
170円 ( 187円 ) | 在庫品1日目当日出荷可能 |
|
320円 ( 352円 ) | 在庫品1日目当日出荷可能 |
|
400円 ( 440円 ) | 在庫品1日目当日出荷可能 |
|
920円 ( 1,012円 ) | 在庫品1日目当日出荷可能 |
- |
700円 ( 770円 ) | 在庫品1日目当日出荷可能 |
|
1,670円 ( 1,837円 ) | 在庫品1日目当日出荷可能 |
- |
2,300円 ( 2,530円 ) | 在庫品1日目当日出荷可能 |
- |
2,790円 ( 3,069円 ) | 在庫品1日目当日出荷可能 |
- |
390円 ( 429円 ) | 在庫品1日目当日出荷可能 |
|
390円 ( 429円 ) | 在庫品1日目当日出荷可能 |
|
440円 ( 484円 ) | 在庫品1日目当日出荷可能 |
|
470円 ( 517円 ) | 在庫品1日目当日出荷可能 |
|
480円 ( 528円 ) | 在庫品1日目当日出荷可能 |
|
530円 ( 583円 ) | 在庫品1日目当日出荷可能 |
|
670円 ( 737円 ) | 在庫品1日目当日出荷可能 |
|
620円 ( 682円 ) | 在庫品1日目当日出荷可能 |
- |
690円 ( 759円 ) | 在庫品1日目当日出荷可能 |
- |
830円 ( 913円 ) | 在庫品1日目当日出荷可能 |
- |
1,130円 ( 1,243円 ) | 在庫品1日目当日出荷可能 |
- |
320円 ( 352円 ) | 在庫品1日目当日出荷可能 |
|
330円 ( 363円 ) | 在庫品1日目当日出荷可能 |
|
360円 ( 396円 ) | 在庫品1日目当日出荷可能 |
|
380円 ( 418円 ) | 在庫品1日目当日出荷可能 |
|
390円 ( 429円 ) | 在庫品1日目当日出荷可能 |
|
450円 ( 495円 ) | 在庫品1日目当日出荷可能 |
|
530円 ( 583円 ) | 在庫品1日目当日出荷可能 |
|
600円 ( 660円 ) | 在庫品1日目当日出荷可能 |
|
670円 ( 737円 ) | 在庫品1日目当日出荷可能 |
|
840円 ( 924円 ) | 在庫品1日目当日出荷可能 |
|
1,020円 ( 1,122円 ) | 在庫品1日目当日出荷可能 |



通常価格、通常出荷日が表示と異なる場合がございます

NSK
単列深溝玉軸受(開放形/シール形/シールド形)
4.8通常価格(税別):195円~

ミスミ
深溝玉軸受 両シールド形
4.5通常価格(税別):180円~

NTN
深溝玉軸受
4.8通常価格(税別):319円~

ミスミ
小径玉軸受 フランジ付両シールド形
4.7通常価格(税別):430円~

ミスミ
小径玉軸受 両シールド形
4.8通常価格(税別):130円~

ミスミ
ステンレス小径玉軸受 両シールド形
4.8通常価格(税別):220円~

ミスミ
深溝玉軸受 両シールド形-ステンレス-
4.8通常価格(税別):500円~

ミスミ
小径玉軸受 フランジ付両シールド形 ステンレス
4.3通常価格(税別):370円~

NTN
ミニチュア玉軸受・小径玉軸受
4.6通常価格(税別):187円~