メカニカル部品技術窓口
ミスミ品のみ対象
【まとめ買いでお得】251個以上から大幅割引き!ミスミの低価格新ブランド【エコノミーシリーズ】順次商品...
詳細を確認
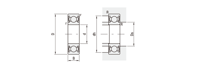
(取付関係図)
[ M ]材質 SUJ2
[ ! ]軸受精度 JIS B 1514 0級
[ ! ]技術データのラジアル軸受(等級0級)の許容差及び許容値はこちらを参照願います。
| 型番 | d | D | B | r (min.) | 基本定格荷重 | 許容回転数 rpm (参考) | 取付寸法 | 質量 (g) (参考) | ¥基準単価 | |||
| Ds (min.) | dh (max.) | R (max.) | ||||||||||
| Cr(動)N | Cor(静)N | |||||||||||
| C−E693DDU | 3 | 8 | 4 | 0.15 | 558 | 180 | 30000 | 4.2 | 6.8 | 0.15 | 1 | 125 |
| C−E623DDU | 10 | 631 | 219 | 25000 | 8.8 | 2 | 110 | |||||
| C−E684DDU | 4 | 9 | 0.2 | 641 | 227 | 4.6 | 8.4 | 140 | ||||
| C−E694DDU | 11 | 957 | 350 | 24000 | 5.2 | 9.8 | 94 | |||||
| C−E604DDU | 12 | 5.6 | 10.4 | 0.2 | 3 | 91 | ||||||
| C−E624DDU | 13 | 5 | 1301 | 488 | 20000 | 11.4 | 4 | 95 | ||||
| C−E634DDU | 16 | 1340 | 523 | 8 | 13 | 6 | 125 | |||||
| C−E685DDU | 5 | 11 | 716 | 282 | 29000 | 5.8 | 10.2 | 0.1 | 2 | 140 | ||
| C−E695DDU | 13 | 4 | 1077 | 432 | 28000 | 6.6 | 11.4 | 0.2 | 3 | 94 | ||
| C−E605DDU | 14 | 5 | 1329 | 507 | 27000 | 12.4 | 5 | 91 | ||||
| C−E625DDU | 16 | 0.3 | 1729 | 675 | 22000 | 7 | 14 | 0.3 | 6 | 105 | ||
| C−E635DDU | 19 | 6 | 0.2 | 2336 | 896 | 21000 | 7.4 | 16.6 | 8 | 91 | ||
| C−E686DDU | 6 | 13 | 5 | 1082 | 442 | 27000 | 6.8 | 11.2 | 0.2 | 4 | 165 | |
| C−E696DDU | 15 | 1340 | 523 | 25000 | 7.6 | 13.4 | 0.3 | 7 | 145 | |||
| C−E606DDU | 17 | 6 | 2263 | 846 | 24000 | 8 | 15 | 91 | ||||
| C−E626DDU | 19 | 0.3 | 2336 | 896 | 21000 | 17 | 8 | 95 | ||||
| C−E636DDU | 22 | 7 | 3333 | 1423 | 20000 | 10.5 | 20 | 5 | 185 | |||
| C−E687DDU | 7 | 14 | 5 | 0.2 | 1173 | 513 | 24000 | 7.8 | 13.2 | 0.2 | 4 | 180 |
| C−E697DDU | 17 | 1605 | 719 | 20000 | 9 | 15 | 0.3 | 6 | 130 | |||
| C−E607DDU | 19 | 6 | 2336 | 896 | 17 | 8 | 125 | |||||
| C−E627DDU | 22 | 7 | 0.3 | 3287 | 1379 | 20000 | 9.4 | 19.6 | 14 | 140 | ||
| C−E688DDU | 8 | 16 | 5 | 0.2 | 1252 | 592 | 14.6 | 0.2 | 4 | 145 | ||
| C−E698DDU | 19 | 6 | 2237 | 917 | 10 | 17 | 0.3 | 8 | 145 | |||
| C−E608DDU | 22 | 7 | 0.3 | 3293 | 1379 | 17000 | 20 | 14 | 78 | |||
| C−E628DDU | 24 | 8 | 3333 | 1423 | 14000 | 22 | 18 | 95 | ||||
| C−E638DDU | 28 | 9 | 4563 | 1983 | 12 | 23 | 31 | 185 | ||||
| C−E689DDU | 9 | 17 | 5 | 1327 | 668 | 10.4 | 15.6 | 0.2 | 5 | 140 | ||
| C−E699DDU | 20 | 6 | 1720 | 840 | 11 | 18 | 0.3 | 8 | 145 | |||
| C−E609DDU | 24 | 7 | 3356 | 1444 | 22 | 16 | 140 | |||||
| C−E629DDU | 26 | 8 | 4575 | 1983 | 11.4 | 23.6 | 22 | 165 | ||||
| 内径d(mm) | 当社類似品のすきま(μm) | エコノミーシリーズのすきま(μm) | |||
| 以上 | 以下 | 最小 | 最大 | 最小 | 最大 |
| 10未満 | 5 | 10 | 7 | 15 | |
| 10のみ | 2 | 13 | 4 | 18 | |
| 10 | 18 | 3 | 18 | 6 | 23 |
| 18 | 24 | 5 | 20 | 8 | 25 |
| 24 | 30 | 5 | 20 | 8 | 25 |
| 当社類似品 B623DDU | エコノミーシリーズ C−E623DDU | ||
| 基本定格荷重 | Cr(動)N | 630 | 631 |
| Cor(静)N | 210 | 219 | |
| ベアリング 内部すきま | 最小 μm | 5 | 7 |
| 最大 μm | 10 | 15 | |
| (参考)許容回転数 rpm | 25000 | 25000 | |
| RoHS10 | 対応 | 保証外 | |
![]() | d 内径公差
| D 外径公差
| B 幅公差
| |||||||||||||||||||||||||||||||||||||||||||||||||||
・軸
| ・ハウジング
| |||||||||||||||||||||||||||||||||||||||||||||||||||||||||||||||||||||||||||||||||||||||||||||||||||||||||
| [ ! ]JIS B 1566(2015)付属書B(参考)に準拠。 [ ! ]荷重の性質 ・内輪回転荷重:内輪の荷重位置が変化する。 ・内輪静止荷重:内輪の荷重位置が変化しない。 ・外輪回転荷重:外輪の荷重位置が変化する。 ・外輪静止荷重:外輪の荷重位置が変化しない。 ・方向不定荷重:荷重位置が不確定。 (参考:はめあいの組合せの検討を参照) | [ ! ]荷重の大きさ ・軽荷重:基本動定格荷重の6%以下。 ・普通荷重:基本動定格荷重の6%を超え12%以下。 ・重荷重:基本動定格荷重の12%を超える。 |
| 型番 |
|---|
通常単価(税別)
(税込単価) | 通常出荷日 |
高品質の代替品
|
|---|
91円 ( 100円 ) | 在庫品1日目当日出荷可能 |
|
91円 ( 100円 ) | 在庫品1日目当日出荷可能 |
|
91円 ( 100円 ) | 在庫品1日目当日出荷可能 |
|
125円 ( 138円 ) | 在庫品1日目当日出荷可能 |
- |
78円 ( 86円 ) | 在庫品1日目当日出荷可能 |
|
140円 ( 154円 ) | 在庫品1日目当日出荷可能 |
- |
110円 ( 121円 ) | 在庫品1日目当日出荷可能 |
|
95円 ( 105円 ) | 在庫品1日目当日出荷可能 |
|
105円 ( 116円 ) | 在庫品1日目当日出荷可能 |
|
95円 ( 105円 ) | 在庫品1日目当日出荷可能 |
|
140円 ( 154円 ) | 在庫品1日目当日出荷可能 |
- |
95円 ( 105円 ) | 在庫品1日目当日出荷可能 |
|
165円 ( 182円 ) | 在庫品1日目当日出荷可能 |
- |
125円 ( 138円 ) | 在庫品1日目当日出荷可能 |
- |
91円 ( 100円 ) | 在庫品1日目当日出荷可能 |
- |
185円 ( 204円 ) | 在庫品1日目当日出荷可能 |
- |
185円 ( 204円 ) | 在庫品1日目当日出荷可能 |
- |
140円 ( 154円 ) | 在庫品1日目当日出荷可能 |
- |
140円 ( 154円 ) | 在庫品1日目当日出荷可能 |
- |
165円 ( 182円 ) | 在庫品1日目当日出荷可能 |
- |
180円 ( 198円 ) | 在庫品1日目当日出荷可能 |
- |
145円 ( 160円 ) | 在庫品1日目当日出荷可能 |
- |
140円 ( 154円 ) | 在庫品1日目当日出荷可能 |
- |
125円 ( 138円 ) | 在庫品1日目当日出荷可能 |
|
94円 ( 103円 ) | 在庫品1日目当日出荷可能 |
|
94円 ( 103円 ) | 在庫品1日目当日出荷可能 |
|
145円 ( 160円 ) | 在庫品1日目当日出荷可能 |
|
130円 ( 143円 ) | 在庫品1日目当日出荷可能 |
- |
145円 ( 160円 ) | 在庫品1日目当日出荷可能 |
|
145円 ( 160円 ) | 在庫品1日目当日出荷可能 |
- |



通常価格、通常出荷日が表示と異なる場合がございます
通常価格、通常出荷日が表示と異なる場合がございます

ミスミ
深溝玉軸受 両シールド形
4.5通常価格(税別):180円~

NSK
単列深溝玉軸受(開放形/シール形/シールド形)
4.8通常価格(税別):195円~

ミスミ
小径玉軸受 フランジ付両シールド形
4.7通常価格(税別):430円~

ミスミ
小径玉軸受 両シールド形
4.8通常価格(税別):130円~

NTN
深溝玉軸受
4.8通常価格(税別):319円~

ミスミ
ステンレス小径玉軸受 両シールド形
4.8通常価格(税別):220円~

ミスミ
深溝玉軸受 両シールド形-ステンレス-
4.8通常価格(税別):500円~

ミスミ
小径玉軸受 フランジ付両シールド形 ステンレス
4.3通常価格(税別):370円~

ミスミ
【エコノミーシリーズ】フランジ付玉軸受(小径・深溝) 両シールド形 軽荷重タイプ
4.5通常価格(税別):125円~