メカニカル部品技術窓口
ミスミ品のみ対象
駆動部がコンパクトなGVシリーズにACブラシレスモータを搭載。負荷が掛かっても一定速度、コンパクトで省...
詳細を確認30Wモータ仕様
※L≦500時:4個
L>500時:6個
A*は下記参照

フレーム断面拡大図(左右対称)
X部(M3用)
Z部詳細図
Y部(M5用)

| フレーム | モータカバー | プーリホルダ | |
| [ M ]材質 | アルミ材 | アルミ材 | アルミ材 |
| [ S ]表面処理 | アルマイト処理 | 塗装 | 塗装 |
| 型式 | - | B | - | L | - | モータ | - | ベルト 仕様 | - | モータメーカー 選択 | |||||||
| 出力 | - | 電圧 | - | 仕様 | - | ギヤヘッド 減速比 | |||||||||||
| GVHA2 | - | 100 | - | 1000 | - | 30 | - | T1 | - | ABM | - | 30 | - | H | - | B | |
| GVHA2 | - | 100 | - | 1000 | - | 30 | - | NV | - | NM | - | NH | - | H | - | R | (モータ・ギヤヘッドなし) |
| TYPE | B(ベルト幅) 指定10mm単位 | L(プーリ間長さ) 指定5mm単位 | モータ選択 | ベルト仕様 | モータメーカ | |||
| 出力(W) | 電圧(V) | 仕様 | ギヤヘッド減速比 | |||||
| GVHA2 | 30~300 | 240~2000 | 30 | T1 (単相100~120V) T2 (単相200~240V) S2 (三相200~240V) | ABM (ACブラシレスモータ) | 15 20 30 50 | H(一般仕様・緑) W(一般仕様・白) G(スライディング用・緑) S(スライディング用・白) D(電子部品搬送用) F(食品搬送用・白) O(耐油仕様・紺) N(非粘着仕様・白) J(ベルトなし) | B (オリエンタルモータ) |
| NV (モータなし) | NM (モータなし) | NH (ギヤヘッドなし) | R (モータ・ギヤヘッドなし) | |||||
(kg)
| ベルト幅 B(mm) | プーリ間長さ L(mm) | |||
| 500 | 1000 | 1500 | 2000 | |
| 100 | 3.7 | 5.2 | 6.7 | 8.3 |
| 200 | 4.8 | 6.8 | 8.8 | 10.8 |
| 300 | 5.9 | 8.4 | 10.9 | 13.4 |
| 出力(W) | モータ | 減速比 | A | |
| 仕様 | メーカー | |||
| 30W | ブラシレス モータ | オリエンタル モーター | 15 20 | 72.0 |
| 30 50 | 76.0 | |||
仕様・概要
※参考値
| ギヤヘッド 減速比 | ベルト速度(m/min) | |
| Min | Max | |
| 15 | 1.0 | 50.3 |
| 20 | 0.8 | 37.7 |
| 30 | 0.5 | 25.1 |
| 50 | 0.3 | 15.1 |
※参考値(B=300)

[ ! ]アキューム搬送(スライディングベルトのみ適用)の場合は、
グラフの1/2以下の搬送能力でご検討下さい。
■ブラシレスモータドライバ外形図

■ドライバパネル加工図

| オリエンタルモータ | |||||||
| モータ | コントローラ型式 | モータ+ギヤヘッド型式 | 接続ケーブル | 電源ケーブル | |||
| 出力 | 仕様 | 電圧 | メーカー型式 | メーカー型式 | メーカー型式 | メーカー型式 | |
| 30W | ブラシレスモータ | 単相100~120V | BMUD30-A2 | BLM230-□B (□:ギヤヘッド減速比) | CC01BL2 | ドライバ側 モーター側 ![]() | CC02AC03N(2m) |
| 単相200~240V | BMUD30-C2 | ||||||
| 三相200~240V | CC02AC04N(2m) | ||||||
| 備考 | [ ! ]ACブラシレスモータ仕様には次のものが含まれています。 | ||||||
| 挿入位置 | コンベヤ側面の溝に挿入済み(4個/1溝) 追加ザグリ穴(FYA/FYB)選択時は追加挿入可能(別売) | 後入れナット(別売) 加工・分解無しで挿入可能 | ||||||
| 品名 | 型番 | ねじの呼び | ピッチ | 品名 | 型番 | ねじの呼び | ピッチ | |
| X部 | JIS1種六角ナット | LBNR3 | M3 (並目) | 0.5 | ― | ― | ― | ― |
| Y部 | 5シリーズ(溝幅6mm)用 アルミフレーム用先入れナット | HNTT5-5 | M5 (並目) | 0.8 | 5シリーズ(溝幅6mm)用 アルミフレーム用後入れバネナット | HNTP5-5 | M5 (並目) | 0.8 |
| ― | HNTP5-4 | M4 (並目) | 0.7 | |||||
| HNTP5-3 | M3 (並目) | 0.5 | ||||||


| 追加工 コード | 追加工内容 | 適用条件 | 指定例 | \/1Code | |||||
| MK | モータ位置勝手違い ![]() | モータ位置が変更できます。 ヘッド駆動タイプのみ指定できます。 〈指定方法〉:MK | [ ! ]一部機種はMKを追加することにより、関連する部品も変更されます。 | GVHA2-120-1350-25- T1-ABM-50-S-B-MK | 1,000 | ||||
| FYA FYB | 追加ザグリ穴 ヘッド駆動 ![]() | 追加でナット挿入用のザグリ穴を手前と奥のフレームに加工します。 〈指定方法〉:FYA300 FYA300-FYB600
| [ ! ]FYA・FYB=指定5mm単位 [ ! ]FYB-FYA≧15 [ ! ]指定範囲は左記表となります。 | GVHA2-120-1350-25- T1-ABM-50-S-B-FYA500 | 1,200 | ||||
| SCB | スピードコントローラ用ブラケット付属 (ブラシレスモータのコントローラにも適用可) <スピードコントローラブラケット規格図> ①スピードコントローラブラケット ![]() | スピードコントローラ用の取付ブラケットを付属します。 〈指定方法〉: SCB | [ ! ]ブラケット取付用ねじ2個付属 [ ! ]コントローラ取付用ねじ(M4x8)2本付属 [ ! ]コンベヤによっては、スペース上取り付かない場合があります。 [ ! ]コンベヤ型式やモータ仕様によりブラケットの形状が異なります。 | GVHA2-120-1350-25- T1-ABM-50-S-B-SCB | 800 | ||||
| 追加工 コード | コンベヤ用スタンド追加 | 適用条件 | 指定例 | ||||||||||||||||||||||||||||||||||||||||||||||||||||||||||||||||||||||||||||||||||||||||||||||||||||||
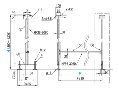
| NA□ | ■コンベヤスタンドI型 ベルト幅≦140mm (アジャスタボルトタイプ、スタンド□台+補強材) ![]() *1 D寸法対応表
| コンベヤにコンベヤ用スタンドを追加します。 〈指定方法〉: NA1-H750-PN WA3-H1200-P400 [ ! ]コンベヤ本体の溝サイズに合わせたボルト・ナットが付属します。 [ ! ]プーリ間機長L寸≧1000(GVシリーズはL寸≧1400)の場合、2本以上のスタンド取付を推奨しております。 [ ! ]コンベヤ用スタンド1台に図面一点鎖線部が(□-1)台追加された仕様です。 [ ! ]納期はコンベヤの標準納期と同一
■NA□・WA□取付寸法表
*取付箇所は下溝を想定した寸法
| [ ! ]□=1の場合、④アルミフレーム、⑤ブラケットは付属しません。 [ ! ]□=1の場合自立しません。[ ! ]□≧2の場合に④アルミフレームが不要の場合は本追加工ではなく、単品のCSTS、CSTWをご注文ください。 [ ! ]スタンドは部品を分割して発送いたします。お客様にて組立が必要です。 [ NG ]GVシリーズの場合、NA3、NA4、WA3、WA4は適用不可 | GVHA2-120-1350-25- T1-ABM-50-S-B-NA1-H800-PN | |||||||||||||||||||||||||||||||||||||||||||||||||||||||||||||||||||||||||||||||||||||||||||||||||||||
| WA□ | ■コンベヤスタンドH型 ベルト幅≧150mm (アジャスタボルトタイプ、スタンド□台+補強材) ![]() | GVHA2-150-1350-25- T1-ABM-50-S-B-WA2-H800-P500 | |||||||||||||||||||||||||||||||||||||||||||||||||||||||||||||||||||||||||||||||||||||||||||||||||||||||
| \/1Code | |||||||||||||||||||||||||||||||||||||||||||||||||||||||||||||||||||||||||||||||||||||||||||||||||||||||||
スタンド合計金額は(基準単価+追加スタンド価格x(□-1)となります。
コンベヤ用スタンドI型(NA□)
コンベヤ用スタンドH型(WA□)
| |||||||||||||||||||||||||||||||||||||||||||||||||||||||||||||||||||||||||||||||||||||||||||||||||||||||||
| 型式 | B | ¥本体価格 1〜9コ | |||||||||||||||||
| L240〜300 | L305〜400 | L405〜500 | L505〜600 | L605〜700 | L705〜800 | L805〜900 | L905〜1000 | L1005〜1100 | L1105〜1200 | L1205〜1300 | L1305〜1400 | L1405〜1500 | L1505〜1600 | L1605〜1700 | L1705〜1800 | L1805〜1900 | L1905〜2000 | ||
| GVHA2 | 30~50 | 107,100 | 107,500 | 107,900 | 108,000 | 108,500 | 109,000 | 109,500 | 110,100 | 110,800 | 111,300 | 111,700 | 112,200 | 112,700 | 113,200 | 113,700 | 114,200 | 114,700 | 115,300 |
| 60~100 | − | 113,200 | 113,700 | 114,000 | 114,600 | 115,200 | 115,900 | 116,700 | 117,500 | 118,100 | 118,600 | 119,200 | 119,800 | 120,400 | 121,100 | 121,700 | 122,400 | 123,100 | |
| 110~150 | − | − | − | 120,200 | 121,000 | 122,000 | 122,900 | 123,900 | 125,100 | 125,900 | 126,700 | 127,600 | 128,400 | 129,300 | 130,200 | 131,100 | 132,100 | 133,000 | |
| 160~200 | − | − | − | − | 125,300 | 126,200 | 127,300 | 128,400 | 129,600 | 130,400 | 131,300 | 132,200 | 133,100 | 134,100 | 135,000 | 136,000 | 137,000 | 138,100 | |
| 210~250 | − | − | − | − | − | − | 135,700 | 137,100 | 138,700 | 139,800 | 141,000 | 142,200 | 143,500 | 144,700 | 146,000 | 147,300 | 148,600 | 150,000 | |
| 260~300 | − | − | − | − | − | − | − | 143,400 | 145,400 | 146,600 | 147,900 | 149,200 | 150,600 | 151,900 | 153,300 | 154,700 | 156,200 | 157,600 | |
| モータ・ベルト 仕様価格 | R(モータ・ギヤヘッドなし) | J(ベルトなし) |
| 本体価格-¥33,000 | 本体価格-¥4,000 |
| 8 | 日目出荷 |
| 商品名 | GVシリーズ/ACブラシレスモータ搭載 -ヘッド駆動2溝フレーム(プーリ径30mm)- | GVシリーズ フルベルトタイプ ヘッド駆動2溝フレーム(プーリ径30mm) | SVシリーズ/ACブラシレスモータ搭載 -ヘッド駆動2溝フレーム(プーリ径30mm)- | GVシリーズ フルベルトタイプ/ACブラシレスモータ搭載 -ヘッド駆動2溝フレーム(プーリ径30mm)- | SVシリーズ 蛇行抑制桟付ヘッド駆動2溝フレーム φ30 | SVシリーズ ヘッド駆動2溝フレーム(プーリ径30mm) |
|---|---|---|---|---|---|---|
| 写真 |
| |||||
| 駆動種類 | ヘッド駆動 | ヘッド駆動 | ヘッド駆動 | ヘッド駆動 | ヘッド駆動 | ヘッド駆動 |
| 最大搬送重量(kg) | 15 | 15 | 15 | 15 | 15 | 15 |
■選定ガイド
・選定手順などの選定方法は こちら
■モータ詳細
・モータ仕様・結線図は こちら
■オプション部品
・スタンド・ガイド・ホッパなどのオプション部品は こちら
■コンベヤ総合情報
・商品情報、技術情報などコンベヤ全般については こちら
| 型番 |
|---|
通常単価(税別)
(税込単価) | 通常出荷日 |
|---|
- ( - ) | 17日目 |
- ( - ) | 13日目 |
- ( - ) | 17日目 |
- ( - ) | 11日目 |
- ( - ) | 17日目 |
- ( - ) | 13日目 |
- ( - ) | 17日目 |
- ( - ) | 11日目 |
- ( - ) | 17日目 |
- ( - ) | 13日目 |
- ( - ) | 17日目 |
- ( - ) | 11日目 |
通常価格、通常出荷日が表示と異なる場合がございます

ミスミ
平ベルトコンベヤ 【SVシリーズ】 中間駆動2溝フレーム Φ30
3.6
ミスミ
平ベルトコンベヤ 【GVシリーズ】 フルベルトタイプ ヘッド駆動2溝フレーム(プーリ径30mm)
4.5
ミスミ
平ベルトコンベヤ 【SVシリーズ】 ヘッド駆動2溝フレーム(プーリ径30mm)
4.7
ミスミ
平ベルトコンベヤ SVシリーズ 蛇行抑制桟付ヘッド駆動2溝フレーム Φ30
4.5
ミスミ
タイミングベルトコンベヤ【GVシリーズ】 2列中間駆動2溝フレーム(プーリ径30mm)
4.3
ミスミ
タイミングベルトコンベヤ【GVシリーズ】 単列中間駆動2溝フレーム(プーリ径30mm)
4.5
ミスミ
タイミングベルトコンベヤ 【GVシリーズ】 2列ヘッド駆動2溝フレーム(プーリ径30mm)
4.3
ミスミ
平ベルトコンベヤ【SVシリーズ】蛇行抑制桟付中間駆動2溝フレーム Φ30
2.8
ミスミ
平ベルトコンベヤ【GVシリーズ】 ヘッド駆動2溝フレーム(プーリ径30mm)
5