メカニカル部品技術窓口
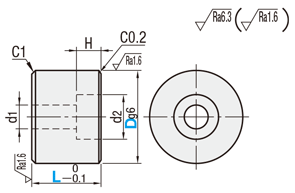
【特長】開閉チャックの取り付けに使用する位置決めピンザグリタイプです。
●ザグリタイプ

| [ M ]材質 | [ S ]表面処理 | Type |
| ザグリタイプ | ||
| S45C相当 | 無電解ニッケルメッキ | IPZA |
| SUS304 | − | SIPZA |
| 型式 | − | D | − | L |
| IPZA4 | − | D17.0 | − | L7.0 |
| 型式 | 指定0.1mm単位 | d1 | d2 | H | ||
| Type | No. | D | L | |||
| IPZA SIPZA | 3 | 10.0〜15.0 | 5.0〜30.0 | 3.5 | 6.5 | 3.5 |
| 4 | 10.0〜32.0 | 6.0〜30.0 | 4.5 | 8 | 4.5 | |
| 5 | 12.0〜32.0 | 7.0〜30.0 | 5.5 | 9.5 | 5.5 | |
| 型番 |
|---|
【特長】開閉チャックの取り付けに使用する位置決めピンザグリタイプです。
| 型式 | ¥基準単価 | ||
| Type | No. | IPZA | SIPZA |
| IPZA SIPZA | 3 | 1,440 | 1,940 |
| 4 | 1,640 | 2,220 | |
| 5 | 1,900 | 2,560 | |
| 数量区分 | 標準対応 | 個別対応 | |||
| 小口 | 大口 | ||||
| 数 量 | 1〜19 | 20〜34 | 35〜49 | 50〜100 | 101~ |
| 値引率 | 基準単価 | 5% | 10% | 23% | お見積り |
| 出荷日 | 通常 | ||||




通常価格、通常出荷日が表示と異なる場合がございます
通常価格、通常出荷日が表示と異なる場合がございます

ミスミ
位置決めピン 大頭テーパタイプ -圧入-
4.8通常価格(税別):340円~

ミスミ
位置決めピン 高耐食ステンレス(55・35HRC~/SUS316L)大頭テーパ 圧入
4.7
ミスミ
位置決めピン 先端形状選択タイプ -おねじ-
4.5
ミスミ
位置決めピン 大頭フラットタイプ -圧入-
4.6通常価格(税別):300円~

ミスミ
マーカーピン 六角穴付タイプ
4.4
ミスミ
位置決めピン 先端形状選択タイプ -めねじ(大頭/ストレート)-
4.6
ミスミ
位置決めピン 高耐食ステンレス(55・35HRC~/SUS316L)R/テーパ/テーパR 全ねじ
4.4
ミスミ
位置決めピン 大頭テーパタイプ-テーパ角度指定・公差選択・圧入-
4.4
ミスミ
小径位置決めピン ストレートタイプ
4.7通常価格(税別):300円~