メカニカル部品技術窓口

●ザグリタイプ

| Type | [ M ]材質 | [ S ]表面処理 | 洗浄方法 | |||
| 洗浄方法 | 洗浄環境 | 梱包形態 | 梱包環境 | |||
| SL-SIPZA | SUS304 | - | 脱脂洗浄 | 一般環境 | 防錆梱包 | 一般環境 |
| SH-SIPZA | 精密洗浄 | クラス1000 | 脱気2重梱包 | クラス10 | ||
| SHD-SIPZA | 電解研磨+精密洗浄 | |||||
| SL-IPZA | S45C相当 | 無電解ニッケルメッキ | 脱脂洗浄 | 一般環境 | 防錆梱包 | 一般環境 |
| SH-IPZA | 精密洗浄 | クラス1000 | 脱気2重梱包 | クラス10 | ||
詳細図を記載しておりますので、ご確認ください。| 型式 | − | D | − | L |
| SL-SIPZA4 | − | D17.0 | − | L7.0 |
| SH-SIPZA3 | − | D13.0 | − | L6.0 |
| SHD-SIPZA5 | − | D20.0 | − | L10.0 |
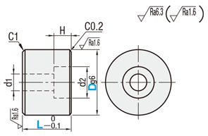
| 型式 | 指定0.1mm単位 | d1 | d2 | H | ||
| Type | No. | D | L | |||
| SL-SIPZA SH-SIPZA SHD-SIPZA SL-IPZA SH-IPZA | 3 | 10.0〜15.0 | 5.0〜30.0 | 3.5 | 6.5 | 3.5 |
| 4 | 10.0〜32.0 | 6.0〜30.0 | 4.5 | 8 | 4.5 | |
| 5 | 12.0〜32.0 | 7.0〜30.0 | 5.5 | 9.5 | 5.5 | |
洗浄工程| ※材質がステンレスの場合、アルカリ系温水洗浄となることがあります。 | |
| ・脱脂洗浄(型式:SL-□□) | ※表面処理が低温黒色クロムメッキの場合、IPA洗浄となります。 |
作業環境:一般環境 | ||||||
|---|---|---|---|---|---|---|
![]() 炭化水素系洗浄※ Ro水洗浄 中性洗剤洗浄 | ![]() | ![]() 高圧ジェット水洗(Ro水) 後に純水(10MΩ・cm)で 洗浄 | ![]() | ![]() エアブロー(オイルフリー) 使用 | ![]() | ![]() 防錆袋使用 |
| ・精密洗浄(型式:SH-□□) | ※表面処理が低温黒色クロムメッキの場合、IPA洗浄となります。 |
作業環境:クラス1000 | 作業環境:クラス10 | |||||||
|---|---|---|---|---|---|---|---|---|
![]() 炭化水素系洗浄※ Ro水洗浄 中性洗剤洗浄 | ![]() | ![]() 高圧ジェット水洗(Ro水) 後に純水(10MΩ・cm)で 洗浄 | ![]() | ![]() 温純水(13MΩ・cm)使用 | ![]() | ![]() 窒素ブロー使用 | ![]() | ![]() クリーンベンチ(クラス10) で実施 |
作業環境:クラス1000 | 作業環境:クラス10 | |||||||||
|---|---|---|---|---|---|---|---|---|---|---|
![]() 炭化水素系洗浄 Ro水洗浄 中性洗剤洗浄 | ![]() | ![]() 材質に応じた電解研磨槽 で電解研磨 | ![]() | ![]() 高圧ジェット水洗(Ro水) 後に純水(10MΩ・cm)で 洗浄 | ![]() | ![]() 温純水(13MΩ・cm)使用 | ![]() | ![]() 窒素ブロー使用 | ![]() | ![]() クリーンベンチ(クラス10) で実施 |
梱包例| 脱脂洗浄の場合 (TYPE型番:SL-□□) | 精密洗浄または電解研磨+精密洗浄の場合 | |
| (TYPE型番:SH-□□・SHD-□□) | ||
| オーステナイト系ステンレス・アルミ材質の場合 | 鉄・マルテンサイト系ステンレス材質の場合 | |
![]() | ![]() | ![]() |
| 一部商品・サイズによっては、 梱包形態が異なる場合がございます。 | [ ! ]1重目・2重目の梱包とも、脱気されております。 | [ ! ]防錆対策として乾燥剤を同封しております。 1梱包につき1つになります。 |
洗浄効果・利用推奨環境| 洗浄方法 | 商品型番 | 梱包形態 | 未洗浄品と比べた効果 | ご利用環境(目安) | 利用シーン・工程 |
|---|---|---|---|---|---|
| 脱脂洗浄 | SL-□□ | 防錆梱包 | 油分除去 | 一般環境 | 通常組立工程 |
| バッテリー組立後工程 | |||||
| 精密洗浄 | SH-□□ | 脱気2重梱包 | 油分除去 粉塵除去 | クリーン環境(クラス10~1,000) | バッテリー組立工程 |
| 液晶関連組立後工程 | |||||
| 車載カメラ組立工程 | |||||
| 電解研磨+精密洗浄 | SHD-□□ | 脱気2重梱包 | 油分除去 粉塵除去 アウトガス低減 | 真空環境 クリーン環境(クラス10~1,000) | 半導体前工程 |
| 液晶成膜工程 | |||||
| 有機EL前工程 |
| 型番 |
|---|
通常単価(税別)
(税込単価) | 通常出荷日 |
|---|
- ( - ) | 5日目 |
- ( - ) | 5日目 |
- ( - ) | 5日目 |
- ( - ) | 5日目 |
- ( - ) | 5日目 |
- ( - ) | 5日目 |
- ( - ) | 5日目 |
- ( - ) | 5日目 |
- ( - ) | 5日目 |
- ( - ) | 5日目 |
- ( - ) | 5日目 |
- ( - ) | 5日目 |
- ( - ) | 5日目 |
- ( - ) | 5日目 |
- ( - ) | 5日目 |
| ・脱脂洗浄(防錆1重梱包) | :型番SL-□□ |
| ・精密洗浄(脱気2重梱包) | :型番SH-□□ |
| ・電解研磨+精密洗浄(脱気2重梱包) | :型番SHD-□□ |
| 商品型番 | 洗浄方法 | 梱包形態 | 未洗浄品と比べた効果 | ご利用環境(目安) | 工程別 |
| SL-□□ | 脱脂洗浄 | 防錆梱包 | 油分除去 | 一般環境 | 通常組立工程 |
| バッテリー組立後工程 | |||||
| SH-□□ | 精密洗浄 | 脱気2重梱包 | 油分除去 粉塵除去 | クリーン環境(クラス10~1,000) | バッテリー組立工程 |
| 液晶関連組立後工程 | |||||
| 車載カメラ組立工程 | |||||
| SHD-□□ | 電解研磨+精密洗浄 | 脱気2重梱包 | 油分除去 粉塵除去 アウトガス低減 | 真空環境 クリーン環境(クラス10~1,000) | 半導体前工程 |
| 液晶成膜工程 | |||||
| 有機EL前工程 |
【特長】開閉チャックの取り付けに使用する位置決めピンザグリタイプです。
| No. | ¥基準単価 | ||||
| SL-SIPZA | SH-SIPZA | SHD-SIPZA | SL-IPZA | SH-IPZA | |
| 3 | 2,740 | 3,140 | 3,380 | 2,290 | 2,690 |
| 4 | 3,020 | 3,420 | 3,660 | 2,490 | 2,890 |
| 5 | 3,360 | 3,760 | 4,000 | 2,760 | 3,160 |
| 数量区分 | 標準対応 | 個別対応 | |||
| 小口 | 大口 | ||||
| 数 量 | 1〜19 | 20〜34 | 35〜49 | 50〜100 | 101~ |
| 値引率 | 基準単価 | 5% | 10% | 23% | お見積り |
| 出荷日 | 通常 | ||||
通常価格、通常出荷日が表示と異なる場合がございます
通常価格、通常出荷日が表示と異なる場合がございます

ミスミ
位置決めピン 大頭テーパタイプ -圧入-
4.8通常価格(税別):340円~

ミスミ
位置決めピン 高耐食ステンレス(55・35HRC~/SUS316L)大頭テーパ 圧入
4.7
ミスミ
位置決めピン 先端形状選択タイプ -おねじ-
4.5
ミスミ
位置決めピン 先端形状選択タイプ -めねじ(大頭/ストレート)-
4.6
ミスミ
位置決めピン 大頭フラットタイプ -圧入-
4.6通常価格(税別):300円~

ミスミ
位置決めピン 高耐食ステンレス(55・35HRC~/SUS316L)R/テーパ/テーパR 全ねじ
4.4
ミスミ
マーカーピン 六角穴付タイプ
4.4
ミスミ
位置決めピン 大頭テーパタイプ-テーパ角度指定・公差選択・圧入-
4.4
ミスミ
位置決めピン 先端形状選択タイプ -全ねじ-
4.4