メカニカル部品技術窓口
ミスミ品のみ対象
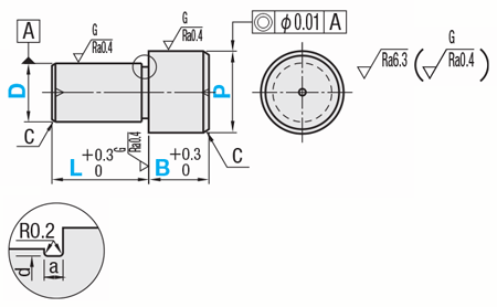
大頭フラットタイプの各部寸法に加え、両端部公差もご指定いただけます。
D<3の場合
a=0.5
d=D-0.1
[ ! ]逃げ部寸法は参考値になります。
D≧3の場合
a=1.0
d=D-0.2

| 材質 No. | [ M ]材質 | [ S ]表面処理 | [ H ]硬度 | Type |
| 圧入 | ||||
| ① | SKS3相当 | − | 焼入硬度 60〜63HRC | KFFA |
| ② | SKS3相当 | 硬質クロムメッキ | 焼入硬度 50〜55HRC メッキ硬度 750HV〜 | GKFFA |
| ③ | SKS3相当 | − | − | BKFFA |
| ④ | SUS304 | − | − | SKFFA |
| ⑤ | SUS440Cまたは 13Crステンレス | − | 焼入硬度 50〜55HRC | CKFFA |
| 型式 | − | P | − | L | − | B | ||||||
| Type | D公差 | P公差 | D | |||||||||
| KFFA | M | S | 6 | − | P8.00 | − | L8 | − | B6.0 | |||
| D 又は P | 並級 | 精級 | |||||
| M | P | G | H | S | A | B | |
| m6 | p6 | g6 | h7 | − | − | − | |
| 1.00 〜 3.00 | +0.008 +0.002 | +0.012 +0.006 | −0.002 −0.008 | 0 −0.010 | 0 −0.01 | +0.005 0 | 0 −0.005 |
| 3.01 〜 6.00 | +0.012 +0.004 | +0.020 +0.012 | −0.004 −0.012 | 0 −0.012 | |||
| 6.01 〜 10.00 | +0.015 +0.006 | +0.024 +0.015 | −0.005 −0.014 | 0 −0.015 | |||
| 10.01 〜 18.00 | +0.018 +0.007 | +0.029 +0.018 | −0.006 −0.017 | 0 −0.018 | |||
| 18.01 〜 30.00 | +0.021 +0.008 | +0.035 +0.022 | −0.007 −0.020 | 0 −0.021 | |||
| 型式 | P 指定0.01mm単位 | L 指定1mm単位 | B 指定0.1mm単位 | C | |||
| Type | D公差 選択 | P公差 選択 | D | ||||
| KFFA GKFFA* BKFFA SKFFA CKFFA | M P G H *A *B | S M P G H *A *B | 1 | 1.50〜3.00 | 2・3 | 2.0〜5.0 | 0.1 |
| 2 | 2.50〜6.00 | 2〜6 | 2.0〜15.0 | 0.5 | |||
| 3 | 3.50〜8.00 | 3〜10 | 2.0〜15.0 | 1 | |||
| 4 | 4.50〜8.00 | 3(4)〜14 | 2.0〜15.0 | 1 | |||
| 5 | 5.50〜10.00 | 5〜15 | 2.0〜15.0 | 1 | |||
| 6 | 6.50〜10.00 | 5〜15 | 2.0〜30.0 | 1 | |||
| 8 | 8.50〜15.00 | 5〜16 | 2.0〜30.0 | 1.5 | |||
| 10 | 11.00〜17.00 | 5〜20 | 3.0〜30.0 | 2 | |||
| 12 | 13.00〜18.00 | 6〜24 | 3.0〜30.0 | 2 | |||
| 13 | 14.00〜20.00 | 7〜26 | 5.0〜30.0 | 2 | |||
| 16 | 17.00〜27.00 | 8〜32 | 5.0〜35.0 | 3 | |||
| 20 | 22.00〜30.00 | 10〜40 | 5.0〜40.0 | 3 | |||
| 5 | 日目出荷 |
| 追加工 コード | 追加工内容 | 適用条件 | 指定例 | \/1Code | ||||||
| GDC | 導入部加工を追加![]() | [ NG ]D≦2適用不可 [ NG ]おねじは適用不可
| KFFAMM6-P8.0-L8- B6.0-GDC | 200 | ||||||
| AC | エアーベント(エアー抜き溝)加工を 追加 ![]() | [ NG ]おねじは適用不可 | KFFAMM6-P8.0-L8- B6.0-AC | 200 | ||||||
| CN | C面取りサイズ変更![]() | P寸部C面取りをC0.5以下にします。 [ ! ]圧入D≧3 おねじD≧4に適用 [ NG ]D寸部には適用しません。 | KFFAMM6-P8.0-L8- B6.0-CN | 無料 | ||||||
| RC | 首下R加工を追加![]() | 首下の逃げをR0.5に変更します [ ! ]P-D≧2の場合に適用 | KFFAMM6-P8.0-L8- B6.0-RC | 300 |
| 型番 |
|---|
通常単価(税別)
(税込単価) | 通常出荷日 |
|---|
- ( - ) | 2日目 |
- ( - ) | 2日目 |
- ( - ) | 2日目 |
- ( - ) | 2日目 |
- ( - ) | 2日目 |
- ( - ) | 2日目 |
- ( - ) | 2日目 |
- ( - ) | 2日目 |
- ( - ) | 2日目 |
- ( - ) | 2日目 |
- ( - ) | 2日目 |
- ( - ) | 2日目 |
- ( - ) | 2日目 |
- ( - ) | 2日目 |
- ( - ) | 2日目 |
- ( - ) | 2日目 |
- ( - ) | 2日目 |
- ( - ) | 2日目 |
- ( - ) | 2日目 |
- ( - ) | 2日目 |
- ( - ) | 2日目 |
- ( - ) | 2日目 |
- ( - ) | 2日目 |
- ( - ) | 2日目 |
- ( - ) | 2日目 |
- ( - ) | 2日目 |
- ( - ) | 2日目 |
- ( - ) | 2日目 |
- ( - ) | 2日目 |
- ( - ) | 2日目 |
- ( - ) | 2日目 |
- ( - ) | 2日目 |
- ( - ) | 2日目 |
- ( - ) | 2日目 |
- ( - ) | 2日目 |
- ( - ) | 2日目 |
- ( - ) | 2日目 |
- ( - ) | 2日目 |
- ( - ) | 2日目 |
- ( - ) | 2日目 |
- ( - ) | 2日目 |
- ( - ) | 2日目 |
- ( - ) | 2日目 |
- ( - ) | 2日目 |
- ( - ) | 2日目 |
- ( - ) | 2日目 |
- ( - ) | 2日目 |
- ( - ) | 2日目 |
- ( - ) | 2日目 |
- ( - ) | 2日目 |
- ( - ) | 2日目 |
- ( - ) | 2日目 |
- ( - ) | 2日目 |
- ( - ) | 2日目 |
- ( - ) | 2日目 |
- ( - ) | 2日目 |
- ( - ) | 2日目 |
- ( - ) | 2日目 |
- ( - ) | 2日目 |
- ( - ) | 2日目 |
大頭フラットタイプの各部寸法に加え、両端部公差もご指定いただけます。
| 型式 | ¥基準単価 並級 | |||||||
| Type | D公差 選択 | P公差 選択 | D | ① KFFA | ② GKFFA | ③ BKFFA | ④ SKFFA | ⑤ CKFFA |
| KFFA GKFFA BKFFA SKFFA CKFFA | M P G H A B | S M P G H A B | 1 | 2,500 | 3,370 | 2,260 | 3,750 | 4,120 |
| 2 | 960 | 1,280 | 860 | 1,430 | 1,580 | |||
| 3 | 1,020 | 1,370 | 920 | 1,520 | 1,680 | |||
| 4 | 1,110 | 1,500 | 1,010 | 1,670 | 1,830 | |||
| 5 | 1,220 | 1,640 | 1,100 | 1,830 | 2,010 | |||
| 6 | 1,270 | 1,710 | 1,140 | 1,900 | 2,090 | |||
| 8 | 1,340 | 1,810 | 1,220 | 2,020 | 2,220 | |||
| 10 | 1,400 | 1,880 | 1,260 | 2,090 | 2,300 | |||
| 12 | 1,470 | 1,980 | 1,320 | 2,210 | 2,430 | |||
| 13 | 1,530 | 2,070 | 1,390 | 2,300 | 2,520 | |||
| 16 | 2,040 | 2,740 | 1,840 | 3,060 | 3,360 | |||
| 20 | 2,580 | 3,490 | 2,330 | 3,870 | 4,250 | |||
| 数量区分 | 標準対応 | 個別対応 | ||||
| 小口 | 大口 | 大口 | ||||
| 数 量 | 1~19 | 20〜34 | 35〜49 | 50〜100 | 101~300 | 301~ |
| 値引率 | 基準単価 | 5% | 10% | 18% | 23% | お見積り |
| 出荷日 | 通常 | +7日 | ||||
| 数量区分 | 標準対応 | 個別対応 | |||||
| 小口 | 大口 | 大口 | |||||
| 数 量 | 1~19 | 20~34 | 35~49 | 50~100 | 101~300 | 301~500 | 501~ |
| 値引率 | 基準単価 | 5% | 10% | 18% | 40% | 55% | お見積り |
| 出荷日 | 通常 | +5日 | |||||



通常価格、通常出荷日が表示と異なる場合がございます
通常価格、通常出荷日が表示と異なる場合がございます

ミスミ
位置決めピン 大頭テーパタイプ -圧入-
4.8通常価格(税別):340円~

ミスミ
位置決めピン 高耐食ステンレス(55・35HRC~/SUS316L)大頭テーパ 圧入
4.7
ミスミ
位置決めピン 先端形状選択タイプ -おねじ-
4.5
ミスミ
位置決めピン 大頭フラットタイプ -圧入-
4.6通常価格(税別):300円~

ミスミ
マーカーピン 六角穴付タイプ
4.4
ミスミ
位置決めピン 先端形状選択タイプ -めねじ(大頭/ストレート)-
4.6
ミスミ
位置決めピン 高耐食ステンレス(55・35HRC~/SUS316L)R/テーパ/テーパR 全ねじ
4.4
ミスミ
位置決めピン 大頭テーパタイプ-テーパ角度指定・公差選択・圧入-
4.4
ミスミ
小径位置決めピン ストレートタイプ
4.7通常価格(税別):300円~