メカニカル部品技術窓口
ミスミ品のみ対象
リニアガイド利用の摺動性に優れた汎用スライダ。作業頻度の高い場所に最適!New!!! FAカメラ位置調...
詳細を確認JGL150![]() | クランプ部分拡大図 (正面より)![]() プランジャ先端のボールが、ボールボタンの 凹みに乗り上げることでテーブルが固定されます 取付穴寸法 (共通) ![]() ストローク調整方法
[ ! ]JGL25のみストッパ部品の取付穴位置の 組み合わせでストロークの変更が可能です。 | |||||||||||||||||||||||
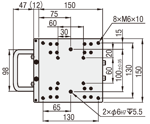
JGL250![]() | ||||||||||||||||||||||||
| 本体 | [ M ]材質 | [ S ]表面処理 |
| テーブル | アルミ合金 | 白アルマイト |
| ベースプレート | ||
| ハンドル | ||
| ハンドルブラケット | ||
| リニアガイド | ステンレス鋼[SUS440C相当] | − |
| ストッパブロック | S45C | 無電解ニッケルメッキ |
| 型式 |
| JGL250 |
| 型式 | ストローク (mm) | テーブル サイズ (mm) | ベース長さ (mm) | (参考値) 必要推力 (N) | (参考値) プランジャ 保持力(N) | 耐荷重(kN) | 自重 (kg) | ¥基準単価 | |
| Type | No. | ||||||||
| JGL | 150 | 150 | 150×150 | 345 | 2 | 23 | 4.5 | 2.8 | 30,980 |
| 250 | 150・200・250 | 150×150 | 445 | 2 | 23 | 4.5 | 3.4 | 35,180 | |



通常価格、通常出荷日が表示と異なる場合がございます
通常価格、通常出荷日が表示と異なる場合がございます

ミスミ
【簡易調整】X軸 送りねじ式 スタンダードタイプ
4.5通常価格(税別):4,990円~

ミスミ
【簡易調整】X軸 送りねじ式 側面クランプユニット
4通常価格(税別):4,490円

ミスミ
【簡易調整】X軸 押しねじ式 スタンダードタイプ
4.5通常価格(税別):4,590円~

ミスミ
【簡易調整】X軸 送りねじ式 ストローク選択タイプ シャフトスライド
4.7
ミスミ
【簡易調整】X軸 重荷重シャフトガイドユニット
4.6通常価格(税別):24,080円~

ミスミ
【簡易調整】X軸 送りねじ式 キーガイドユニット
4通常価格(税別):5,530円~

ミスミ
【簡易調整】X軸 左右ねじ式 開閉幅調整ユニット
4通常価格(税別):21,190円~

ミスミ
【簡易調整】X軸 ラック&ピニオン式 スタンダードタイプ 並級/精級
5通常価格(税別):5,890円~

ミスミ
【簡易調整】X軸 送りねじ式 コンパクトタイプ
5通常価格(税別):3,430円