メカニカル部品技術窓口
ミスミ品のみ対象
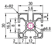
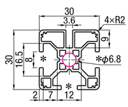
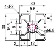
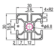
| ■3mmパネル用 | ■5mmパネル用 | |||||
| HFFS6−3030 | HFFH6−3030 | HFVS6−3030 | HFVH6−3030 | |||
| HFFSY6−3030(黄色) | HFFHY6−3030(黄色) | HFVSY6−3030(黄色) | HFVHY6−3030(黄色) | |||
![]() | ![]() | ![]() | ![]() | |||
| *部の溝形状はHFSシリーズと共通です。 [ ! ]3.6mm、5.6mmの溝用にパネルのがたつきを抑えるための専用部品はご用意がございません。 [ ! ]フェンスネットを使用する際は、溝幅3.6の安全柵フレームを選択し、フェンスのピッチは30または50をお選びください。フェンスネットの詳細は(>>こちら) | ||||||
| Type | [ M ] 材質 | [ S ] 表面処理 |
| HFFS HFFH HFVS HFVH | A6063S−T5 | アルマイト処理 (白アルマイト) |
| HFFSY HFFHY HFVSY HFVHY | 焼付塗装(黄色) |
| 型式 | − | L |
| HFFS6−3030 | − | 800 |
| 型式 | L 指定0.5mm単位(公差±0.5) | 質量 kg/m | 断面積 mm2 | 断面2次モ−メントmm4 | ¥基準単価 300mm未満 | ¥基準単価/m 300mm以上 | |
| ℓx | ℓy | ||||||
| HFFS6−3030 | 50〜4000 | 0.70 | 259 | 2.35×104 | 2.28×104 | 200 | 690 |
| HFFSY6−3030(黄色) | 300 | 1,010 | |||||
| HFFH6−3030 | 0.69 | 254 | 2.29×104 | 2.14×104 | 210 | 720 | |
| HFFHY6−3030(黄色) | 310 | 1,050 | |||||
| HFVS6−3030 | 257 | 2.31×104 | 2.29×104 | 210 | 700 | ||
| HFVSY6−3030(黄色) | 323 | 1,080 | |||||
| HFVH6−3030 | 0.68 | 250 | 2.21×104 | 2.16×104 | 220 | 730 | |
| HFVHY6−3030(黄色) | 328 | 1,090 | |||||
| 型式 | - | L | - | 追加工1 | - | 追加工2 | - | 追加工3 |
| HFFS6-3030 | - | 800 | - | XA15 | - | XB100 | - | XC185 |
| Alterations | 左端面にタップ | 両端面にタップ | 指定位置ザグリ穴加工 | ||||||||||||
| Code | LTP | TPW | XA XB XC XD XE XF XG XH XI XJ | ||||||||||||
| Spec. | フレームの左端面にタップを 行います。 ![]() <タップ形状> HFFS6−3030, HFFH6−3030 HFFSY6−3030, HFFHY6−3030 ⇒M8深さ24 | フレームの両端面にタップを 行います。 ![]() <タップ形状> HFFS6−3030, HFFH6−3030 HFFSY6−3030, HFFHY6−3030 ⇒M8深さ24 | ご指定の位置にザグリ穴加工を行います。(左端面よりの距離) 最大で10カ所までザグリ穴をあけることができます。 (指定0.5mm単位) ザグリ穴の方向と穴寸法は、下図の通りとなります。 注文例①HFFS6−3030−230−XA15−XB100−XC185 | ![]() | |||||||||||
| |||||||||||||||
| ¥/1Code | HF□□6 HF□□Y6 | 180 | 360 | 250 (1カ所あたり) | |||||||||||
| フェンスネット | フレームキャップ | 安全柵フレーム | ||
| カテゴリページ | パンチングメタル・フェンス・ネット | フレームキャップ | 安全柵フレーム | |
| 代表商品 | フェンスネット -溶接タイプ- | 6シリーズ(溝幅8mm) アルミフレーム用フレームキャップ ボルト止めタイプ | 安全柵フレーム3030 Nシリーズ | 安全柵フレーム2540 Nシリーズ |
| 画像 | ![]() | ![]() | ![]() | ![]() |
Hシリーズ・Nシリーズ 価格・質量比較 | |||||||
Hシリーズ | Nシリーズ | ||||||
30角 | 40角 | 30角 | 40角 | ||||
出荷形態 | 未組立品/組立品 | 組立品 | |||||
価格(参考) | 未組立品 | 13,589 円 | 15,421 円 | ||||
組立品 | 16,715 円 | 18,351 円 | 10,750 円 | 12,430 円 | |||
柱フレーム | 断面 | ![]() | ![]() | ![]() | ![]() | ||
質量 kg/m | 0.70 | 1.08 | 0.64 | 0.95 | |||
断面2次モーメント lx mm4 | 2.35×104 | 5.94×104 | 2.15×104 | 5.42×104 | |||
断面2次モーメント ly mm4 | 2.28×104 | 5.99×104 | 2.09×104 | 5.41×104 | |||
梁フレーム | 断面 | ![]() | ![]() | ![]() | |||
質量 kg/m | 0.69 | 1.02 | 0.69 | ||||
断面2次モーメント lx mm4 | 2.29×104 | 5.59×104 | 4.05×104 | ||||
断面2次モーメント ly mm4 | 2.14×104 | 5.57×104 | 1.67×104, 1.64×104, 1.66×104 | ||||
<Hシリーズ・Nシリーズ締結方法比較>
| Nシリーズ ![]() |
■フェンスネット 突起部処理の違い
中材フェンスネットをご指定いただいた場合、Hシリーズ安全柵では、組立の都合上フェンスネットの突起部の一部をカットした状態での出荷となります。


フレーム / キャップ / 溝カバー
ブラケット / ジョイント / ナット
パネル / フェンスネット
安全柵ユニット
取手 / 蝶番 / 錠
キャスタ / アジャスタ / アンカー
アルミフレームユニット
他アクセサリ
設計手順 / 強度計算 / 組立方法
アルミフレームとは
| 型番 |
|---|
通常単価(税別)
(税込単価) | 通常出荷日 |
|---|
- ( - ) | 1日目 |
- ( - ) | 1日目 |
- ( - ) | 1日目 |
- ( - ) | 1日目 |
- ( - ) | 1日目 |
- ( - ) | 1日目 |
- ( - ) | 1日目 |
- ( - ) | 1日目 |
安全柵用アルミフレームです。フェンスネット専用溝以外は、他のアルミフレームシリーズと同様の溝形状になります。
| 1 | 日目出荷 |
| ご注文締切 | |||||
| 急 | ストークT | 当日出荷 | 無料 | 正午迄 >>P128 | |
| 数量区分 | 標準対応 | 個別対応 |
| 小口 | 大口 | |
| 数 量 | 1~50 | 51~ |
| 出荷日 | 通常 | お見積り |
通常価格、通常出荷日が表示と異なる場合がございます
通常価格、通常出荷日が表示と異なる場合がございます

ミスミ
安全柵フレーム 40角
4.5
ミスミ
安全柵フレーム 30角
4.6
ミスミ
安全柵フレーム3030 Nシリーズ
0
ミスミ
安全柵フレーム4040 Nシリーズ
0
ミスミ
安全柵フレーム2540 Nシリーズ
0
SUS(エスユーエス)
走行レールフレーム (カット品)
0
ミスミ
安全柵ユニット(上下同パネルタイプ)
4.2
ミスミ
安全柵ユニット(低ハイトタイプ)
4.4
ミスミ
Nシリーズ 安全柵ユニット(上下同パネルタイプ)
3