メカニカル部品技術窓口
ミスミ品のみ対象

| [ M ]材質 | [ S ]表面処理 | 型式 |
| S45C | 無電解ニッケルメッキ | CMPA |
| S45C | 四三酸化鉄皮膜 | BCMPA |
| SUS304 | − | SCMPA |
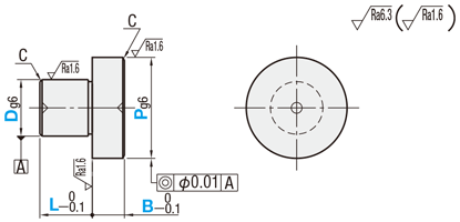
| 型式 | − | D | − | P | − | L | − | B |
| CMPA | − | D5.0 | − | P7.0 | − | L9.0 | − | B1.5 |
| 型式 | 指定0.1mm単位 | C | ¥基準単価 | |||||
| D | P | L | B | CMPA | BCMPA | SCMPA | ||
| CMPA BCMPA SCMPA | 2.0〜9.0 | 3.0〜10.0 | 5.0〜20.0 | 1.0〜20.0 | 0.2 | 2,590 | 2,260 | 2,660 |
| 9.0〜24.0 | 10.1〜25.0 | 1.5〜20.0 | 0.5 | 3,430 | 2,980 | 3,520 | ||
| 15.0〜39.0 | 25.1〜40.0 | 2.0〜20.0 | 1 | 3,890 | 3,380 | 3,990 | ||
| 5 | 日目出荷 |
| 追加工 コード | 追加工内容 | 適用条件 | 指定例 | \/1Code | ||||||||||||
| NTP | 抜きタップ加工を追加![]() | P寸部に抜きタップを追加します。 [ ! ]D≧6.0の場合に適用 [ ! ]L+B≦M×5の場合は、下穴が貫通することがあります。
| CMPA-D6.0-P7.0-L9.0-B1.5-NTP | 300 |
| 型番 |
|---|
【特長】薄物のセンター合わせをする時に適しています。【材質】S45C、SUS304からお選びいただけます。
| 数量区分 | 標準対応 | 個別対応 | |||
| 小口 | 大口 | ||||
| 数 量 | 1〜19 | 20〜34 | 35〜49 | 50〜100 | 101~ |
| 値引率 | 基準単価 | 5% | 10% | 23% | お見積り |
| 出荷日 | 通常 | ||||

薄物のセンター合わせをする時に適しています。



通常価格、通常出荷日が表示と異なる場合がございます
通常価格、通常出荷日が表示と異なる場合がございます

ミスミ
位置決めピン 大頭テーパタイプ -圧入-
4.8通常価格(税別):340円~

ミスミ
位置決めピン 高耐食ステンレス(55・35HRC~/SUS316L)大頭テーパ 圧入
4.7
ミスミ
位置決めピン 先端形状選択タイプ -おねじ-
4.5
ミスミ
位置決めピン 先端形状選択タイプ -めねじ(大頭/ストレート)-
4.6
ミスミ
位置決めピン 大頭フラットタイプ -圧入-
4.6通常価格(税別):300円~

ミスミ
位置決めピン 高耐食ステンレス(55・35HRC~/SUS316L)R/テーパ/テーパR 全ねじ
4.4
ミスミ
マーカーピン 六角穴付タイプ
4.4
ミスミ
位置決めピン 先端形状選択タイプ -全ねじ-
4.4
ミスミ
位置決めピン 高耐食ステンレス(55・35HRC~/SUS316L)大頭テーパ おねじ
4.5