メカニカル部品技術窓口
ミスミ品のみ対象
(丸)
(ダイヤ)


D(P)≧3の場合
a=1.0
d=D(P)-0.2
[ ! ]逃げ部寸法は参考値になります。
D(P)<3の場合
a=0.5
d=D(P)-0.1
| 材質 No. | [ M ]材質 | [ S ]表面処理 | [ H ]硬度 | P寸指定 | P・L・B寸指定 | ||
| 丸 | ダイヤ | 丸 | ダイヤ | ||||
| ① | SKS3相当 | − | 焼入硬度60〜63HRC | JPTNA | JPTND | FPTNA | FPTND |
| ② | SKS3相当 | 硬質クロムメッキ | 焼入硬度50〜55HRC メッキ硬度750HV〜 | GJPTNA | GJPTND | GFPTNA | GFPTND |
| 型式 | − | P | − | L | − | B |
| JPTNA8 | − | 6.05 | ||||
| FPTNA6 | − | P4.01 | − | L8 | − | B3.5 |
| 型式 | P | L | B | m | H | (W) | M | *締付トルク N・cm | ¥基準単価 丸形状 | ¥基準単価 ダイヤ形状 | ||||
| Type | D | D公差 g6 | 指定0.01mm単位 | (並目) | ①SKS3焼 JPTNA | ②SKS3硬質 GJPTNA | ①SKS3焼 JPTND | ②SKS3硬質 GJPTND | ||||||
| (丸) (ダイヤ) JPTNA JPTND GJPTNA GJPTND | 3 | -0.002 | 2.00~4.00 | 2 | 5 | 1 | 6 | 1 | M 3 | 98 | 850 | 1,140 | 1,100 | 1,480 |
| -0.008 | ||||||||||||||
| 4 | -0.004 -0.012 | 2.00~5.00 | 6 | 1.2 | M 4 | 225 | 930 | 1,250 | 1,210 | 1,630 | ||||
| 5 | 3.00~6.00 | 3 | 2 | 8 | 1.5 | M 5 | 461 | 1,000 | 1,350 | 1,300 | 1,750 | |||
| 6 | 4.00~7.00 | 8 | 1.8 | M 6 | 784 | 1,060 | 1,430 | 1,380 | 1,860 | |||||
| 8 | -0.005 | 5.00~9.00 | 5 | 3 | 11 | 2.2 | M 8 | 1911 | 1,120 | 1,510 | 1,450 | 1,950 | ||
| 10 | -0.014 | 7.00~11.00 | 10 | 13 | 3 | M10 | 3783 | 1,170 | 1,570 | 1,510 | 2,030 | |||
| 12 | -0.006 | 7.00~12.00 | 8 | 15 | 3.2 | M12 | 6605 | 1,270 | 1,710 | 1,650 | 2,220 | |||
| 16 | -0.017 | 13.00~16.00 | 4 | 19 | 4 | M16 | 16366 | 1,690 | 2,280 | 2,190 | 2,950 | |||
| 20 | -0.007 | 16.00~20.00 | 10 | 15 | 5 | 23 | 5.5 | M20 | 32928 | 2,150 | 2,900 | 2,770 | 3,730 | |
| -0.020 | ||||||||||||||
| 型式 | P 指定0.01mm単位 | L 指定1mm単位 | B 指定0.1mm単位 | m | H | (W) | M (並目) | *締付トルクN・cm | ¥基準単価 丸形状 | ¥基準単価 ダイヤ形状 | |||||
| Type | D | D公差 g6 | ①SKS3焼 FPTNA | ②SKS3硬質 GFPTNA | ①SKS3焼 FPTND | ②SKS3硬質 GFPTND | |||||||||
| (丸) FPTNA GFPTNA | (ダイヤ) FPTND GFPTND | 3 | −0.002 −0.008 | 2.00〜4.00 | 0〜6 | 2.0〜10.0 | 1 | 6 | 1 | M 3 | 98 | 980 | 1,250 | 1,370 | 1,840 |
| 4 | −0.004 −0.012 | 2.00〜5.00 | 0〜8 | 2.0〜10.0 | 1.2 | M 4 | 225 | 1,040 | 1,330 | 1,510 | 2,040 | ||||
| 5 | 3.00〜6.00 | 0〜10 | 2.0〜15.0(10.0) | 2 | 8 | 1.5 | M 5 | 461 | 1,140 | 1,470 | 1,600 | 2,150 | |||
| 6 | 4.00〜7.00 | 0〜10 | 2.0〜15.0 | 1.8 | M 6 | 784 | 1,260 | 1,620 | 1,700 | 2,290 | |||||
| 8 | −0.005 −0.014 | 5.00〜9.00 | 0〜10 | 2.0〜20.0(15.0) | 3 | 11 | 2.2 | M 8 | 1911 | 1,300 | 1,670 | 1,810 | 2,440 | ||
| 10 | 7.00〜11.00 | 0〜15 | 3.0〜30.0(25.0) | 13 | 3 | M10 | 3783 | 1,380 | 1,760 | 1,860 | 2,500 | ||||
| 12 | −0.006 −0.017 | 7.00〜12.00 | 0〜15 | 3.0〜30.0(25.0) | 15 | 3.2 | M12 | 6605 | 1,440 | 1,840 | 1,960 | 2,650 | |||
| 16 | 13.00〜16.00 | 0〜20 | 5.0〜30.0 | 4 | 19 | 4 | M16 | 16366 | 1,510 | 1,940 | 2,030 | 2,730 | |||
| 20 | −0.007 −0.020 | 16.00〜20.00 | 0〜20 | 5.0〜30.0 | 5 | 23 | 5.5 | M20 | 32928 | 1,560 | 2,010 | 2,720 | 3,660 | ||
| 商品名 | 小径位置決めピン 高硬度ステンレス・SUS316L ツバ付き・おねじタイプ |
| 写真 | ![]() |
| 商品ページ | こちら |
| 5 | 日目出荷 |
| 追加工 コード | 追加工内容 | 適用条件 | 指定例 | \/1Code | |||||||||||||||||||||||||||||||||||
| HC | 二面幅加工を追加![]() | HC=指定0.5mm単位指定 [ ! ]HC>D HC>P | FPTNA8-P6.00-L5-B6-HC10 | 500 | |||||||||||||||||||||||||||||||||||
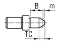
| TC | 先端テーパー部長さ変更![]() | m寸法を変更します。指定1mm単位 [ ! ]B+m≧TC+2(ストレート部min.2mm) [ ! ]P≧2.00に適用可 [ ! ]P/2-TCtan15°(≒0.27)>0.5(先端φ1.0min.) [ ! ]TCの指定により、B寸法が変わります。
| FPTNA8-P6.00-L5-B6-TC5 | 300 | |||||||||||||||||||||||||||||||||||
| RC | 首元R加工を追加![]() | 首元の逃げをR0.5に変更します。 [ ! ]H-P≧2の場合に適用 [ NG ]LACとの併用不可 | FPTNA8-P6.00-L5-B6-RC | 300 | |||||||||||||||||||||||||||||||||||
| RAC | 六角穴を追加![]() | 六角穴を追加します。 [ ! ]P寸・L寸・B寸指定タイプのみ適用 [ ! ]丸形状はD≧8、ダイヤ形状はD≧10に適用 [ NG ]TC・LACとの併用不可
| FPTNA8-P6.00-L5-B6-RAC | 600 | |||||||||||||||||||||||||||||||||||
| LAC | レンチ穴を追加![]() | レンチ穴を追加します。 [ ! ]丸形状はD≧8、P≧6、ダイヤ形状はD≧10、P≧8に適用 [ ! ]ダイヤ形状のレンチ穴は、ダイヤ面に対し垂直にあきま
| FPTNA8-P6.00-L5-B6-LAC | 300 | |||||||||||||||||||||||||||||||||||
| NNC | ねじ元に逃げを追加![]() | ねじ元に逃げ加工を追加します。 [ ! ]L=0の場合に適用 [ NG ]RACとの併用不可 | FPTNA8-P6.00-L0-B6-NNC | 100 | |||||||||||||||||||||||||||||||||||
| 型番 |
|---|
通常単価(税別)
(税込単価) | 通常出荷日 |
クリーン洗浄・梱包済みでお届けします
|
|---|
- ( - ) | 2日目 |
- |
- ( - ) | 2日目 |
- |
- ( - ) | 2日目 |
- |
- ( - ) | 2日目 |
- |
- ( - ) | 2日目 |
- |
- ( - ) | 2日目 |
- |
- ( - ) | 2日目 |
- |
- ( - ) | 2日目 |
- |
- ( - ) | 2日目 |
- |
- ( - ) | 2日目 |
- |
- ( - ) | 2日目 |
- |
- ( - ) | 2日目 |
- |
- ( - ) | 2日目 |
- |
- ( - ) | 2日目 |
- |
- ( - ) | 2日目 |
- |
- ( - ) | 2日目 |
- |
- ( - ) | 2日目 |
- |
- ( - ) | 2日目 |
- |
- ( - ) | 5日目 |
|
- ( - ) | 5日目 |
|
- ( - ) | 5日目 |
|
- ( - ) | 5日目 |
|
- ( - ) | 5日目 |
|
- ( - ) | 5日目 |
|
- ( - ) | 5日目 |
|
- ( - ) | 5日目 |
|
- ( - ) | 5日目 |
|
- ( - ) | 5日目 |
|
- ( - ) | 5日目 |
|
- ( - ) | 5日目 |
|
- ( - ) | 5日目 |
|
- ( - ) | 5日目 |
|
- ( - ) | 5日目 |
|
- ( - ) | 5日目 |
|
- ( - ) | 5日目 |
|
- ( - ) | 5日目 |
|
- ( - ) | 5日目 |
- |
- ( - ) | 5日目 |
- |
- ( - ) | 5日目 |
- |
- ( - ) | 5日目 |
- |
- ( - ) | 5日目 |
- |
- ( - ) | 5日目 |
- |
- ( - ) | 5日目 |
- |
- ( - ) | 5日目 |
- |
- ( - ) | 5日目 |
- |
- ( - ) | 5日目 |
- |
- ( - ) | 5日目 |
- |
- ( - ) | 5日目 |
- |
- ( - ) | 5日目 |
- |
- ( - ) | 5日目 |
- |
- ( - ) | 5日目 |
- |
- ( - ) | 5日目 |
- |
- ( - ) | 5日目 |
- |
- ( - ) | 5日目 |
- |
- ( - ) | 3日目 |
- |
- ( - ) | 3日目 |
- |
- ( - ) | 3日目 |
- |
- ( - ) | 3日目 |
- |
- ( - ) | 3日目 |
- |
- ( - ) | 3日目 |
- |
ツバ付きタイプの圧入+ナット止め形状です。圧入に比べメンテナンス性が向上します。
| 数量区分 | 標準対応 | 個別対応 | |||
| 小口 | 大口 | ||||
| 数 量 | 1〜19 | 20〜34 | 35〜49 | 50〜100 | 101〜 |
| 値引率 | 基準単価 | 5% | 10% | 23% | お見積り |



通常価格、通常出荷日が表示と異なる場合がございます
通常価格、通常出荷日が表示と異なる場合がございます

ミスミ
位置決めピン 大頭テーパタイプ -圧入-
4.8通常価格(税別):340円~

ミスミ
位置決めピン 大頭フラットタイプ -圧入-
4.6通常価格(税別):300円~

ミスミ
位置決めピン 高耐食ステンレス(55・35HRC~/SUS316L)大頭テーパ 圧入
4.7
ミスミ
位置決めピン 先端形状選択タイプ -おねじ-
4.5
ミスミ
位置決めピン -エアベント付めねじタイプ-
4.6通常価格(税別):170円~

ミスミ
位置決めピン 先端形状選択タイプ -めねじ(大頭/ストレート)-
4.6
ミスミ
位置決めピン 先端形状選択タイプ -全ねじ-
4.4
ミスミ
位置決めピン 高耐食ステンレス(55・35HRC~/SUS316L)R/テーパ/テーパR 全ねじ
4.4
ミスミ
位置決めピン 小頭テーパタイプ -圧入-
4.5通常価格(税別):300円~