メカニカル部品技術窓口
ミスミ品のみ対象
(丸)
(ダイヤ)


D(P)≧3の場合
a=1.0
d=D(P)-0.2
[ ! ]逃げ部寸法は参考値になります。
D(P)<3の場合
a=0.5
d=D(P)-0.1
| 材質 No. | [ M ]材質 | [ S ]表面処理 | [ H ]硬度 | P寸固定 | P寸指定 | P・L・B寸指定 | |||
| Type | 形状記号 | Type | 形状記号 | Type | 形状記号 | ||||
| ① | SKS3相当 | − | 焼入硬度60〜63HRC | JP | JB(丸) DJ(ダイヤ) | JP | JA(丸) | FP | JA(丸) JD(ダイヤ) |
| ③ | SUS304 | − | − | SJP | − | SFP | |||
| ⑤ | SUS440Cまたは 13Crステンレス | − | 焼入硬度50〜55HRC | − | − | CFP | |||
| 型式 | − | P | − | L | − | B | ||||
| Type | 形状 | D | ||||||||
| JP JP FP | JB JA JD | 6 8 12 | − − − | 4 5.04 P11.97 | − | L12 | − | B5.5 | ||
| 型式 | P選択 | L | B | C | m | H | (W) | ¥基準単価 丸形状 | ¥基準単価 ダイヤ形状 | ||||||||||||||||||
| Type | 形状 | D | D寸公差 m6 | ①SKS3焼 JPJB | ③SUS304 SJPJB | ①SKS3焼 JPDJ | ③SUS304 SJPDJ | ||||||||||||||||||||
| JP SJP | JB(丸) DJ(ダイヤ) [ ! ]D≧3に適用 | 2 | +0.008 +0.002 | 1 | 2 | 4 | 2 | 0.5 | 0.5 | 6 | − | 300 | 450 | - | - | ||||||||||||
| 3 | 2 | 3 | 4 | 5 | 1 | 1.0 | 320 | 480 | 420 | 620 | |||||||||||||||||
| 4 | +0.012 +0.004 | 2 | 3 | 4 | 5 | 3 | 1 | 1.2 | 350 | 530 | 460 | 680 | |||||||||||||||
| 5 | 3 | 4 | 5 | 6 | 10 | 5 | 2 | 8 | 1.5 | 380 | 570 | 490 | 740 | ||||||||||||||
| 6 | 4 | 5 | 6 | 1.8 | 400 | 600 | 510 | 780 | |||||||||||||||||||
| 8 | +0.015 +0.006 | 5 | 6 | 8 | 15 | 6 | 1.5 | 3 | 11 | 2.2 | 420 | 630 | 550 | 820 | |||||||||||||
| 10 | 8 | 10 | 8 | 2 | 13 | 3 | 440 | 660 | 570 | 860 | |||||||||||||||||
| 12 | +0.018 +0.007 | 8 | 10 | 12 | 15 | 3.2 | 460 | 690 | 600 | 900 | |||||||||||||||||
| 13 | 8 | 10 | 12 | 13 | 22 | 4 | 16 | 3.5 | 480 | 710 | 620 | 930 | |||||||||||||||
| 16 | 13 | 14 | 15 | 16 | 10 | 3 | 19 | 4 | 640 | 960 | 830 | 1,250 | |||||||||||||||
| 20 | +0.021 +0.008 | 16 | 20 | 30 | 5 | 23 | 5.5 | 810 | 1,220 | 1,050 | 1,590 | ||||||||||||||||
| 型式 | P | L | B | C | m | H | (W) | ¥基準単価 丸形状 | |||
| Type | 形状 | D | D寸公差 m6 | 指定0.01mm単位 | ①SKS3焼 JPJA | ||||||
| JP | JA(丸) | 2 | +0.008 +0.002 | 1.00~2.00 | 4 | 2 | 0.5 | 0.5 | 6 | - | 570 |
| 3 | 2.00~4.00 | 5 | 1 | 1.0 | 610 | ||||||
| 4 | +0.012 +0.004 | 2.00~5.00 | 3 | 1 | 1.2 | 670 | |||||
| 5 | 3.00~6.00 | 10 | 5 | 2 | 8 | 1.5 | 720 | ||||
| 6 | 4.00~7.00 | 1.8 | 760 | ||||||||
| 8 | +0.015 +0.006 | 5.00~9.00 | 15 | 6 | 1.5 | 3 | 11 | 2.2 | 800 | ||
| 10 | 7.00~11.00 | 8 | 2 | 13 | 3.0 | 840 | |||||
| 12 | +0.018 +0.007 | 7.00~12.00 | 15 | 3.2 | 870 | ||||||
| 13 | 8.00~13.00 | 22 | 4 | 16 | 3.5 | 910 | |||||
| 16 | 13.00~16.00 | 10 | 3 | 19 | 4.0 | 1,210 | |||||
| 20 | +0.021 +0.008 | 16.00~20.00 | 30 | 5 | 23 | 5.5 | 1,540 | ||||
| 型式 | P 指定0.01mm単位 | L 指定1mm単位 | B 指定0.1mm単位 | C | m | H | (W) | ¥基準単価 丸形状 | ¥基準単価 ダイヤ形状 | |||||||
| Type | 形状 | D | D寸公差 m6 | ①SKS3焼 FPJA | ③SUS304 SFPJA | ⑤SUS440C または 13Crステンレス CFPJA | ①SKS3焼 FPJD | ③SUS304 SFPJD | ⑤SUS440C または 13Crステンレス CFPJD | |||||||
| FP SFP CFP | JA(丸) JD(ダイヤ) [ ! ]D≧3に適用 | 2 | +0.008 +0.002 | 1.00〜2.00 | 2〜4 | 2.0〜10.0 | 0.5 | 0.5 | 6 | − | 700 | 1,060 | 1,170 | - | - | - |
| 3 | 2.00〜4.00 | 3〜6 | 2.0〜10.0 | 1 | 1.0 | 750 | 1,120 | 1,250 | 980 | 1,470 | 1,630 | |||||
| 4 | +0.012 +0.004 | 2.00〜5.00 | 4〜8 | 2.0〜10.0 | 1 | 1.2 | 820 | 1,240 | 1,350 | 1,080 | 1,600 | 1,750 | ||||
| 5 | 3.00〜6.00 | 5〜10 | 2.0〜15.0(10.0) | 2 | 8 | 1.5 | 900 | 1,330 | 1,480 | 1,140 | 1,720 | 1,910 | ||||
| 6 | 4.00〜7.00 | 5〜12 | 2.0〜15.0 | 1.8 | 930 | 1,410 | 1,540 | 1,220 | 1,830 | 2,020 | ||||||
| 8 | +0.015 +0.006 | 5.00〜9.00 | 5〜16 | 2.0〜20.0(15.0) | 1.5 | 3 | 11 | 2.2 | 990 | 1,480 | 1,620 | 1,290 | 1,910 | 2,100 | ||
| 10 | 7.00〜12.00 | 8(10)〜20 | 3.0〜30.0(25.0) | 2 | 13 | 3 | 1,030 | 1,540 | 1,700 | 1,330 | 2,020 | 2,190 | ||||
| 12 | +0.018 +0.007 | 7.00〜12.00 | 10〜24 | 3.0〜30.0(25.0) | 15 | 3.2 | 1,080 | 1,620 | 1,700 | 1,410 | 2,100 | 2,230 | ||||
| 13 | 8.00〜13.00 | 13〜26 | 5.0〜30.0(25.0) | 4 | 16 | 3.5 | 1,120 | 1,690 | 1,850 | 1,450 | 2,190 | 2,240 | ||||
| 16 | 13.00〜16.00 | 16〜32 | 5.0〜30.0 | 3 | 19 | 4 | 1,500 | 1,890 | 2,480 | 1,940 | 2,920 | 3,230 | ||||
| 20 | +0.021 +0.008 | 16.00〜20.00 | 20〜40 | 5.0〜30.0 | 5 | 23 | 5.5 | 1,890 | 2,430 | 3,130 | 2,460 | 3,710 | 4,060 | |||
| 商品名 | 小径位置決めピン 高硬度ステンレス・ SUS316L ツバ付き ストレートタイプ |
| 写真 | ![]() |
| 商品ページ | こちら |
| 5 | 日目出荷 |
| 追加工 コード | 追加工内容 | 適用条件 | 指定例 | \/1Code | ||||||||||||||||||||||||||
| HC | 二面幅加工を追加![]() | HC=指定0.5mm単位指定 [ ! ]HC>D HC>P | FPJA6-P4.01-L8-B8.5-HC7.0 | 500 | ||||||||||||||||||||||||||
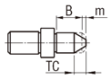
| TC | 先端テーパー部長さ変更![]() | m寸法を変更します。指定1mm単位 [ ! ]B+m≧TC+2(ストレート部min.2mm) [ ! ]P≧2.00に適用可 [ ! ]P/2-TCtan15°(≒0.27)>0.5(先端φ1.0min.) [ ! ]TCの指定により、B寸法が変わります。(変更後B寸法=B+m-TC)
| FPJA6-P4.01-L8-B8.5-TC7.0 | 300 | ||||||||||||||||||||||||||
| RC | 首元R加工を追加![]() | 首元の逃げをR0.5に変更します。 [ ! ]H-P≧2の場合に適用 | FPJA6-P4.01-L8-B8.5-RC | 300 |
| 型番 |
|---|
通常単価(税別)
(税込単価) | 通常出荷日 |
クリーン洗浄・梱包済みでお届けします
|
|---|
- ( - ) | 2日目 |
|
- ( - ) | 2日目 |
|
- ( - ) | 2日目 |
|
- ( - ) | 2日目 |
|
- ( - ) | 2日目 |
|
- ( - ) | 2日目 |
|
- ( - ) | 2日目 |
|
- ( - ) | 2日目 |
|
- ( - ) | 2日目 |
|
- ( - ) | 2日目 |
|
- ( - ) | 2日目 |
|
- ( - ) | 2日目 |
|
- ( - ) | 2日目 |
|
- ( - ) | 2日目 |
|
- ( - ) | 2日目 |
|
- ( - ) | 2日目 |
|
- ( - ) | 2日目 |
|
- ( - ) | 2日目 |
|
- ( - ) | 2日目 |
|
- ( - ) | 2日目 |
|
- ( - ) | 2日目 |
|
- ( - ) | 2日目 |
- |
- ( - ) | 2日目 |
- |
- ( - ) | 2日目 |
- |
- ( - ) | 2日目 |
- |
- ( - ) | 2日目 |
- |
- ( - ) | 2日目 |
- |
- ( - ) | 2日目 |
- |
- ( - ) | 2日目 |
- |
- ( - ) | 2日目 |
- |
- ( - ) | 2日目 |
- |
- ( - ) | 2日目 |
- |
- ( - ) | 2日目 |
- |
- ( - ) | 2日目 |
- |
- ( - ) | 2日目 |
- |
- ( - ) | 2日目 |
- |
- ( - ) | 2日目 |
- |
- ( - ) | 2日目 |
- |
- ( - ) | 2日目 |
- |
- ( - ) | 2日目 |
- |
- ( - ) | 2日目 |
- |
- ( - ) | 2日目 |
- |
- ( - ) | 2日目 |
- |
- ( - ) | 2日目 |
- |
- ( - ) | 2日目 |
- |
- ( - ) | 2日目 |
- |
- ( - ) | 2日目 |
- |
- ( - ) | 2日目 |
- |
- ( - ) | 2日目 |
- |
- ( - ) | 2日目 |
- |
- ( - ) | 2日目 |
- |
- ( - ) | 2日目 |
- |
- ( - ) | 3日目 |
- |
- ( - ) | 3日目 |
- |
- ( - ) | 3日目 |
- |
- ( - ) | 3日目 |
- |
- ( - ) | 3日目 |
- |
- ( - ) | 3日目 |
- |
- ( - ) | 3日目 |
- |
- ( - ) | 3日目 |
- |
頭部がテーパの標準的な形状でツバ付きのため、位置決め対象の高さを調整できます。
| 数量区分 | 標準対応 | 個別対応 | |||
| 小口 | 大口 | ||||
| 数 量 | 1〜19 | 20〜34 | 35〜49 | 50〜100 | 101~ |
| 値引率 | 基準単価 | 5% | 10% | 23% | お見積り |




通常価格、通常出荷日が表示と異なる場合がございます
通常価格、通常出荷日が表示と異なる場合がございます

ミスミ
位置決めピン 大頭テーパタイプ -圧入-
4.8通常価格(税別):340円~

ミスミ
位置決めピン 高耐食ステンレス(55・35HRC~/SUS316L)大頭テーパ 圧入
4.7
ミスミ
位置決めピン 先端形状選択タイプ -めねじ(大頭/ストレート)-
4.6
ミスミ
位置決めピン 先端形状選択タイプ -おねじ-
4.5
ミスミ
位置決めピン 先端形状選択タイプ -全ねじ-
4.4
ミスミ
位置決めピン 大頭フラットタイプ -圧入-
4.6通常価格(税別):300円~

ミスミ
位置決めピン 高耐食ステンレス(55・35HRC~/SUS316L)R/テーパ/テーパR 全ねじ
4.4
ミスミ
位置決めピン 大頭テーパタイプ-テーパ角度指定・公差選択・圧入-
4.4
ミスミ
マーカーピン 六角穴付タイプ
4.4