メカニカル部品技術窓口
ミスミ品のみ対象
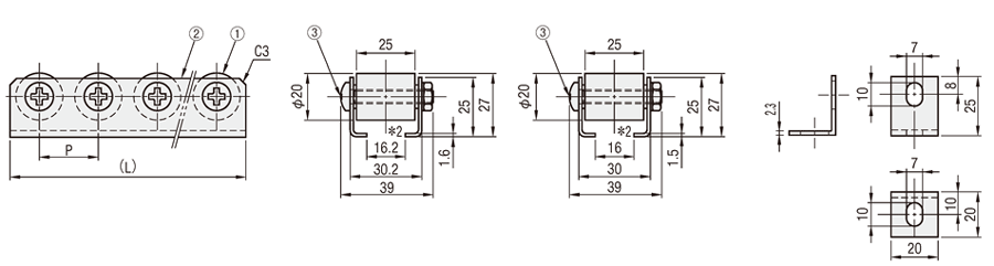
コロコンローラはローラーコンベアに比べて軽量、省スペースでの設置が可能です。搬送設備に合わせて幅、ホイ...
詳細を確認
| +1.2 0 | +1.2 0 | |||
| *2溝幅寸法はローラ幅25mmの場合16.2 | (スチール)、16 | (ステンレス)となります。 | ||

[ ! ]ブラケット取付方法:ブラケットを取り付けたい部分のナットを2ヶ所はずして、ブラケットとブラケット付属の十字穴付なべ小ねじを使用し、共締めで取り付けてください。
(ローラー用ねじとは長さが異なります)
[ ! ]常温(5℃~35℃)での使用を想定した商品です。
| Type | ① ローラ | ② フレーム | ③十字穴付なべ小ねじ 六角:3種ナット | ④ ブラケット (付属ねじ:M6×40L) | ||||||||||
| ローラ耐荷重 (1個あたり) | 外輪 | ベアリング | ||||||||||||
| ブラケット | P=25 | P=30 | P=35 | [ M ]材質 | [ S ]表面処理 | [ M ]材質 | [ M ]材質 | [ S ]表面処理 | [ M ]材質 | サイズ | [ S ]表面処理 | [ M ]材質 | [ S ]表面処理 | |
| ブラケット無 | CRONEWH | CRONFWH | CRONWH | 36kgf(352N) | スチ−ル | 三価クロメ−ト | スチ−ル | スチ−ル | 溶融メッキ*1 | スチール | ねじ:M6×35L ナット:M6 (並目)ピッチ1.0 | 三価クロメ−ト | − | − |
| ブラケット付 | CRONEWHB | CRONFWHB | CRONWHB | スチール | 三価クロメ−ト | |||||||||
| ブラケット無 | CRONEW | CRONFW | CRONW | 40kgf(392N) | − | − | ||||||||
| ブラケット付 | CRONEWB | CRONFWB | CRONWB | スチ−ル | 三価クロメ−ト | |||||||||
| ブラケット付 | − | − | CROCWB | 硬質クロムメッキ | ||||||||||
| ブラケット無 | − | − | CROSW | ステンレス | − | ステンレス | ステンレス | − | ステンレス | − | − | − | ||
| ブラケット付 | − | − | CROSWB | ステンレス | − | |||||||||

| +1.2 0 | ||
| *2溝幅寸法はローラ幅50mmの場合41.2 | となります。 | |

| Type | ① ローラ | ② フレーム | ③十字穴付なべ小ねじ 六角:3種ナット | ④ ブラケット | ||||||||||
| ローラ耐荷重 (1個あたり) | 外輪 | ベアリング | ||||||||||||
| ブラケット | P=25 | P=30 | P=35 | [ M ]材質 | [ S ]表面処理 | [ M ]材質 | [ M ]材質 | [ S ]表面処理 | [ M ]材質 | サイズ | [ S ]表面処理 | [ M ]材質 | [ S ]表面処理 | |
| ブラケット無 | CRONEXH | CRONFXH | CRONXH | 45kgf(440N) | スチ−ル | 三価クロメ−ト | スチ−ル | スチ−ル | 溶融メッキ*1 | スチール | ねじ:M6×65L ナット:M6 (並目)ピッチ1.0 | 三価クロメ−ト | − | − |
| ブラケット付 | CRONEXHB | CRONFXHB | CRONXHB | スチール | 三価クロメ−ト | |||||||||
| ブラケット無 | CRONEX | CRONFX | CRONX | 50kgf(480N) | − | − | ||||||||
| ブラケット付 | CRONEXB | CRONFXB | CRONXB | スチール | 三価クロメ−ト | |||||||||
| 型式 |
| CRONEWH17 CRONEXH17 |
| 型式 | L | ¥基準単価 | |||||||||||
| Type | ローラ 個数 | P=25 | P=30 | P=35 | CRONEWH CRONFWH CRONWH | CRONEWHB CRONFWHB CRONWHB | CRONEW CRONFW | CRONEWB CRONFWB | CRONW | CRONWB | CROCWB | CROSW | CROSWB |
| (中荷重) ブラケット無 CRONEWH CRONFWH CRONWH ブラケット付 CRONEWHB CRONFWHB CRONWHB (標準) ブラケット無 CRONEW CRONFW CRONW CROSW ブラケット付 CRONEWB CRONFWB CRONWB CROCWB CROSWB | 2 | (48) | (58) | (68) | 1,310 | 1,760 | 1,380 | 1,850 | 1,530 | 2,010 | 3,060 | 2,610 | 3,940 |
| 3 | (73) | (88) | (103) | 1,720 | 2,170 | 1,810 | 2,290 | 2,020 | 2,500 | 4,070 | 3,630 | 4,960 | |
| 4 | (98) | (118) | (138) | 2,130 | 2,570 | 2,240 | 2,710 | 2,500 | 2,970 | 5,080 | 4,650 | 5,970 | |
| 5 | (123) | (148) | (173) | 2,530 | 2,980 | 2,670 | 3,140 | 2,970 | 3,440 | 6,090 | 5,670 | 6,980 | |
| 6 | (148) | (178) | (208) | 2,950 | 3,400 | 3,110 | 3,580 | 3,450 | 3,930 | 7,110 | 6,690 | 8,000 | |
| 7 | (173) | (208) | (243) | 3,360 | 3,790 | 3,540 | 3,990 | 3,940 | 4,390 | 8,100 | 7,710 | 9,020 | |
| 8 | (198) | (238) | (278) | 3,760 | 4,210 | 3,960 | 4,430 | 4,400 | 4,870 | 9,100 | 8,730 | 10,040 | |
| 9 | (223) | (268) | (313) | 4,160 | 4,630 | 4,380 | 4,870 | 4,880 | 5,380 | 10,110 | 9,740 | 11,060 | |
| 10 | (248) | (298) | (348) | 4,580 | 5,020 | 4,820 | 5,280 | 5,370 | 5,830 | 11,120 | 10,760 | 12,060 | |
| 11 | (273) | (328) | (383) | 5,000 | 5,440 | 5,260 | 5,720 | 5,840 | 6,300 | 12,130 | 11,780 | 13,080 | |
| 12 | (298) | (358) | (418) | 5,400 | 5,850 | 5,680 | 6,150 | 6,320 | 6,790 | 13,140 | 12,790 | 14,100 | |
| 13 | (323) | (388) | (453) | 5,820 | 6,240 | 6,120 | 6,570 | 6,800 | 7,260 | 14,140 | 13,810 | 15,120 | |
| 14 | (348) | (418) | (488) | 6,200 | 6,650 | 6,530 | 7,000 | 7,270 | 7,740 | 15,150 | 14,830 | 16,140 | |
| 15 | (373) | (448) | (523) | 6,610 | 7,080 | 6,960 | 7,460 | 7,740 | 8,230 | 16,160 | 15,840 | 17,170 | |
| 16 | (398) | (478) | (558) | 7,030 | 7,470 | 7,400 | 7,860 | 8,230 | 8,690 | 17,170 | 16,860 | 18,180 | |
| 17 | (423) | (508) | (593) | 7,440 | 7,880 | 7,830 | 8,300 | 8,700 | 9,170 | 18,180 | 17,880 | 19,190 | |
| 18 | (448) | (538) | (628) | 7,850 | 8,300 | 8,260 | 8,740 | 9,180 | 9,650 | 19,170 | 18,890 | 20,210 | |
| 19 | (473) | (568) | (663) | 8,260 | 8,690 | 8,690 | 9,150 | 9,670 | 10,120 | 20,180 | 19,910 | 21,230 | |
| 20 | (498) | (598) | (698) | 8,660 | 9,120 | 9,110 | 9,600 | 10,130 | 10,620 | 21,190 | 20,930 | 22,250 | |
| 21 | (523) | (628) | (733) | 9,060 | 9,530 | 9,530 | 10,030 | 10,610 | 11,100 | 22,200 | 21,950 | 23,270 | |
| 22 | (548) | (658) | (768) | 9,490 | 9,930 | 9,990 | 10,450 | 11,100 | 11,560 | 23,210 | 22,960 | 24,280 | |
| 23 | (573) | (688) | (803) | 9,900 | 10,330 | 10,420 | 10,880 | 11,570 | 12,030 | 24,210 | 23,980 | 25,290 | |
| 24 | (598) | (718) | (838) | 10,290 | 10,740 | 10,840 | 11,310 | 12,040 | 12,520 | 25,220 | 24,990 | 26,310 | |
| 25 | (623) | (748) | (873) | 10,710 | 11,160 | 11,280 | 11,750 | 12,540 | 13,010 | 26,230 | 26,010 | 27,330 | |
| 26 | (648) | (778) | (908) | 11,100 | 11,560 | 11,690 | 12,170 | 13,000 | 13,480 | 27,250 | 27,030 | 28,350 | |
| 27 | (673) | (808) | (943) | 11,520 | 11,980 | 12,130 | 12,610 | 13,470 | 13,950 | 28,230 | 28,060 | 29,360 | |
| 28 | (698) | (838) | (978) | 11,930 | 12,380 | 12,560 | 13,030 | 13,970 | 14,440 | 29,240 | 29,070 | 30,380 | |
| 29 | (723) | (868) | (1013) | 12,340 | 12,780 | 12,990 | 13,450 | 14,440 | 14,900 | 30,250 | 30,080 | 31,400 | |
| 30 | (748) | (898) | (1048) | 12,750 | 13,210 | 13,420 | 13,900 | 14,910 | 15,390 | 31,260 | 31,100 | 32,410 | |
| 31 | (773) | (928) | (1083) | 13,160 | 13,610 | 13,850 | 14,320 | 15,400 | 15,880 | 32,280 | 32,120 | 33,430 | |
| 32 | (798) | (958) | (1118) | 13,570 | 14,020 | 14,280 | 14,750 | 15,870 | 16,340 | 33,270 | 33,140 | 34,450 | |
| 33 | (823) | (988) | (1153) | 13,970 | 14,420 | 14,700 | 15,180 | 16,340 | 16,820 | 34,280 | 34,160 | 35,460 | |
| 型式 | L | ¥基準単価 | ||||||
| Type | ローラ 個数 | P=25 | P=30 | P=35 | CRONEXH CRONFXH CRONXH | CRONEXHB CRONFXHB CRONXHB | CRONEX CRONFX CRONX | CRONEXB CRONFXB CRONXB |
| (中荷重) ブラケット無 CRONEXH CRONEXH CRONFXH ブラケット付 CRONEXHB CRONFXHB CRONXHB ブラケット無 CRONEX CRONFX CRONX ブラケット付 CRONEXB CRONFXB CRONXB | 2 | (48) | (58) | (68) | 1,920 | 2,350 | 2,020 | 2,470 |
| 3 | (73) | (88) | (103) | 2,520 | 2,970 | 2,650 | 3,120 | |
| 4 | (98) | (118) | (138) | 3,130 | 3,560 | 3,290 | 3,740 | |
| 5 | (123) | (148) | (173) | 3,720 | 4,160 | 3,910 | 4,370 | |
| 6 | (148) | (178) | (208) | 4,340 | 4,770 | 4,560 | 5,010 | |
| 7 | (173) | (208) | (243) | 4,940 | 5,380 | 5,190 | 5,650 | |
| 8 | (198) | (238) | (278) | 5,520 | 5,950 | 5,810 | 6,260 | |
| 9 | (223) | (268) | (313) | 6,120 | 6,560 | 6,440 | 6,900 | |
| 10 | (248) | (298) | (348) | 6,740 | 7,170 | 7,090 | 7,540 | |
| 11 | (273) | (328) | (383) | 7,320 | 7,770 | 7,700 | 8,170 | |
| 12 | (298) | (358) | (418) | 7,940 | 8,370 | 8,350 | 8,800 | |
| 13 | (323) | (388) | (453) | 8,540 | 8,980 | 8,980 | 9,440 | |
| 14 | (348) | (418) | (488) | 9,120 | 9,540 | 9,600 | 10,040 | |
| 15 | (373) | (448) | (523) | 9,710 | 10,160 | 10,220 | 10,690 | |
| 16 | (398) | (478) | (558) | 10,330 | 10,760 | 10,870 | 11,320 | |
| 17 | (423) | (508) | (593) | 10,920 | 11,360 | 11,490 | 11,950 | |
| 18 | (448) | (538) | (628) | 11,540 | 11,960 | 12,140 | 12,580 | |
| 19 | (473) | (568) | (663) | 12,130 | 12,570 | 12,760 | 13,230 | |
| 20 | (498) | (598) | (698) | 12,720 | 13,150 | 13,380 | 13,830 | |
| 21 | (523) | (628) | (733) | 13,320 | 13,770 | 14,020 | 14,480 | |
| 22 | (548) | (658) | (768) | 13,940 | 14,360 | 14,670 | 15,110 | |
| 23 | (573) | (688) | (803) | 14,520 | 14,960 | 15,280 | 15,740 | |
| 24 | (598) | (718) | (838) | 15,130 | 15,560 | 15,920 | 16,370 | |
| 25 | (623) | (748) | (873) | 15,740 | 16,170 | 16,560 | 17,020 | |
| 26 | (648) | (778) | (908) | 16,320 | 16,750 | 17,170 | 17,620 | |
| 27 | (673) | (808) | (943) | 16,930 | 17,360 | 17,810 | 18,270 | |
| 28 | (698) | (838) | (978) | 17,520 | 17,960 | 18,440 | 18,890 | |
| 29 | (723) | (868) | (1013) | 18,120 | 18,550 | 19,070 | 19,520 | |
| 30 | (748) | (898) | (1048) | 18,730 | 19,150 | 19,710 | 20,160 | |
| 31 | (773) | (928) | (1083) | 19,330 | 19,770 | 20,340 | 20,810 | |
| 32 | (798) | (958) | (1118) | 19,920 | 20,350 | 20,960 | 21,410 | |
| 33 | (823) | (988) | (1153) | 20,530 | 20,950 | 21,600 | 22,050 | |

| 項目 | グラビティコンベヤ仕様 | ||
|---|---|---|---|
| ローラピッチ | 硬い材質 | 搬送物を4本のローラで支える。 | |
| ローラピッチ≒搬送物長さ(L)/5 | |||
| 軟い材質 | 搬送物を6本のローラで支える。 | ||
| ローラピッチ≒搬送物長さ(L)/7 | |||
| ローラ径*1 | 硬い材質 | 搬送物重量を2本のローラで支える重量 | |
| R=搬送物重量/2 | |||
| 軟い材質 | 搬送物重量を6本のローラで支える重量 | ||
| R=搬送物重量/6 | |||
| ローラ材質 | プラスチック材または金属から選択する。材質によって負荷荷重が異なる。 金属材の方がその負荷荷重は大きい。 | ||
| ローラ長さ*2 | ローラ長さは、フレームサイズで指定できる。ローラ材質が金属の場合、フレームサイズ1,000mm以下、 プラスチックの場合、1,300mm以下で指定可能となる。使用する際は100mmピッチで使用する。 | ||
| 注釈 *1 ローラ一本当たりの荷重Rをローラ径毎に異なる支持荷重以下とするようローラ径を選定する。 支持荷重は、カタログに示された当該ローラに使用されているべアリングの動定格荷重から寿命を考慮して決定する。 *2 ローラ長さはローラ幅に直角方向の長さ |
|---|
| 商品名 | コロコンローラ ローラ幅25・50mmタイプ | コロコンローラ ローラ幅15mmタイプ | コロコンローラ ローラ幅7~9mmタイプ | コロコンローラ ローラ幅9、10mmタイプ |
|---|---|---|---|---|
| 商品画像 | ![]() | ![]() | ![]() | ![]() |
| 用途 | 軽搬送小物用 | 軽搬送小物用 中荷重 | 軽搬送小物用 中荷重 | 軽搬送小物用 中荷重 |
| ホイール 表面材質 | スチール ステンレス | スチール | スチール 樹脂 ステンレス | スチール ステンレス |
| ホイール幅 W(mm) | 25 ~ 50 | 15 | 7 ~ 9 | 9 ~ 10 |
| 型番 |
|---|
通常単価(税別)
(税込単価) | 通常出荷日 |
|---|
3,060円 ( 3,366円 ) | 4日目 |
4,070円 ( 4,477円 ) | 4日目 |
5,080円 ( 5,588円 ) | 4日目 |
6,090円 ( 6,699円 ) | 4日目 |
7,110円 ( 7,821円 ) | 4日目 |
8,100円 ( 8,910円 ) | 4日目 |
9,100円 ( 10,010円 ) | 4日目 |
10,110円 ( 11,121円 ) | 4日目 |
11,120円 ( 12,232円 ) | 4日目 |
12,130円 ( 13,343円 ) | 4日目 |
13,140円 ( 14,454円 ) | 4日目 |
14,140円 ( 15,554円 ) | 4日目 |
15,150円 ( 16,665円 ) | 4日目 |
16,160円 ( 17,776円 ) | 4日目 |
17,170円 ( 18,887円 ) | 4日目 |
18,180円 ( 19,998円 ) | 4日目 |
19,170円 ( 21,087円 ) | 4日目 |
20,180円 ( 22,198円 ) | 4日目 |
21,190円 ( 23,309円 ) | 4日目 |
22,200円 ( 24,420円 ) | 4日目 |
23,210円 ( 25,531円 ) | 4日目 |
24,210円 ( 26,631円 ) | 4日目 |
25,220円 ( 27,742円 ) | 4日目 |
26,230円 ( 28,853円 ) | 4日目 |
27,250円 ( 29,975円 ) | 4日目 |
28,230円 ( 31,053円 ) | 4日目 |
29,240円 ( 32,164円 ) | 4日目 |
30,250円 ( 33,275円 ) | 4日目 |
31,260円 ( 34,386円 ) | 4日目 |
32,280円 ( 35,508円 ) | 4日目 |
33,270円 ( 36,597円 ) | 4日目 |
34,280円 ( 37,708円 ) | 4日目 |
1,380円 ( 1,518円 ) | 4日目 |
1,810円 ( 1,991円 ) | 4日目 |
2,240円 ( 2,464円 ) | 4日目 |
2,670円 ( 2,937円 ) | 4日目 |
3,110円 ( 3,421円 ) | 4日目 |
3,540円 ( 3,894円 ) | 4日目 |
3,960円 ( 4,356円 ) | 4日目 |
4,380円 ( 4,818円 ) | 4日目 |
4,820円 ( 5,302円 ) | 4日目 |
5,260円 ( 5,786円 ) | 4日目 |
5,680円 ( 6,248円 ) | 4日目 |
6,120円 ( 6,732円 ) | 4日目 |
6,530円 ( 7,183円 ) | 4日目 |
6,960円 ( 7,656円 ) | 4日目 |
7,400円 ( 8,140円 ) | 4日目 |
7,830円 ( 8,613円 ) | 4日目 |
8,260円 ( 9,086円 ) | 4日目 |
8,690円 ( 9,559円 ) | 4日目 |
9,110円 ( 10,021円 ) | 4日目 |
9,530円 ( 10,483円 ) | 4日目 |
9,990円 ( 10,989円 ) | 4日目 |
10,420円 ( 11,462円 ) | 4日目 |
10,840円 ( 11,924円 ) | 4日目 |
11,280円 ( 12,408円 ) | 4日目 |
11,690円 ( 12,859円 ) | 4日目 |
12,130円 ( 13,343円 ) | 4日目 |
12,560円 ( 13,816円 ) | 4日目 |
12,990円 ( 14,289円 ) | 4日目 |
コロコンローラはローラーコンベアに比べて軽量、省スペースでの設置が可能です。搬送設備に合わせて幅、ホイールの材質、フレームの材質、ピッチの選択ください。
| 数量区分 | 標準対応 | 個別対応 | |||
| 小口 | 大口 | ||||
| 数 量 | 1〜19 | 20〜34 | 35〜49 | 50〜60 | 61〜 |
| 値引率 | 基準単価 | 5% | 10% | 18% | お見積り |
| 数量区分 | 標準対応 | 個別対応 | |
| 小口 | 大口 | ||
| 数量 | 1〜19 | 20〜30 | 31〜 |
| 出荷日 | 基準単価 | 5% | お見積り |



ミスミからのコメント
別信でお話しさせていただきありがとうございました。 本商品は捻じれがないことを検査のうえ、出荷しております。 しかしながら、輸送中の振動や衝撃で捻じれが発生する場合がございますので、 お手数ですがご使用前にご調整をお願いいたします。 今後はその旨をカタログ・WEB上でご案内させていただきます。
通常価格、通常出荷日が表示と異なる場合がございます
通常価格、通常出荷日が表示と異なる場合がございます

ミスミ
コロコンローラ ローラ幅25・50mmタイプ
4.2通常価格(税別):1,310円~

ミスミ
コロコンローラ千鳥タイプ
4通常価格(税別):1,370円~

ミスミ
コロコンローラ ローラ幅15mmタイプ
4.6通常価格(税別):1,210円~

ミスミ
ホイールコンベアー
4通常価格(税別):2,088円~

ミスミ
コロコンローラ ローラ幅7~9mmタイプ
4.5通常価格(税別):1,070円~

ミスミ
コロコンローラ(ガイド用片持ちタイプ)
4.3通常価格(税別):1,030円~

ミスミ
コロコンローラ ローラ幅9、10mmタイプ
4.3通常価格(税別):830円~

ミスミ
スパホイール
5通常価格(税別):4,124円~

ミスミ
スパホイール 取付部品
5通常価格(税別):516円~