メカニカル部品技術窓口
ミスミ品のみ対象
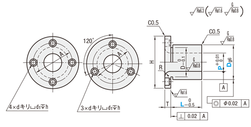
4点止め
3点止め

| [ M ]材質 | [ S ]表面処理 | [ H ]硬度 | Type | |||
| P寸固定・L寸選択 | P・L寸フリー指定 | |||||
| 4点止め | 3点止め | 4点止め | 3点止め | |||
| SKS3相当 | − | *焼入硬度 56〜60HRC | JBY | JBT | JBYF | JBTF |
| 四三酸化鉄皮膜 | − | − | JBYFB | − | ||
| 無電解ニッケルメッキ | JBYM | − | JBYFM | JBTFM | ||
| SUS304 | − | − | − | − | JBYFS | − |
| SUS440Cまたは 13Crステンレス | − | 焼入硬度 50〜55HRC | − | − | JBYFC | − |
| 型式 | − | P | − | L |
| JBY6 JBSF20 JBOR10 JBN10 | − − | P13.00 P5.0 | − − − − | 12 L30.0 L8 10 |
| 型式 | L選択 | R | H | T | Dg6 | A | d | d1 | h | ¥基準単価 | ||||||||||||
| Type | P | 丸フランジ | ||||||||||||||||||||
| JBY | JBYM | JBT | ||||||||||||||||||||
| JBY JBYM JBT | 5 | 8 | 10 | 12 | 16 | 1 | 25 | 5 | 10 | −0.005 | 17 | 3.3 | 6.5 | 3.5 | 1,120 | 1,450 | - | |||||
| *1 6 | 8 | 10 | 12 | 16 | −0.014 | 1,080 | ||||||||||||||||
| *1 8 | 10 | 12 | 16 | 20 | 2 | 28 | 12 | −0.006 | 20 | |||||||||||||
| *1 10 | 36 | 6 | 15 | −0.017 | 26 | 4.5 | 8 | 4.5 | ||||||||||||||
| *1 12 | 12 | 16 | 20 | 25 | 30 | 18 | 1,240 | 1,560 | 1,190 | |||||||||||||
| 13 | 12 | 16 | 20 | 25 | 30 | 40 | 22 | −0.007 | 30 | - | ||||||||||||
| *1 15 | 12 | 16 | 20 | 25 | 30 | 44 | 25 | −0.020 | 34 | 1,560 | 1,900 | 1,500 | ||||||||||
| 16 | 16 | 20 | 25 | 30 | 35 | 26 | 1,800 | 2,130 | - | |||||||||||||
| *1 20 | 3 | 56 | 8 | 30 | 42 | 6.6 | 11 | 6.5 | 2,030 | 2,360 | 1,940 | |||||||||||
| 25 | 20 | 25 | 30 | 35 | 40 | 60 | 35 | −0.009 | 46 | 2,250 | 2,580 | - | ||||||||||
| −0.025 | ||||||||||||||||||||||
■丸フランジ
| 質量(g)参考値 | ||
| P | L | SKS3相当 |
| 5 | 8 | 3.70 |
| 10 | 4.63 | |
| 12 | 5.55 | |
| 16 | 7.40 | |
| 6 | 8 | 3.16 |
| 10 | 3.95 | |
| 12 | 4.74 | |
| 16 | 6.32 | |
| 8 | 10 | 4.94 |
| 12 | 5.92 | |
| 16 | 7.90 | |
| 20 | 9.87 | |
| 10 | 10 | 7.71 |
| 12 | 9.26 | |
| 16 | 12.34 | |
| 20 | 15.43 | |
| 12 | 12 | 13.33 |
| 16 | 17.77 | |
| 20 | 22.21 | |
| 25 | 27.77 | |
| 30 | 33.32 | |
| 13 | 12 | 23.32 |
| 16 | 31.10 | |
| 20 | 38.87 | |
| 25 | 48.59 | |
| 30 | 58.31 | |
| 15 | 12 | 29.62 |
| 16 | 39.49 | |
| 20 | 49.36 | |
| 25 | 61.70 | |
| 30 | 74.04 | |
| 16 | 16 | 41.46 |
| 20 | 51.83 | |
| 25 | 64.79 | |
| 30 | 77.74 | |
| 35 | 90.70 | |
| 20 | 16 | 49.36 |
| 20 | 61.70 | |
| 25 | 77.13 | |
| 30 | 92.55 | |
| 35 | 107.98 | |
| 25 | 20 | 74.04 |
| 25 | 92.55 | |
| 30 | 111.06 | |
| 35 | 129.57 | |
| 40 | 148.08 |
■P寸・L寸フリー指定タイプ [ ! ]L+T≦P×3.0
・下表の価格表は23年4月時点の情報になります。| 型式 | P 指定0.01mm単位 | L 指定0.1mm単位 | R | H | T | A | d | d1 | h | ¥基準単価 | ||||||||
| 丸フランジ 4点止め | 丸フランジ 3点止め | |||||||||||||||||
| Type | Dg6 | JBYF | JBYFB | JBYFM | JBYFS | JBYFC | JBTF | JBTFM | ||||||||||
| 丸・4点 JBYF JBYFB JBYFM JBYFS JBYFC 丸・3点 JBTF JBTFM | 10 | −0.005 −0.014 | 4.00〜6.50 | 5.0〜15.0 | 1 | 25 | 5 | 17 | 3.3 | 6.5 | 3.5 | 1,680 | 1,870 | 2,020 | 2,530 | 3,210 | 1,620 | 1,930 |
| 12 | −0.006 −0.017 | 6.00〜8.50 | 2 | 28 | 20 | 1,680 | 1,870 | 2,020 | 2,530 | 3,210 | 1,620 | 1,930 | ||||||
| 15 | 8.00〜10.50 | 10.0〜35.0 | 36 | 6 | 26 | 4.5 | 8 | 4.5 | 1,840 | 2,030 | 2,210 | 2,760 | 3,530 | 1,760 | 2,110 | |||
| 18 | 10.00〜12.50 | 1,860 | 2,050 | 2,240 | 2,790 | 3,530 | 1,790 | 2,140 | ||||||||||
| 20 | −0.007 −0.020 | 12.00〜13.50 | 40 | 30 | 1,860 | 2,050 | 2,240 | 2,790 | 3,530 | 1,790 | 2,140 | |||||||
| 22 | 12.00〜13.50 | 2,360 | 2,550 | 2,820 | 3,550 | 4,520 | 2,270 | 2,710 | ||||||||||
| 25 | 13.00〜15.50 | 44 | 34 | 2,360 | 2,550 | 2,820 | 3,550 | 4,520 | 2,270 | 2,710 | ||||||||
| 26 | 15.00〜16.50 | 2,700 | 2,890 | 3,240 | 4,050 | 5,160 | 2,590 | 3,110 | ||||||||||
| 30 | 16.00〜20.50 | 12.0〜50.0 | 3 | 56 | 8 | 42 | 6.6 | 11 | 6.5 | 3,050 | 3,230 | 3,650 | 4,580 | 5,820 | 2,920 | 3,510 | ||
| 35 | −0.009 −0.025 | 20.00〜25.00 | 60 | 46 | 3,370 | 3,560 | 4,040 | 5,050 | 6,440 | 3,230 | 3,890 | |||||||
| 型式 | − | P | − | L | − | (TKC・RC・FC・RH) |
| JBNF15 | − | P10.0 | − | L10.0 | − | TKC |
| JBTF20 | − | P12.0 | − | L12.0 | − | FC |
| Alteration | Code | Spec. | ¥/1Code | ||||||||||||||||||||||||
T寸法公差 変更 ![]() | TKC | T寸法公差を一般公差から±0.01に変更します。 指定方法 TKC [ NG ]P寸固定・L寸選択タイプ・二面フランジ | 400 | ||||||||||||||||||||||||
内径R 追加 ![]() | RC | 内径Rを両側に加工します。 D10→R1 D12〜26→R2 D30・35→R3 指定方法 RC [ ! ](D-P)/2≦2の場合は上限がR1.5となります。 | 300 | ||||||||||||||||||||||||
![]() | FC | フランジを片側 カットします。 指定方法 FC [ ! ]JBTF・JBTFM
| 200 |
| 型番 |
|---|
通常単価(税別)
(税込単価) | 通常出荷日 |
|---|
1,140円 ( 1,254円 ) | 在庫品1日目当日出荷可能 |
1,140円 ( 1,254円 ) | 在庫品1日目当日出荷可能 |
1,140円 ( 1,254円 ) | 在庫品1日目当日出荷可能 |
1,140円 ( 1,254円 ) | 在庫品1日目当日出荷可能 |
1,140円 ( 1,254円 ) | 在庫品1日目当日出荷可能 |
1,140円 ( 1,254円 ) | 在庫品1日目当日出荷可能 |
1,140円 ( 1,254円 ) | 在庫品1日目当日出荷可能 |
1,140円 ( 1,254円 ) | 在庫品1日目当日出荷可能 |
1,140円 ( 1,254円 ) | 在庫品1日目当日出荷可能 |
1,140円 ( 1,254円 ) | 在庫品1日目当日出荷可能 |
1,140円 ( 1,254円 ) | 在庫品1日目当日出荷可能 |
1,140円 ( 1,254円 ) | 在庫品1日目当日出荷可能 |
1,260円 ( 1,386円 ) | 在庫品1日目当日出荷可能 |
1,260円 ( 1,386円 ) | 在庫品1日目当日出荷可能 |
1,260円 ( 1,386円 ) | 在庫品1日目当日出荷可能 |
1,260円 ( 1,386円 ) | 在庫品1日目当日出荷可能 |
1,260円 ( 1,386円 ) | 在庫品1日目当日出荷可能 |
1,590円 ( 1,749円 ) | 在庫品1日目当日出荷可能 |
1,590円 ( 1,749円 ) | 在庫品1日目当日出荷可能 |
1,590円 ( 1,749円 ) | 在庫品1日目当日出荷可能 |
1,590円 ( 1,749円 ) | 在庫品1日目当日出荷可能 |
1,590円 ( 1,749円 ) | 在庫品1日目当日出荷可能 |
2,060円 ( 2,266円 ) | 在庫品1日目当日出荷可能 |
2,060円 ( 2,266円 ) | 在庫品1日目当日出荷可能 |
2,060円 ( 2,266円 ) | 在庫品1日目当日出荷可能 |
2,060円 ( 2,266円 ) | 在庫品1日目当日出荷可能 |
2,060円 ( 2,266円 ) | 在庫品1日目当日出荷可能 |
2,280円 ( 2,508円 ) | 在庫品1日目当日出荷可能 |
- ( - ) | 3日目 |
- ( - ) | 3日目 |
- ( - ) | 3日目 |
- ( - ) | 3日目 |
- ( - ) | 3日目 |
- ( - ) | 3日目 |
- ( - ) | 3日目 |
- ( - ) | 3日目 |
- ( - ) | 3日目 |
- ( - ) | 3日目 |
- ( - ) | 3日目 |
- ( - ) | 3日目 |
- ( - ) | 3日目 |
- ( - ) | 3日目 |
- ( - ) | 3日目 |
- ( - ) | 3日目 |
- ( - ) | 3日目 |
- ( - ) | 3日目 |
- ( - ) | 3日目 |
- ( - ) | 3日目 |
1,190円 ( 1,309円 ) | 在庫品1日目当日出荷可能 |
1,190円 ( 1,309円 ) | 在庫品1日目当日出荷可能 |
1,190円 ( 1,309円 ) | 在庫品1日目当日出荷可能 |
1,190円 ( 1,309円 ) | 在庫品1日目当日出荷可能 |
1,190円 ( 1,309円 ) | 在庫品1日目当日出荷可能 |
1,190円 ( 1,309円 ) | 在庫品1日目当日出荷可能 |
1,190円 ( 1,309円 ) | 在庫品1日目当日出荷可能 |
1,190円 ( 1,309円 ) | 在庫品1日目当日出荷可能 |
1,190円 ( 1,309円 ) | 在庫品1日目当日出荷可能 |
1,190円 ( 1,309円 ) | 在庫品1日目当日出荷可能 |
1,190円 ( 1,309円 ) | 在庫品1日目当日出荷可能 |
1,190円 ( 1,309円 ) | 在庫品1日目当日出荷可能 |
【用途】位置決めピン用ブシュの丸フランジタイプです。【追加工対応】T寸法公差変更、内径R追加、片側カット、内径R変更。
| 数量区分 | 標準対応 | 個別対応 | ||||
| 小口 | 大口 | 大口 | ||||
| 数 量 | 1〜4 | 5〜9 | 10〜19 | 20〜49 | 50〜100 | 101~ |
| 値引率 | 基準単価 | 5% | 10% | 15% | 23% | お見積り |
| 出荷日 | 通常 | +5日 | ||||



通常価格、通常出荷日が表示と異なる場合がございます
通常価格、通常出荷日が表示と異なる場合がございます

ミスミ
位置決めピン用ブシュ 固定寸 ストレートタイプ
4.7通常価格(税別):640円~

ミスミ
位置決めピン用ブシュ 指定寸 ストレートタイプ
4.5
ミスミ
位置決めピン用ブシュ 固定寸 ツバ付タイプ
4.6通常価格(税別):980円~

ミスミ
位置決めピン用ブシュ 指定寸 ツバ付タイプ
4.9
ミスミ
位置決めピン用ブシュ 二面フランジタイプ
4.5通常価格(税別):1,250円~

ミスミ
治具ブッシュ 高耐食ステンレス(55HRC~/35HRC~/SUS316L) -ストレートタイプ-
4.9通常価格(税別):910円~

ミスミ
位置決めピン用ブシュ 長円 二面フランジタイプ/ 二面フランジ簡易タイプ
4.5
ミスミ
位置決めピン用ブシュ 抜止めタイプ
5
ミスミ
位置決めピン用ブッシュ長円タイプ ツバ付(ノック回り止め)
4.3