メカニカル部品技術窓口
・止め輪が2個付属します。・ベルトコンベアなどのテンション張りにご使用下さい。
| Type | [ M ]材質 | [ S ]表面処理 | [ A ]付属品 | |
| SFRRT | S45C | 四三酸化鉄皮膜 | 止め輪2コ | ばね用鋼 |
| PSFRRT | 無電解ニッケルメッキ | |||
| SSFRRT | SUS304 | − | SUS304 | |
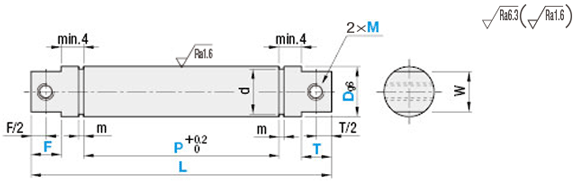
| 型式 | − | L | − | F | − | T | − | P | − | M |
| SFRRT20 | − | 250 | − | F30 | − | T30 | − | P184 | − | M10 |
| 型式 | 指定1mm単位 | M(並目) | W | d | m | |||||||||||||
| Type | Dg6 | L | F | T | P | 選択 | 許容差 | 許容差 | ||||||||||
| SFRRT PSFRRT SSFRRT | 8 | − 0.005 − 0.014 | 20〜400 | 7〜30 | 7〜30 | 5〜370 | 3 | 7 | 7 | + 0.09 0 | 0.9 | + 0.1 0 | ||||||
| 10 | 30〜500 | 10〜30 | 10〜30 | 5〜470 | 4 | 8 | 9.6 | 0 − 0.09 | 1.15 | + 0.14 0 | ||||||||
| 12 | - 0.006 - 0.017 | 30〜500 | 4 | 5 | 9 | 11.5 | 0 − 0.11 | |||||||||||
| 15 | 30〜600 | 16〜50 | 16〜50 | 10〜550 | 4 | 5 | 6 | 12 | 14.3 | |||||||||
| 17 | 40〜600 | 5 | 6 | 8 | 13 | 16.2 | ||||||||||||
| 20 | - 0.007 - 0.020 | 40〜600 | 6 | 8 | 10 | 16 | 19 | 0 − 0.21 | 1.35 | |||||||||
| 25 | 50〜600 | 8 | 10 | 12 | 20 | 23.9 | ||||||||||||
| 30 | 60〜600 | 25 | 28.6 | 1.65 | ||||||||||||||
| 追加工 コード | 追加工内容 | 適用条件 | 指定例 | ¥/1Code | |||||||||||||||||||||
| FC | 平面取り1ヶ所追加![]() | FC・G=1mm単位指定 [ ! ]G≦50 [ ! ]両端加工部分と同一直線上になりません。 ※Hはこちらを参照 | SFRRT20−250−F30−T30−P160−M10−FC50−G5 | 200 | |||||||||||||||||||||
| WFC | 平面取り2ヶ所追加![]() | WFC・J・W・V=1mm単位指定 [ ! ]J・V≦50 [ ! ]両端加工部分と同一直線上になりません。 ※Hはこちらを参照 | SFRRT20−250−F30−T30−P160−M10−WFC50−J5−W50−V5 | 300 | |||||||||||||||||||||
| SC | スパナ溝の追加![]() | SC=1mm単位指定 [ ! ]SC+ℓ2≦L [ ! ]SC=0又はSC≧1 [ ! ]両端加工部分と同一直線上になりません。 ※W・ℓ2はこちらを参照 | SFRRT20−250−F30−T30−P160−M10−SC50 | 400 | |||||||||||||||||||||
| LKC | L寸法公差変更![]() | [ ! ]L<500・・・・・L±0.05 [ ! ]L≧500・・・・・L±0.1 | SFRRT20−250−F30−T30−P160−M10−LKC | 400 | |||||||||||||||||||||
| WC | W寸法変更![]() | WC=0.1mm単位指定 [ NG ]φ10以下は不可
| SFRRT20−250−F30−T30−P160−M10−WC15.0 | 400 | |||||||||||||||||||||
| DC | 両端2面取り追加![]() | 面取り部の径を指定できます。 DC=0.1mm単位指定 [ ! ]DC≦Wの場合、Wの面取りが なくなります。 [ NG ]φ10以下は不可
| SFRRT20−250−F30−T30−P160−M10−DC19 | 500 |
| 型番 |
|---|
通常単価(税別)
(税込単価) | 通常出荷日 |
クリーン洗浄・梱包済みでお届けします
|
|---|
- ( - ) | 3日目 |
|
- ( - ) | 3日目 |
|
- ( - ) | 3日目 |
|
- ( - ) | 3日目 |
|
- ( - ) | 3日目 |
|
- ( - ) | 3日目 |
|
- ( - ) | 3日目 |
|
- ( - ) | 3日目 |
|
- ( - ) | 3日目 |
- |
- ( - ) | 3日目 |
- |
- ( - ) | 3日目 |
- |
- ( - ) | 3日目 |
- |
- ( - ) | 3日目 |
- |
- ( - ) | 3日目 |
- |
- ( - ) | 3日目 |
- |
- ( - ) | 3日目 |
- |
- ( - ) | 3日目 |
- |
- ( - ) | 3日目 |
- |
- ( - ) | 3日目 |
- |
- ( - ) | 3日目 |
- |
- ( - ) | 3日目 |
- |
- ( - ) | 3日目 |
- |
- ( - ) | 3日目 |
|
- ( - ) | 3日目 |
|
- ( - ) | 3日目 |
|
- ( - ) | 3日目 |
|
- ( - ) | 3日目 |
|
- ( - ) | 3日目 |
|
- ( - ) | 3日目 |
|
- ( - ) | 3日目 |
・止め輪が2個付属します。
・ベルトコンベアなどのテンション張りにご使用下さい。
| D | ¥ SFRRT | ¥ PSFRRT | ¥ SSFRRT | ||||||||||||||||||
| 最短L 〜50 | L51 〜100 | L101 〜150 | L151 〜200 | L201 〜300 | L301 〜400 | L401 〜600 | 最短L 〜50 | L51 〜100 | L101 〜150 | L151 〜200 | L201 〜300 | L301 〜400 | L401 〜600 | 最短L 〜50 | L51 〜100 | L101 〜150 | L151 〜200 | L201 〜300 | L301 〜400 | L401 〜600 | |
| 8 | 990 | 1,030 | 1,110 | 1,310 | 1,800 | 2,370 | - | 1,030 | 1,140 | 1,230 | 1,440 | 2,210 | 2,780 | - | 2,050 | 2,160 | 2,370 | 2,610 | 3,930 | 5,240 | - |
| 10 | 1,220 | 1,290 | 1,350 | 1,600 | 2,450 | 3,060 | 3,490 | 1,370 | 1,450 | 1,510 | 1,790 | 2,740 | 3,430 | 3,910 | 2,720 | 2,770 | 2,900 | 3,400 | 5,220 | 6,540 | 7,460 |
| 12 | 1,330 | 1,420 | 1,480 | 1,750 | 2,670 | 3,350 | 3,810 | 1,470 | 1,540 | 1,620 | 1,920 | 2,940 | 3,690 | 4,200 | 2,800 | 2,960 | 3,090 | 3,640 | 5,600 | 7,000 | 7,980 |
| 15 | 1,450 | 1,530 | 1,600 | 1,900 | 2,910 | 3,630 | 4,150 | 1,600 | 1,680 | 1,770 | 2,100 | 3,200 | 4,020 | 4,580 | 3,060 | 3,200 | 3,370 | 4,000 | 6,090 | 7,630 | 8,700 |
| 17 | 1,540 | 1,630 | 1,720 | 2,040 | 3,110 | 3,870 | 4,430 | 1,740 | 1,840 | 1,920 | 2,260 | 3,470 | 4,350 | 4,960 | 3,310 | 3,490 | 3,640 | 4,320 | 6,590 | 8,250 | 9,410 |
| 20 | 1,630 | 1,720 | 1,810 | 2,130 | 3,280 | 4,100 | 4,670 | 1,810 | 1,900 | 1,980 | 2,340 | 3,600 | 4,500 | 5,150 | 3,430 | 3,610 | 3,760 | 4,460 | 6,860 | 8,580 | 9,770 |
| 25 | 1,870 | 1,960 | 2,070 | 2,430 | 3,730 | 4,670 | 5,330 | 2,050 | 2,160 | 2,260 | 2,670 | 4,100 | 5,120 | 5,850 | 3,900 | 4,120 | 4,320 | 5,090 | 7,800 | 9,730 | 11,120 |
| 30 | - | 2,190 | 2,300 | 2,710 | 4,170 | 5,210 | 5,940 | - | 2,420 | 2,520 | 2,990 | 4,590 | 5,740 | 6,560 | - | 4,590 | 4,800 | 5,680 | 8,740 | 10,940 | 12,470 |
| 数量区分 | 標準対応 | 個別対応 | |||
| 小口 | 大口 | ||||
| 数 量 | 1〜9 | 10〜14 | 15〜19 | 20〜50 | 51~ |
| 値引率 | 基準単価 | 5% | 10% | 20% | お見積り |




通常価格、通常出荷日が表示と異なる場合がございます
通常価格、通常出荷日が表示と異なる場合がございます

ミスミ
回転軸 ストレートタイプ
4.6
ミスミ
回転軸 両端めねじタイプ
4.7
ミスミ
回転軸 止め輪溝タイプ
4.6
ミスミ
回転軸 片端めねじタイプ/片端めねじスパナ溝付タイプ
4.7
ミスミ
回転軸 両端段付タイプ
4.5
ミスミ
回転軸 ストレート キー溝付きタイプ
4.6
ミスミ
回転軸 片端段付タイプ
4.7
ミスミ
回転軸 片端段付 片端おねじタイプ/片端段付 片端おねじスパナ溝付タイプ
4.4
ミスミ
回転軸 片端段付 片端おねじ 片端めねじタイプ/片端段付 片端おねじ 片端めねじスパナ溝付タイプ
4.4