メカニカル部品技術窓口
ミスミ品のみ対象
片端面をめねじ加工したボールスプラインです。高精度な直動運動と回転トルクの伝達が可能な規格です。また、...
詳細を確認![]() | フランジタイプナットの向き ●1個ナットタイプ | ●2個ナットタイプ |
![]() | ![]() | |
| [ ! ]全長(L寸)選択時には焼きなまし範囲をご確認ください。こちら | ||
| [ ! ]付属品のナットは以下の形状よりご選択ください。 | ||
| ■丸フランジタイプ |
![]() |
| ■二面フランジタイプ |
![]() |
| ■ストレートナット | |
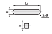
![]() | [ A ]付属キー寸法![]() |
| 片端めねじ タイプ | スプライン軸[ M ] SUJ2相当 ナット [ M ] SCM415相当 [ H ] 硬度58HRC~ | スプライン軸・ナット[ M ] 材質SUS440C相当 [ H ] 硬度55HRC~ |
| ナット1個 | ナット1個 | |
| 丸フランジナット付 | BSFM | BSFMS |
| 二面フランジナット付 | BSFN | - |
| ストレートナット付 | BSFS | BSFSS |
[ ! ]スプライン軸には焼きが入っていますが、加工時には焼きなましを行います。
焼きなまし範囲は>>こちらをご参照ください。
[ ! ]ナット取付方向を指定する場合は、「カタログ規格外品サービス」にてお見積りいたします。
詳細は下記「関連リンク」を参照下さい。
[ ! ]ナットに防塵用シールが取り付けられているため、スプライン軸を抜いてもボールが脱落しません。
(ナットに対し、スプライン軸を斜めに入れるとボールが脱落する可能性があります)
| 型式 | L 指定1mm単位 | M(並目) 選択 | D | 質量 (kg/m) | ||||||||
| Type | No. | ナット1個タイプ | ||||||||||
| BSFM BSFN BSFS BSFMS BSFSS | *6 | 60~500(190) | 3 | 6 | 0.23 | |||||||
| *8 | 60~600(190) | 3 | 4 | 8 | 0.39 | |||||||
| *10 | 60~800(390) | 3 | 4 | 5 | 10.4 | 0.65 | ||||||
| *13 | 60~800(390) | 4 | 5 | 6 | 13.4 | 1.11 | ||||||
| *16 | 70~1000(390) | 4 | 5 | 6 | 8 | 16.6 | 1.65 | |||||
| 20 | 80~1000 | 5 | 6 | 8 | 10 | 20.6 | 2.57 | |||||
| 25 | 90~1300 | 5 | 6 | 8 | 10 | 12 | 25.8 | 4.04 | ||||
| 30 | 100~1300 | 6 | 8 | 10 | 12 | 16 | 30.8 | 5.85 | ||||
[ ! ]潤滑:ボールスプラインは、出荷時に潤滑油が塗布されていますが、装置などへの取付後には再度塗布してください。
ご使用開始後は、走行距離100kmを目安に給油してください。
再度塗布する場合は、リチウム系石けん基グリース(昭和シェル石油製アルバニアグリースS2)を推奨致します。
■丸フランジナット・二面フランジナット
| No. | D (h6) | L | Df | H | P.C.D. | d1 | d2 | h | W | d | B | 基本定格トルク | 基本定格荷重 | 静的許容モーメント | 質量 (kg) | |||
| 動 Ct (N・m) | 静 C0t (N・m) | 動 C (kN) | 静 C0 (kN) | M01 (N・m) | M02 (N・m) | |||||||||||||
| 6 | 14 | 25 | 30 | 6 | 22 | 3.5 | 6 | 3.1 | 6.5 | 1.5 | 18 | 3.8 | 7 | 1.2 | 2.1 | 5 | 36 | 0.03 |
| 8 | 16 | 32 | 24 | 21 | 4.8 | 8.7 | 1.2 | 2.1 | 5 | 36 | 0.04 | |||||||
| 10 | 21 | 40(33) | 42(41) | 6(8) | 32(30) | 4.5 | 8 | 4.4(5.3) | 14(8.5) | 25 | 19(11) | 34(21) | 3.8(2.4) | 6.9(4.3) | 26(15) | 181(102) | 0.09 | |
| 13 | 24 | 44(36) | 44(45) | 7(8) | 33(34) | 15(10) | − | 28(20) | 52(37) | 4.6(3.3) | 8.3(5.9) | 36(22) | 251(148) | 0.11 | ||||
| 16 | 31 | 50 | 51 | 7 | 40 | 4.4 | 18 | 51 | 93 | 6.2 | 11.1 | 56 | 386 | 0.2 | ||||
| 20 | 35 | 63 | 58 | 9 | 45 | 5.5 | 9.5 | 5.4 | 22.5 | 2 | 85 | 154 | 8.5 | 15.3 | 83 | 611 | 0.3 | |
| 25 | 42 | 71 | 65 | 52 | 26.5 | 193 | 348 | 15.4 | 27.7 | 173 | 1248 | 0.4 | ||||||
| 30 | 47 | 80 | 75 | 10 | 60 | 6.6 | 11 | 6.5 | 30 | 2.5 | 272 | 490 | 18.5 | 33.3 | 212 | 1581 | 0.57 | |
■ストレートナット
| No. | D (h6) | L | b | t (+0.05 0) | d | α | 基本定格トルク | 基本定格荷重 | 静的許容モーメント | 質量 (kg) | キー寸法(付属品) | |||||||||
| 許容差 | 動 Ct (N・m) | 静 C0t (N・m) | 動 C (kN) | 静 C0 (kN) | M01 (N・m) | M02 (N・m) | B | h | L1 | R | ||||||||||
| 許容差 | 許容差 | |||||||||||||||||||
| 6 | 14 | 25 | 2.5 | +0.014 0 | 1.2 | 1.5 | 15° | 3.8 | 7 | 1.2 | 2.1 | 5 | 36 | 0.012 | 2.5 | +0.016 +0.006 | 2.5 | 0 −0.025 | 10.5 | 1.25 |
| 8 | 16 | 25° | 4.8 | 8.7 | 1.2 | 2.1 | 5 | 36 | 0.013 | 10.5 | ||||||||||
| 10 | 21 | 40(33) | 3 | 1.5 | − | 19(11) | 34(21) | 3.8(2.4) | 6.9(4.3) | 26(15) | 181(102) | 0.06 | 3 | 3 | 17(14) | 1.5 | ||||
| 13 | 24 | 44(36) | 28(20) | 52(37) | 4.6(3.3) | 8.3(5.9) | 36(22) | 251(148) | 0.07 | 17(14) | ||||||||||
| 16 | 31 | 50 | 3.5 | +0.018 0 | 2 | 51 | 93 | 6.2 | 11.1 | 56 | 386 | 0.15 | 3.5 | +0.024 +0.012 | 3.5 | 0 −0.030 | 18 | 1.75 | ||
| 20 | 35 | 63 | 4 | 2.5 | 2 | 85 | 154 | 8.5 | 15.3 | 83 | 611 | 0.2 | 4 | 4 | 29 | 2 | ||||
| 25 | 42 | 71 | 193 | 348 | 15.4 | 27.7 | 173 | 1248 | 0.29 | 33 | ||||||||||
| 30 | 47 | 80 | 2.5 | 272 | 490 | 18.5 | 33.3 | 212 | 1581 | 0.37 | 42 | |||||||||
| 型式 | − | L | − | M | − | (SC・FC・NTW) |
| BSFS10 | − | 350 | − | M5 | − | SC15 |
| Alterations | スパナ溝追加工 | 平面取り追加工 | ナット数追加 | |||||||||||||||||||||||||||||||||||||||
![]() | ![]() | ![]() | ||||||||||||||||||||||||||||||||||||||||
| Code | SC | FC | NTW | |||||||||||||||||||||||||||||||||||||||
| Spec. |
|
| ナット数を追加 (1個を2個に追加) [ ! ] BSFS・BSFM BSFNのみ適用 | |||||||||||||||||||||||||||||||||||||||
| ¥/1Code | 700 | 600 | 2個ナットタイプ追加 価格表参照 | |||||||||||||||||||||||||||||||||||||||
[ ! ]スプラインナットのキー、または取付穴と追加工の位置関係は指定できません。
加工位置のご指定が必要な場合は下記「カタログ規格外品サービス」にてお見積り致します。
| ボールスプライン組付け時の注意 | ![]() |
| ■組付け位置のご確認 | |
| ナットとスプライン軸には合いマークが記入されています(右図参照)。 | |
| 再組付けの際には合いマークNoの文字向き、位置関係をあわせて入れてください。 | |
| 合いマークを正しく合わせないと機能に影響します。 | |
| ■相手穴の公差 | |
| ナットをハウジングへ取り付ける際の相手穴の公差は、H7公差を推奨します。 | |
| ■軸端加工を行うお客様へ | |
| ナット挿入を容易にするため、軸端加工後の面取り、並びにスプライン溝の エッジ部のバリを丸やすり等で除去して使用ください。 |

| 型番 |
|---|
通常単価(税別)
(税込単価) | 通常出荷日 |
価格が安い代替相当品
|
|---|
- ( - ) | 11日目 |
- |
- ( - ) | 11日目 |
- |
- ( - ) | 11日目 |
- |
- ( - ) | 11日目 |
|
- ( - ) | 11日目 |
- |
- ( - ) | 11日目 |
- |
- ( - ) | 11日目 |
|
- ( - ) | 11日目 |
- |
- ( - ) | 11日目 |
- |
- ( - ) | 11日目 |
|
- ( - ) | 11日目 |
- |
- ( - ) | 11日目 |
- |
- ( - ) | 11日目 |
|
- ( - ) | 11日目 |
- |
- ( - ) | 11日目 |
- |
- ( - ) | 11日目 |
|
- ( - ) | 11日目 |
- |
- ( - ) | 11日目 |
- |
- ( - ) | 11日目 |
|
- ( - ) | 11日目 |
- |
- ( - ) | 11日目 |
- |
- ( - ) | 11日目 |
|
- ( - ) | 11日目 |
- |
- ( - ) | 11日目 |
- |
- ( - ) | 5日目 |
- |
- ( - ) | 98日目 |
- |
- ( - ) | 7日目 |
- |
- ( - ) | 5日目 |
- |
- ( - ) | 7日目 |
- |
- ( - ) | 7日目 |
- |
- ( - ) | 5日目 |
- |
- ( - ) | 7日目 |
- |
- ( - ) | 7日目 |
- |
- ( - ) | 5日目 |
- |
- ( - ) | 7日目 |
- |
- ( - ) | 7日目 |
- |
- ( - ) | 5日目 |
- |
- ( - ) | 7日目 |
- |
- ( - ) | 7日目 |
- |
- ( - ) | 11日目 |
- |
- ( - ) | 11日目 |
- |
- ( - ) | 11日目 |
- |
- ( - ) | 11日目 |
- |
- ( - ) | 11日目 |
- |
- ( - ) | 11日目 |
- |
- ( - ) | 11日目 |
- |
- ( - ) | 11日目 |
- |
- ( - ) | 11日目 |
- |
- ( - ) | 11日目 |
- |
- ( - ) | 11日目 |
- |
- ( - ) | 11日目 |
- |
- ( - ) | 11日目 |
|
- ( - ) | 11日目 |
- |
- ( - ) | 11日目 |
- |
- ( - ) | 11日目 |
|
- ( - ) | 11日目 |
- |
- ( - ) | 11日目 |
- |
- ( - ) | 11日目 |
|
- ( - ) | 11日目 |
- |
- ( - ) | 11日目 |
- |
片端面をめねじ加工したボールスプラインです。高精度な直動運動と回転トルクの伝達が可能な規格です。また、シャフトに加工したボール溝と鋼球との接触面積が大きく、負荷容量も大きく長寿命です。1軸でも直動ガイドとして使用可能なためコンパクトな設計を実現します。
ナットに防塵用シールが取り付けられているため、スプライン軸を抜いてもボールが脱落しません。
| 型式 | ¥基準単価 | |||||||||||
| Type | No. | 最短L 〜150 | L151 〜200 | L201 〜300 | L301 〜400 | L401 〜500 | L501 〜600 | L601 〜700 | L701 〜800 | L801 〜900 | L901 〜1000 | L1001 〜1150 |
| BSFM | 6 | 12,260 | 12,850 | 14,640 | 16,410 | - | - | - | - | - | - | - |
| 8 | 12,650 | 13,230 | 14,990 | 16,750 | - | - | - | - | - | - | - | |
| 10 | 13,660 | 14,150 | 16,500 | 18,440 | 20,960 | 24,270 | - | - | - | - | - | |
| 13 | 14,100 | 14,670 | 17,210 | 19,330 | 21,680 | 24,780 | - | - | - | - | - | |
| 16 | 16,850 | 17,630 | 20,150 | 23,470 | 25,790 | 30,060 | - | - | - | - | - | |
| 20 | 19,330 | 20,020 | 22,350 | 26,040 | 28,580 | 32,470 | 35,470 | - | - | - | - | |
| 25 | 23,670 | 24,630 | 27,560 | 28,930 | 33,000 | 36,120 | 41,060 | 44,470 | 49,010 | - | - | |
| 30 | 27,330 | 28,120 | 31,240 | 32,970 | 37,250 | 40,760 | 46,280 | 49,880 | 55,230 | 58,600 | 69,230 | |
| BSFN | 6 | 13,410 | 14,020 | 15,830 | 17,650 | - | - | - | - | - | - | - |
| 8 | 13,810 | 14,400 | 16,190 | 17,980 | - | - | - | - | - | - | - | |
| 10 | 14,910 | 15,400 | 17,790 | 19,770 | 22,350 | 25,730 | - | - | - | - | - | |
| BSFS | 6 | 11,270 | 11,870 | 13,640 | 15,410 | - | - | - | - | - | - | - |
| 8 | 11,690 | 12,270 | 14,010 | 15,770 | - | - | - | - | - | - | - | |
| 10 | 12,500 | 13,000 | 15,310 | 17,250 | 19,790 | 23,100 | - | - | - | - | - | |
| 13 | 13,030 | 13,610 | 16,130 | 18,270 | 20,600 | 23,710 | - | - | - | - | - | |
| 16 | 15,300 | 16,070 | 18,610 | 21,900 | 24,240 | 28,530 | - | - | - | - | - | |
| 20 | 17,600 | 18,270 | 20,600 | 24,300 | 26,830 | 30,710 | 33,720 | - | - | - | - | |
| 25 | 21,340 | 22,300 | 25,220 | 26,590 | 30,670 | 33,780 | 38,750 | 42,130 | 46,690 | - | - | |
| 30 | 25,010 | 25,780 | 28,900 | 30,650 | 34,910 | 38,410 | 43,940 | 47,540 | 52,890 | 56,270 | 66,610 | |
| 型式 | ¥基準単価 | ||||||
| Type | No. | 最短L ~150 | L151 ~200 | L201 ~250 | L251 ~300 | L301 ~350 | L351 ~390 |
| BSFMS | 6 | 26,390 | 27,910 | - | - | - | - |
| 8 | 26,410 | 27,920 | - | - | - | - | |
| 10 | 28,910 | 31,120 | 37,170 | 40,030 | 44,940 | 48,390 | |
| 13 | 30,620 | 32,970 | 38,880 | 41,870 | 47,150 | 50,770 | |
| 16 | 38,790 | 41,770 | 46,070 | 49,620 | 54,820 | 59,040 | |
| BSFSS | 6 | 23,510 | 25,230 | - | - | - | - |
| 8 | 23,530 | 25,250 | - | - | - | - | |
| 10 | 25,990 | 27,980 | 34,250 | 36,890 | 42,020 | 45,260 | |
| 13 | 27,460 | 29,570 | 35,720 | 38,470 | 43,980 | 47,370 | |
| 16 | 33,810 | 36,400 | 41,100 | 44,260 | 49,840 | 53,680 | |
| No. | 2個ナットタイプ ¥追加価格 | ||
| 丸フランジナット | 二面フランジナット | ストレートナット | |
| 6 | 4,950 | 5,170 | 3,860 |
| 8 | 4,970 | 5,170 | 3,850 |
| 10 | 5,990 | 6,020 | 4,660 |
| 13 | 6,210 | - | 4,990 |
| 16 | 7,490 | - | 5,720 |
| 20 | 8,890 | - | 6,920 |
| 25 | 10,460 | - | 7,810 |
| 30 | 12,810 | - | 10,170 |
| 数量区分 | 標準対応 | 個別対応 | |
| 小口 | 大口 | 大口 | |
| 数 量 | 1~4 | 5~8 | 9~ |
| 出荷日 | 通常 | +6日 | お見積り |
| 数量区分 | 標準対応 | 個別対応 |
| 小口 | 大口 | |
| 数 量 | 1~4 | 5~ |
| 出荷日 | 通常 | お見積り |
| 6 | 日目出荷 |
| 大 口 出荷日 | +6 | 日目出荷 | 数量 5~8 |
| [ ! ]数量5コ以上は お見積り |
出荷日については、こちらをご覧ください。



通常価格、通常出荷日が表示と異なる場合がございます
通常価格、通常出荷日が表示と異なる場合がございます

ミスミ
ボールスプライン 片端段付タイプ
0
ミスミ
ボールスプライン スタンダードタイプ
3.7
ミスミ
ボールスプライン 両端段付めねじタイプ
4
ミスミ
ボールスプライン 両端段付タイプ
0
THK
スプラインナット
3.8通常価格(税別):2,420円~

ミスミ
ボールスプライン 両端めねじタイプ
4.3
ミスミ
ボールスプライン 片端めねじタイプ
5
ミスミ
ボールスプライン 片端段付おねじ片端めねじタイプ
3
ミスミ
【エコノミーシリーズ】 ボールスプライン 中空軸 丸フランジナット 両端めねじタイプ
0