17時までのご注文で最短当日出荷可能 当日出荷対象商品135万点拡大中!

エレクトロニクス部品技術窓口

絞り込み条件

まずは条件を 絞り込んでください

未確定:候補が54型番あります。

【らくらく選定】スイッチボックス アルミ 組み立て配線済み

通常単価(税別)
-
税込単価
-
通常出荷日:3日目

・部品調達、組み立て配線作業は不要!Webで簡単選定、完成品をお届け!・ボックスサイズ、スイッチ個数・...

詳細を確認
  • スイッチボックスを構成する一部の部材商品にて一時的に受注を停止している場合がございます。各部材毎の受注状況詳細は下記商品仕様タブにございます商品リンクよりご確認下さい。
  • 本製品は、2D/3D CADのデータのご用意はございません。ご了承ください。
  • ご注文後の変更対応は、お受けしておりません。注文変更・キャンセル・返品ポリシーについては(>>こちら)をご参照ください。
未確定:候補が54型番あります。
  • 単価(税別)
    -
  • 合計(税別)
    -
    (税込価格:-)
  • 出荷日
    -
    (参考出荷日:-)
数量:

商品仕様

外形図

W48×H45(型番:SA4845□-□1-□□-)     ※ボックス単品はこちら
<側面図(樹脂キャップ側)><側面図>

 
<上面図> 
L:65mm

L:110mm

L:155mm
<底面図>
※固定穴ありタイプのみ
 
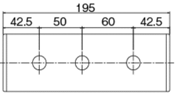
W65×H55(型番:SA6555□-□2-□□-)     ※ボックス単品はこちら
<側面図(樹脂キャップ側)><側面図>
                                       
<上面図> 
L:85mm

L:145mm

L:195mm
<底面図>
 ※固定穴ありタイプのみ
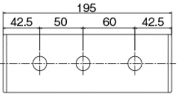
W80×H70(型番:SA8070□-□2-□□-)     ※ボックス単品はこちら
<側面図(樹脂キャップ側)><側面図>

<上面図>
L:85mm

L:145mm

L:195mm
 <底面図>
※固定穴ありタイプのみ
 

型番構成(アルミ)

                          
ボックス スイッチ ケーブル  スイッチ種類  オプション品
1 2 3 4  5 6 7  8 9 10 11
材質サイズ固定穴個数サイズ
φ
端末
処理

 1個目2個目3個目 銘板1銘板2銘板3ゴム足
SA4845H31VY101DEL2FPSHRL3FS2CS1DB2AA3BPF
                          
            【らくらく選定】スイッチボックス アルミ 組み立て配線済み 関連画像         
            ケーブルの反対側から順にn個目となります。         
 

規格表

規格表(アルミ)

ボックススイッチケーブル
材質サイズ固定穴個数サイズ(φ)端末処理長さ
SA
アルミ
4845
W48×H45
記号なし
(穴なし)

H あり
1

2

3
1
φ16
VC 切り落とし

VY  Y端子付き

VR  丸端子付き
0.5

15
6555
W65×H55
記号なし
(穴なし)

H あり
1

2

3
2
φ22
VC 切り落とし

VY  Y端子付き

VR  丸端子付き
8070
W80×H70
記号なし
(穴なし)

H あり
1

2

3
2
φ22
VC 切り落とし

VY  Y端子付き

VR  丸端子付き
[ ! ] ご選択いただくスイッチによって、接続端子方法が異なります。
[ ! ] 本商品は非防水タイプとなります。※ボックス(IDEC製)のみIP65対応です。
[ ! ] 掲載以外のスイッチで組立することはできません。特注お見積りをご希望の場合 (>>こちら) より、ご依頼お願いします。
[ ! ] ボックス上下のキャップは樹脂製となります。
[ ! ] Y端子、丸端子の寸法は(>>こちら)
共通仕様
[ ! ] 結線図、ケーブル型番(サイズ)情報は>>こちら
[ ! ] 内部配線図のご準備はございません。

スイッチφ16

IDEC
φ16 非常停止ボタン
記号機能/色/形状
DEL【らくらく選定】スイッチボックス アルミ 組み立て配線済み 関連画像照光式/1a1b
プッシュロック ターンリセット
型番XA1E-LV411Q4R
DE【らくらく選定】スイッチボックス アルミ 組み立て配線済み 関連画像非照光式/1a1b
プッシュロック ターンリセット
型番XA1E-BV411R
DEG【らくらく選定】スイッチボックス アルミ 組み立て配線済み 関連画像非照光・EMO文字/1b+ガード付
プッシュロック ターンリセット
型番XA1E-BV401RH-EMO
XA9Z-KG1
[ ! ] DEGは「EMO」文字入りとなります。
[ ! ] DEGご選定される場合は、下記銘板「DA」、「DB」の選択は不可となります。
       部材単品の商品ページにてご確認ください。

スイッチφ16

富士電機機器制御
φ16 照光押しボタン φ16 押しボタン φ16 表示灯 φ16 セレクタ・ブザー
記号機能/色/形状 記号機能/色/形状 記号機能/色/形状 記号機能/色/形状
FPSHRL【らくらく選定】スイッチボックス アルミ 組み立て配線済み 関連画像長角平形/1c/赤
モメンタリ
 FPSHR【らくらく選定】スイッチボックス アルミ 組み立て配線済み 関連画像長角平形/1c/赤
モメンタリ
 FLSHRL【らくらく選定】スイッチボックス アルミ 組み立て配線済み 関連画像長角平形/赤
AC・DC 24V
  FS2CS【らくらく選定】スイッチボックス アルミ 組み立て配線済み 関連画像長角形/セレクタ/1c
2ノッチ
型番AR16F0N-C1E3R 型番AR16F0T-C1R 型番DR16F0N-E3R 型番AR16PT-2C1B
FPSHGL【らくらく選定】スイッチボックス アルミ 組み立て配線済み 関連画像長角平形/1c/緑
モメンタリ
 FPSHG【らくらく選定】スイッチボックス アルミ 組み立て配線済み 関連画像長角平形/1c/緑
モメンタリ
 FLSHGL【らくらく選定】スイッチボックス アルミ 組み立て配線済み 関連画像長角平形/緑
AC・DC 24V
  FS3CS【らくらく選定】スイッチボックス アルミ 組み立て配線済み 関連画像長角形/セレクタ/2c
3ノッチ
型番AR16F0N-C1E3G 型番AR16F0T-C1G 型番DR16F0N-E3G 型番AR16PT-3C2B
FPSHWL【らくらく選定】スイッチボックス アルミ 組み立て配線済み 関連画像長角平形/1c/白
モメンタリ
 FPSHB【らくらく選定】スイッチボックス アルミ 組み立て配線済み 関連画像長角平形/1c/黒
モメンタリ
 FLSHWL【らくらく選定】スイッチボックス アルミ 組み立て配線済み 関連画像長角平形/白
AC・DC 24V
  FBZS【らくらく選定】スイッチボックス アルミ 組み立て配線済み 関連画像長角形/ブザー
50~70dB/音量調節 有り
型番AR16F0N-C1E3W 型番AR16F0T-C1B 型番DR16F0N-E3W 型番AH164-TX2BE
FPSHYL【らくらく選定】スイッチボックス アルミ 組み立て配線済み 関連画像長角平形/1c/黄
モメンタリ
 FPSHY【らくらく選定】スイッチボックス アルミ 組み立て配線済み 関連画像長角平形/1c/黄
モメンタリ
 FLSHYL【らくらく選定】スイッチボックス アルミ 組み立て配線済み 関連画像長角平形/黄
AC・DC 24V
     
型番AR16F0N-C1E3Y 型番AR16F0T-C1Y 型番DR16F0N-E3Y     
                   
FPRTRL【らくらく選定】スイッチボックス アルミ 組み立て配線済み 関連画像丸突形/1c/赤
モメンタリ
 FPRTR【らくらく選定】スイッチボックス アルミ 組み立て配線済み 関連画像丸突形/1c/赤
モメンタリ
 FLRTRL【らくらく選定】スイッチボックス アルミ 組み立て配線済み 関連画像丸突形/赤
AC・DC 24V
     
型番AR16E0L-C1E3R 型番AR16E0R-C1R 型番DR16E0L-E3R     
FPRTGL【らくらく選定】スイッチボックス アルミ 組み立て配線済み 関連画像丸突形/1c/緑
モメンタリ
 FPRTG【らくらく選定】スイッチボックス アルミ 組み立て配線済み 関連画像丸突形/1c/緑
モメンタリ
 FLRTGL【らくらく選定】スイッチボックス アルミ 組み立て配線済み 関連画像丸突形/緑
AC・DC 24V
     
型番AR16E0L-C1E3G 型番AR16E0R-C1G 型番DR16E0L-E3G     
FPRTWL【らくらく選定】スイッチボックス アルミ 組み立て配線済み 関連画像丸突形/1c/白
モメンタリ
 FPRTB【らくらく選定】スイッチボックス アルミ 組み立て配線済み 関連画像丸突形/1c/黒
モメンタリ
 FLRTWL【らくらく選定】スイッチボックス アルミ 組み立て配線済み 関連画像丸突形/白
AC・DC 24V
     
型番AR16E0L-C1E3W 型番AR16E0R-C1B 型番DR16E0L-E3W     
FPRTYL【らくらく選定】スイッチボックス アルミ 組み立て配線済み 関連画像丸突形/1c/黄
モメンタリ
 FPRTY【らくらく選定】スイッチボックス アルミ 組み立て配線済み 関連画像丸突形/1c/黄
モメンタリ
 FLRTYL【らくらく選定】スイッチボックス アルミ 組み立て配線済み 関連画像丸突形/黄
AC・DC 24V
     
型番AR16E0L-C1E3Y 型番AR16E0R-C1Y 型番DR16E0L-E3Y     
[ ! ] 画像はイメージです。詳細仕様は各部材の商品ページ(型番クリック)にてご確認ください。
[ ! ] 接点構成が1cのスイッチにつきましてはNO端子のみ接続を行い1a接点として使用しております。

スイッチφ22

IDEC
φ22 非常停止ボタン
記号機能/色/形状
DEL【らくらく選定】スイッチボックス アルミ 組み立て配線済み 関連画像照光式/1a1b
プッシュロック ターンリセット
型番XW1E-LV411Q4MR
DE【らくらく選定】スイッチボックス アルミ 組み立て配線済み 関連画像非照光式/1a1b
プッシュロック ターンリセット
型番HW1B-V411R
DEG【らくらく選定】スイッチボックス アルミ 組み立て配線済み 関連画像非照光・EMO文字/1a1b+ガード付
プッシュロック ターンリセット
型番HW1B-V411R-EMO
HW9Z-KG1
[ ! ] DEGは「EMO」文字入りとなります。
[ ! ] DEGご選定される場合は、下記銘板「DA」、「DB」の選択は不可となります。
       部材単品の商品ページにてご確認ください。

スイッチφ22

富士電機機器制御
φ22 照光押しボタン φ22 押しボタン φ22 表示灯 φ22 セレクタ・ブザー
記号機能/色/形状 記号機能/色/形状 記号機能/色/形状 記号機能/色/形状
   
FPRHRL【らくらく選定】スイッチボックス アルミ 組み立て配線済み 関連画像丸平形/1a/赤
モメンタリ
 FPRHR【らくらく選定】スイッチボックス アルミ 組み立て配線済み 関連画像丸平形/1a/赤
モメンタリ
 FLDRL【らくらく選定】スイッチボックス アルミ 組み立て配線済み 関連画像ドーム形/赤
AC・DC 24V
 FS2AR【らくらく選定】スイッチボックス アルミ 組み立て配線済み 関連画像丸形/セレクタ/1a
2ノッチ
型番AR22F0L-10E3R 型番AR22F0R-10R 型番DR22D0L-E3R 型番AR22PR-210B
FPRHGL【らくらく選定】スイッチボックス アルミ 組み立て配線済み 関連画像丸平形/1a/緑
モメンタリ
 FPRHG【らくらく選定】スイッチボックス アルミ 組み立て配線済み 関連画像丸平形/1a/緑
モメンタリ
 FLDGL【らくらく選定】スイッチボックス アルミ 組み立て配線済み 関連画像ドーム形/緑
AC・DC 24V
 FS2ABR【らくらく選定】スイッチボックス アルミ 組み立て配線済み 関連画像丸形/セレクタ/1a1b
2ノッチ
型番AR22F0L-10E3G 型番AR22F0R-10G 型番DR22D0L-E3G 型番AR22PR-211B
FPRHWL【らくらく選定】スイッチボックス アルミ 組み立て配線済み 関連画像丸平形/1a/白
モメンタリ
 FPRHB【らくらく選定】スイッチボックス アルミ 組み立て配線済み 関連画像丸平形/1a/黒
モメンタリ
 FLDWL【らくらく選定】スイッチボックス アルミ 組み立て配線済み 関連画像ドーム形/白
AC・DC 24V
 FS3ABR【らくらく選定】スイッチボックス アルミ 組み立て配線済み 関連画像丸形/セレクタ/1a1b
3ノッチ
型番AR22F0L-10E3W 型番AR22F0R-10B 型番DR22D0L-E3W 型番AR22PR-311B
FPRHYL【らくらく選定】スイッチボックス アルミ 組み立て配線済み 関連画像丸平形/1a/黄
モメンタリ
 FPRHY【らくらく選定】スイッチボックス アルミ 組み立て配線済み 関連画像丸平形/1a/黄
モメンタリ
 FLDYL【らくらく選定】スイッチボックス アルミ 組み立て配線済み 関連画像ドーム形/黄
AC・DC 24V
 FBZR【らくらく選定】スイッチボックス アルミ 組み立て配線済み 関連画像丸形/ブザー
70dB/音量調節 無し
型番AR22F0L-10E3Y 型番AR22F0R-10Y 型番DR22D0L-E3Y 型番DR22B5-EB
                   
FPRTRL【らくらく選定】スイッチボックス アルミ 組み立て配線済み 関連画像丸突形/1a/赤
モメンタリ
 FPRTR【らくらく選定】スイッチボックス アルミ 組み立て配線済み 関連画像丸突形/1a/赤
モメンタリ
 FLSHRL【らくらく選定】スイッチボックス アルミ 組み立て配線済み 関連画像正角平形/1a/赤
AC・DC 24V
     
型番AR22E0L-10E3R 型番AR22E0R-10R 型番DR22F3M-E3R     
FPRTGL【らくらく選定】スイッチボックス アルミ 組み立て配線済み 関連画像丸突形/1a/緑
モメンタリ
 FPRTG【らくらく選定】スイッチボックス アルミ 組み立て配線済み 関連画像丸突形/1a/緑
モメンタリ
 FLSHGL【らくらく選定】スイッチボックス アルミ 組み立て配線済み 関連画像正角平形1a/緑
AC・DC 24V
     
型番AR22E0L-10E3G 型番AR22E0R-10G 型番DR22F3M-E3G     
FPRTWL【らくらく選定】スイッチボックス アルミ 組み立て配線済み 関連画像丸突形/1a/白
モメンタリ
 FPRTB【らくらく選定】スイッチボックス アルミ 組み立て配線済み 関連画像丸突形/1a/黒
モメンタリ
 FLSHWL【らくらく選定】スイッチボックス アルミ 組み立て配線済み 関連画像正角平形1a/白
AC・DC 24V
     
型番AR22E0L-10E3W 型番AR22E0R-10B 型番DR22F3M-E3W     
FPRTYL【らくらく選定】スイッチボックス アルミ 組み立て配線済み 関連画像丸突形/1a/黄
モメンタリ
 FPRTY【らくらく選定】スイッチボックス アルミ 組み立て配線済み 関連画像丸突形/1a/黄
モメンタリ
 FLSHYL【らくらく選定】スイッチボックス アルミ 組み立て配線済み 関連画像正角平形1a/黄
AC・DC 24V
     
型番AR22E0L-10E3Y 型番AR22E0R-10Y 型番DR22F3M-E3Y     
                   
FPSHRL【らくらく選定】スイッチボックス アルミ 組み立て配線済み 関連画像正角平形/1a/赤
モメンタリ
 FPSHR【らくらく選定】スイッチボックス アルミ 組み立て配線済み 関連画像正角平形/1a/赤
モメンタリ
          
型番AR22F0M-10E3R 型番AR22F0S-10R          
FPSHGL【らくらく選定】スイッチボックス アルミ 組み立て配線済み 関連画像正角平形1a/緑
モメンタリ
 FPSHG【らくらく選定】スイッチボックス アルミ 組み立て配線済み 関連画像正角平形1a/緑
モメンタリ
          
型番AR22F0M-10E3G 型番AR22F0S-10G          
FPSHWL【らくらく選定】スイッチボックス アルミ 組み立て配線済み 関連画像正角平形1a/白
モメンタリ
 FPSHB【らくらく選定】スイッチボックス アルミ 組み立て配線済み 関連画像正角平形1a/黒
モメンタリ
          
型番AR22F0M-10E3W 型番AR22F0S-10B          
FPSHYL【らくらく選定】スイッチボックス アルミ 組み立て配線済み 関連画像正角平形1a/黄
モメンタリ
 FPSHY【らくらく選定】スイッチボックス アルミ 組み立て配線済み 関連画像正角平形1a/黄
モメンタリ
          
型番AR22F0M-10E3Y 型番AR22F0S-10Y          
[ ! ] 画像はイメージです。詳細仕様は各部材の商品ページ(型番クリック)にてご確認ください。
[ ! ] 接点構成が1cのスイッチにつきましてはNO端子のみ接続を行い1a接点として使用しております。
  アクリル製
ネームプレート
アクリル製
ダルマ銘板
非常停止銘板
  【らくらく選定】スイッチボックス アルミ 組み立て配線済み 関連画像【らくらく選定】スイッチボックス アルミ 組み立て配線済み 関連画像【らくらく選定】スイッチボックス アルミ 組み立て配線済み 関連画像

オプション(銘板)

 
※単品販売↓ 
Web設計銘板はこちら 
  ミスミオリジナルミスミオリジナルIDEC
  外形W40×H10φ22・φ16穴φ22/外形φ60
穴φ16/外形φ43.5
彫刻文字取付位置
(n個目)
記号
EMERGENCY STOP1

2

3
--DA
非常停止--DB
起動AABA-
停止ABBB
STARTACBC
STOPADBD
ONAEBE
OFFAFBF
上昇AIBI
下降AJBJ
運転AKBK
電源ANBN
切-入-BO
手動-自動-BP
手動-切-自動-BQ
OFF-ON-BR
【らくらく選定】スイッチボックス アルミ 組み立て配線済み 関連画像

アクリル製ダルマ銘板 φ16

サイズ(単位:mm)
D(φ)WHC(F)A(文字高さ)
16.5253522.5144

オプション(ゴム足)

記号F

※4個入り

※型番:B15-5

型番リスト

表示件数
型番

スイッチ数

スイッチサイズ

(φ)

ボックスサイズ

(mm)

固定穴

端末処理

ケーブル長さ

(m)

スイッチ種類(1個目)

スイッチ種類(2個目)

スイッチ種類(3個目)

RoHS?最小発注数量
1個
16
W48×H45
穴なし
切り落とし(VC)
0.5 ~ 15
1.DEL(照光/非常停止) / 2.DE(非常停止) / 3.DEG(非常停止+ガード付き) / 4.FPSHRL(照光押しボタン/角平/赤) / 5.FPSHGL(照光押しボタン/角平/緑) / 6.FPSHWL(照光押しボタン/角平/白) / 7.FPSHYL(照光押しボタン/角平/黄) / 8.FPRTRL(照光押しボタン/丸突/赤) / 9.FPRTGL(照光押しボタン/丸突/緑) / 10.FPRTWL(照光押しボタン/丸突/白) / 11.FPRTYL(照光押しボタン/丸突/黄) / 16.FPSHR(押しボタン/角平/赤) / 17.FPSHG(押しボタン/角平/緑) / 18.FPSHB(押しボタン/角平/黒) / 19.FPSHY(押しボタン/角平/黄) / 20.FPRTR(押しボタン/丸突/赤) / 21.FPRTG(押しボタン/丸突/緑) / 22.FPRTB(押しボタン/丸突/黒) / 23.FPRTY(押しボタン/丸突/黄) / 28.FLSHRL(表示灯/角平/赤) / 29.FLSHGL(表示灯/角平/緑) / 30.FLSHWL(表示灯/角平/白) / 31.FLSHYL(表示灯/角平/黄) / 32.FLRTRL(表示灯/丸突/赤) / 33.FLRTGL(表示灯/丸突/緑) / 34.FLRTWL(表示灯/丸突/白) / 35.FLRTYL(表示灯/丸突/黄) / 40.FS2CS(セレクタ/2ノッチ/1c) / 41.FS3CS(セレクタ/3ノッチ/2c) / 45.FBZS(ブザー/角)
-
-
10
1個
1個
16
W48×H45
穴なし
丸端子付き(VR)
0.5 ~ 15
1.DEL(照光/非常停止) / 2.DE(非常停止) / 3.DEG(非常停止+ガード付き) / 4.FPSHRL(照光押しボタン/角平/赤) / 5.FPSHGL(照光押しボタン/角平/緑) / 6.FPSHWL(照光押しボタン/角平/白) / 7.FPSHYL(照光押しボタン/角平/黄) / 8.FPRTRL(照光押しボタン/丸突/赤) / 9.FPRTGL(照光押しボタン/丸突/緑) / 10.FPRTWL(照光押しボタン/丸突/白) / 11.FPRTYL(照光押しボタン/丸突/黄) / 16.FPSHR(押しボタン/角平/赤) / 17.FPSHG(押しボタン/角平/緑) / 18.FPSHB(押しボタン/角平/黒) / 19.FPSHY(押しボタン/角平/黄) / 20.FPRTR(押しボタン/丸突/赤) / 21.FPRTG(押しボタン/丸突/緑) / 22.FPRTB(押しボタン/丸突/黒) / 23.FPRTY(押しボタン/丸突/黄) / 28.FLSHRL(表示灯/角平/赤) / 29.FLSHGL(表示灯/角平/緑) / 30.FLSHWL(表示灯/角平/白) / 31.FLSHYL(表示灯/角平/黄) / 32.FLRTRL(表示灯/丸突/赤) / 33.FLRTGL(表示灯/丸突/緑) / 34.FLRTWL(表示灯/丸突/白) / 35.FLRTYL(表示灯/丸突/黄) / 40.FS2CS(セレクタ/2ノッチ/1c) / 41.FS3CS(セレクタ/3ノッチ/2c) / 45.FBZS(ブザー/角)
-
-
10
1個
1個
16
W48×H45
穴なし
Y端子付き(VY)
0.5 ~ 15
1.DEL(照光/非常停止) / 2.DE(非常停止) / 3.DEG(非常停止+ガード付き) / 4.FPSHRL(照光押しボタン/角平/赤) / 5.FPSHGL(照光押しボタン/角平/緑) / 6.FPSHWL(照光押しボタン/角平/白) / 7.FPSHYL(照光押しボタン/角平/黄) / 8.FPRTRL(照光押しボタン/丸突/赤) / 9.FPRTGL(照光押しボタン/丸突/緑) / 10.FPRTWL(照光押しボタン/丸突/白) / 11.FPRTYL(照光押しボタン/丸突/黄) / 16.FPSHR(押しボタン/角平/赤) / 17.FPSHG(押しボタン/角平/緑) / 18.FPSHB(押しボタン/角平/黒) / 19.FPSHY(押しボタン/角平/黄) / 20.FPRTR(押しボタン/丸突/赤) / 21.FPRTG(押しボタン/丸突/緑) / 22.FPRTB(押しボタン/丸突/黒) / 23.FPRTY(押しボタン/丸突/黄) / 28.FLSHRL(表示灯/角平/赤) / 29.FLSHGL(表示灯/角平/緑) / 30.FLSHWL(表示灯/角平/白) / 31.FLSHYL(表示灯/角平/黄) / 32.FLRTRL(表示灯/丸突/赤) / 33.FLRTGL(表示灯/丸突/緑) / 34.FLRTWL(表示灯/丸突/白) / 35.FLRTYL(表示灯/丸突/黄) / 40.FS2CS(セレクタ/2ノッチ/1c) / 41.FS3CS(セレクタ/3ノッチ/2c) / 45.FBZS(ブザー/角)
-
-
10
1個
2個
16
W48×H45
穴なし
切り落とし(VC)
0.5 ~ 15
1.DEL(照光/非常停止) / 2.DE(非常停止) / 3.DEG(非常停止+ガード付き) / 4.FPSHRL(照光押しボタン/角平/赤) / 5.FPSHGL(照光押しボタン/角平/緑) / 6.FPSHWL(照光押しボタン/角平/白) / 7.FPSHYL(照光押しボタン/角平/黄) / 8.FPRTRL(照光押しボタン/丸突/赤) / 9.FPRTGL(照光押しボタン/丸突/緑) / 10.FPRTWL(照光押しボタン/丸突/白) / 11.FPRTYL(照光押しボタン/丸突/黄) / 16.FPSHR(押しボタン/角平/赤) / 17.FPSHG(押しボタン/角平/緑) / 18.FPSHB(押しボタン/角平/黒) / 19.FPSHY(押しボタン/角平/黄) / 20.FPRTR(押しボタン/丸突/赤) / 21.FPRTG(押しボタン/丸突/緑) / 22.FPRTB(押しボタン/丸突/黒) / 23.FPRTY(押しボタン/丸突/黄) / 28.FLSHRL(表示灯/角平/赤) / 29.FLSHGL(表示灯/角平/緑) / 30.FLSHWL(表示灯/角平/白) / 31.FLSHYL(表示灯/角平/黄) / 32.FLRTRL(表示灯/丸突/赤) / 33.FLRTGL(表示灯/丸突/緑) / 34.FLRTWL(表示灯/丸突/白) / 35.FLRTYL(表示灯/丸突/黄) / 40.FS2CS(セレクタ/2ノッチ/1c) / 41.FS3CS(セレクタ/3ノッチ/2c) / 45.FBZS(ブザー/角)
1.DEL(照光/非常停止) / 2.DE(非常停止) / 3.DEG(非常停止+ガード付き) / 4.FPSHRL(照光押しボタン/角平/赤) / 5.FPSHGL(照光押しボタン/角平/緑) / 6.FPSHWL(照光押しボタン/角平/白) / 7.FPSHYL(照光押しボタン/角平/黄) / 8.FPRTRL(照光押しボタン/丸突/赤) / 9.FPRTGL(照光押しボタン/丸突/緑) / 10.FPRTWL(照光押しボタン/丸突/白) / 11.FPRTYL(照光押しボタン/丸突/黄) / 16.FPSHR(押しボタン/角平/赤) / 17.FPSHG(押しボタン/角平/緑) / 18.FPSHB(押しボタン/角平/黒) / 19.FPSHY(押しボタン/角平/黄) / 20.FPRTR(押しボタン/丸突/赤) / 21.FPRTG(押しボタン/丸突/緑) / 22.FPRTB(押しボタン/丸突/黒) / 23.FPRTY(押しボタン/丸突/黄) / 28.FLSHRL(表示灯/角平/赤) / 29.FLSHGL(表示灯/角平/緑) / 30.FLSHWL(表示灯/角平/白) / 31.FLSHYL(表示灯/角平/黄) / 32.FLRTRL(表示灯/丸突/赤) / 33.FLRTGL(表示灯/丸突/緑) / 34.FLRTWL(表示灯/丸突/白) / 35.FLRTYL(表示灯/丸突/黄) / 40.FS2CS(セレクタ/2ノッチ/1c) / 41.FS3CS(セレクタ/3ノッチ/2c) / 45.FBZS(ブザー/角)
-
10
1個
2個
16
W48×H45
穴なし
丸端子付き(VR)
0.5 ~ 15
1.DEL(照光/非常停止) / 2.DE(非常停止) / 3.DEG(非常停止+ガード付き) / 4.FPSHRL(照光押しボタン/角平/赤) / 5.FPSHGL(照光押しボタン/角平/緑) / 6.FPSHWL(照光押しボタン/角平/白) / 7.FPSHYL(照光押しボタン/角平/黄) / 8.FPRTRL(照光押しボタン/丸突/赤) / 9.FPRTGL(照光押しボタン/丸突/緑) / 10.FPRTWL(照光押しボタン/丸突/白) / 11.FPRTYL(照光押しボタン/丸突/黄) / 16.FPSHR(押しボタン/角平/赤) / 17.FPSHG(押しボタン/角平/緑) / 18.FPSHB(押しボタン/角平/黒) / 19.FPSHY(押しボタン/角平/黄) / 20.FPRTR(押しボタン/丸突/赤) / 21.FPRTG(押しボタン/丸突/緑) / 22.FPRTB(押しボタン/丸突/黒) / 23.FPRTY(押しボタン/丸突/黄) / 28.FLSHRL(表示灯/角平/赤) / 29.FLSHGL(表示灯/角平/緑) / 30.FLSHWL(表示灯/角平/白) / 31.FLSHYL(表示灯/角平/黄) / 32.FLRTRL(表示灯/丸突/赤) / 33.FLRTGL(表示灯/丸突/緑) / 34.FLRTWL(表示灯/丸突/白) / 35.FLRTYL(表示灯/丸突/黄) / 40.FS2CS(セレクタ/2ノッチ/1c) / 41.FS3CS(セレクタ/3ノッチ/2c) / 45.FBZS(ブザー/角)
1.DEL(照光/非常停止) / 2.DE(非常停止) / 3.DEG(非常停止+ガード付き) / 4.FPSHRL(照光押しボタン/角平/赤) / 5.FPSHGL(照光押しボタン/角平/緑) / 6.FPSHWL(照光押しボタン/角平/白) / 7.FPSHYL(照光押しボタン/角平/黄) / 8.FPRTRL(照光押しボタン/丸突/赤) / 9.FPRTGL(照光押しボタン/丸突/緑) / 10.FPRTWL(照光押しボタン/丸突/白) / 11.FPRTYL(照光押しボタン/丸突/黄) / 16.FPSHR(押しボタン/角平/赤) / 17.FPSHG(押しボタン/角平/緑) / 18.FPSHB(押しボタン/角平/黒) / 19.FPSHY(押しボタン/角平/黄) / 20.FPRTR(押しボタン/丸突/赤) / 21.FPRTG(押しボタン/丸突/緑) / 22.FPRTB(押しボタン/丸突/黒) / 23.FPRTY(押しボタン/丸突/黄) / 28.FLSHRL(表示灯/角平/赤) / 29.FLSHGL(表示灯/角平/緑) / 30.FLSHWL(表示灯/角平/白) / 31.FLSHYL(表示灯/角平/黄) / 32.FLRTRL(表示灯/丸突/赤) / 33.FLRTGL(表示灯/丸突/緑) / 34.FLRTWL(表示灯/丸突/白) / 35.FLRTYL(表示灯/丸突/黄) / 40.FS2CS(セレクタ/2ノッチ/1c) / 41.FS3CS(セレクタ/3ノッチ/2c) / 45.FBZS(ブザー/角)
-
10
1個
2個
16
W48×H45
穴なし
Y端子付き(VY)
0.5 ~ 15
1.DEL(照光/非常停止) / 2.DE(非常停止) / 3.DEG(非常停止+ガード付き) / 4.FPSHRL(照光押しボタン/角平/赤) / 5.FPSHGL(照光押しボタン/角平/緑) / 6.FPSHWL(照光押しボタン/角平/白) / 7.FPSHYL(照光押しボタン/角平/黄) / 8.FPRTRL(照光押しボタン/丸突/赤) / 9.FPRTGL(照光押しボタン/丸突/緑) / 10.FPRTWL(照光押しボタン/丸突/白) / 11.FPRTYL(照光押しボタン/丸突/黄) / 16.FPSHR(押しボタン/角平/赤) / 17.FPSHG(押しボタン/角平/緑) / 18.FPSHB(押しボタン/角平/黒) / 19.FPSHY(押しボタン/角平/黄) / 20.FPRTR(押しボタン/丸突/赤) / 21.FPRTG(押しボタン/丸突/緑) / 22.FPRTB(押しボタン/丸突/黒) / 23.FPRTY(押しボタン/丸突/黄) / 28.FLSHRL(表示灯/角平/赤) / 29.FLSHGL(表示灯/角平/緑) / 30.FLSHWL(表示灯/角平/白) / 31.FLSHYL(表示灯/角平/黄) / 32.FLRTRL(表示灯/丸突/赤) / 33.FLRTGL(表示灯/丸突/緑) / 34.FLRTWL(表示灯/丸突/白) / 35.FLRTYL(表示灯/丸突/黄) / 40.FS2CS(セレクタ/2ノッチ/1c) / 41.FS3CS(セレクタ/3ノッチ/2c) / 45.FBZS(ブザー/角)
1.DEL(照光/非常停止) / 2.DE(非常停止) / 3.DEG(非常停止+ガード付き) / 4.FPSHRL(照光押しボタン/角平/赤) / 5.FPSHGL(照光押しボタン/角平/緑) / 6.FPSHWL(照光押しボタン/角平/白) / 7.FPSHYL(照光押しボタン/角平/黄) / 8.FPRTRL(照光押しボタン/丸突/赤) / 9.FPRTGL(照光押しボタン/丸突/緑) / 10.FPRTWL(照光押しボタン/丸突/白) / 11.FPRTYL(照光押しボタン/丸突/黄) / 16.FPSHR(押しボタン/角平/赤) / 17.FPSHG(押しボタン/角平/緑) / 18.FPSHB(押しボタン/角平/黒) / 19.FPSHY(押しボタン/角平/黄) / 20.FPRTR(押しボタン/丸突/赤) / 21.FPRTG(押しボタン/丸突/緑) / 22.FPRTB(押しボタン/丸突/黒) / 23.FPRTY(押しボタン/丸突/黄) / 28.FLSHRL(表示灯/角平/赤) / 29.FLSHGL(表示灯/角平/緑) / 30.FLSHWL(表示灯/角平/白) / 31.FLSHYL(表示灯/角平/黄) / 32.FLRTRL(表示灯/丸突/赤) / 33.FLRTGL(表示灯/丸突/緑) / 34.FLRTWL(表示灯/丸突/白) / 35.FLRTYL(表示灯/丸突/黄) / 40.FS2CS(セレクタ/2ノッチ/1c) / 41.FS3CS(セレクタ/3ノッチ/2c) / 45.FBZS(ブザー/角)
-
10
1個
3個
16
W48×H45
穴なし
切り落とし(VC)
0.5 ~ 15
1.DEL(照光/非常停止) / 2.DE(非常停止) / 3.DEG(非常停止+ガード付き) / 4.FPSHRL(照光押しボタン/角平/赤) / 5.FPSHGL(照光押しボタン/角平/緑) / 6.FPSHWL(照光押しボタン/角平/白) / 7.FPSHYL(照光押しボタン/角平/黄) / 8.FPRTRL(照光押しボタン/丸突/赤) / 9.FPRTGL(照光押しボタン/丸突/緑) / 10.FPRTWL(照光押しボタン/丸突/白) / 11.FPRTYL(照光押しボタン/丸突/黄) / 16.FPSHR(押しボタン/角平/赤) / 17.FPSHG(押しボタン/角平/緑) / 18.FPSHB(押しボタン/角平/黒) / 19.FPSHY(押しボタン/角平/黄) / 20.FPRTR(押しボタン/丸突/赤) / 21.FPRTG(押しボタン/丸突/緑) / 22.FPRTB(押しボタン/丸突/黒) / 23.FPRTY(押しボタン/丸突/黄) / 28.FLSHRL(表示灯/角平/赤) / 29.FLSHGL(表示灯/角平/緑) / 30.FLSHWL(表示灯/角平/白) / 31.FLSHYL(表示灯/角平/黄) / 32.FLRTRL(表示灯/丸突/赤) / 33.FLRTGL(表示灯/丸突/緑) / 34.FLRTWL(表示灯/丸突/白) / 35.FLRTYL(表示灯/丸突/黄) / 40.FS2CS(セレクタ/2ノッチ/1c) / 41.FS3CS(セレクタ/3ノッチ/2c) / 45.FBZS(ブザー/角)
1.DEL(照光/非常停止) / 2.DE(非常停止) / 3.DEG(非常停止+ガード付き) / 4.FPSHRL(照光押しボタン/角平/赤) / 5.FPSHGL(照光押しボタン/角平/緑) / 6.FPSHWL(照光押しボタン/角平/白) / 7.FPSHYL(照光押しボタン/角平/黄) / 8.FPRTRL(照光押しボタン/丸突/赤) / 9.FPRTGL(照光押しボタン/丸突/緑) / 10.FPRTWL(照光押しボタン/丸突/白) / 11.FPRTYL(照光押しボタン/丸突/黄) / 16.FPSHR(押しボタン/角平/赤) / 17.FPSHG(押しボタン/角平/緑) / 18.FPSHB(押しボタン/角平/黒) / 19.FPSHY(押しボタン/角平/黄) / 20.FPRTR(押しボタン/丸突/赤) / 21.FPRTG(押しボタン/丸突/緑) / 22.FPRTB(押しボタン/丸突/黒) / 23.FPRTY(押しボタン/丸突/黄) / 28.FLSHRL(表示灯/角平/赤) / 29.FLSHGL(表示灯/角平/緑) / 30.FLSHWL(表示灯/角平/白) / 31.FLSHYL(表示灯/角平/黄) / 32.FLRTRL(表示灯/丸突/赤) / 33.FLRTGL(表示灯/丸突/緑) / 34.FLRTWL(表示灯/丸突/白) / 35.FLRTYL(表示灯/丸突/黄) / 40.FS2CS(セレクタ/2ノッチ/1c) / 41.FS3CS(セレクタ/3ノッチ/2c) / 45.FBZS(ブザー/角)
1.DEL(照光/非常停止) / 2.DE(非常停止) / 3.DEG(非常停止+ガード付き) / 4.FPSHRL(照光押しボタン/角平/赤) / 5.FPSHGL(照光押しボタン/角平/緑) / 6.FPSHWL(照光押しボタン/角平/白) / 7.FPSHYL(照光押しボタン/角平/黄) / 8.FPRTRL(照光押しボタン/丸突/赤) / 9.FPRTGL(照光押しボタン/丸突/緑) / 10.FPRTWL(照光押しボタン/丸突/白) / 11.FPRTYL(照光押しボタン/丸突/黄) / 16.FPSHR(押しボタン/角平/赤) / 17.FPSHG(押しボタン/角平/緑) / 18.FPSHB(押しボタン/角平/黒) / 19.FPSHY(押しボタン/角平/黄) / 20.FPRTR(押しボタン/丸突/赤) / 21.FPRTG(押しボタン/丸突/緑) / 22.FPRTB(押しボタン/丸突/黒) / 23.FPRTY(押しボタン/丸突/黄) / 28.FLSHRL(表示灯/角平/赤) / 29.FLSHGL(表示灯/角平/緑) / 30.FLSHWL(表示灯/角平/白) / 31.FLSHYL(表示灯/角平/黄) / 32.FLRTRL(表示灯/丸突/赤) / 33.FLRTGL(表示灯/丸突/緑) / 34.FLRTWL(表示灯/丸突/白) / 35.FLRTYL(表示灯/丸突/黄) / 40.FS2CS(セレクタ/2ノッチ/1c) / 41.FS3CS(セレクタ/3ノッチ/2c) / 45.FBZS(ブザー/角)
10
1個
3個
16
W48×H45
穴なし
丸端子付き(VR)
0.5 ~ 15
1.DEL(照光/非常停止) / 2.DE(非常停止) / 3.DEG(非常停止+ガード付き) / 4.FPSHRL(照光押しボタン/角平/赤) / 5.FPSHGL(照光押しボタン/角平/緑) / 6.FPSHWL(照光押しボタン/角平/白) / 7.FPSHYL(照光押しボタン/角平/黄) / 8.FPRTRL(照光押しボタン/丸突/赤) / 9.FPRTGL(照光押しボタン/丸突/緑) / 10.FPRTWL(照光押しボタン/丸突/白) / 11.FPRTYL(照光押しボタン/丸突/黄) / 16.FPSHR(押しボタン/角平/赤) / 17.FPSHG(押しボタン/角平/緑) / 18.FPSHB(押しボタン/角平/黒) / 19.FPSHY(押しボタン/角平/黄) / 20.FPRTR(押しボタン/丸突/赤) / 21.FPRTG(押しボタン/丸突/緑) / 22.FPRTB(押しボタン/丸突/黒) / 23.FPRTY(押しボタン/丸突/黄) / 28.FLSHRL(表示灯/角平/赤) / 29.FLSHGL(表示灯/角平/緑) / 30.FLSHWL(表示灯/角平/白) / 31.FLSHYL(表示灯/角平/黄) / 32.FLRTRL(表示灯/丸突/赤) / 33.FLRTGL(表示灯/丸突/緑) / 34.FLRTWL(表示灯/丸突/白) / 35.FLRTYL(表示灯/丸突/黄) / 40.FS2CS(セレクタ/2ノッチ/1c) / 41.FS3CS(セレクタ/3ノッチ/2c) / 45.FBZS(ブザー/角)
1.DEL(照光/非常停止) / 2.DE(非常停止) / 3.DEG(非常停止+ガード付き) / 4.FPSHRL(照光押しボタン/角平/赤) / 5.FPSHGL(照光押しボタン/角平/緑) / 6.FPSHWL(照光押しボタン/角平/白) / 7.FPSHYL(照光押しボタン/角平/黄) / 8.FPRTRL(照光押しボタン/丸突/赤) / 9.FPRTGL(照光押しボタン/丸突/緑) / 10.FPRTWL(照光押しボタン/丸突/白) / 11.FPRTYL(照光押しボタン/丸突/黄) / 16.FPSHR(押しボタン/角平/赤) / 17.FPSHG(押しボタン/角平/緑) / 18.FPSHB(押しボタン/角平/黒) / 19.FPSHY(押しボタン/角平/黄) / 20.FPRTR(押しボタン/丸突/赤) / 21.FPRTG(押しボタン/丸突/緑) / 22.FPRTB(押しボタン/丸突/黒) / 23.FPRTY(押しボタン/丸突/黄) / 28.FLSHRL(表示灯/角平/赤) / 29.FLSHGL(表示灯/角平/緑) / 30.FLSHWL(表示灯/角平/白) / 31.FLSHYL(表示灯/角平/黄) / 32.FLRTRL(表示灯/丸突/赤) / 33.FLRTGL(表示灯/丸突/緑) / 34.FLRTWL(表示灯/丸突/白) / 35.FLRTYL(表示灯/丸突/黄) / 40.FS2CS(セレクタ/2ノッチ/1c) / 41.FS3CS(セレクタ/3ノッチ/2c) / 45.FBZS(ブザー/角)
1.DEL(照光/非常停止) / 2.DE(非常停止) / 3.DEG(非常停止+ガード付き) / 4.FPSHRL(照光押しボタン/角平/赤) / 5.FPSHGL(照光押しボタン/角平/緑) / 6.FPSHWL(照光押しボタン/角平/白) / 7.FPSHYL(照光押しボタン/角平/黄) / 8.FPRTRL(照光押しボタン/丸突/赤) / 9.FPRTGL(照光押しボタン/丸突/緑) / 10.FPRTWL(照光押しボタン/丸突/白) / 11.FPRTYL(照光押しボタン/丸突/黄) / 16.FPSHR(押しボタン/角平/赤) / 17.FPSHG(押しボタン/角平/緑) / 18.FPSHB(押しボタン/角平/黒) / 19.FPSHY(押しボタン/角平/黄) / 20.FPRTR(押しボタン/丸突/赤) / 21.FPRTG(押しボタン/丸突/緑) / 22.FPRTB(押しボタン/丸突/黒) / 23.FPRTY(押しボタン/丸突/黄) / 28.FLSHRL(表示灯/角平/赤) / 29.FLSHGL(表示灯/角平/緑) / 30.FLSHWL(表示灯/角平/白) / 31.FLSHYL(表示灯/角平/黄) / 32.FLRTRL(表示灯/丸突/赤) / 33.FLRTGL(表示灯/丸突/緑) / 34.FLRTWL(表示灯/丸突/白) / 35.FLRTYL(表示灯/丸突/黄) / 40.FS2CS(セレクタ/2ノッチ/1c) / 41.FS3CS(セレクタ/3ノッチ/2c) / 45.FBZS(ブザー/角)
10
1個
3個
16
W48×H45
穴なし
Y端子付き(VY)
0.5 ~ 15
1.DEL(照光/非常停止) / 2.DE(非常停止) / 3.DEG(非常停止+ガード付き) / 4.FPSHRL(照光押しボタン/角平/赤) / 5.FPSHGL(照光押しボタン/角平/緑) / 6.FPSHWL(照光押しボタン/角平/白) / 7.FPSHYL(照光押しボタン/角平/黄) / 8.FPRTRL(照光押しボタン/丸突/赤) / 9.FPRTGL(照光押しボタン/丸突/緑) / 10.FPRTWL(照光押しボタン/丸突/白) / 11.FPRTYL(照光押しボタン/丸突/黄) / 16.FPSHR(押しボタン/角平/赤) / 17.FPSHG(押しボタン/角平/緑) / 18.FPSHB(押しボタン/角平/黒) / 19.FPSHY(押しボタン/角平/黄) / 20.FPRTR(押しボタン/丸突/赤) / 21.FPRTG(押しボタン/丸突/緑) / 22.FPRTB(押しボタン/丸突/黒) / 23.FPRTY(押しボタン/丸突/黄) / 28.FLSHRL(表示灯/角平/赤) / 29.FLSHGL(表示灯/角平/緑) / 30.FLSHWL(表示灯/角平/白) / 31.FLSHYL(表示灯/角平/黄) / 32.FLRTRL(表示灯/丸突/赤) / 33.FLRTGL(表示灯/丸突/緑) / 34.FLRTWL(表示灯/丸突/白) / 35.FLRTYL(表示灯/丸突/黄) / 40.FS2CS(セレクタ/2ノッチ/1c) / 41.FS3CS(セレクタ/3ノッチ/2c) / 45.FBZS(ブザー/角)
1.DEL(照光/非常停止) / 2.DE(非常停止) / 3.DEG(非常停止+ガード付き) / 4.FPSHRL(照光押しボタン/角平/赤) / 5.FPSHGL(照光押しボタン/角平/緑) / 6.FPSHWL(照光押しボタン/角平/白) / 7.FPSHYL(照光押しボタン/角平/黄) / 8.FPRTRL(照光押しボタン/丸突/赤) / 9.FPRTGL(照光押しボタン/丸突/緑) / 10.FPRTWL(照光押しボタン/丸突/白) / 11.FPRTYL(照光押しボタン/丸突/黄) / 16.FPSHR(押しボタン/角平/赤) / 17.FPSHG(押しボタン/角平/緑) / 18.FPSHB(押しボタン/角平/黒) / 19.FPSHY(押しボタン/角平/黄) / 20.FPRTR(押しボタン/丸突/赤) / 21.FPRTG(押しボタン/丸突/緑) / 22.FPRTB(押しボタン/丸突/黒) / 23.FPRTY(押しボタン/丸突/黄) / 28.FLSHRL(表示灯/角平/赤) / 29.FLSHGL(表示灯/角平/緑) / 30.FLSHWL(表示灯/角平/白) / 31.FLSHYL(表示灯/角平/黄) / 32.FLRTRL(表示灯/丸突/赤) / 33.FLRTGL(表示灯/丸突/緑) / 34.FLRTWL(表示灯/丸突/白) / 35.FLRTYL(表示灯/丸突/黄) / 40.FS2CS(セレクタ/2ノッチ/1c) / 41.FS3CS(セレクタ/3ノッチ/2c) / 45.FBZS(ブザー/角)
1.DEL(照光/非常停止) / 2.DE(非常停止) / 3.DEG(非常停止+ガード付き) / 4.FPSHRL(照光押しボタン/角平/赤) / 5.FPSHGL(照光押しボタン/角平/緑) / 6.FPSHWL(照光押しボタン/角平/白) / 7.FPSHYL(照光押しボタン/角平/黄) / 8.FPRTRL(照光押しボタン/丸突/赤) / 9.FPRTGL(照光押しボタン/丸突/緑) / 10.FPRTWL(照光押しボタン/丸突/白) / 11.FPRTYL(照光押しボタン/丸突/黄) / 16.FPSHR(押しボタン/角平/赤) / 17.FPSHG(押しボタン/角平/緑) / 18.FPSHB(押しボタン/角平/黒) / 19.FPSHY(押しボタン/角平/黄) / 20.FPRTR(押しボタン/丸突/赤) / 21.FPRTG(押しボタン/丸突/緑) / 22.FPRTB(押しボタン/丸突/黒) / 23.FPRTY(押しボタン/丸突/黄) / 28.FLSHRL(表示灯/角平/赤) / 29.FLSHGL(表示灯/角平/緑) / 30.FLSHWL(表示灯/角平/白) / 31.FLSHYL(表示灯/角平/黄) / 32.FLRTRL(表示灯/丸突/赤) / 33.FLRTGL(表示灯/丸突/緑) / 34.FLRTWL(表示灯/丸突/白) / 35.FLRTYL(表示灯/丸突/黄) / 40.FS2CS(セレクタ/2ノッチ/1c) / 41.FS3CS(セレクタ/3ノッチ/2c) / 45.FBZS(ブザー/角)
10
1個
1個
16
W48×H45
あり
切り落とし(VC)
0.5 ~ 15
1.DEL(照光/非常停止) / 2.DE(非常停止) / 3.DEG(非常停止+ガード付き) / 4.FPSHRL(照光押しボタン/角平/赤) / 5.FPSHGL(照光押しボタン/角平/緑) / 6.FPSHWL(照光押しボタン/角平/白) / 7.FPSHYL(照光押しボタン/角平/黄) / 8.FPRTRL(照光押しボタン/丸突/赤) / 9.FPRTGL(照光押しボタン/丸突/緑) / 10.FPRTWL(照光押しボタン/丸突/白) / 11.FPRTYL(照光押しボタン/丸突/黄) / 16.FPSHR(押しボタン/角平/赤) / 17.FPSHG(押しボタン/角平/緑) / 18.FPSHB(押しボタン/角平/黒) / 19.FPSHY(押しボタン/角平/黄) / 20.FPRTR(押しボタン/丸突/赤) / 21.FPRTG(押しボタン/丸突/緑) / 22.FPRTB(押しボタン/丸突/黒) / 23.FPRTY(押しボタン/丸突/黄) / 28.FLSHRL(表示灯/角平/赤) / 29.FLSHGL(表示灯/角平/緑) / 30.FLSHWL(表示灯/角平/白) / 31.FLSHYL(表示灯/角平/黄) / 32.FLRTRL(表示灯/丸突/赤) / 33.FLRTGL(表示灯/丸突/緑) / 34.FLRTWL(表示灯/丸突/白) / 35.FLRTYL(表示灯/丸突/黄) / 40.FS2CS(セレクタ/2ノッチ/1c) / 41.FS3CS(セレクタ/3ノッチ/2c) / 45.FBZS(ブザー/角)
-
-
10
1個
1個
16
W48×H45
あり
丸端子付き(VR)
0.5 ~ 15
1.DEL(照光/非常停止) / 2.DE(非常停止) / 3.DEG(非常停止+ガード付き) / 4.FPSHRL(照光押しボタン/角平/赤) / 5.FPSHGL(照光押しボタン/角平/緑) / 6.FPSHWL(照光押しボタン/角平/白) / 7.FPSHYL(照光押しボタン/角平/黄) / 8.FPRTRL(照光押しボタン/丸突/赤) / 9.FPRTGL(照光押しボタン/丸突/緑) / 10.FPRTWL(照光押しボタン/丸突/白) / 11.FPRTYL(照光押しボタン/丸突/黄) / 16.FPSHR(押しボタン/角平/赤) / 17.FPSHG(押しボタン/角平/緑) / 18.FPSHB(押しボタン/角平/黒) / 19.FPSHY(押しボタン/角平/黄) / 20.FPRTR(押しボタン/丸突/赤) / 21.FPRTG(押しボタン/丸突/緑) / 22.FPRTB(押しボタン/丸突/黒) / 23.FPRTY(押しボタン/丸突/黄) / 28.FLSHRL(表示灯/角平/赤) / 29.FLSHGL(表示灯/角平/緑) / 30.FLSHWL(表示灯/角平/白) / 31.FLSHYL(表示灯/角平/黄) / 32.FLRTRL(表示灯/丸突/赤) / 33.FLRTGL(表示灯/丸突/緑) / 34.FLRTWL(表示灯/丸突/白) / 35.FLRTYL(表示灯/丸突/黄) / 40.FS2CS(セレクタ/2ノッチ/1c) / 41.FS3CS(セレクタ/3ノッチ/2c) / 45.FBZS(ブザー/角)
-
-
10
1個
1個
16
W48×H45
あり
Y端子付き(VY)
0.5 ~ 15
1.DEL(照光/非常停止) / 2.DE(非常停止) / 3.DEG(非常停止+ガード付き) / 4.FPSHRL(照光押しボタン/角平/赤) / 5.FPSHGL(照光押しボタン/角平/緑) / 6.FPSHWL(照光押しボタン/角平/白) / 7.FPSHYL(照光押しボタン/角平/黄) / 8.FPRTRL(照光押しボタン/丸突/赤) / 9.FPRTGL(照光押しボタン/丸突/緑) / 10.FPRTWL(照光押しボタン/丸突/白) / 11.FPRTYL(照光押しボタン/丸突/黄) / 16.FPSHR(押しボタン/角平/赤) / 17.FPSHG(押しボタン/角平/緑) / 18.FPSHB(押しボタン/角平/黒) / 19.FPSHY(押しボタン/角平/黄) / 20.FPRTR(押しボタン/丸突/赤) / 21.FPRTG(押しボタン/丸突/緑) / 22.FPRTB(押しボタン/丸突/黒) / 23.FPRTY(押しボタン/丸突/黄) / 28.FLSHRL(表示灯/角平/赤) / 29.FLSHGL(表示灯/角平/緑) / 30.FLSHWL(表示灯/角平/白) / 31.FLSHYL(表示灯/角平/黄) / 32.FLRTRL(表示灯/丸突/赤) / 33.FLRTGL(表示灯/丸突/緑) / 34.FLRTWL(表示灯/丸突/白) / 35.FLRTYL(表示灯/丸突/黄) / 40.FS2CS(セレクタ/2ノッチ/1c) / 41.FS3CS(セレクタ/3ノッチ/2c) / 45.FBZS(ブザー/角)
-
-
10
1個
2個
16
W48×H45
あり
切り落とし(VC)
0.5 ~ 15
1.DEL(照光/非常停止) / 2.DE(非常停止) / 3.DEG(非常停止+ガード付き) / 4.FPSHRL(照光押しボタン/角平/赤) / 5.FPSHGL(照光押しボタン/角平/緑) / 6.FPSHWL(照光押しボタン/角平/白) / 7.FPSHYL(照光押しボタン/角平/黄) / 8.FPRTRL(照光押しボタン/丸突/赤) / 9.FPRTGL(照光押しボタン/丸突/緑) / 10.FPRTWL(照光押しボタン/丸突/白) / 11.FPRTYL(照光押しボタン/丸突/黄) / 16.FPSHR(押しボタン/角平/赤) / 17.FPSHG(押しボタン/角平/緑) / 18.FPSHB(押しボタン/角平/黒) / 19.FPSHY(押しボタン/角平/黄) / 20.FPRTR(押しボタン/丸突/赤) / 21.FPRTG(押しボタン/丸突/緑) / 22.FPRTB(押しボタン/丸突/黒) / 23.FPRTY(押しボタン/丸突/黄) / 28.FLSHRL(表示灯/角平/赤) / 29.FLSHGL(表示灯/角平/緑) / 30.FLSHWL(表示灯/角平/白) / 31.FLSHYL(表示灯/角平/黄) / 32.FLRTRL(表示灯/丸突/赤) / 33.FLRTGL(表示灯/丸突/緑) / 34.FLRTWL(表示灯/丸突/白) / 35.FLRTYL(表示灯/丸突/黄) / 40.FS2CS(セレクタ/2ノッチ/1c) / 41.FS3CS(セレクタ/3ノッチ/2c) / 45.FBZS(ブザー/角)
1.DEL(照光/非常停止) / 2.DE(非常停止) / 3.DEG(非常停止+ガード付き) / 4.FPSHRL(照光押しボタン/角平/赤) / 5.FPSHGL(照光押しボタン/角平/緑) / 6.FPSHWL(照光押しボタン/角平/白) / 7.FPSHYL(照光押しボタン/角平/黄) / 8.FPRTRL(照光押しボタン/丸突/赤) / 9.FPRTGL(照光押しボタン/丸突/緑) / 10.FPRTWL(照光押しボタン/丸突/白) / 11.FPRTYL(照光押しボタン/丸突/黄) / 16.FPSHR(押しボタン/角平/赤) / 17.FPSHG(押しボタン/角平/緑) / 18.FPSHB(押しボタン/角平/黒) / 19.FPSHY(押しボタン/角平/黄) / 20.FPRTR(押しボタン/丸突/赤) / 21.FPRTG(押しボタン/丸突/緑) / 22.FPRTB(押しボタン/丸突/黒) / 23.FPRTY(押しボタン/丸突/黄) / 28.FLSHRL(表示灯/角平/赤) / 29.FLSHGL(表示灯/角平/緑) / 30.FLSHWL(表示灯/角平/白) / 31.FLSHYL(表示灯/角平/黄) / 32.FLRTRL(表示灯/丸突/赤) / 33.FLRTGL(表示灯/丸突/緑) / 34.FLRTWL(表示灯/丸突/白) / 35.FLRTYL(表示灯/丸突/黄) / 40.FS2CS(セレクタ/2ノッチ/1c) / 41.FS3CS(セレクタ/3ノッチ/2c) / 45.FBZS(ブザー/角)
-
10
1個
2個
16
W48×H45
あり
丸端子付き(VR)
0.5 ~ 15
1.DEL(照光/非常停止) / 2.DE(非常停止) / 3.DEG(非常停止+ガード付き) / 4.FPSHRL(照光押しボタン/角平/赤) / 5.FPSHGL(照光押しボタン/角平/緑) / 6.FPSHWL(照光押しボタン/角平/白) / 7.FPSHYL(照光押しボタン/角平/黄) / 8.FPRTRL(照光押しボタン/丸突/赤) / 9.FPRTGL(照光押しボタン/丸突/緑) / 10.FPRTWL(照光押しボタン/丸突/白) / 11.FPRTYL(照光押しボタン/丸突/黄) / 16.FPSHR(押しボタン/角平/赤) / 17.FPSHG(押しボタン/角平/緑) / 18.FPSHB(押しボタン/角平/黒) / 19.FPSHY(押しボタン/角平/黄) / 20.FPRTR(押しボタン/丸突/赤) / 21.FPRTG(押しボタン/丸突/緑) / 22.FPRTB(押しボタン/丸突/黒) / 23.FPRTY(押しボタン/丸突/黄) / 28.FLSHRL(表示灯/角平/赤) / 29.FLSHGL(表示灯/角平/緑) / 30.FLSHWL(表示灯/角平/白) / 31.FLSHYL(表示灯/角平/黄) / 32.FLRTRL(表示灯/丸突/赤) / 33.FLRTGL(表示灯/丸突/緑) / 34.FLRTWL(表示灯/丸突/白) / 35.FLRTYL(表示灯/丸突/黄) / 40.FS2CS(セレクタ/2ノッチ/1c) / 41.FS3CS(セレクタ/3ノッチ/2c) / 45.FBZS(ブザー/角)
1.DEL(照光/非常停止) / 2.DE(非常停止) / 3.DEG(非常停止+ガード付き) / 4.FPSHRL(照光押しボタン/角平/赤) / 5.FPSHGL(照光押しボタン/角平/緑) / 6.FPSHWL(照光押しボタン/角平/白) / 7.FPSHYL(照光押しボタン/角平/黄) / 8.FPRTRL(照光押しボタン/丸突/赤) / 9.FPRTGL(照光押しボタン/丸突/緑) / 10.FPRTWL(照光押しボタン/丸突/白) / 11.FPRTYL(照光押しボタン/丸突/黄) / 16.FPSHR(押しボタン/角平/赤) / 17.FPSHG(押しボタン/角平/緑) / 18.FPSHB(押しボタン/角平/黒) / 19.FPSHY(押しボタン/角平/黄) / 20.FPRTR(押しボタン/丸突/赤) / 21.FPRTG(押しボタン/丸突/緑) / 22.FPRTB(押しボタン/丸突/黒) / 23.FPRTY(押しボタン/丸突/黄) / 28.FLSHRL(表示灯/角平/赤) / 29.FLSHGL(表示灯/角平/緑) / 30.FLSHWL(表示灯/角平/白) / 31.FLSHYL(表示灯/角平/黄) / 32.FLRTRL(表示灯/丸突/赤) / 33.FLRTGL(表示灯/丸突/緑) / 34.FLRTWL(表示灯/丸突/白) / 35.FLRTYL(表示灯/丸突/黄) / 40.FS2CS(セレクタ/2ノッチ/1c) / 41.FS3CS(セレクタ/3ノッチ/2c) / 45.FBZS(ブザー/角)
-
10
1個
2個
16
W48×H45
あり
Y端子付き(VY)
0.5 ~ 15
1.DEL(照光/非常停止) / 2.DE(非常停止) / 3.DEG(非常停止+ガード付き) / 4.FPSHRL(照光押しボタン/角平/赤) / 5.FPSHGL(照光押しボタン/角平/緑) / 6.FPSHWL(照光押しボタン/角平/白) / 7.FPSHYL(照光押しボタン/角平/黄) / 8.FPRTRL(照光押しボタン/丸突/赤) / 9.FPRTGL(照光押しボタン/丸突/緑) / 10.FPRTWL(照光押しボタン/丸突/白) / 11.FPRTYL(照光押しボタン/丸突/黄) / 16.FPSHR(押しボタン/角平/赤) / 17.FPSHG(押しボタン/角平/緑) / 18.FPSHB(押しボタン/角平/黒) / 19.FPSHY(押しボタン/角平/黄) / 20.FPRTR(押しボタン/丸突/赤) / 21.FPRTG(押しボタン/丸突/緑) / 22.FPRTB(押しボタン/丸突/黒) / 23.FPRTY(押しボタン/丸突/黄) / 28.FLSHRL(表示灯/角平/赤) / 29.FLSHGL(表示灯/角平/緑) / 30.FLSHWL(表示灯/角平/白) / 31.FLSHYL(表示灯/角平/黄) / 32.FLRTRL(表示灯/丸突/赤) / 33.FLRTGL(表示灯/丸突/緑) / 34.FLRTWL(表示灯/丸突/白) / 35.FLRTYL(表示灯/丸突/黄) / 40.FS2CS(セレクタ/2ノッチ/1c) / 41.FS3CS(セレクタ/3ノッチ/2c) / 45.FBZS(ブザー/角)
1.DEL(照光/非常停止) / 2.DE(非常停止) / 3.DEG(非常停止+ガード付き) / 4.FPSHRL(照光押しボタン/角平/赤) / 5.FPSHGL(照光押しボタン/角平/緑) / 6.FPSHWL(照光押しボタン/角平/白) / 7.FPSHYL(照光押しボタン/角平/黄) / 8.FPRTRL(照光押しボタン/丸突/赤) / 9.FPRTGL(照光押しボタン/丸突/緑) / 10.FPRTWL(照光押しボタン/丸突/白) / 11.FPRTYL(照光押しボタン/丸突/黄) / 16.FPSHR(押しボタン/角平/赤) / 17.FPSHG(押しボタン/角平/緑) / 18.FPSHB(押しボタン/角平/黒) / 19.FPSHY(押しボタン/角平/黄) / 20.FPRTR(押しボタン/丸突/赤) / 21.FPRTG(押しボタン/丸突/緑) / 22.FPRTB(押しボタン/丸突/黒) / 23.FPRTY(押しボタン/丸突/黄) / 28.FLSHRL(表示灯/角平/赤) / 29.FLSHGL(表示灯/角平/緑) / 30.FLSHWL(表示灯/角平/白) / 31.FLSHYL(表示灯/角平/黄) / 32.FLRTRL(表示灯/丸突/赤) / 33.FLRTGL(表示灯/丸突/緑) / 34.FLRTWL(表示灯/丸突/白) / 35.FLRTYL(表示灯/丸突/黄) / 40.FS2CS(セレクタ/2ノッチ/1c) / 41.FS3CS(セレクタ/3ノッチ/2c) / 45.FBZS(ブザー/角)
-
10
1個
3個
16
W48×H45
あり
切り落とし(VC)
0.5 ~ 15
1.DEL(照光/非常停止) / 2.DE(非常停止) / 3.DEG(非常停止+ガード付き) / 4.FPSHRL(照光押しボタン/角平/赤) / 5.FPSHGL(照光押しボタン/角平/緑) / 6.FPSHWL(照光押しボタン/角平/白) / 7.FPSHYL(照光押しボタン/角平/黄) / 8.FPRTRL(照光押しボタン/丸突/赤) / 9.FPRTGL(照光押しボタン/丸突/緑) / 10.FPRTWL(照光押しボタン/丸突/白) / 11.FPRTYL(照光押しボタン/丸突/黄) / 16.FPSHR(押しボタン/角平/赤) / 17.FPSHG(押しボタン/角平/緑) / 18.FPSHB(押しボタン/角平/黒) / 19.FPSHY(押しボタン/角平/黄) / 20.FPRTR(押しボタン/丸突/赤) / 21.FPRTG(押しボタン/丸突/緑) / 22.FPRTB(押しボタン/丸突/黒) / 23.FPRTY(押しボタン/丸突/黄) / 28.FLSHRL(表示灯/角平/赤) / 29.FLSHGL(表示灯/角平/緑) / 30.FLSHWL(表示灯/角平/白) / 31.FLSHYL(表示灯/角平/黄) / 32.FLRTRL(表示灯/丸突/赤) / 33.FLRTGL(表示灯/丸突/緑) / 34.FLRTWL(表示灯/丸突/白) / 35.FLRTYL(表示灯/丸突/黄) / 40.FS2CS(セレクタ/2ノッチ/1c) / 41.FS3CS(セレクタ/3ノッチ/2c) / 45.FBZS(ブザー/角)
1.DEL(照光/非常停止) / 2.DE(非常停止) / 3.DEG(非常停止+ガード付き) / 4.FPSHRL(照光押しボタン/角平/赤) / 5.FPSHGL(照光押しボタン/角平/緑) / 6.FPSHWL(照光押しボタン/角平/白) / 7.FPSHYL(照光押しボタン/角平/黄) / 8.FPRTRL(照光押しボタン/丸突/赤) / 9.FPRTGL(照光押しボタン/丸突/緑) / 10.FPRTWL(照光押しボタン/丸突/白) / 11.FPRTYL(照光押しボタン/丸突/黄) / 16.FPSHR(押しボタン/角平/赤) / 17.FPSHG(押しボタン/角平/緑) / 18.FPSHB(押しボタン/角平/黒) / 19.FPSHY(押しボタン/角平/黄) / 20.FPRTR(押しボタン/丸突/赤) / 21.FPRTG(押しボタン/丸突/緑) / 22.FPRTB(押しボタン/丸突/黒) / 23.FPRTY(押しボタン/丸突/黄) / 28.FLSHRL(表示灯/角平/赤) / 29.FLSHGL(表示灯/角平/緑) / 30.FLSHWL(表示灯/角平/白) / 31.FLSHYL(表示灯/角平/黄) / 32.FLRTRL(表示灯/丸突/赤) / 33.FLRTGL(表示灯/丸突/緑) / 34.FLRTWL(表示灯/丸突/白) / 35.FLRTYL(表示灯/丸突/黄) / 40.FS2CS(セレクタ/2ノッチ/1c) / 41.FS3CS(セレクタ/3ノッチ/2c) / 45.FBZS(ブザー/角)
1.DEL(照光/非常停止) / 2.DE(非常停止) / 3.DEG(非常停止+ガード付き) / 4.FPSHRL(照光押しボタン/角平/赤) / 5.FPSHGL(照光押しボタン/角平/緑) / 6.FPSHWL(照光押しボタン/角平/白) / 7.FPSHYL(照光押しボタン/角平/黄) / 8.FPRTRL(照光押しボタン/丸突/赤) / 9.FPRTGL(照光押しボタン/丸突/緑) / 10.FPRTWL(照光押しボタン/丸突/白) / 11.FPRTYL(照光押しボタン/丸突/黄) / 16.FPSHR(押しボタン/角平/赤) / 17.FPSHG(押しボタン/角平/緑) / 18.FPSHB(押しボタン/角平/黒) / 19.FPSHY(押しボタン/角平/黄) / 20.FPRTR(押しボタン/丸突/赤) / 21.FPRTG(押しボタン/丸突/緑) / 22.FPRTB(押しボタン/丸突/黒) / 23.FPRTY(押しボタン/丸突/黄) / 28.FLSHRL(表示灯/角平/赤) / 29.FLSHGL(表示灯/角平/緑) / 30.FLSHWL(表示灯/角平/白) / 31.FLSHYL(表示灯/角平/黄) / 32.FLRTRL(表示灯/丸突/赤) / 33.FLRTGL(表示灯/丸突/緑) / 34.FLRTWL(表示灯/丸突/白) / 35.FLRTYL(表示灯/丸突/黄) / 40.FS2CS(セレクタ/2ノッチ/1c) / 41.FS3CS(セレクタ/3ノッチ/2c) / 45.FBZS(ブザー/角)
10
1個
3個
16
W48×H45
あり
丸端子付き(VR)
0.5 ~ 15
1.DEL(照光/非常停止) / 2.DE(非常停止) / 3.DEG(非常停止+ガード付き) / 4.FPSHRL(照光押しボタン/角平/赤) / 5.FPSHGL(照光押しボタン/角平/緑) / 6.FPSHWL(照光押しボタン/角平/白) / 7.FPSHYL(照光押しボタン/角平/黄) / 8.FPRTRL(照光押しボタン/丸突/赤) / 9.FPRTGL(照光押しボタン/丸突/緑) / 10.FPRTWL(照光押しボタン/丸突/白) / 11.FPRTYL(照光押しボタン/丸突/黄) / 16.FPSHR(押しボタン/角平/赤) / 17.FPSHG(押しボタン/角平/緑) / 18.FPSHB(押しボタン/角平/黒) / 19.FPSHY(押しボタン/角平/黄) / 20.FPRTR(押しボタン/丸突/赤) / 21.FPRTG(押しボタン/丸突/緑) / 22.FPRTB(押しボタン/丸突/黒) / 23.FPRTY(押しボタン/丸突/黄) / 28.FLSHRL(表示灯/角平/赤) / 29.FLSHGL(表示灯/角平/緑) / 30.FLSHWL(表示灯/角平/白) / 31.FLSHYL(表示灯/角平/黄) / 32.FLRTRL(表示灯/丸突/赤) / 33.FLRTGL(表示灯/丸突/緑) / 34.FLRTWL(表示灯/丸突/白) / 35.FLRTYL(表示灯/丸突/黄) / 40.FS2CS(セレクタ/2ノッチ/1c) / 41.FS3CS(セレクタ/3ノッチ/2c) / 45.FBZS(ブザー/角)
1.DEL(照光/非常停止) / 2.DE(非常停止) / 3.DEG(非常停止+ガード付き) / 4.FPSHRL(照光押しボタン/角平/赤) / 5.FPSHGL(照光押しボタン/角平/緑) / 6.FPSHWL(照光押しボタン/角平/白) / 7.FPSHYL(照光押しボタン/角平/黄) / 8.FPRTRL(照光押しボタン/丸突/赤) / 9.FPRTGL(照光押しボタン/丸突/緑) / 10.FPRTWL(照光押しボタン/丸突/白) / 11.FPRTYL(照光押しボタン/丸突/黄) / 16.FPSHR(押しボタン/角平/赤) / 17.FPSHG(押しボタン/角平/緑) / 18.FPSHB(押しボタン/角平/黒) / 19.FPSHY(押しボタン/角平/黄) / 20.FPRTR(押しボタン/丸突/赤) / 21.FPRTG(押しボタン/丸突/緑) / 22.FPRTB(押しボタン/丸突/黒) / 23.FPRTY(押しボタン/丸突/黄) / 28.FLSHRL(表示灯/角平/赤) / 29.FLSHGL(表示灯/角平/緑) / 30.FLSHWL(表示灯/角平/白) / 31.FLSHYL(表示灯/角平/黄) / 32.FLRTRL(表示灯/丸突/赤) / 33.FLRTGL(表示灯/丸突/緑) / 34.FLRTWL(表示灯/丸突/白) / 35.FLRTYL(表示灯/丸突/黄) / 40.FS2CS(セレクタ/2ノッチ/1c) / 41.FS3CS(セレクタ/3ノッチ/2c) / 45.FBZS(ブザー/角)
1.DEL(照光/非常停止) / 2.DE(非常停止) / 3.DEG(非常停止+ガード付き) / 4.FPSHRL(照光押しボタン/角平/赤) / 5.FPSHGL(照光押しボタン/角平/緑) / 6.FPSHWL(照光押しボタン/角平/白) / 7.FPSHYL(照光押しボタン/角平/黄) / 8.FPRTRL(照光押しボタン/丸突/赤) / 9.FPRTGL(照光押しボタン/丸突/緑) / 10.FPRTWL(照光押しボタン/丸突/白) / 11.FPRTYL(照光押しボタン/丸突/黄) / 16.FPSHR(押しボタン/角平/赤) / 17.FPSHG(押しボタン/角平/緑) / 18.FPSHB(押しボタン/角平/黒) / 19.FPSHY(押しボタン/角平/黄) / 20.FPRTR(押しボタン/丸突/赤) / 21.FPRTG(押しボタン/丸突/緑) / 22.FPRTB(押しボタン/丸突/黒) / 23.FPRTY(押しボタン/丸突/黄) / 28.FLSHRL(表示灯/角平/赤) / 29.FLSHGL(表示灯/角平/緑) / 30.FLSHWL(表示灯/角平/白) / 31.FLSHYL(表示灯/角平/黄) / 32.FLRTRL(表示灯/丸突/赤) / 33.FLRTGL(表示灯/丸突/緑) / 34.FLRTWL(表示灯/丸突/白) / 35.FLRTYL(表示灯/丸突/黄) / 40.FS2CS(セレクタ/2ノッチ/1c) / 41.FS3CS(セレクタ/3ノッチ/2c) / 45.FBZS(ブザー/角)
10
1個
3個
16
W48×H45
あり
Y端子付き(VY)
0.5 ~ 15
1.DEL(照光/非常停止) / 2.DE(非常停止) / 3.DEG(非常停止+ガード付き) / 4.FPSHRL(照光押しボタン/角平/赤) / 5.FPSHGL(照光押しボタン/角平/緑) / 6.FPSHWL(照光押しボタン/角平/白) / 7.FPSHYL(照光押しボタン/角平/黄) / 8.FPRTRL(照光押しボタン/丸突/赤) / 9.FPRTGL(照光押しボタン/丸突/緑) / 10.FPRTWL(照光押しボタン/丸突/白) / 11.FPRTYL(照光押しボタン/丸突/黄) / 16.FPSHR(押しボタン/角平/赤) / 17.FPSHG(押しボタン/角平/緑) / 18.FPSHB(押しボタン/角平/黒) / 19.FPSHY(押しボタン/角平/黄) / 20.FPRTR(押しボタン/丸突/赤) / 21.FPRTG(押しボタン/丸突/緑) / 22.FPRTB(押しボタン/丸突/黒) / 23.FPRTY(押しボタン/丸突/黄) / 28.FLSHRL(表示灯/角平/赤) / 29.FLSHGL(表示灯/角平/緑) / 30.FLSHWL(表示灯/角平/白) / 31.FLSHYL(表示灯/角平/黄) / 32.FLRTRL(表示灯/丸突/赤) / 33.FLRTGL(表示灯/丸突/緑) / 34.FLRTWL(表示灯/丸突/白) / 35.FLRTYL(表示灯/丸突/黄) / 40.FS2CS(セレクタ/2ノッチ/1c) / 41.FS3CS(セレクタ/3ノッチ/2c) / 45.FBZS(ブザー/角)
1.DEL(照光/非常停止) / 2.DE(非常停止) / 3.DEG(非常停止+ガード付き) / 4.FPSHRL(照光押しボタン/角平/赤) / 5.FPSHGL(照光押しボタン/角平/緑) / 6.FPSHWL(照光押しボタン/角平/白) / 7.FPSHYL(照光押しボタン/角平/黄) / 8.FPRTRL(照光押しボタン/丸突/赤) / 9.FPRTGL(照光押しボタン/丸突/緑) / 10.FPRTWL(照光押しボタン/丸突/白) / 11.FPRTYL(照光押しボタン/丸突/黄) / 16.FPSHR(押しボタン/角平/赤) / 17.FPSHG(押しボタン/角平/緑) / 18.FPSHB(押しボタン/角平/黒) / 19.FPSHY(押しボタン/角平/黄) / 20.FPRTR(押しボタン/丸突/赤) / 21.FPRTG(押しボタン/丸突/緑) / 22.FPRTB(押しボタン/丸突/黒) / 23.FPRTY(押しボタン/丸突/黄) / 28.FLSHRL(表示灯/角平/赤) / 29.FLSHGL(表示灯/角平/緑) / 30.FLSHWL(表示灯/角平/白) / 31.FLSHYL(表示灯/角平/黄) / 32.FLRTRL(表示灯/丸突/赤) / 33.FLRTGL(表示灯/丸突/緑) / 34.FLRTWL(表示灯/丸突/白) / 35.FLRTYL(表示灯/丸突/黄) / 40.FS2CS(セレクタ/2ノッチ/1c) / 41.FS3CS(セレクタ/3ノッチ/2c) / 45.FBZS(ブザー/角)
1.DEL(照光/非常停止) / 2.DE(非常停止) / 3.DEG(非常停止+ガード付き) / 4.FPSHRL(照光押しボタン/角平/赤) / 5.FPSHGL(照光押しボタン/角平/緑) / 6.FPSHWL(照光押しボタン/角平/白) / 7.FPSHYL(照光押しボタン/角平/黄) / 8.FPRTRL(照光押しボタン/丸突/赤) / 9.FPRTGL(照光押しボタン/丸突/緑) / 10.FPRTWL(照光押しボタン/丸突/白) / 11.FPRTYL(照光押しボタン/丸突/黄) / 16.FPSHR(押しボタン/角平/赤) / 17.FPSHG(押しボタン/角平/緑) / 18.FPSHB(押しボタン/角平/黒) / 19.FPSHY(押しボタン/角平/黄) / 20.FPRTR(押しボタン/丸突/赤) / 21.FPRTG(押しボタン/丸突/緑) / 22.FPRTB(押しボタン/丸突/黒) / 23.FPRTY(押しボタン/丸突/黄) / 28.FLSHRL(表示灯/角平/赤) / 29.FLSHGL(表示灯/角平/緑) / 30.FLSHWL(表示灯/角平/白) / 31.FLSHYL(表示灯/角平/黄) / 32.FLRTRL(表示灯/丸突/赤) / 33.FLRTGL(表示灯/丸突/緑) / 34.FLRTWL(表示灯/丸突/白) / 35.FLRTYL(表示灯/丸突/黄) / 40.FS2CS(セレクタ/2ノッチ/1c) / 41.FS3CS(セレクタ/3ノッチ/2c) / 45.FBZS(ブザー/角)
10
1個
1個
22
W65×H55
穴なし
切り落とし(VC)
0.5 ~ 15
1.DEL(照光/非常停止) / 2.DE(非常停止) / 3.DEG(非常停止+ガード付き) / 4.FPSHRL(照光押しボタン/角平/赤) / 5.FPSHGL(照光押しボタン/角平/緑) / 6.FPSHWL(照光押しボタン/角平/白) / 7.FPSHYL(照光押しボタン/角平/黄) / 8.FPRTRL(照光押しボタン/丸突/赤) / 9.FPRTGL(照光押しボタン/丸突/緑) / 10.FPRTWL(照光押しボタン/丸突/白) / 11.FPRTYL(照光押しボタン/丸突/黄) / 12.FPRHRL(照光押しボタン/丸平/赤) / 13.FPRHGL(照光押しボタン/丸平/緑) / 14.FPRHWL(照光押しボタン/丸平/白) / 15.FPRHYL(照光押しボタン/丸平/黄) / 16.FPSHR(押しボタン/角平/赤) / 17.FPSHG(押しボタン/角平/緑) / 18.FPSHB(押しボタン/角平/黒) / 19.FPSHY(押しボタン/角平/黄) / 20.FPRTR(押しボタン/丸突/赤) / 21.FPRTG(押しボタン/丸突/緑) / 22.FPRTB(押しボタン/丸突/黒) / 23.FPRTY(押しボタン/丸突/黄) / 24.FPRHR(押しボタン/丸平/赤) / 25.FPRHG(押しボタン/丸平/緑) / 26.FPRHB(押しボタン/丸平/黒) / 27.FPRHY(押しボタン/丸平/黄) / 28.FLSHRL(表示灯/角平/赤) / 29.FLSHGL(表示灯/角平/緑) / 30.FLSHWL(表示灯/角平/白) / 31.FLSHYL(表示灯/角平/黄) / 36.FLDRL(表示灯/ドーム/赤) / 37.FLDGL(表示灯/ドーム/緑) / 38.FLDWL(表示灯/ドーム/白) / 39.FLDYL(表示灯/ドーム/黄) / 42.FS2AR(セレクタ/2ノッチ/1a) / 43.FS2ABR(セレクタ/2ノッチ/1a1b) / 44.FS3ABR(セレクタ/3ノッチ/1a1b) / 46.FBZR(ブザー/丸)
-
-
10
1個
1個
22
W65×H55
穴なし
丸端子付き(VR)
0.5 ~ 15
1.DEL(照光/非常停止) / 2.DE(非常停止) / 3.DEG(非常停止+ガード付き) / 4.FPSHRL(照光押しボタン/角平/赤) / 5.FPSHGL(照光押しボタン/角平/緑) / 6.FPSHWL(照光押しボタン/角平/白) / 7.FPSHYL(照光押しボタン/角平/黄) / 8.FPRTRL(照光押しボタン/丸突/赤) / 9.FPRTGL(照光押しボタン/丸突/緑) / 10.FPRTWL(照光押しボタン/丸突/白) / 11.FPRTYL(照光押しボタン/丸突/黄) / 12.FPRHRL(照光押しボタン/丸平/赤) / 13.FPRHGL(照光押しボタン/丸平/緑) / 14.FPRHWL(照光押しボタン/丸平/白) / 15.FPRHYL(照光押しボタン/丸平/黄) / 16.FPSHR(押しボタン/角平/赤) / 17.FPSHG(押しボタン/角平/緑) / 18.FPSHB(押しボタン/角平/黒) / 19.FPSHY(押しボタン/角平/黄) / 20.FPRTR(押しボタン/丸突/赤) / 21.FPRTG(押しボタン/丸突/緑) / 22.FPRTB(押しボタン/丸突/黒) / 23.FPRTY(押しボタン/丸突/黄) / 24.FPRHR(押しボタン/丸平/赤) / 25.FPRHG(押しボタン/丸平/緑) / 26.FPRHB(押しボタン/丸平/黒) / 27.FPRHY(押しボタン/丸平/黄) / 28.FLSHRL(表示灯/角平/赤) / 29.FLSHGL(表示灯/角平/緑) / 30.FLSHWL(表示灯/角平/白) / 31.FLSHYL(表示灯/角平/黄) / 36.FLDRL(表示灯/ドーム/赤) / 37.FLDGL(表示灯/ドーム/緑) / 38.FLDWL(表示灯/ドーム/白) / 39.FLDYL(表示灯/ドーム/黄) / 42.FS2AR(セレクタ/2ノッチ/1a) / 43.FS2ABR(セレクタ/2ノッチ/1a1b) / 44.FS3ABR(セレクタ/3ノッチ/1a1b) / 46.FBZR(ブザー/丸)
-
-
10
1個
1個
22
W65×H55
穴なし
Y端子付き(VY)
0.5 ~ 15
1.DEL(照光/非常停止) / 2.DE(非常停止) / 3.DEG(非常停止+ガード付き) / 4.FPSHRL(照光押しボタン/角平/赤) / 5.FPSHGL(照光押しボタン/角平/緑) / 6.FPSHWL(照光押しボタン/角平/白) / 7.FPSHYL(照光押しボタン/角平/黄) / 8.FPRTRL(照光押しボタン/丸突/赤) / 9.FPRTGL(照光押しボタン/丸突/緑) / 10.FPRTWL(照光押しボタン/丸突/白) / 11.FPRTYL(照光押しボタン/丸突/黄) / 12.FPRHRL(照光押しボタン/丸平/赤) / 13.FPRHGL(照光押しボタン/丸平/緑) / 14.FPRHWL(照光押しボタン/丸平/白) / 15.FPRHYL(照光押しボタン/丸平/黄) / 16.FPSHR(押しボタン/角平/赤) / 17.FPSHG(押しボタン/角平/緑) / 18.FPSHB(押しボタン/角平/黒) / 19.FPSHY(押しボタン/角平/黄) / 20.FPRTR(押しボタン/丸突/赤) / 21.FPRTG(押しボタン/丸突/緑) / 22.FPRTB(押しボタン/丸突/黒) / 23.FPRTY(押しボタン/丸突/黄) / 24.FPRHR(押しボタン/丸平/赤) / 25.FPRHG(押しボタン/丸平/緑) / 26.FPRHB(押しボタン/丸平/黒) / 27.FPRHY(押しボタン/丸平/黄) / 28.FLSHRL(表示灯/角平/赤) / 29.FLSHGL(表示灯/角平/緑) / 30.FLSHWL(表示灯/角平/白) / 31.FLSHYL(表示灯/角平/黄) / 36.FLDRL(表示灯/ドーム/赤) / 37.FLDGL(表示灯/ドーム/緑) / 38.FLDWL(表示灯/ドーム/白) / 39.FLDYL(表示灯/ドーム/黄) / 42.FS2AR(セレクタ/2ノッチ/1a) / 43.FS2ABR(セレクタ/2ノッチ/1a1b) / 44.FS3ABR(セレクタ/3ノッチ/1a1b) / 46.FBZR(ブザー/丸)
-
-
10
1個
2個
22
W65×H55
穴なし
切り落とし(VC)
0.5 ~ 15
1.DEL(照光/非常停止) / 2.DE(非常停止) / 3.DEG(非常停止+ガード付き) / 4.FPSHRL(照光押しボタン/角平/赤) / 5.FPSHGL(照光押しボタン/角平/緑) / 6.FPSHWL(照光押しボタン/角平/白) / 7.FPSHYL(照光押しボタン/角平/黄) / 8.FPRTRL(照光押しボタン/丸突/赤) / 9.FPRTGL(照光押しボタン/丸突/緑) / 10.FPRTWL(照光押しボタン/丸突/白) / 11.FPRTYL(照光押しボタン/丸突/黄) / 12.FPRHRL(照光押しボタン/丸平/赤) / 13.FPRHGL(照光押しボタン/丸平/緑) / 14.FPRHWL(照光押しボタン/丸平/白) / 15.FPRHYL(照光押しボタン/丸平/黄) / 16.FPSHR(押しボタン/角平/赤) / 17.FPSHG(押しボタン/角平/緑) / 18.FPSHB(押しボタン/角平/黒) / 19.FPSHY(押しボタン/角平/黄) / 20.FPRTR(押しボタン/丸突/赤) / 21.FPRTG(押しボタン/丸突/緑) / 22.FPRTB(押しボタン/丸突/黒) / 23.FPRTY(押しボタン/丸突/黄) / 24.FPRHR(押しボタン/丸平/赤) / 25.FPRHG(押しボタン/丸平/緑) / 26.FPRHB(押しボタン/丸平/黒) / 27.FPRHY(押しボタン/丸平/黄) / 28.FLSHRL(表示灯/角平/赤) / 29.FLSHGL(表示灯/角平/緑) / 30.FLSHWL(表示灯/角平/白) / 31.FLSHYL(表示灯/角平/黄) / 36.FLDRL(表示灯/ドーム/赤) / 37.FLDGL(表示灯/ドーム/緑) / 38.FLDWL(表示灯/ドーム/白) / 39.FLDYL(表示灯/ドーム/黄) / 42.FS2AR(セレクタ/2ノッチ/1a) / 43.FS2ABR(セレクタ/2ノッチ/1a1b) / 44.FS3ABR(セレクタ/3ノッチ/1a1b) / 46.FBZR(ブザー/丸)
1.DEL(照光/非常停止) / 2.DE(非常停止) / 3.DEG(非常停止+ガード付き) / 4.FPSHRL(照光押しボタン/角平/赤) / 5.FPSHGL(照光押しボタン/角平/緑) / 6.FPSHWL(照光押しボタン/角平/白) / 7.FPSHYL(照光押しボタン/角平/黄) / 8.FPRTRL(照光押しボタン/丸突/赤) / 9.FPRTGL(照光押しボタン/丸突/緑) / 10.FPRTWL(照光押しボタン/丸突/白) / 11.FPRTYL(照光押しボタン/丸突/黄) / 12.FPRHRL(照光押しボタン/丸平/赤) / 13.FPRHGL(照光押しボタン/丸平/緑) / 14.FPRHWL(照光押しボタン/丸平/白) / 15.FPRHYL(照光押しボタン/丸平/黄) / 16.FPSHR(押しボタン/角平/赤) / 17.FPSHG(押しボタン/角平/緑) / 18.FPSHB(押しボタン/角平/黒) / 19.FPSHY(押しボタン/角平/黄) / 20.FPRTR(押しボタン/丸突/赤) / 21.FPRTG(押しボタン/丸突/緑) / 22.FPRTB(押しボタン/丸突/黒) / 23.FPRTY(押しボタン/丸突/黄) / 24.FPRHR(押しボタン/丸平/赤) / 25.FPRHG(押しボタン/丸平/緑) / 26.FPRHB(押しボタン/丸平/黒) / 27.FPRHY(押しボタン/丸平/黄) / 28.FLSHRL(表示灯/角平/赤) / 29.FLSHGL(表示灯/角平/緑) / 30.FLSHWL(表示灯/角平/白) / 31.FLSHYL(表示灯/角平/黄) / 36.FLDRL(表示灯/ドーム/赤) / 37.FLDGL(表示灯/ドーム/緑) / 38.FLDWL(表示灯/ドーム/白) / 39.FLDYL(表示灯/ドーム/黄) / 42.FS2AR(セレクタ/2ノッチ/1a) / 43.FS2ABR(セレクタ/2ノッチ/1a1b) / 44.FS3ABR(セレクタ/3ノッチ/1a1b) / 46.FBZR(ブザー/丸)
-
10
1個
2個
22
W65×H55
穴なし
丸端子付き(VR)
0.5 ~ 15
1.DEL(照光/非常停止) / 2.DE(非常停止) / 3.DEG(非常停止+ガード付き) / 4.FPSHRL(照光押しボタン/角平/赤) / 5.FPSHGL(照光押しボタン/角平/緑) / 6.FPSHWL(照光押しボタン/角平/白) / 7.FPSHYL(照光押しボタン/角平/黄) / 8.FPRTRL(照光押しボタン/丸突/赤) / 9.FPRTGL(照光押しボタン/丸突/緑) / 10.FPRTWL(照光押しボタン/丸突/白) / 11.FPRTYL(照光押しボタン/丸突/黄) / 12.FPRHRL(照光押しボタン/丸平/赤) / 13.FPRHGL(照光押しボタン/丸平/緑) / 14.FPRHWL(照光押しボタン/丸平/白) / 15.FPRHYL(照光押しボタン/丸平/黄) / 16.FPSHR(押しボタン/角平/赤) / 17.FPSHG(押しボタン/角平/緑) / 18.FPSHB(押しボタン/角平/黒) / 19.FPSHY(押しボタン/角平/黄) / 20.FPRTR(押しボタン/丸突/赤) / 21.FPRTG(押しボタン/丸突/緑) / 22.FPRTB(押しボタン/丸突/黒) / 23.FPRTY(押しボタン/丸突/黄) / 24.FPRHR(押しボタン/丸平/赤) / 25.FPRHG(押しボタン/丸平/緑) / 26.FPRHB(押しボタン/丸平/黒) / 27.FPRHY(押しボタン/丸平/黄) / 28.FLSHRL(表示灯/角平/赤) / 29.FLSHGL(表示灯/角平/緑) / 30.FLSHWL(表示灯/角平/白) / 31.FLSHYL(表示灯/角平/黄) / 36.FLDRL(表示灯/ドーム/赤) / 37.FLDGL(表示灯/ドーム/緑) / 38.FLDWL(表示灯/ドーム/白) / 39.FLDYL(表示灯/ドーム/黄) / 42.FS2AR(セレクタ/2ノッチ/1a) / 43.FS2ABR(セレクタ/2ノッチ/1a1b) / 44.FS3ABR(セレクタ/3ノッチ/1a1b) / 46.FBZR(ブザー/丸)
1.DEL(照光/非常停止) / 2.DE(非常停止) / 3.DEG(非常停止+ガード付き) / 4.FPSHRL(照光押しボタン/角平/赤) / 5.FPSHGL(照光押しボタン/角平/緑) / 6.FPSHWL(照光押しボタン/角平/白) / 7.FPSHYL(照光押しボタン/角平/黄) / 8.FPRTRL(照光押しボタン/丸突/赤) / 9.FPRTGL(照光押しボタン/丸突/緑) / 10.FPRTWL(照光押しボタン/丸突/白) / 11.FPRTYL(照光押しボタン/丸突/黄) / 12.FPRHRL(照光押しボタン/丸平/赤) / 13.FPRHGL(照光押しボタン/丸平/緑) / 14.FPRHWL(照光押しボタン/丸平/白) / 15.FPRHYL(照光押しボタン/丸平/黄) / 16.FPSHR(押しボタン/角平/赤) / 17.FPSHG(押しボタン/角平/緑) / 18.FPSHB(押しボタン/角平/黒) / 19.FPSHY(押しボタン/角平/黄) / 20.FPRTR(押しボタン/丸突/赤) / 21.FPRTG(押しボタン/丸突/緑) / 22.FPRTB(押しボタン/丸突/黒) / 23.FPRTY(押しボタン/丸突/黄) / 24.FPRHR(押しボタン/丸平/赤) / 25.FPRHG(押しボタン/丸平/緑) / 26.FPRHB(押しボタン/丸平/黒) / 27.FPRHY(押しボタン/丸平/黄) / 28.FLSHRL(表示灯/角平/赤) / 29.FLSHGL(表示灯/角平/緑) / 30.FLSHWL(表示灯/角平/白) / 31.FLSHYL(表示灯/角平/黄) / 36.FLDRL(表示灯/ドーム/赤) / 37.FLDGL(表示灯/ドーム/緑) / 38.FLDWL(表示灯/ドーム/白) / 39.FLDYL(表示灯/ドーム/黄) / 42.FS2AR(セレクタ/2ノッチ/1a) / 43.FS2ABR(セレクタ/2ノッチ/1a1b) / 44.FS3ABR(セレクタ/3ノッチ/1a1b) / 46.FBZR(ブザー/丸)
-
10
1個
2個
22
W65×H55
穴なし
Y端子付き(VY)
0.5 ~ 15
1.DEL(照光/非常停止) / 2.DE(非常停止) / 3.DEG(非常停止+ガード付き) / 4.FPSHRL(照光押しボタン/角平/赤) / 5.FPSHGL(照光押しボタン/角平/緑) / 6.FPSHWL(照光押しボタン/角平/白) / 7.FPSHYL(照光押しボタン/角平/黄) / 8.FPRTRL(照光押しボタン/丸突/赤) / 9.FPRTGL(照光押しボタン/丸突/緑) / 10.FPRTWL(照光押しボタン/丸突/白) / 11.FPRTYL(照光押しボタン/丸突/黄) / 12.FPRHRL(照光押しボタン/丸平/赤) / 13.FPRHGL(照光押しボタン/丸平/緑) / 14.FPRHWL(照光押しボタン/丸平/白) / 15.FPRHYL(照光押しボタン/丸平/黄) / 16.FPSHR(押しボタン/角平/赤) / 17.FPSHG(押しボタン/角平/緑) / 18.FPSHB(押しボタン/角平/黒) / 19.FPSHY(押しボタン/角平/黄) / 20.FPRTR(押しボタン/丸突/赤) / 21.FPRTG(押しボタン/丸突/緑) / 22.FPRTB(押しボタン/丸突/黒) / 23.FPRTY(押しボタン/丸突/黄) / 24.FPRHR(押しボタン/丸平/赤) / 25.FPRHG(押しボタン/丸平/緑) / 26.FPRHB(押しボタン/丸平/黒) / 27.FPRHY(押しボタン/丸平/黄) / 28.FLSHRL(表示灯/角平/赤) / 29.FLSHGL(表示灯/角平/緑) / 30.FLSHWL(表示灯/角平/白) / 31.FLSHYL(表示灯/角平/黄) / 36.FLDRL(表示灯/ドーム/赤) / 37.FLDGL(表示灯/ドーム/緑) / 38.FLDWL(表示灯/ドーム/白) / 39.FLDYL(表示灯/ドーム/黄) / 42.FS2AR(セレクタ/2ノッチ/1a) / 43.FS2ABR(セレクタ/2ノッチ/1a1b) / 44.FS3ABR(セレクタ/3ノッチ/1a1b) / 46.FBZR(ブザー/丸)
1.DEL(照光/非常停止) / 2.DE(非常停止) / 3.DEG(非常停止+ガード付き) / 4.FPSHRL(照光押しボタン/角平/赤) / 5.FPSHGL(照光押しボタン/角平/緑) / 6.FPSHWL(照光押しボタン/角平/白) / 7.FPSHYL(照光押しボタン/角平/黄) / 8.FPRTRL(照光押しボタン/丸突/赤) / 9.FPRTGL(照光押しボタン/丸突/緑) / 10.FPRTWL(照光押しボタン/丸突/白) / 11.FPRTYL(照光押しボタン/丸突/黄) / 12.FPRHRL(照光押しボタン/丸平/赤) / 13.FPRHGL(照光押しボタン/丸平/緑) / 14.FPRHWL(照光押しボタン/丸平/白) / 15.FPRHYL(照光押しボタン/丸平/黄) / 16.FPSHR(押しボタン/角平/赤) / 17.FPSHG(押しボタン/角平/緑) / 18.FPSHB(押しボタン/角平/黒) / 19.FPSHY(押しボタン/角平/黄) / 20.FPRTR(押しボタン/丸突/赤) / 21.FPRTG(押しボタン/丸突/緑) / 22.FPRTB(押しボタン/丸突/黒) / 23.FPRTY(押しボタン/丸突/黄) / 24.FPRHR(押しボタン/丸平/赤) / 25.FPRHG(押しボタン/丸平/緑) / 26.FPRHB(押しボタン/丸平/黒) / 27.FPRHY(押しボタン/丸平/黄) / 28.FLSHRL(表示灯/角平/赤) / 29.FLSHGL(表示灯/角平/緑) / 30.FLSHWL(表示灯/角平/白) / 31.FLSHYL(表示灯/角平/黄) / 36.FLDRL(表示灯/ドーム/赤) / 37.FLDGL(表示灯/ドーム/緑) / 38.FLDWL(表示灯/ドーム/白) / 39.FLDYL(表示灯/ドーム/黄) / 42.FS2AR(セレクタ/2ノッチ/1a) / 43.FS2ABR(セレクタ/2ノッチ/1a1b) / 44.FS3ABR(セレクタ/3ノッチ/1a1b) / 46.FBZR(ブザー/丸)
-
10
1個
3個
22
W65×H55
穴なし
切り落とし(VC)
0.5 ~ 15
1.DEL(照光/非常停止) / 2.DE(非常停止) / 3.DEG(非常停止+ガード付き) / 4.FPSHRL(照光押しボタン/角平/赤) / 5.FPSHGL(照光押しボタン/角平/緑) / 6.FPSHWL(照光押しボタン/角平/白) / 7.FPSHYL(照光押しボタン/角平/黄) / 8.FPRTRL(照光押しボタン/丸突/赤) / 9.FPRTGL(照光押しボタン/丸突/緑) / 10.FPRTWL(照光押しボタン/丸突/白) / 11.FPRTYL(照光押しボタン/丸突/黄) / 12.FPRHRL(照光押しボタン/丸平/赤) / 13.FPRHGL(照光押しボタン/丸平/緑) / 14.FPRHWL(照光押しボタン/丸平/白) / 15.FPRHYL(照光押しボタン/丸平/黄) / 16.FPSHR(押しボタン/角平/赤) / 17.FPSHG(押しボタン/角平/緑) / 18.FPSHB(押しボタン/角平/黒) / 19.FPSHY(押しボタン/角平/黄) / 20.FPRTR(押しボタン/丸突/赤) / 21.FPRTG(押しボタン/丸突/緑) / 22.FPRTB(押しボタン/丸突/黒) / 23.FPRTY(押しボタン/丸突/黄) / 24.FPRHR(押しボタン/丸平/赤) / 25.FPRHG(押しボタン/丸平/緑) / 26.FPRHB(押しボタン/丸平/黒) / 27.FPRHY(押しボタン/丸平/黄) / 28.FLSHRL(表示灯/角平/赤) / 29.FLSHGL(表示灯/角平/緑) / 30.FLSHWL(表示灯/角平/白) / 31.FLSHYL(表示灯/角平/黄) / 36.FLDRL(表示灯/ドーム/赤) / 37.FLDGL(表示灯/ドーム/緑) / 38.FLDWL(表示灯/ドーム/白) / 39.FLDYL(表示灯/ドーム/黄) / 42.FS2AR(セレクタ/2ノッチ/1a) / 43.FS2ABR(セレクタ/2ノッチ/1a1b) / 44.FS3ABR(セレクタ/3ノッチ/1a1b) / 46.FBZR(ブザー/丸)
1.DEL(照光/非常停止) / 2.DE(非常停止) / 3.DEG(非常停止+ガード付き) / 4.FPSHRL(照光押しボタン/角平/赤) / 5.FPSHGL(照光押しボタン/角平/緑) / 6.FPSHWL(照光押しボタン/角平/白) / 7.FPSHYL(照光押しボタン/角平/黄) / 8.FPRTRL(照光押しボタン/丸突/赤) / 9.FPRTGL(照光押しボタン/丸突/緑) / 10.FPRTWL(照光押しボタン/丸突/白) / 11.FPRTYL(照光押しボタン/丸突/黄) / 12.FPRHRL(照光押しボタン/丸平/赤) / 13.FPRHGL(照光押しボタン/丸平/緑) / 14.FPRHWL(照光押しボタン/丸平/白) / 15.FPRHYL(照光押しボタン/丸平/黄) / 16.FPSHR(押しボタン/角平/赤) / 17.FPSHG(押しボタン/角平/緑) / 18.FPSHB(押しボタン/角平/黒) / 19.FPSHY(押しボタン/角平/黄) / 20.FPRTR(押しボタン/丸突/赤) / 21.FPRTG(押しボタン/丸突/緑) / 22.FPRTB(押しボタン/丸突/黒) / 23.FPRTY(押しボタン/丸突/黄) / 24.FPRHR(押しボタン/丸平/赤) / 25.FPRHG(押しボタン/丸平/緑) / 26.FPRHB(押しボタン/丸平/黒) / 27.FPRHY(押しボタン/丸平/黄) / 28.FLSHRL(表示灯/角平/赤) / 29.FLSHGL(表示灯/角平/緑) / 30.FLSHWL(表示灯/角平/白) / 31.FLSHYL(表示灯/角平/黄) / 36.FLDRL(表示灯/ドーム/赤) / 37.FLDGL(表示灯/ドーム/緑) / 38.FLDWL(表示灯/ドーム/白) / 39.FLDYL(表示灯/ドーム/黄) / 42.FS2AR(セレクタ/2ノッチ/1a) / 43.FS2ABR(セレクタ/2ノッチ/1a1b) / 44.FS3ABR(セレクタ/3ノッチ/1a1b) / 46.FBZR(ブザー/丸)
1.DEL(照光/非常停止) / 2.DE(非常停止) / 3.DEG(非常停止+ガード付き) / 4.FPSHRL(照光押しボタン/角平/赤) / 5.FPSHGL(照光押しボタン/角平/緑) / 6.FPSHWL(照光押しボタン/角平/白) / 7.FPSHYL(照光押しボタン/角平/黄) / 8.FPRTRL(照光押しボタン/丸突/赤) / 9.FPRTGL(照光押しボタン/丸突/緑) / 10.FPRTWL(照光押しボタン/丸突/白) / 11.FPRTYL(照光押しボタン/丸突/黄) / 12.FPRHRL(照光押しボタン/丸平/赤) / 13.FPRHGL(照光押しボタン/丸平/緑) / 14.FPRHWL(照光押しボタン/丸平/白) / 15.FPRHYL(照光押しボタン/丸平/黄) / 16.FPSHR(押しボタン/角平/赤) / 17.FPSHG(押しボタン/角平/緑) / 18.FPSHB(押しボタン/角平/黒) / 19.FPSHY(押しボタン/角平/黄) / 20.FPRTR(押しボタン/丸突/赤) / 21.FPRTG(押しボタン/丸突/緑) / 22.FPRTB(押しボタン/丸突/黒) / 23.FPRTY(押しボタン/丸突/黄) / 24.FPRHR(押しボタン/丸平/赤) / 25.FPRHG(押しボタン/丸平/緑) / 26.FPRHB(押しボタン/丸平/黒) / 27.FPRHY(押しボタン/丸平/黄) / 28.FLSHRL(表示灯/角平/赤) / 29.FLSHGL(表示灯/角平/緑) / 30.FLSHWL(表示灯/角平/白) / 31.FLSHYL(表示灯/角平/黄) / 36.FLDRL(表示灯/ドーム/赤) / 37.FLDGL(表示灯/ドーム/緑) / 38.FLDWL(表示灯/ドーム/白) / 39.FLDYL(表示灯/ドーム/黄) / 42.FS2AR(セレクタ/2ノッチ/1a) / 43.FS2ABR(セレクタ/2ノッチ/1a1b) / 44.FS3ABR(セレクタ/3ノッチ/1a1b) / 46.FBZR(ブザー/丸)
10
1個
3個
22
W65×H55
穴なし
丸端子付き(VR)
0.5 ~ 15
1.DEL(照光/非常停止) / 2.DE(非常停止) / 3.DEG(非常停止+ガード付き) / 4.FPSHRL(照光押しボタン/角平/赤) / 5.FPSHGL(照光押しボタン/角平/緑) / 6.FPSHWL(照光押しボタン/角平/白) / 7.FPSHYL(照光押しボタン/角平/黄) / 8.FPRTRL(照光押しボタン/丸突/赤) / 9.FPRTGL(照光押しボタン/丸突/緑) / 10.FPRTWL(照光押しボタン/丸突/白) / 11.FPRTYL(照光押しボタン/丸突/黄) / 12.FPRHRL(照光押しボタン/丸平/赤) / 13.FPRHGL(照光押しボタン/丸平/緑) / 14.FPRHWL(照光押しボタン/丸平/白) / 15.FPRHYL(照光押しボタン/丸平/黄) / 16.FPSHR(押しボタン/角平/赤) / 17.FPSHG(押しボタン/角平/緑) / 18.FPSHB(押しボタン/角平/黒) / 19.FPSHY(押しボタン/角平/黄) / 20.FPRTR(押しボタン/丸突/赤) / 21.FPRTG(押しボタン/丸突/緑) / 22.FPRTB(押しボタン/丸突/黒) / 23.FPRTY(押しボタン/丸突/黄) / 24.FPRHR(押しボタン/丸平/赤) / 25.FPRHG(押しボタン/丸平/緑) / 26.FPRHB(押しボタン/丸平/黒) / 27.FPRHY(押しボタン/丸平/黄) / 28.FLSHRL(表示灯/角平/赤) / 29.FLSHGL(表示灯/角平/緑) / 30.FLSHWL(表示灯/角平/白) / 31.FLSHYL(表示灯/角平/黄) / 36.FLDRL(表示灯/ドーム/赤) / 37.FLDGL(表示灯/ドーム/緑) / 38.FLDWL(表示灯/ドーム/白) / 39.FLDYL(表示灯/ドーム/黄) / 42.FS2AR(セレクタ/2ノッチ/1a) / 43.FS2ABR(セレクタ/2ノッチ/1a1b) / 44.FS3ABR(セレクタ/3ノッチ/1a1b) / 46.FBZR(ブザー/丸)
1.DEL(照光/非常停止) / 2.DE(非常停止) / 3.DEG(非常停止+ガード付き) / 4.FPSHRL(照光押しボタン/角平/赤) / 5.FPSHGL(照光押しボタン/角平/緑) / 6.FPSHWL(照光押しボタン/角平/白) / 7.FPSHYL(照光押しボタン/角平/黄) / 8.FPRTRL(照光押しボタン/丸突/赤) / 9.FPRTGL(照光押しボタン/丸突/緑) / 10.FPRTWL(照光押しボタン/丸突/白) / 11.FPRTYL(照光押しボタン/丸突/黄) / 12.FPRHRL(照光押しボタン/丸平/赤) / 13.FPRHGL(照光押しボタン/丸平/緑) / 14.FPRHWL(照光押しボタン/丸平/白) / 15.FPRHYL(照光押しボタン/丸平/黄) / 16.FPSHR(押しボタン/角平/赤) / 17.FPSHG(押しボタン/角平/緑) / 18.FPSHB(押しボタン/角平/黒) / 19.FPSHY(押しボタン/角平/黄) / 20.FPRTR(押しボタン/丸突/赤) / 21.FPRTG(押しボタン/丸突/緑) / 22.FPRTB(押しボタン/丸突/黒) / 23.FPRTY(押しボタン/丸突/黄) / 24.FPRHR(押しボタン/丸平/赤) / 25.FPRHG(押しボタン/丸平/緑) / 26.FPRHB(押しボタン/丸平/黒) / 27.FPRHY(押しボタン/丸平/黄) / 28.FLSHRL(表示灯/角平/赤) / 29.FLSHGL(表示灯/角平/緑) / 30.FLSHWL(表示灯/角平/白) / 31.FLSHYL(表示灯/角平/黄) / 36.FLDRL(表示灯/ドーム/赤) / 37.FLDGL(表示灯/ドーム/緑) / 38.FLDWL(表示灯/ドーム/白) / 39.FLDYL(表示灯/ドーム/黄) / 42.FS2AR(セレクタ/2ノッチ/1a) / 43.FS2ABR(セレクタ/2ノッチ/1a1b) / 44.FS3ABR(セレクタ/3ノッチ/1a1b) / 46.FBZR(ブザー/丸)
1.DEL(照光/非常停止) / 2.DE(非常停止) / 3.DEG(非常停止+ガード付き) / 4.FPSHRL(照光押しボタン/角平/赤) / 5.FPSHGL(照光押しボタン/角平/緑) / 6.FPSHWL(照光押しボタン/角平/白) / 7.FPSHYL(照光押しボタン/角平/黄) / 8.FPRTRL(照光押しボタン/丸突/赤) / 9.FPRTGL(照光押しボタン/丸突/緑) / 10.FPRTWL(照光押しボタン/丸突/白) / 11.FPRTYL(照光押しボタン/丸突/黄) / 12.FPRHRL(照光押しボタン/丸平/赤) / 13.FPRHGL(照光押しボタン/丸平/緑) / 14.FPRHWL(照光押しボタン/丸平/白) / 15.FPRHYL(照光押しボタン/丸平/黄) / 16.FPSHR(押しボタン/角平/赤) / 17.FPSHG(押しボタン/角平/緑) / 18.FPSHB(押しボタン/角平/黒) / 19.FPSHY(押しボタン/角平/黄) / 20.FPRTR(押しボタン/丸突/赤) / 21.FPRTG(押しボタン/丸突/緑) / 22.FPRTB(押しボタン/丸突/黒) / 23.FPRTY(押しボタン/丸突/黄) / 24.FPRHR(押しボタン/丸平/赤) / 25.FPRHG(押しボタン/丸平/緑) / 26.FPRHB(押しボタン/丸平/黒) / 27.FPRHY(押しボタン/丸平/黄) / 28.FLSHRL(表示灯/角平/赤) / 29.FLSHGL(表示灯/角平/緑) / 30.FLSHWL(表示灯/角平/白) / 31.FLSHYL(表示灯/角平/黄) / 36.FLDRL(表示灯/ドーム/赤) / 37.FLDGL(表示灯/ドーム/緑) / 38.FLDWL(表示灯/ドーム/白) / 39.FLDYL(表示灯/ドーム/黄) / 42.FS2AR(セレクタ/2ノッチ/1a) / 43.FS2ABR(セレクタ/2ノッチ/1a1b) / 44.FS3ABR(セレクタ/3ノッチ/1a1b) / 46.FBZR(ブザー/丸)
10
1個
3個
22
W65×H55
穴なし
Y端子付き(VY)
0.5 ~ 15
1.DEL(照光/非常停止) / 2.DE(非常停止) / 3.DEG(非常停止+ガード付き) / 4.FPSHRL(照光押しボタン/角平/赤) / 5.FPSHGL(照光押しボタン/角平/緑) / 6.FPSHWL(照光押しボタン/角平/白) / 7.FPSHYL(照光押しボタン/角平/黄) / 8.FPRTRL(照光押しボタン/丸突/赤) / 9.FPRTGL(照光押しボタン/丸突/緑) / 10.FPRTWL(照光押しボタン/丸突/白) / 11.FPRTYL(照光押しボタン/丸突/黄) / 12.FPRHRL(照光押しボタン/丸平/赤) / 13.FPRHGL(照光押しボタン/丸平/緑) / 14.FPRHWL(照光押しボタン/丸平/白) / 15.FPRHYL(照光押しボタン/丸平/黄) / 16.FPSHR(押しボタン/角平/赤) / 17.FPSHG(押しボタン/角平/緑) / 18.FPSHB(押しボタン/角平/黒) / 19.FPSHY(押しボタン/角平/黄) / 20.FPRTR(押しボタン/丸突/赤) / 21.FPRTG(押しボタン/丸突/緑) / 22.FPRTB(押しボタン/丸突/黒) / 23.FPRTY(押しボタン/丸突/黄) / 24.FPRHR(押しボタン/丸平/赤) / 25.FPRHG(押しボタン/丸平/緑) / 26.FPRHB(押しボタン/丸平/黒) / 27.FPRHY(押しボタン/丸平/黄) / 28.FLSHRL(表示灯/角平/赤) / 29.FLSHGL(表示灯/角平/緑) / 30.FLSHWL(表示灯/角平/白) / 31.FLSHYL(表示灯/角平/黄) / 36.FLDRL(表示灯/ドーム/赤) / 37.FLDGL(表示灯/ドーム/緑) / 38.FLDWL(表示灯/ドーム/白) / 39.FLDYL(表示灯/ドーム/黄) / 42.FS2AR(セレクタ/2ノッチ/1a) / 43.FS2ABR(セレクタ/2ノッチ/1a1b) / 44.FS3ABR(セレクタ/3ノッチ/1a1b) / 46.FBZR(ブザー/丸)
1.DEL(照光/非常停止) / 2.DE(非常停止) / 3.DEG(非常停止+ガード付き) / 4.FPSHRL(照光押しボタン/角平/赤) / 5.FPSHGL(照光押しボタン/角平/緑) / 6.FPSHWL(照光押しボタン/角平/白) / 7.FPSHYL(照光押しボタン/角平/黄) / 8.FPRTRL(照光押しボタン/丸突/赤) / 9.FPRTGL(照光押しボタン/丸突/緑) / 10.FPRTWL(照光押しボタン/丸突/白) / 11.FPRTYL(照光押しボタン/丸突/黄) / 12.FPRHRL(照光押しボタン/丸平/赤) / 13.FPRHGL(照光押しボタン/丸平/緑) / 14.FPRHWL(照光押しボタン/丸平/白) / 15.FPRHYL(照光押しボタン/丸平/黄) / 16.FPSHR(押しボタン/角平/赤) / 17.FPSHG(押しボタン/角平/緑) / 18.FPSHB(押しボタン/角平/黒) / 19.FPSHY(押しボタン/角平/黄) / 20.FPRTR(押しボタン/丸突/赤) / 21.FPRTG(押しボタン/丸突/緑) / 22.FPRTB(押しボタン/丸突/黒) / 23.FPRTY(押しボタン/丸突/黄) / 24.FPRHR(押しボタン/丸平/赤) / 25.FPRHG(押しボタン/丸平/緑) / 26.FPRHB(押しボタン/丸平/黒) / 27.FPRHY(押しボタン/丸平/黄) / 28.FLSHRL(表示灯/角平/赤) / 29.FLSHGL(表示灯/角平/緑) / 30.FLSHWL(表示灯/角平/白) / 31.FLSHYL(表示灯/角平/黄) / 36.FLDRL(表示灯/ドーム/赤) / 37.FLDGL(表示灯/ドーム/緑) / 38.FLDWL(表示灯/ドーム/白) / 39.FLDYL(表示灯/ドーム/黄) / 42.FS2AR(セレクタ/2ノッチ/1a) / 43.FS2ABR(セレクタ/2ノッチ/1a1b) / 44.FS3ABR(セレクタ/3ノッチ/1a1b) / 46.FBZR(ブザー/丸)
1.DEL(照光/非常停止) / 2.DE(非常停止) / 3.DEG(非常停止+ガード付き) / 4.FPSHRL(照光押しボタン/角平/赤) / 5.FPSHGL(照光押しボタン/角平/緑) / 6.FPSHWL(照光押しボタン/角平/白) / 7.FPSHYL(照光押しボタン/角平/黄) / 8.FPRTRL(照光押しボタン/丸突/赤) / 9.FPRTGL(照光押しボタン/丸突/緑) / 10.FPRTWL(照光押しボタン/丸突/白) / 11.FPRTYL(照光押しボタン/丸突/黄) / 12.FPRHRL(照光押しボタン/丸平/赤) / 13.FPRHGL(照光押しボタン/丸平/緑) / 14.FPRHWL(照光押しボタン/丸平/白) / 15.FPRHYL(照光押しボタン/丸平/黄) / 16.FPSHR(押しボタン/角平/赤) / 17.FPSHG(押しボタン/角平/緑) / 18.FPSHB(押しボタン/角平/黒) / 19.FPSHY(押しボタン/角平/黄) / 20.FPRTR(押しボタン/丸突/赤) / 21.FPRTG(押しボタン/丸突/緑) / 22.FPRTB(押しボタン/丸突/黒) / 23.FPRTY(押しボタン/丸突/黄) / 24.FPRHR(押しボタン/丸平/赤) / 25.FPRHG(押しボタン/丸平/緑) / 26.FPRHB(押しボタン/丸平/黒) / 27.FPRHY(押しボタン/丸平/黄) / 28.FLSHRL(表示灯/角平/赤) / 29.FLSHGL(表示灯/角平/緑) / 30.FLSHWL(表示灯/角平/白) / 31.FLSHYL(表示灯/角平/黄) / 36.FLDRL(表示灯/ドーム/赤) / 37.FLDGL(表示灯/ドーム/緑) / 38.FLDWL(表示灯/ドーム/白) / 39.FLDYL(表示灯/ドーム/黄) / 42.FS2AR(セレクタ/2ノッチ/1a) / 43.FS2ABR(セレクタ/2ノッチ/1a1b) / 44.FS3ABR(セレクタ/3ノッチ/1a1b) / 46.FBZR(ブザー/丸)
10
1個
1個
22
W65×H55
あり
切り落とし(VC)
0.5 ~ 15
1.DEL(照光/非常停止) / 2.DE(非常停止) / 3.DEG(非常停止+ガード付き) / 4.FPSHRL(照光押しボタン/角平/赤) / 5.FPSHGL(照光押しボタン/角平/緑) / 6.FPSHWL(照光押しボタン/角平/白) / 7.FPSHYL(照光押しボタン/角平/黄) / 8.FPRTRL(照光押しボタン/丸突/赤) / 9.FPRTGL(照光押しボタン/丸突/緑) / 10.FPRTWL(照光押しボタン/丸突/白) / 11.FPRTYL(照光押しボタン/丸突/黄) / 12.FPRHRL(照光押しボタン/丸平/赤) / 13.FPRHGL(照光押しボタン/丸平/緑) / 14.FPRHWL(照光押しボタン/丸平/白) / 15.FPRHYL(照光押しボタン/丸平/黄) / 16.FPSHR(押しボタン/角平/赤) / 17.FPSHG(押しボタン/角平/緑) / 18.FPSHB(押しボタン/角平/黒) / 19.FPSHY(押しボタン/角平/黄) / 20.FPRTR(押しボタン/丸突/赤) / 21.FPRTG(押しボタン/丸突/緑) / 22.FPRTB(押しボタン/丸突/黒) / 23.FPRTY(押しボタン/丸突/黄) / 24.FPRHR(押しボタン/丸平/赤) / 25.FPRHG(押しボタン/丸平/緑) / 26.FPRHB(押しボタン/丸平/黒) / 27.FPRHY(押しボタン/丸平/黄) / 28.FLSHRL(表示灯/角平/赤) / 29.FLSHGL(表示灯/角平/緑) / 30.FLSHWL(表示灯/角平/白) / 31.FLSHYL(表示灯/角平/黄) / 36.FLDRL(表示灯/ドーム/赤) / 37.FLDGL(表示灯/ドーム/緑) / 38.FLDWL(表示灯/ドーム/白) / 39.FLDYL(表示灯/ドーム/黄) / 42.FS2AR(セレクタ/2ノッチ/1a) / 43.FS2ABR(セレクタ/2ノッチ/1a1b) / 44.FS3ABR(セレクタ/3ノッチ/1a1b) / 46.FBZR(ブザー/丸)
-
-
10
1個
1個
22
W65×H55
あり
丸端子付き(VR)
0.5 ~ 15
1.DEL(照光/非常停止) / 2.DE(非常停止) / 3.DEG(非常停止+ガード付き) / 4.FPSHRL(照光押しボタン/角平/赤) / 5.FPSHGL(照光押しボタン/角平/緑) / 6.FPSHWL(照光押しボタン/角平/白) / 7.FPSHYL(照光押しボタン/角平/黄) / 8.FPRTRL(照光押しボタン/丸突/赤) / 9.FPRTGL(照光押しボタン/丸突/緑) / 10.FPRTWL(照光押しボタン/丸突/白) / 11.FPRTYL(照光押しボタン/丸突/黄) / 12.FPRHRL(照光押しボタン/丸平/赤) / 13.FPRHGL(照光押しボタン/丸平/緑) / 14.FPRHWL(照光押しボタン/丸平/白) / 15.FPRHYL(照光押しボタン/丸平/黄) / 16.FPSHR(押しボタン/角平/赤) / 17.FPSHG(押しボタン/角平/緑) / 18.FPSHB(押しボタン/角平/黒) / 19.FPSHY(押しボタン/角平/黄) / 20.FPRTR(押しボタン/丸突/赤) / 21.FPRTG(押しボタン/丸突/緑) / 22.FPRTB(押しボタン/丸突/黒) / 23.FPRTY(押しボタン/丸突/黄) / 24.FPRHR(押しボタン/丸平/赤) / 25.FPRHG(押しボタン/丸平/緑) / 26.FPRHB(押しボタン/丸平/黒) / 27.FPRHY(押しボタン/丸平/黄) / 28.FLSHRL(表示灯/角平/赤) / 29.FLSHGL(表示灯/角平/緑) / 30.FLSHWL(表示灯/角平/白) / 31.FLSHYL(表示灯/角平/黄) / 36.FLDRL(表示灯/ドーム/赤) / 37.FLDGL(表示灯/ドーム/緑) / 38.FLDWL(表示灯/ドーム/白) / 39.FLDYL(表示灯/ドーム/黄) / 42.FS2AR(セレクタ/2ノッチ/1a) / 43.FS2ABR(セレクタ/2ノッチ/1a1b) / 44.FS3ABR(セレクタ/3ノッチ/1a1b) / 46.FBZR(ブザー/丸)
-
-
10
1個
1個
22
W65×H55
あり
Y端子付き(VY)
0.5 ~ 15
1.DEL(照光/非常停止) / 2.DE(非常停止) / 3.DEG(非常停止+ガード付き) / 4.FPSHRL(照光押しボタン/角平/赤) / 5.FPSHGL(照光押しボタン/角平/緑) / 6.FPSHWL(照光押しボタン/角平/白) / 7.FPSHYL(照光押しボタン/角平/黄) / 8.FPRTRL(照光押しボタン/丸突/赤) / 9.FPRTGL(照光押しボタン/丸突/緑) / 10.FPRTWL(照光押しボタン/丸突/白) / 11.FPRTYL(照光押しボタン/丸突/黄) / 12.FPRHRL(照光押しボタン/丸平/赤) / 13.FPRHGL(照光押しボタン/丸平/緑) / 14.FPRHWL(照光押しボタン/丸平/白) / 15.FPRHYL(照光押しボタン/丸平/黄) / 16.FPSHR(押しボタン/角平/赤) / 17.FPSHG(押しボタン/角平/緑) / 18.FPSHB(押しボタン/角平/黒) / 19.FPSHY(押しボタン/角平/黄) / 20.FPRTR(押しボタン/丸突/赤) / 21.FPRTG(押しボタン/丸突/緑) / 22.FPRTB(押しボタン/丸突/黒) / 23.FPRTY(押しボタン/丸突/黄) / 24.FPRHR(押しボタン/丸平/赤) / 25.FPRHG(押しボタン/丸平/緑) / 26.FPRHB(押しボタン/丸平/黒) / 27.FPRHY(押しボタン/丸平/黄) / 28.FLSHRL(表示灯/角平/赤) / 29.FLSHGL(表示灯/角平/緑) / 30.FLSHWL(表示灯/角平/白) / 31.FLSHYL(表示灯/角平/黄) / 36.FLDRL(表示灯/ドーム/赤) / 37.FLDGL(表示灯/ドーム/緑) / 38.FLDWL(表示灯/ドーム/白) / 39.FLDYL(表示灯/ドーム/黄) / 42.FS2AR(セレクタ/2ノッチ/1a) / 43.FS2ABR(セレクタ/2ノッチ/1a1b) / 44.FS3ABR(セレクタ/3ノッチ/1a1b) / 46.FBZR(ブザー/丸)
-
-
10
1個
2個
22
W65×H55
あり
切り落とし(VC)
0.5 ~ 15
1.DEL(照光/非常停止) / 2.DE(非常停止) / 3.DEG(非常停止+ガード付き) / 4.FPSHRL(照光押しボタン/角平/赤) / 5.FPSHGL(照光押しボタン/角平/緑) / 6.FPSHWL(照光押しボタン/角平/白) / 7.FPSHYL(照光押しボタン/角平/黄) / 8.FPRTRL(照光押しボタン/丸突/赤) / 9.FPRTGL(照光押しボタン/丸突/緑) / 10.FPRTWL(照光押しボタン/丸突/白) / 11.FPRTYL(照光押しボタン/丸突/黄) / 12.FPRHRL(照光押しボタン/丸平/赤) / 13.FPRHGL(照光押しボタン/丸平/緑) / 14.FPRHWL(照光押しボタン/丸平/白) / 15.FPRHYL(照光押しボタン/丸平/黄) / 16.FPSHR(押しボタン/角平/赤) / 17.FPSHG(押しボタン/角平/緑) / 18.FPSHB(押しボタン/角平/黒) / 19.FPSHY(押しボタン/角平/黄) / 20.FPRTR(押しボタン/丸突/赤) / 21.FPRTG(押しボタン/丸突/緑) / 22.FPRTB(押しボタン/丸突/黒) / 23.FPRTY(押しボタン/丸突/黄) / 24.FPRHR(押しボタン/丸平/赤) / 25.FPRHG(押しボタン/丸平/緑) / 26.FPRHB(押しボタン/丸平/黒) / 27.FPRHY(押しボタン/丸平/黄) / 28.FLSHRL(表示灯/角平/赤) / 29.FLSHGL(表示灯/角平/緑) / 30.FLSHWL(表示灯/角平/白) / 31.FLSHYL(表示灯/角平/黄) / 36.FLDRL(表示灯/ドーム/赤) / 37.FLDGL(表示灯/ドーム/緑) / 38.FLDWL(表示灯/ドーム/白) / 39.FLDYL(表示灯/ドーム/黄) / 42.FS2AR(セレクタ/2ノッチ/1a) / 43.FS2ABR(セレクタ/2ノッチ/1a1b) / 44.FS3ABR(セレクタ/3ノッチ/1a1b) / 46.FBZR(ブザー/丸)
1.DEL(照光/非常停止) / 2.DE(非常停止) / 3.DEG(非常停止+ガード付き) / 4.FPSHRL(照光押しボタン/角平/赤) / 5.FPSHGL(照光押しボタン/角平/緑) / 6.FPSHWL(照光押しボタン/角平/白) / 7.FPSHYL(照光押しボタン/角平/黄) / 8.FPRTRL(照光押しボタン/丸突/赤) / 9.FPRTGL(照光押しボタン/丸突/緑) / 10.FPRTWL(照光押しボタン/丸突/白) / 11.FPRTYL(照光押しボタン/丸突/黄) / 12.FPRHRL(照光押しボタン/丸平/赤) / 13.FPRHGL(照光押しボタン/丸平/緑) / 14.FPRHWL(照光押しボタン/丸平/白) / 15.FPRHYL(照光押しボタン/丸平/黄) / 16.FPSHR(押しボタン/角平/赤) / 17.FPSHG(押しボタン/角平/緑) / 18.FPSHB(押しボタン/角平/黒) / 19.FPSHY(押しボタン/角平/黄) / 20.FPRTR(押しボタン/丸突/赤) / 21.FPRTG(押しボタン/丸突/緑) / 22.FPRTB(押しボタン/丸突/黒) / 23.FPRTY(押しボタン/丸突/黄) / 24.FPRHR(押しボタン/丸平/赤) / 25.FPRHG(押しボタン/丸平/緑) / 26.FPRHB(押しボタン/丸平/黒) / 27.FPRHY(押しボタン/丸平/黄) / 28.FLSHRL(表示灯/角平/赤) / 29.FLSHGL(表示灯/角平/緑) / 30.FLSHWL(表示灯/角平/白) / 31.FLSHYL(表示灯/角平/黄) / 36.FLDRL(表示灯/ドーム/赤) / 37.FLDGL(表示灯/ドーム/緑) / 38.FLDWL(表示灯/ドーム/白) / 39.FLDYL(表示灯/ドーム/黄) / 42.FS2AR(セレクタ/2ノッチ/1a) / 43.FS2ABR(セレクタ/2ノッチ/1a1b) / 44.FS3ABR(セレクタ/3ノッチ/1a1b) / 46.FBZR(ブザー/丸)
-
10
1個
2個
22
W65×H55
あり
丸端子付き(VR)
0.5 ~ 15
1.DEL(照光/非常停止) / 2.DE(非常停止) / 3.DEG(非常停止+ガード付き) / 4.FPSHRL(照光押しボタン/角平/赤) / 5.FPSHGL(照光押しボタン/角平/緑) / 6.FPSHWL(照光押しボタン/角平/白) / 7.FPSHYL(照光押しボタン/角平/黄) / 8.FPRTRL(照光押しボタン/丸突/赤) / 9.FPRTGL(照光押しボタン/丸突/緑) / 10.FPRTWL(照光押しボタン/丸突/白) / 11.FPRTYL(照光押しボタン/丸突/黄) / 12.FPRHRL(照光押しボタン/丸平/赤) / 13.FPRHGL(照光押しボタン/丸平/緑) / 14.FPRHWL(照光押しボタン/丸平/白) / 15.FPRHYL(照光押しボタン/丸平/黄) / 16.FPSHR(押しボタン/角平/赤) / 17.FPSHG(押しボタン/角平/緑) / 18.FPSHB(押しボタン/角平/黒) / 19.FPSHY(押しボタン/角平/黄) / 20.FPRTR(押しボタン/丸突/赤) / 21.FPRTG(押しボタン/丸突/緑) / 22.FPRTB(押しボタン/丸突/黒) / 23.FPRTY(押しボタン/丸突/黄) / 24.FPRHR(押しボタン/丸平/赤) / 25.FPRHG(押しボタン/丸平/緑) / 26.FPRHB(押しボタン/丸平/黒) / 27.FPRHY(押しボタン/丸平/黄) / 28.FLSHRL(表示灯/角平/赤) / 29.FLSHGL(表示灯/角平/緑) / 30.FLSHWL(表示灯/角平/白) / 31.FLSHYL(表示灯/角平/黄) / 36.FLDRL(表示灯/ドーム/赤) / 37.FLDGL(表示灯/ドーム/緑) / 38.FLDWL(表示灯/ドーム/白) / 39.FLDYL(表示灯/ドーム/黄) / 42.FS2AR(セレクタ/2ノッチ/1a) / 43.FS2ABR(セレクタ/2ノッチ/1a1b) / 44.FS3ABR(セレクタ/3ノッチ/1a1b) / 46.FBZR(ブザー/丸)
1.DEL(照光/非常停止) / 2.DE(非常停止) / 3.DEG(非常停止+ガード付き) / 4.FPSHRL(照光押しボタン/角平/赤) / 5.FPSHGL(照光押しボタン/角平/緑) / 6.FPSHWL(照光押しボタン/角平/白) / 7.FPSHYL(照光押しボタン/角平/黄) / 8.FPRTRL(照光押しボタン/丸突/赤) / 9.FPRTGL(照光押しボタン/丸突/緑) / 10.FPRTWL(照光押しボタン/丸突/白) / 11.FPRTYL(照光押しボタン/丸突/黄) / 12.FPRHRL(照光押しボタン/丸平/赤) / 13.FPRHGL(照光押しボタン/丸平/緑) / 14.FPRHWL(照光押しボタン/丸平/白) / 15.FPRHYL(照光押しボタン/丸平/黄) / 16.FPSHR(押しボタン/角平/赤) / 17.FPSHG(押しボタン/角平/緑) / 18.FPSHB(押しボタン/角平/黒) / 19.FPSHY(押しボタン/角平/黄) / 20.FPRTR(押しボタン/丸突/赤) / 21.FPRTG(押しボタン/丸突/緑) / 22.FPRTB(押しボタン/丸突/黒) / 23.FPRTY(押しボタン/丸突/黄) / 24.FPRHR(押しボタン/丸平/赤) / 25.FPRHG(押しボタン/丸平/緑) / 26.FPRHB(押しボタン/丸平/黒) / 27.FPRHY(押しボタン/丸平/黄) / 28.FLSHRL(表示灯/角平/赤) / 29.FLSHGL(表示灯/角平/緑) / 30.FLSHWL(表示灯/角平/白) / 31.FLSHYL(表示灯/角平/黄) / 36.FLDRL(表示灯/ドーム/赤) / 37.FLDGL(表示灯/ドーム/緑) / 38.FLDWL(表示灯/ドーム/白) / 39.FLDYL(表示灯/ドーム/黄) / 42.FS2AR(セレクタ/2ノッチ/1a) / 43.FS2ABR(セレクタ/2ノッチ/1a1b) / 44.FS3ABR(セレクタ/3ノッチ/1a1b) / 46.FBZR(ブザー/丸)
-
10
1個
2個
22
W65×H55
あり
Y端子付き(VY)
0.5 ~ 15
1.DEL(照光/非常停止) / 2.DE(非常停止) / 3.DEG(非常停止+ガード付き) / 4.FPSHRL(照光押しボタン/角平/赤) / 5.FPSHGL(照光押しボタン/角平/緑) / 6.FPSHWL(照光押しボタン/角平/白) / 7.FPSHYL(照光押しボタン/角平/黄) / 8.FPRTRL(照光押しボタン/丸突/赤) / 9.FPRTGL(照光押しボタン/丸突/緑) / 10.FPRTWL(照光押しボタン/丸突/白) / 11.FPRTYL(照光押しボタン/丸突/黄) / 12.FPRHRL(照光押しボタン/丸平/赤) / 13.FPRHGL(照光押しボタン/丸平/緑) / 14.FPRHWL(照光押しボタン/丸平/白) / 15.FPRHYL(照光押しボタン/丸平/黄) / 16.FPSHR(押しボタン/角平/赤) / 17.FPSHG(押しボタン/角平/緑) / 18.FPSHB(押しボタン/角平/黒) / 19.FPSHY(押しボタン/角平/黄) / 20.FPRTR(押しボタン/丸突/赤) / 21.FPRTG(押しボタン/丸突/緑) / 22.FPRTB(押しボタン/丸突/黒) / 23.FPRTY(押しボタン/丸突/黄) / 24.FPRHR(押しボタン/丸平/赤) / 25.FPRHG(押しボタン/丸平/緑) / 26.FPRHB(押しボタン/丸平/黒) / 27.FPRHY(押しボタン/丸平/黄) / 28.FLSHRL(表示灯/角平/赤) / 29.FLSHGL(表示灯/角平/緑) / 30.FLSHWL(表示灯/角平/白) / 31.FLSHYL(表示灯/角平/黄) / 36.FLDRL(表示灯/ドーム/赤) / 37.FLDGL(表示灯/ドーム/緑) / 38.FLDWL(表示灯/ドーム/白) / 39.FLDYL(表示灯/ドーム/黄) / 42.FS2AR(セレクタ/2ノッチ/1a) / 43.FS2ABR(セレクタ/2ノッチ/1a1b) / 44.FS3ABR(セレクタ/3ノッチ/1a1b) / 46.FBZR(ブザー/丸)
1.DEL(照光/非常停止) / 2.DE(非常停止) / 3.DEG(非常停止+ガード付き) / 4.FPSHRL(照光押しボタン/角平/赤) / 5.FPSHGL(照光押しボタン/角平/緑) / 6.FPSHWL(照光押しボタン/角平/白) / 7.FPSHYL(照光押しボタン/角平/黄) / 8.FPRTRL(照光押しボタン/丸突/赤) / 9.FPRTGL(照光押しボタン/丸突/緑) / 10.FPRTWL(照光押しボタン/丸突/白) / 11.FPRTYL(照光押しボタン/丸突/黄) / 12.FPRHRL(照光押しボタン/丸平/赤) / 13.FPRHGL(照光押しボタン/丸平/緑) / 14.FPRHWL(照光押しボタン/丸平/白) / 15.FPRHYL(照光押しボタン/丸平/黄) / 16.FPSHR(押しボタン/角平/赤) / 17.FPSHG(押しボタン/角平/緑) / 18.FPSHB(押しボタン/角平/黒) / 19.FPSHY(押しボタン/角平/黄) / 20.FPRTR(押しボタン/丸突/赤) / 21.FPRTG(押しボタン/丸突/緑) / 22.FPRTB(押しボタン/丸突/黒) / 23.FPRTY(押しボタン/丸突/黄) / 24.FPRHR(押しボタン/丸平/赤) / 25.FPRHG(押しボタン/丸平/緑) / 26.FPRHB(押しボタン/丸平/黒) / 27.FPRHY(押しボタン/丸平/黄) / 28.FLSHRL(表示灯/角平/赤) / 29.FLSHGL(表示灯/角平/緑) / 30.FLSHWL(表示灯/角平/白) / 31.FLSHYL(表示灯/角平/黄) / 36.FLDRL(表示灯/ドーム/赤) / 37.FLDGL(表示灯/ドーム/緑) / 38.FLDWL(表示灯/ドーム/白) / 39.FLDYL(表示灯/ドーム/黄) / 42.FS2AR(セレクタ/2ノッチ/1a) / 43.FS2ABR(セレクタ/2ノッチ/1a1b) / 44.FS3ABR(セレクタ/3ノッチ/1a1b) / 46.FBZR(ブザー/丸)
-
10
1個
3個
22
W65×H55
あり
切り落とし(VC)
0.5 ~ 15
1.DEL(照光/非常停止) / 2.DE(非常停止) / 3.DEG(非常停止+ガード付き) / 4.FPSHRL(照光押しボタン/角平/赤) / 5.FPSHGL(照光押しボタン/角平/緑) / 6.FPSHWL(照光押しボタン/角平/白) / 7.FPSHYL(照光押しボタン/角平/黄) / 8.FPRTRL(照光押しボタン/丸突/赤) / 9.FPRTGL(照光押しボタン/丸突/緑) / 10.FPRTWL(照光押しボタン/丸突/白) / 11.FPRTYL(照光押しボタン/丸突/黄) / 12.FPRHRL(照光押しボタン/丸平/赤) / 13.FPRHGL(照光押しボタン/丸平/緑) / 14.FPRHWL(照光押しボタン/丸平/白) / 15.FPRHYL(照光押しボタン/丸平/黄) / 16.FPSHR(押しボタン/角平/赤) / 17.FPSHG(押しボタン/角平/緑) / 18.FPSHB(押しボタン/角平/黒) / 19.FPSHY(押しボタン/角平/黄) / 20.FPRTR(押しボタン/丸突/赤) / 21.FPRTG(押しボタン/丸突/緑) / 22.FPRTB(押しボタン/丸突/黒) / 23.FPRTY(押しボタン/丸突/黄) / 24.FPRHR(押しボタン/丸平/赤) / 25.FPRHG(押しボタン/丸平/緑) / 26.FPRHB(押しボタン/丸平/黒) / 27.FPRHY(押しボタン/丸平/黄) / 28.FLSHRL(表示灯/角平/赤) / 29.FLSHGL(表示灯/角平/緑) / 30.FLSHWL(表示灯/角平/白) / 31.FLSHYL(表示灯/角平/黄) / 36.FLDRL(表示灯/ドーム/赤) / 37.FLDGL(表示灯/ドーム/緑) / 38.FLDWL(表示灯/ドーム/白) / 39.FLDYL(表示灯/ドーム/黄) / 42.FS2AR(セレクタ/2ノッチ/1a) / 43.FS2ABR(セレクタ/2ノッチ/1a1b) / 44.FS3ABR(セレクタ/3ノッチ/1a1b) / 46.FBZR(ブザー/丸)
1.DEL(照光/非常停止) / 2.DE(非常停止) / 3.DEG(非常停止+ガード付き) / 4.FPSHRL(照光押しボタン/角平/赤) / 5.FPSHGL(照光押しボタン/角平/緑) / 6.FPSHWL(照光押しボタン/角平/白) / 7.FPSHYL(照光押しボタン/角平/黄) / 8.FPRTRL(照光押しボタン/丸突/赤) / 9.FPRTGL(照光押しボタン/丸突/緑) / 10.FPRTWL(照光押しボタン/丸突/白) / 11.FPRTYL(照光押しボタン/丸突/黄) / 12.FPRHRL(照光押しボタン/丸平/赤) / 13.FPRHGL(照光押しボタン/丸平/緑) / 14.FPRHWL(照光押しボタン/丸平/白) / 15.FPRHYL(照光押しボタン/丸平/黄) / 16.FPSHR(押しボタン/角平/赤) / 17.FPSHG(押しボタン/角平/緑) / 18.FPSHB(押しボタン/角平/黒) / 19.FPSHY(押しボタン/角平/黄) / 20.FPRTR(押しボタン/丸突/赤) / 21.FPRTG(押しボタン/丸突/緑) / 22.FPRTB(押しボタン/丸突/黒) / 23.FPRTY(押しボタン/丸突/黄) / 24.FPRHR(押しボタン/丸平/赤) / 25.FPRHG(押しボタン/丸平/緑) / 26.FPRHB(押しボタン/丸平/黒) / 27.FPRHY(押しボタン/丸平/黄) / 28.FLSHRL(表示灯/角平/赤) / 29.FLSHGL(表示灯/角平/緑) / 30.FLSHWL(表示灯/角平/白) / 31.FLSHYL(表示灯/角平/黄) / 36.FLDRL(表示灯/ドーム/赤) / 37.FLDGL(表示灯/ドーム/緑) / 38.FLDWL(表示灯/ドーム/白) / 39.FLDYL(表示灯/ドーム/黄) / 42.FS2AR(セレクタ/2ノッチ/1a) / 43.FS2ABR(セレクタ/2ノッチ/1a1b) / 44.FS3ABR(セレクタ/3ノッチ/1a1b) / 46.FBZR(ブザー/丸)
1.DEL(照光/非常停止) / 2.DE(非常停止) / 3.DEG(非常停止+ガード付き) / 4.FPSHRL(照光押しボタン/角平/赤) / 5.FPSHGL(照光押しボタン/角平/緑) / 6.FPSHWL(照光押しボタン/角平/白) / 7.FPSHYL(照光押しボタン/角平/黄) / 8.FPRTRL(照光押しボタン/丸突/赤) / 9.FPRTGL(照光押しボタン/丸突/緑) / 10.FPRTWL(照光押しボタン/丸突/白) / 11.FPRTYL(照光押しボタン/丸突/黄) / 12.FPRHRL(照光押しボタン/丸平/赤) / 13.FPRHGL(照光押しボタン/丸平/緑) / 14.FPRHWL(照光押しボタン/丸平/白) / 15.FPRHYL(照光押しボタン/丸平/黄) / 16.FPSHR(押しボタン/角平/赤) / 17.FPSHG(押しボタン/角平/緑) / 18.FPSHB(押しボタン/角平/黒) / 19.FPSHY(押しボタン/角平/黄) / 20.FPRTR(押しボタン/丸突/赤) / 21.FPRTG(押しボタン/丸突/緑) / 22.FPRTB(押しボタン/丸突/黒) / 23.FPRTY(押しボタン/丸突/黄) / 24.FPRHR(押しボタン/丸平/赤) / 25.FPRHG(押しボタン/丸平/緑) / 26.FPRHB(押しボタン/丸平/黒) / 27.FPRHY(押しボタン/丸平/黄) / 28.FLSHRL(表示灯/角平/赤) / 29.FLSHGL(表示灯/角平/緑) / 30.FLSHWL(表示灯/角平/白) / 31.FLSHYL(表示灯/角平/黄) / 36.FLDRL(表示灯/ドーム/赤) / 37.FLDGL(表示灯/ドーム/緑) / 38.FLDWL(表示灯/ドーム/白) / 39.FLDYL(表示灯/ドーム/黄) / 42.FS2AR(セレクタ/2ノッチ/1a) / 43.FS2ABR(セレクタ/2ノッチ/1a1b) / 44.FS3ABR(セレクタ/3ノッチ/1a1b) / 46.FBZR(ブザー/丸)
10
1個
3個
22
W65×H55
あり
丸端子付き(VR)
0.5 ~ 15
1.DEL(照光/非常停止) / 2.DE(非常停止) / 3.DEG(非常停止+ガード付き) / 4.FPSHRL(照光押しボタン/角平/赤) / 5.FPSHGL(照光押しボタン/角平/緑) / 6.FPSHWL(照光押しボタン/角平/白) / 7.FPSHYL(照光押しボタン/角平/黄) / 8.FPRTRL(照光押しボタン/丸突/赤) / 9.FPRTGL(照光押しボタン/丸突/緑) / 10.FPRTWL(照光押しボタン/丸突/白) / 11.FPRTYL(照光押しボタン/丸突/黄) / 12.FPRHRL(照光押しボタン/丸平/赤) / 13.FPRHGL(照光押しボタン/丸平/緑) / 14.FPRHWL(照光押しボタン/丸平/白) / 15.FPRHYL(照光押しボタン/丸平/黄) / 16.FPSHR(押しボタン/角平/赤) / 17.FPSHG(押しボタン/角平/緑) / 18.FPSHB(押しボタン/角平/黒) / 19.FPSHY(押しボタン/角平/黄) / 20.FPRTR(押しボタン/丸突/赤) / 21.FPRTG(押しボタン/丸突/緑) / 22.FPRTB(押しボタン/丸突/黒) / 23.FPRTY(押しボタン/丸突/黄) / 24.FPRHR(押しボタン/丸平/赤) / 25.FPRHG(押しボタン/丸平/緑) / 26.FPRHB(押しボタン/丸平/黒) / 27.FPRHY(押しボタン/丸平/黄) / 28.FLSHRL(表示灯/角平/赤) / 29.FLSHGL(表示灯/角平/緑) / 30.FLSHWL(表示灯/角平/白) / 31.FLSHYL(表示灯/角平/黄) / 36.FLDRL(表示灯/ドーム/赤) / 37.FLDGL(表示灯/ドーム/緑) / 38.FLDWL(表示灯/ドーム/白) / 39.FLDYL(表示灯/ドーム/黄) / 42.FS2AR(セレクタ/2ノッチ/1a) / 43.FS2ABR(セレクタ/2ノッチ/1a1b) / 44.FS3ABR(セレクタ/3ノッチ/1a1b) / 46.FBZR(ブザー/丸)
1.DEL(照光/非常停止) / 2.DE(非常停止) / 3.DEG(非常停止+ガード付き) / 4.FPSHRL(照光押しボタン/角平/赤) / 5.FPSHGL(照光押しボタン/角平/緑) / 6.FPSHWL(照光押しボタン/角平/白) / 7.FPSHYL(照光押しボタン/角平/黄) / 8.FPRTRL(照光押しボタン/丸突/赤) / 9.FPRTGL(照光押しボタン/丸突/緑) / 10.FPRTWL(照光押しボタン/丸突/白) / 11.FPRTYL(照光押しボタン/丸突/黄) / 12.FPRHRL(照光押しボタン/丸平/赤) / 13.FPRHGL(照光押しボタン/丸平/緑) / 14.FPRHWL(照光押しボタン/丸平/白) / 15.FPRHYL(照光押しボタン/丸平/黄) / 16.FPSHR(押しボタン/角平/赤) / 17.FPSHG(押しボタン/角平/緑) / 18.FPSHB(押しボタン/角平/黒) / 19.FPSHY(押しボタン/角平/黄) / 20.FPRTR(押しボタン/丸突/赤) / 21.FPRTG(押しボタン/丸突/緑) / 22.FPRTB(押しボタン/丸突/黒) / 23.FPRTY(押しボタン/丸突/黄) / 24.FPRHR(押しボタン/丸平/赤) / 25.FPRHG(押しボタン/丸平/緑) / 26.FPRHB(押しボタン/丸平/黒) / 27.FPRHY(押しボタン/丸平/黄) / 28.FLSHRL(表示灯/角平/赤) / 29.FLSHGL(表示灯/角平/緑) / 30.FLSHWL(表示灯/角平/白) / 31.FLSHYL(表示灯/角平/黄) / 36.FLDRL(表示灯/ドーム/赤) / 37.FLDGL(表示灯/ドーム/緑) / 38.FLDWL(表示灯/ドーム/白) / 39.FLDYL(表示灯/ドーム/黄) / 42.FS2AR(セレクタ/2ノッチ/1a) / 43.FS2ABR(セレクタ/2ノッチ/1a1b) / 44.FS3ABR(セレクタ/3ノッチ/1a1b) / 46.FBZR(ブザー/丸)
1.DEL(照光/非常停止) / 2.DE(非常停止) / 3.DEG(非常停止+ガード付き) / 4.FPSHRL(照光押しボタン/角平/赤) / 5.FPSHGL(照光押しボタン/角平/緑) / 6.FPSHWL(照光押しボタン/角平/白) / 7.FPSHYL(照光押しボタン/角平/黄) / 8.FPRTRL(照光押しボタン/丸突/赤) / 9.FPRTGL(照光押しボタン/丸突/緑) / 10.FPRTWL(照光押しボタン/丸突/白) / 11.FPRTYL(照光押しボタン/丸突/黄) / 12.FPRHRL(照光押しボタン/丸平/赤) / 13.FPRHGL(照光押しボタン/丸平/緑) / 14.FPRHWL(照光押しボタン/丸平/白) / 15.FPRHYL(照光押しボタン/丸平/黄) / 16.FPSHR(押しボタン/角平/赤) / 17.FPSHG(押しボタン/角平/緑) / 18.FPSHB(押しボタン/角平/黒) / 19.FPSHY(押しボタン/角平/黄) / 20.FPRTR(押しボタン/丸突/赤) / 21.FPRTG(押しボタン/丸突/緑) / 22.FPRTB(押しボタン/丸突/黒) / 23.FPRTY(押しボタン/丸突/黄) / 24.FPRHR(押しボタン/丸平/赤) / 25.FPRHG(押しボタン/丸平/緑) / 26.FPRHB(押しボタン/丸平/黒) / 27.FPRHY(押しボタン/丸平/黄) / 28.FLSHRL(表示灯/角平/赤) / 29.FLSHGL(表示灯/角平/緑) / 30.FLSHWL(表示灯/角平/白) / 31.FLSHYL(表示灯/角平/黄) / 36.FLDRL(表示灯/ドーム/赤) / 37.FLDGL(表示灯/ドーム/緑) / 38.FLDWL(表示灯/ドーム/白) / 39.FLDYL(表示灯/ドーム/黄) / 42.FS2AR(セレクタ/2ノッチ/1a) / 43.FS2ABR(セレクタ/2ノッチ/1a1b) / 44.FS3ABR(セレクタ/3ノッチ/1a1b) / 46.FBZR(ブザー/丸)
10
1個
3個
22
W65×H55
あり
Y端子付き(VY)
0.5 ~ 15
1.DEL(照光/非常停止) / 2.DE(非常停止) / 3.DEG(非常停止+ガード付き) / 4.FPSHRL(照光押しボタン/角平/赤) / 5.FPSHGL(照光押しボタン/角平/緑) / 6.FPSHWL(照光押しボタン/角平/白) / 7.FPSHYL(照光押しボタン/角平/黄) / 8.FPRTRL(照光押しボタン/丸突/赤) / 9.FPRTGL(照光押しボタン/丸突/緑) / 10.FPRTWL(照光押しボタン/丸突/白) / 11.FPRTYL(照光押しボタン/丸突/黄) / 12.FPRHRL(照光押しボタン/丸平/赤) / 13.FPRHGL(照光押しボタン/丸平/緑) / 14.FPRHWL(照光押しボタン/丸平/白) / 15.FPRHYL(照光押しボタン/丸平/黄) / 16.FPSHR(押しボタン/角平/赤) / 17.FPSHG(押しボタン/角平/緑) / 18.FPSHB(押しボタン/角平/黒) / 19.FPSHY(押しボタン/角平/黄) / 20.FPRTR(押しボタン/丸突/赤) / 21.FPRTG(押しボタン/丸突/緑) / 22.FPRTB(押しボタン/丸突/黒) / 23.FPRTY(押しボタン/丸突/黄) / 24.FPRHR(押しボタン/丸平/赤) / 25.FPRHG(押しボタン/丸平/緑) / 26.FPRHB(押しボタン/丸平/黒) / 27.FPRHY(押しボタン/丸平/黄) / 28.FLSHRL(表示灯/角平/赤) / 29.FLSHGL(表示灯/角平/緑) / 30.FLSHWL(表示灯/角平/白) / 31.FLSHYL(表示灯/角平/黄) / 36.FLDRL(表示灯/ドーム/赤) / 37.FLDGL(表示灯/ドーム/緑) / 38.FLDWL(表示灯/ドーム/白) / 39.FLDYL(表示灯/ドーム/黄) / 42.FS2AR(セレクタ/2ノッチ/1a) / 43.FS2ABR(セレクタ/2ノッチ/1a1b) / 44.FS3ABR(セレクタ/3ノッチ/1a1b) / 46.FBZR(ブザー/丸)
1.DEL(照光/非常停止) / 2.DE(非常停止) / 3.DEG(非常停止+ガード付き) / 4.FPSHRL(照光押しボタン/角平/赤) / 5.FPSHGL(照光押しボタン/角平/緑) / 6.FPSHWL(照光押しボタン/角平/白) / 7.FPSHYL(照光押しボタン/角平/黄) / 8.FPRTRL(照光押しボタン/丸突/赤) / 9.FPRTGL(照光押しボタン/丸突/緑) / 10.FPRTWL(照光押しボタン/丸突/白) / 11.FPRTYL(照光押しボタン/丸突/黄) / 12.FPRHRL(照光押しボタン/丸平/赤) / 13.FPRHGL(照光押しボタン/丸平/緑) / 14.FPRHWL(照光押しボタン/丸平/白) / 15.FPRHYL(照光押しボタン/丸平/黄) / 16.FPSHR(押しボタン/角平/赤) / 17.FPSHG(押しボタン/角平/緑) / 18.FPSHB(押しボタン/角平/黒) / 19.FPSHY(押しボタン/角平/黄) / 20.FPRTR(押しボタン/丸突/赤) / 21.FPRTG(押しボタン/丸突/緑) / 22.FPRTB(押しボタン/丸突/黒) / 23.FPRTY(押しボタン/丸突/黄) / 24.FPRHR(押しボタン/丸平/赤) / 25.FPRHG(押しボタン/丸平/緑) / 26.FPRHB(押しボタン/丸平/黒) / 27.FPRHY(押しボタン/丸平/黄) / 28.FLSHRL(表示灯/角平/赤) / 29.FLSHGL(表示灯/角平/緑) / 30.FLSHWL(表示灯/角平/白) / 31.FLSHYL(表示灯/角平/黄) / 36.FLDRL(表示灯/ドーム/赤) / 37.FLDGL(表示灯/ドーム/緑) / 38.FLDWL(表示灯/ドーム/白) / 39.FLDYL(表示灯/ドーム/黄) / 42.FS2AR(セレクタ/2ノッチ/1a) / 43.FS2ABR(セレクタ/2ノッチ/1a1b) / 44.FS3ABR(セレクタ/3ノッチ/1a1b) / 46.FBZR(ブザー/丸)
1.DEL(照光/非常停止) / 2.DE(非常停止) / 3.DEG(非常停止+ガード付き) / 4.FPSHRL(照光押しボタン/角平/赤) / 5.FPSHGL(照光押しボタン/角平/緑) / 6.FPSHWL(照光押しボタン/角平/白) / 7.FPSHYL(照光押しボタン/角平/黄) / 8.FPRTRL(照光押しボタン/丸突/赤) / 9.FPRTGL(照光押しボタン/丸突/緑) / 10.FPRTWL(照光押しボタン/丸突/白) / 11.FPRTYL(照光押しボタン/丸突/黄) / 12.FPRHRL(照光押しボタン/丸平/赤) / 13.FPRHGL(照光押しボタン/丸平/緑) / 14.FPRHWL(照光押しボタン/丸平/白) / 15.FPRHYL(照光押しボタン/丸平/黄) / 16.FPSHR(押しボタン/角平/赤) / 17.FPSHG(押しボタン/角平/緑) / 18.FPSHB(押しボタン/角平/黒) / 19.FPSHY(押しボタン/角平/黄) / 20.FPRTR(押しボタン/丸突/赤) / 21.FPRTG(押しボタン/丸突/緑) / 22.FPRTB(押しボタン/丸突/黒) / 23.FPRTY(押しボタン/丸突/黄) / 24.FPRHR(押しボタン/丸平/赤) / 25.FPRHG(押しボタン/丸平/緑) / 26.FPRHB(押しボタン/丸平/黒) / 27.FPRHY(押しボタン/丸平/黄) / 28.FLSHRL(表示灯/角平/赤) / 29.FLSHGL(表示灯/角平/緑) / 30.FLSHWL(表示灯/角平/白) / 31.FLSHYL(表示灯/角平/黄) / 36.FLDRL(表示灯/ドーム/赤) / 37.FLDGL(表示灯/ドーム/緑) / 38.FLDWL(表示灯/ドーム/白) / 39.FLDYL(表示灯/ドーム/黄) / 42.FS2AR(セレクタ/2ノッチ/1a) / 43.FS2ABR(セレクタ/2ノッチ/1a1b) / 44.FS3ABR(セレクタ/3ノッチ/1a1b) / 46.FBZR(ブザー/丸)
10
1個
1個
22
W80×H70
穴なし
切り落とし(VC)
0.5 ~ 15
1.DEL(照光/非常停止) / 2.DE(非常停止) / 3.DEG(非常停止+ガード付き) / 4.FPSHRL(照光押しボタン/角平/赤) / 5.FPSHGL(照光押しボタン/角平/緑) / 6.FPSHWL(照光押しボタン/角平/白) / 7.FPSHYL(照光押しボタン/角平/黄) / 8.FPRTRL(照光押しボタン/丸突/赤) / 9.FPRTGL(照光押しボタン/丸突/緑) / 10.FPRTWL(照光押しボタン/丸突/白) / 11.FPRTYL(照光押しボタン/丸突/黄) / 12.FPRHRL(照光押しボタン/丸平/赤) / 13.FPRHGL(照光押しボタン/丸平/緑) / 14.FPRHWL(照光押しボタン/丸平/白) / 15.FPRHYL(照光押しボタン/丸平/黄) / 16.FPSHR(押しボタン/角平/赤) / 17.FPSHG(押しボタン/角平/緑) / 18.FPSHB(押しボタン/角平/黒) / 19.FPSHY(押しボタン/角平/黄) / 20.FPRTR(押しボタン/丸突/赤) / 21.FPRTG(押しボタン/丸突/緑) / 22.FPRTB(押しボタン/丸突/黒) / 23.FPRTY(押しボタン/丸突/黄) / 24.FPRHR(押しボタン/丸平/赤) / 25.FPRHG(押しボタン/丸平/緑) / 26.FPRHB(押しボタン/丸平/黒) / 27.FPRHY(押しボタン/丸平/黄) / 28.FLSHRL(表示灯/角平/赤) / 29.FLSHGL(表示灯/角平/緑) / 30.FLSHWL(表示灯/角平/白) / 31.FLSHYL(表示灯/角平/黄) / 36.FLDRL(表示灯/ドーム/赤) / 37.FLDGL(表示灯/ドーム/緑) / 38.FLDWL(表示灯/ドーム/白) / 39.FLDYL(表示灯/ドーム/黄) / 42.FS2AR(セレクタ/2ノッチ/1a) / 43.FS2ABR(セレクタ/2ノッチ/1a1b) / 44.FS3ABR(セレクタ/3ノッチ/1a1b) / 46.FBZR(ブザー/丸)
-
-
10
1個
1個
22
W80×H70
穴なし
丸端子付き(VR)
0.5 ~ 15
1.DEL(照光/非常停止) / 2.DE(非常停止) / 3.DEG(非常停止+ガード付き) / 4.FPSHRL(照光押しボタン/角平/赤) / 5.FPSHGL(照光押しボタン/角平/緑) / 6.FPSHWL(照光押しボタン/角平/白) / 7.FPSHYL(照光押しボタン/角平/黄) / 8.FPRTRL(照光押しボタン/丸突/赤) / 9.FPRTGL(照光押しボタン/丸突/緑) / 10.FPRTWL(照光押しボタン/丸突/白) / 11.FPRTYL(照光押しボタン/丸突/黄) / 12.FPRHRL(照光押しボタン/丸平/赤) / 13.FPRHGL(照光押しボタン/丸平/緑) / 14.FPRHWL(照光押しボタン/丸平/白) / 15.FPRHYL(照光押しボタン/丸平/黄) / 16.FPSHR(押しボタン/角平/赤) / 17.FPSHG(押しボタン/角平/緑) / 18.FPSHB(押しボタン/角平/黒) / 19.FPSHY(押しボタン/角平/黄) / 20.FPRTR(押しボタン/丸突/赤) / 21.FPRTG(押しボタン/丸突/緑) / 22.FPRTB(押しボタン/丸突/黒) / 23.FPRTY(押しボタン/丸突/黄) / 24.FPRHR(押しボタン/丸平/赤) / 25.FPRHG(押しボタン/丸平/緑) / 26.FPRHB(押しボタン/丸平/黒) / 27.FPRHY(押しボタン/丸平/黄) / 28.FLSHRL(表示灯/角平/赤) / 29.FLSHGL(表示灯/角平/緑) / 30.FLSHWL(表示灯/角平/白) / 31.FLSHYL(表示灯/角平/黄) / 36.FLDRL(表示灯/ドーム/赤) / 37.FLDGL(表示灯/ドーム/緑) / 38.FLDWL(表示灯/ドーム/白) / 39.FLDYL(表示灯/ドーム/黄) / 42.FS2AR(セレクタ/2ノッチ/1a) / 43.FS2ABR(セレクタ/2ノッチ/1a1b) / 44.FS3ABR(セレクタ/3ノッチ/1a1b) / 46.FBZR(ブザー/丸)
-
-
10
1個
1個
22
W80×H70
穴なし
Y端子付き(VY)
0.5 ~ 15
1.DEL(照光/非常停止) / 2.DE(非常停止) / 3.DEG(非常停止+ガード付き) / 4.FPSHRL(照光押しボタン/角平/赤) / 5.FPSHGL(照光押しボタン/角平/緑) / 6.FPSHWL(照光押しボタン/角平/白) / 7.FPSHYL(照光押しボタン/角平/黄) / 8.FPRTRL(照光押しボタン/丸突/赤) / 9.FPRTGL(照光押しボタン/丸突/緑) / 10.FPRTWL(照光押しボタン/丸突/白) / 11.FPRTYL(照光押しボタン/丸突/黄) / 12.FPRHRL(照光押しボタン/丸平/赤) / 13.FPRHGL(照光押しボタン/丸平/緑) / 14.FPRHWL(照光押しボタン/丸平/白) / 15.FPRHYL(照光押しボタン/丸平/黄) / 16.FPSHR(押しボタン/角平/赤) / 17.FPSHG(押しボタン/角平/緑) / 18.FPSHB(押しボタン/角平/黒) / 19.FPSHY(押しボタン/角平/黄) / 20.FPRTR(押しボタン/丸突/赤) / 21.FPRTG(押しボタン/丸突/緑) / 22.FPRTB(押しボタン/丸突/黒) / 23.FPRTY(押しボタン/丸突/黄) / 24.FPRHR(押しボタン/丸平/赤) / 25.FPRHG(押しボタン/丸平/緑) / 26.FPRHB(押しボタン/丸平/黒) / 27.FPRHY(押しボタン/丸平/黄) / 28.FLSHRL(表示灯/角平/赤) / 29.FLSHGL(表示灯/角平/緑) / 30.FLSHWL(表示灯/角平/白) / 31.FLSHYL(表示灯/角平/黄) / 36.FLDRL(表示灯/ドーム/赤) / 37.FLDGL(表示灯/ドーム/緑) / 38.FLDWL(表示灯/ドーム/白) / 39.FLDYL(表示灯/ドーム/黄) / 42.FS2AR(セレクタ/2ノッチ/1a) / 43.FS2ABR(セレクタ/2ノッチ/1a1b) / 44.FS3ABR(セレクタ/3ノッチ/1a1b) / 46.FBZR(ブザー/丸)
-
-
10
1個
2個
22
W80×H70
穴なし
切り落とし(VC)
0.5 ~ 15
1.DEL(照光/非常停止) / 2.DE(非常停止) / 3.DEG(非常停止+ガード付き) / 4.FPSHRL(照光押しボタン/角平/赤) / 5.FPSHGL(照光押しボタン/角平/緑) / 6.FPSHWL(照光押しボタン/角平/白) / 7.FPSHYL(照光押しボタン/角平/黄) / 8.FPRTRL(照光押しボタン/丸突/赤) / 9.FPRTGL(照光押しボタン/丸突/緑) / 10.FPRTWL(照光押しボタン/丸突/白) / 11.FPRTYL(照光押しボタン/丸突/黄) / 12.FPRHRL(照光押しボタン/丸平/赤) / 13.FPRHGL(照光押しボタン/丸平/緑) / 14.FPRHWL(照光押しボタン/丸平/白) / 15.FPRHYL(照光押しボタン/丸平/黄) / 16.FPSHR(押しボタン/角平/赤) / 17.FPSHG(押しボタン/角平/緑) / 18.FPSHB(押しボタン/角平/黒) / 19.FPSHY(押しボタン/角平/黄) / 20.FPRTR(押しボタン/丸突/赤) / 21.FPRTG(押しボタン/丸突/緑) / 22.FPRTB(押しボタン/丸突/黒) / 23.FPRTY(押しボタン/丸突/黄) / 24.FPRHR(押しボタン/丸平/赤) / 25.FPRHG(押しボタン/丸平/緑) / 26.FPRHB(押しボタン/丸平/黒) / 27.FPRHY(押しボタン/丸平/黄) / 28.FLSHRL(表示灯/角平/赤) / 29.FLSHGL(表示灯/角平/緑) / 30.FLSHWL(表示灯/角平/白) / 31.FLSHYL(表示灯/角平/黄) / 36.FLDRL(表示灯/ドーム/赤) / 37.FLDGL(表示灯/ドーム/緑) / 38.FLDWL(表示灯/ドーム/白) / 39.FLDYL(表示灯/ドーム/黄) / 42.FS2AR(セレクタ/2ノッチ/1a) / 43.FS2ABR(セレクタ/2ノッチ/1a1b) / 44.FS3ABR(セレクタ/3ノッチ/1a1b) / 46.FBZR(ブザー/丸)
1.DEL(照光/非常停止) / 2.DE(非常停止) / 3.DEG(非常停止+ガード付き) / 4.FPSHRL(照光押しボタン/角平/赤) / 5.FPSHGL(照光押しボタン/角平/緑) / 6.FPSHWL(照光押しボタン/角平/白) / 7.FPSHYL(照光押しボタン/角平/黄) / 8.FPRTRL(照光押しボタン/丸突/赤) / 9.FPRTGL(照光押しボタン/丸突/緑) / 10.FPRTWL(照光押しボタン/丸突/白) / 11.FPRTYL(照光押しボタン/丸突/黄) / 12.FPRHRL(照光押しボタン/丸平/赤) / 13.FPRHGL(照光押しボタン/丸平/緑) / 14.FPRHWL(照光押しボタン/丸平/白) / 15.FPRHYL(照光押しボタン/丸平/黄) / 16.FPSHR(押しボタン/角平/赤) / 17.FPSHG(押しボタン/角平/緑) / 18.FPSHB(押しボタン/角平/黒) / 19.FPSHY(押しボタン/角平/黄) / 20.FPRTR(押しボタン/丸突/赤) / 21.FPRTG(押しボタン/丸突/緑) / 22.FPRTB(押しボタン/丸突/黒) / 23.FPRTY(押しボタン/丸突/黄) / 24.FPRHR(押しボタン/丸平/赤) / 25.FPRHG(押しボタン/丸平/緑) / 26.FPRHB(押しボタン/丸平/黒) / 27.FPRHY(押しボタン/丸平/黄) / 28.FLSHRL(表示灯/角平/赤) / 29.FLSHGL(表示灯/角平/緑) / 30.FLSHWL(表示灯/角平/白) / 31.FLSHYL(表示灯/角平/黄) / 36.FLDRL(表示灯/ドーム/赤) / 37.FLDGL(表示灯/ドーム/緑) / 38.FLDWL(表示灯/ドーム/白) / 39.FLDYL(表示灯/ドーム/黄) / 42.FS2AR(セレクタ/2ノッチ/1a) / 43.FS2ABR(セレクタ/2ノッチ/1a1b) / 44.FS3ABR(セレクタ/3ノッチ/1a1b) / 46.FBZR(ブザー/丸)
-
10
1個
2個
22
W80×H70
穴なし
丸端子付き(VR)
0.5 ~ 15
1.DEL(照光/非常停止) / 2.DE(非常停止) / 3.DEG(非常停止+ガード付き) / 4.FPSHRL(照光押しボタン/角平/赤) / 5.FPSHGL(照光押しボタン/角平/緑) / 6.FPSHWL(照光押しボタン/角平/白) / 7.FPSHYL(照光押しボタン/角平/黄) / 8.FPRTRL(照光押しボタン/丸突/赤) / 9.FPRTGL(照光押しボタン/丸突/緑) / 10.FPRTWL(照光押しボタン/丸突/白) / 11.FPRTYL(照光押しボタン/丸突/黄) / 12.FPRHRL(照光押しボタン/丸平/赤) / 13.FPRHGL(照光押しボタン/丸平/緑) / 14.FPRHWL(照光押しボタン/丸平/白) / 15.FPRHYL(照光押しボタン/丸平/黄) / 16.FPSHR(押しボタン/角平/赤) / 17.FPSHG(押しボタン/角平/緑) / 18.FPSHB(押しボタン/角平/黒) / 19.FPSHY(押しボタン/角平/黄) / 20.FPRTR(押しボタン/丸突/赤) / 21.FPRTG(押しボタン/丸突/緑) / 22.FPRTB(押しボタン/丸突/黒) / 23.FPRTY(押しボタン/丸突/黄) / 24.FPRHR(押しボタン/丸平/赤) / 25.FPRHG(押しボタン/丸平/緑) / 26.FPRHB(押しボタン/丸平/黒) / 27.FPRHY(押しボタン/丸平/黄) / 28.FLSHRL(表示灯/角平/赤) / 29.FLSHGL(表示灯/角平/緑) / 30.FLSHWL(表示灯/角平/白) / 31.FLSHYL(表示灯/角平/黄) / 36.FLDRL(表示灯/ドーム/赤) / 37.FLDGL(表示灯/ドーム/緑) / 38.FLDWL(表示灯/ドーム/白) / 39.FLDYL(表示灯/ドーム/黄) / 42.FS2AR(セレクタ/2ノッチ/1a) / 43.FS2ABR(セレクタ/2ノッチ/1a1b) / 44.FS3ABR(セレクタ/3ノッチ/1a1b) / 46.FBZR(ブザー/丸)
1.DEL(照光/非常停止) / 2.DE(非常停止) / 3.DEG(非常停止+ガード付き) / 4.FPSHRL(照光押しボタン/角平/赤) / 5.FPSHGL(照光押しボタン/角平/緑) / 6.FPSHWL(照光押しボタン/角平/白) / 7.FPSHYL(照光押しボタン/角平/黄) / 8.FPRTRL(照光押しボタン/丸突/赤) / 9.FPRTGL(照光押しボタン/丸突/緑) / 10.FPRTWL(照光押しボタン/丸突/白) / 11.FPRTYL(照光押しボタン/丸突/黄) / 12.FPRHRL(照光押しボタン/丸平/赤) / 13.FPRHGL(照光押しボタン/丸平/緑) / 14.FPRHWL(照光押しボタン/丸平/白) / 15.FPRHYL(照光押しボタン/丸平/黄) / 16.FPSHR(押しボタン/角平/赤) / 17.FPSHG(押しボタン/角平/緑) / 18.FPSHB(押しボタン/角平/黒) / 19.FPSHY(押しボタン/角平/黄) / 20.FPRTR(押しボタン/丸突/赤) / 21.FPRTG(押しボタン/丸突/緑) / 22.FPRTB(押しボタン/丸突/黒) / 23.FPRTY(押しボタン/丸突/黄) / 24.FPRHR(押しボタン/丸平/赤) / 25.FPRHG(押しボタン/丸平/緑) / 26.FPRHB(押しボタン/丸平/黒) / 27.FPRHY(押しボタン/丸平/黄) / 28.FLSHRL(表示灯/角平/赤) / 29.FLSHGL(表示灯/角平/緑) / 30.FLSHWL(表示灯/角平/白) / 31.FLSHYL(表示灯/角平/黄) / 36.FLDRL(表示灯/ドーム/赤) / 37.FLDGL(表示灯/ドーム/緑) / 38.FLDWL(表示灯/ドーム/白) / 39.FLDYL(表示灯/ドーム/黄) / 42.FS2AR(セレクタ/2ノッチ/1a) / 43.FS2ABR(セレクタ/2ノッチ/1a1b) / 44.FS3ABR(セレクタ/3ノッチ/1a1b) / 46.FBZR(ブザー/丸)
-
10
1個
2個
22
W80×H70
穴なし
Y端子付き(VY)
0.5 ~ 15
1.DEL(照光/非常停止) / 2.DE(非常停止) / 3.DEG(非常停止+ガード付き) / 4.FPSHRL(照光押しボタン/角平/赤) / 5.FPSHGL(照光押しボタン/角平/緑) / 6.FPSHWL(照光押しボタン/角平/白) / 7.FPSHYL(照光押しボタン/角平/黄) / 8.FPRTRL(照光押しボタン/丸突/赤) / 9.FPRTGL(照光押しボタン/丸突/緑) / 10.FPRTWL(照光押しボタン/丸突/白) / 11.FPRTYL(照光押しボタン/丸突/黄) / 12.FPRHRL(照光押しボタン/丸平/赤) / 13.FPRHGL(照光押しボタン/丸平/緑) / 14.FPRHWL(照光押しボタン/丸平/白) / 15.FPRHYL(照光押しボタン/丸平/黄) / 16.FPSHR(押しボタン/角平/赤) / 17.FPSHG(押しボタン/角平/緑) / 18.FPSHB(押しボタン/角平/黒) / 19.FPSHY(押しボタン/角平/黄) / 20.FPRTR(押しボタン/丸突/赤) / 21.FPRTG(押しボタン/丸突/緑) / 22.FPRTB(押しボタン/丸突/黒) / 23.FPRTY(押しボタン/丸突/黄) / 24.FPRHR(押しボタン/丸平/赤) / 25.FPRHG(押しボタン/丸平/緑) / 26.FPRHB(押しボタン/丸平/黒) / 27.FPRHY(押しボタン/丸平/黄) / 28.FLSHRL(表示灯/角平/赤) / 29.FLSHGL(表示灯/角平/緑) / 30.FLSHWL(表示灯/角平/白) / 31.FLSHYL(表示灯/角平/黄) / 36.FLDRL(表示灯/ドーム/赤) / 37.FLDGL(表示灯/ドーム/緑) / 38.FLDWL(表示灯/ドーム/白) / 39.FLDYL(表示灯/ドーム/黄) / 42.FS2AR(セレクタ/2ノッチ/1a) / 43.FS2ABR(セレクタ/2ノッチ/1a1b) / 44.FS3ABR(セレクタ/3ノッチ/1a1b) / 46.FBZR(ブザー/丸)
1.DEL(照光/非常停止) / 2.DE(非常停止) / 3.DEG(非常停止+ガード付き) / 4.FPSHRL(照光押しボタン/角平/赤) / 5.FPSHGL(照光押しボタン/角平/緑) / 6.FPSHWL(照光押しボタン/角平/白) / 7.FPSHYL(照光押しボタン/角平/黄) / 8.FPRTRL(照光押しボタン/丸突/赤) / 9.FPRTGL(照光押しボタン/丸突/緑) / 10.FPRTWL(照光押しボタン/丸突/白) / 11.FPRTYL(照光押しボタン/丸突/黄) / 12.FPRHRL(照光押しボタン/丸平/赤) / 13.FPRHGL(照光押しボタン/丸平/緑) / 14.FPRHWL(照光押しボタン/丸平/白) / 15.FPRHYL(照光押しボタン/丸平/黄) / 16.FPSHR(押しボタン/角平/赤) / 17.FPSHG(押しボタン/角平/緑) / 18.FPSHB(押しボタン/角平/黒) / 19.FPSHY(押しボタン/角平/黄) / 20.FPRTR(押しボタン/丸突/赤) / 21.FPRTG(押しボタン/丸突/緑) / 22.FPRTB(押しボタン/丸突/黒) / 23.FPRTY(押しボタン/丸突/黄) / 24.FPRHR(押しボタン/丸平/赤) / 25.FPRHG(押しボタン/丸平/緑) / 26.FPRHB(押しボタン/丸平/黒) / 27.FPRHY(押しボタン/丸平/黄) / 28.FLSHRL(表示灯/角平/赤) / 29.FLSHGL(表示灯/角平/緑) / 30.FLSHWL(表示灯/角平/白) / 31.FLSHYL(表示灯/角平/黄) / 36.FLDRL(表示灯/ドーム/赤) / 37.FLDGL(表示灯/ドーム/緑) / 38.FLDWL(表示灯/ドーム/白) / 39.FLDYL(表示灯/ドーム/黄) / 42.FS2AR(セレクタ/2ノッチ/1a) / 43.FS2ABR(セレクタ/2ノッチ/1a1b) / 44.FS3ABR(セレクタ/3ノッチ/1a1b) / 46.FBZR(ブザー/丸)
-
10
1個
3個
22
W80×H70
穴なし
切り落とし(VC)
0.5 ~ 15
1.DEL(照光/非常停止) / 2.DE(非常停止) / 3.DEG(非常停止+ガード付き) / 4.FPSHRL(照光押しボタン/角平/赤) / 5.FPSHGL(照光押しボタン/角平/緑) / 6.FPSHWL(照光押しボタン/角平/白) / 7.FPSHYL(照光押しボタン/角平/黄) / 8.FPRTRL(照光押しボタン/丸突/赤) / 9.FPRTGL(照光押しボタン/丸突/緑) / 10.FPRTWL(照光押しボタン/丸突/白) / 11.FPRTYL(照光押しボタン/丸突/黄) / 12.FPRHRL(照光押しボタン/丸平/赤) / 13.FPRHGL(照光押しボタン/丸平/緑) / 14.FPRHWL(照光押しボタン/丸平/白) / 15.FPRHYL(照光押しボタン/丸平/黄) / 16.FPSHR(押しボタン/角平/赤) / 17.FPSHG(押しボタン/角平/緑) / 18.FPSHB(押しボタン/角平/黒) / 19.FPSHY(押しボタン/角平/黄) / 20.FPRTR(押しボタン/丸突/赤) / 21.FPRTG(押しボタン/丸突/緑) / 22.FPRTB(押しボタン/丸突/黒) / 23.FPRTY(押しボタン/丸突/黄) / 24.FPRHR(押しボタン/丸平/赤) / 25.FPRHG(押しボタン/丸平/緑) / 26.FPRHB(押しボタン/丸平/黒) / 27.FPRHY(押しボタン/丸平/黄) / 28.FLSHRL(表示灯/角平/赤) / 29.FLSHGL(表示灯/角平/緑) / 30.FLSHWL(表示灯/角平/白) / 31.FLSHYL(表示灯/角平/黄) / 36.FLDRL(表示灯/ドーム/赤) / 37.FLDGL(表示灯/ドーム/緑) / 38.FLDWL(表示灯/ドーム/白) / 39.FLDYL(表示灯/ドーム/黄) / 42.FS2AR(セレクタ/2ノッチ/1a) / 43.FS2ABR(セレクタ/2ノッチ/1a1b) / 44.FS3ABR(セレクタ/3ノッチ/1a1b) / 46.FBZR(ブザー/丸)
1.DEL(照光/非常停止) / 2.DE(非常停止) / 3.DEG(非常停止+ガード付き) / 4.FPSHRL(照光押しボタン/角平/赤) / 5.FPSHGL(照光押しボタン/角平/緑) / 6.FPSHWL(照光押しボタン/角平/白) / 7.FPSHYL(照光押しボタン/角平/黄) / 8.FPRTRL(照光押しボタン/丸突/赤) / 9.FPRTGL(照光押しボタン/丸突/緑) / 10.FPRTWL(照光押しボタン/丸突/白) / 11.FPRTYL(照光押しボタン/丸突/黄) / 12.FPRHRL(照光押しボタン/丸平/赤) / 13.FPRHGL(照光押しボタン/丸平/緑) / 14.FPRHWL(照光押しボタン/丸平/白) / 15.FPRHYL(照光押しボタン/丸平/黄) / 16.FPSHR(押しボタン/角平/赤) / 17.FPSHG(押しボタン/角平/緑) / 18.FPSHB(押しボタン/角平/黒) / 19.FPSHY(押しボタン/角平/黄) / 20.FPRTR(押しボタン/丸突/赤) / 21.FPRTG(押しボタン/丸突/緑) / 22.FPRTB(押しボタン/丸突/黒) / 23.FPRTY(押しボタン/丸突/黄) / 24.FPRHR(押しボタン/丸平/赤) / 25.FPRHG(押しボタン/丸平/緑) / 26.FPRHB(押しボタン/丸平/黒) / 27.FPRHY(押しボタン/丸平/黄) / 28.FLSHRL(表示灯/角平/赤) / 29.FLSHGL(表示灯/角平/緑) / 30.FLSHWL(表示灯/角平/白) / 31.FLSHYL(表示灯/角平/黄) / 36.FLDRL(表示灯/ドーム/赤) / 37.FLDGL(表示灯/ドーム/緑) / 38.FLDWL(表示灯/ドーム/白) / 39.FLDYL(表示灯/ドーム/黄) / 42.FS2AR(セレクタ/2ノッチ/1a) / 43.FS2ABR(セレクタ/2ノッチ/1a1b) / 44.FS3ABR(セレクタ/3ノッチ/1a1b) / 46.FBZR(ブザー/丸)
1.DEL(照光/非常停止) / 2.DE(非常停止) / 3.DEG(非常停止+ガード付き) / 4.FPSHRL(照光押しボタン/角平/赤) / 5.FPSHGL(照光押しボタン/角平/緑) / 6.FPSHWL(照光押しボタン/角平/白) / 7.FPSHYL(照光押しボタン/角平/黄) / 8.FPRTRL(照光押しボタン/丸突/赤) / 9.FPRTGL(照光押しボタン/丸突/緑) / 10.FPRTWL(照光押しボタン/丸突/白) / 11.FPRTYL(照光押しボタン/丸突/黄) / 12.FPRHRL(照光押しボタン/丸平/赤) / 13.FPRHGL(照光押しボタン/丸平/緑) / 14.FPRHWL(照光押しボタン/丸平/白) / 15.FPRHYL(照光押しボタン/丸平/黄) / 16.FPSHR(押しボタン/角平/赤) / 17.FPSHG(押しボタン/角平/緑) / 18.FPSHB(押しボタン/角平/黒) / 19.FPSHY(押しボタン/角平/黄) / 20.FPRTR(押しボタン/丸突/赤) / 21.FPRTG(押しボタン/丸突/緑) / 22.FPRTB(押しボタン/丸突/黒) / 23.FPRTY(押しボタン/丸突/黄) / 24.FPRHR(押しボタン/丸平/赤) / 25.FPRHG(押しボタン/丸平/緑) / 26.FPRHB(押しボタン/丸平/黒) / 27.FPRHY(押しボタン/丸平/黄) / 28.FLSHRL(表示灯/角平/赤) / 29.FLSHGL(表示灯/角平/緑) / 30.FLSHWL(表示灯/角平/白) / 31.FLSHYL(表示灯/角平/黄) / 36.FLDRL(表示灯/ドーム/赤) / 37.FLDGL(表示灯/ドーム/緑) / 38.FLDWL(表示灯/ドーム/白) / 39.FLDYL(表示灯/ドーム/黄) / 42.FS2AR(セレクタ/2ノッチ/1a) / 43.FS2ABR(セレクタ/2ノッチ/1a1b) / 44.FS3ABR(セレクタ/3ノッチ/1a1b) / 46.FBZR(ブザー/丸)
10
1個
3個
22
W80×H70
穴なし
丸端子付き(VR)
0.5 ~ 15
1.DEL(照光/非常停止) / 2.DE(非常停止) / 3.DEG(非常停止+ガード付き) / 4.FPSHRL(照光押しボタン/角平/赤) / 5.FPSHGL(照光押しボタン/角平/緑) / 6.FPSHWL(照光押しボタン/角平/白) / 7.FPSHYL(照光押しボタン/角平/黄) / 8.FPRTRL(照光押しボタン/丸突/赤) / 9.FPRTGL(照光押しボタン/丸突/緑) / 10.FPRTWL(照光押しボタン/丸突/白) / 11.FPRTYL(照光押しボタン/丸突/黄) / 12.FPRHRL(照光押しボタン/丸平/赤) / 13.FPRHGL(照光押しボタン/丸平/緑) / 14.FPRHWL(照光押しボタン/丸平/白) / 15.FPRHYL(照光押しボタン/丸平/黄) / 16.FPSHR(押しボタン/角平/赤) / 17.FPSHG(押しボタン/角平/緑) / 18.FPSHB(押しボタン/角平/黒) / 19.FPSHY(押しボタン/角平/黄) / 20.FPRTR(押しボタン/丸突/赤) / 21.FPRTG(押しボタン/丸突/緑) / 22.FPRTB(押しボタン/丸突/黒) / 23.FPRTY(押しボタン/丸突/黄) / 24.FPRHR(押しボタン/丸平/赤) / 25.FPRHG(押しボタン/丸平/緑) / 26.FPRHB(押しボタン/丸平/黒) / 27.FPRHY(押しボタン/丸平/黄) / 28.FLSHRL(表示灯/角平/赤) / 29.FLSHGL(表示灯/角平/緑) / 30.FLSHWL(表示灯/角平/白) / 31.FLSHYL(表示灯/角平/黄) / 36.FLDRL(表示灯/ドーム/赤) / 37.FLDGL(表示灯/ドーム/緑) / 38.FLDWL(表示灯/ドーム/白) / 39.FLDYL(表示灯/ドーム/黄) / 42.FS2AR(セレクタ/2ノッチ/1a) / 43.FS2ABR(セレクタ/2ノッチ/1a1b) / 44.FS3ABR(セレクタ/3ノッチ/1a1b) / 46.FBZR(ブザー/丸)
1.DEL(照光/非常停止) / 2.DE(非常停止) / 3.DEG(非常停止+ガード付き) / 4.FPSHRL(照光押しボタン/角平/赤) / 5.FPSHGL(照光押しボタン/角平/緑) / 6.FPSHWL(照光押しボタン/角平/白) / 7.FPSHYL(照光押しボタン/角平/黄) / 8.FPRTRL(照光押しボタン/丸突/赤) / 9.FPRTGL(照光押しボタン/丸突/緑) / 10.FPRTWL(照光押しボタン/丸突/白) / 11.FPRTYL(照光押しボタン/丸突/黄) / 12.FPRHRL(照光押しボタン/丸平/赤) / 13.FPRHGL(照光押しボタン/丸平/緑) / 14.FPRHWL(照光押しボタン/丸平/白) / 15.FPRHYL(照光押しボタン/丸平/黄) / 16.FPSHR(押しボタン/角平/赤) / 17.FPSHG(押しボタン/角平/緑) / 18.FPSHB(押しボタン/角平/黒) / 19.FPSHY(押しボタン/角平/黄) / 20.FPRTR(押しボタン/丸突/赤) / 21.FPRTG(押しボタン/丸突/緑) / 22.FPRTB(押しボタン/丸突/黒) / 23.FPRTY(押しボタン/丸突/黄) / 24.FPRHR(押しボタン/丸平/赤) / 25.FPRHG(押しボタン/丸平/緑) / 26.FPRHB(押しボタン/丸平/黒) / 27.FPRHY(押しボタン/丸平/黄) / 28.FLSHRL(表示灯/角平/赤) / 29.FLSHGL(表示灯/角平/緑) / 30.FLSHWL(表示灯/角平/白) / 31.FLSHYL(表示灯/角平/黄) / 36.FLDRL(表示灯/ドーム/赤) / 37.FLDGL(表示灯/ドーム/緑) / 38.FLDWL(表示灯/ドーム/白) / 39.FLDYL(表示灯/ドーム/黄) / 42.FS2AR(セレクタ/2ノッチ/1a) / 43.FS2ABR(セレクタ/2ノッチ/1a1b) / 44.FS3ABR(セレクタ/3ノッチ/1a1b) / 46.FBZR(ブザー/丸)
1.DEL(照光/非常停止) / 2.DE(非常停止) / 3.DEG(非常停止+ガード付き) / 4.FPSHRL(照光押しボタン/角平/赤) / 5.FPSHGL(照光押しボタン/角平/緑) / 6.FPSHWL(照光押しボタン/角平/白) / 7.FPSHYL(照光押しボタン/角平/黄) / 8.FPRTRL(照光押しボタン/丸突/赤) / 9.FPRTGL(照光押しボタン/丸突/緑) / 10.FPRTWL(照光押しボタン/丸突/白) / 11.FPRTYL(照光押しボタン/丸突/黄) / 12.FPRHRL(照光押しボタン/丸平/赤) / 13.FPRHGL(照光押しボタン/丸平/緑) / 14.FPRHWL(照光押しボタン/丸平/白) / 15.FPRHYL(照光押しボタン/丸平/黄) / 16.FPSHR(押しボタン/角平/赤) / 17.FPSHG(押しボタン/角平/緑) / 18.FPSHB(押しボタン/角平/黒) / 19.FPSHY(押しボタン/角平/黄) / 20.FPRTR(押しボタン/丸突/赤) / 21.FPRTG(押しボタン/丸突/緑) / 22.FPRTB(押しボタン/丸突/黒) / 23.FPRTY(押しボタン/丸突/黄) / 24.FPRHR(押しボタン/丸平/赤) / 25.FPRHG(押しボタン/丸平/緑) / 26.FPRHB(押しボタン/丸平/黒) / 27.FPRHY(押しボタン/丸平/黄) / 28.FLSHRL(表示灯/角平/赤) / 29.FLSHGL(表示灯/角平/緑) / 30.FLSHWL(表示灯/角平/白) / 31.FLSHYL(表示灯/角平/黄) / 36.FLDRL(表示灯/ドーム/赤) / 37.FLDGL(表示灯/ドーム/緑) / 38.FLDWL(表示灯/ドーム/白) / 39.FLDYL(表示灯/ドーム/黄) / 42.FS2AR(セレクタ/2ノッチ/1a) / 43.FS2ABR(セレクタ/2ノッチ/1a1b) / 44.FS3ABR(セレクタ/3ノッチ/1a1b) / 46.FBZR(ブザー/丸)
10
1個
3個
22
W80×H70
穴なし
Y端子付き(VY)
0.5 ~ 15
1.DEL(照光/非常停止) / 2.DE(非常停止) / 3.DEG(非常停止+ガード付き) / 4.FPSHRL(照光押しボタン/角平/赤) / 5.FPSHGL(照光押しボタン/角平/緑) / 6.FPSHWL(照光押しボタン/角平/白) / 7.FPSHYL(照光押しボタン/角平/黄) / 8.FPRTRL(照光押しボタン/丸突/赤) / 9.FPRTGL(照光押しボタン/丸突/緑) / 10.FPRTWL(照光押しボタン/丸突/白) / 11.FPRTYL(照光押しボタン/丸突/黄) / 12.FPRHRL(照光押しボタン/丸平/赤) / 13.FPRHGL(照光押しボタン/丸平/緑) / 14.FPRHWL(照光押しボタン/丸平/白) / 15.FPRHYL(照光押しボタン/丸平/黄) / 16.FPSHR(押しボタン/角平/赤) / 17.FPSHG(押しボタン/角平/緑) / 18.FPSHB(押しボタン/角平/黒) / 19.FPSHY(押しボタン/角平/黄) / 20.FPRTR(押しボタン/丸突/赤) / 21.FPRTG(押しボタン/丸突/緑) / 22.FPRTB(押しボタン/丸突/黒) / 23.FPRTY(押しボタン/丸突/黄) / 24.FPRHR(押しボタン/丸平/赤) / 25.FPRHG(押しボタン/丸平/緑) / 26.FPRHB(押しボタン/丸平/黒) / 27.FPRHY(押しボタン/丸平/黄) / 28.FLSHRL(表示灯/角平/赤) / 29.FLSHGL(表示灯/角平/緑) / 30.FLSHWL(表示灯/角平/白) / 31.FLSHYL(表示灯/角平/黄) / 36.FLDRL(表示灯/ドーム/赤) / 37.FLDGL(表示灯/ドーム/緑) / 38.FLDWL(表示灯/ドーム/白) / 39.FLDYL(表示灯/ドーム/黄) / 42.FS2AR(セレクタ/2ノッチ/1a) / 43.FS2ABR(セレクタ/2ノッチ/1a1b) / 44.FS3ABR(セレクタ/3ノッチ/1a1b) / 46.FBZR(ブザー/丸)
1.DEL(照光/非常停止) / 2.DE(非常停止) / 3.DEG(非常停止+ガード付き) / 4.FPSHRL(照光押しボタン/角平/赤) / 5.FPSHGL(照光押しボタン/角平/緑) / 6.FPSHWL(照光押しボタン/角平/白) / 7.FPSHYL(照光押しボタン/角平/黄) / 8.FPRTRL(照光押しボタン/丸突/赤) / 9.FPRTGL(照光押しボタン/丸突/緑) / 10.FPRTWL(照光押しボタン/丸突/白) / 11.FPRTYL(照光押しボタン/丸突/黄) / 12.FPRHRL(照光押しボタン/丸平/赤) / 13.FPRHGL(照光押しボタン/丸平/緑) / 14.FPRHWL(照光押しボタン/丸平/白) / 15.FPRHYL(照光押しボタン/丸平/黄) / 16.FPSHR(押しボタン/角平/赤) / 17.FPSHG(押しボタン/角平/緑) / 18.FPSHB(押しボタン/角平/黒) / 19.FPSHY(押しボタン/角平/黄) / 20.FPRTR(押しボタン/丸突/赤) / 21.FPRTG(押しボタン/丸突/緑) / 22.FPRTB(押しボタン/丸突/黒) / 23.FPRTY(押しボタン/丸突/黄) / 24.FPRHR(押しボタン/丸平/赤) / 25.FPRHG(押しボタン/丸平/緑) / 26.FPRHB(押しボタン/丸平/黒) / 27.FPRHY(押しボタン/丸平/黄) / 28.FLSHRL(表示灯/角平/赤) / 29.FLSHGL(表示灯/角平/緑) / 30.FLSHWL(表示灯/角平/白) / 31.FLSHYL(表示灯/角平/黄) / 36.FLDRL(表示灯/ドーム/赤) / 37.FLDGL(表示灯/ドーム/緑) / 38.FLDWL(表示灯/ドーム/白) / 39.FLDYL(表示灯/ドーム/黄) / 42.FS2AR(セレクタ/2ノッチ/1a) / 43.FS2ABR(セレクタ/2ノッチ/1a1b) / 44.FS3ABR(セレクタ/3ノッチ/1a1b) / 46.FBZR(ブザー/丸)
1.DEL(照光/非常停止) / 2.DE(非常停止) / 3.DEG(非常停止+ガード付き) / 4.FPSHRL(照光押しボタン/角平/赤) / 5.FPSHGL(照光押しボタン/角平/緑) / 6.FPSHWL(照光押しボタン/角平/白) / 7.FPSHYL(照光押しボタン/角平/黄) / 8.FPRTRL(照光押しボタン/丸突/赤) / 9.FPRTGL(照光押しボタン/丸突/緑) / 10.FPRTWL(照光押しボタン/丸突/白) / 11.FPRTYL(照光押しボタン/丸突/黄) / 12.FPRHRL(照光押しボタン/丸平/赤) / 13.FPRHGL(照光押しボタン/丸平/緑) / 14.FPRHWL(照光押しボタン/丸平/白) / 15.FPRHYL(照光押しボタン/丸平/黄) / 16.FPSHR(押しボタン/角平/赤) / 17.FPSHG(押しボタン/角平/緑) / 18.FPSHB(押しボタン/角平/黒) / 19.FPSHY(押しボタン/角平/黄) / 20.FPRTR(押しボタン/丸突/赤) / 21.FPRTG(押しボタン/丸突/緑) / 22.FPRTB(押しボタン/丸突/黒) / 23.FPRTY(押しボタン/丸突/黄) / 24.FPRHR(押しボタン/丸平/赤) / 25.FPRHG(押しボタン/丸平/緑) / 26.FPRHB(押しボタン/丸平/黒) / 27.FPRHY(押しボタン/丸平/黄) / 28.FLSHRL(表示灯/角平/赤) / 29.FLSHGL(表示灯/角平/緑) / 30.FLSHWL(表示灯/角平/白) / 31.FLSHYL(表示灯/角平/黄) / 36.FLDRL(表示灯/ドーム/赤) / 37.FLDGL(表示灯/ドーム/緑) / 38.FLDWL(表示灯/ドーム/白) / 39.FLDYL(表示灯/ドーム/黄) / 42.FS2AR(セレクタ/2ノッチ/1a) / 43.FS2ABR(セレクタ/2ノッチ/1a1b) / 44.FS3ABR(セレクタ/3ノッチ/1a1b) / 46.FBZR(ブザー/丸)
10
1個
1個
22
W80×H70
あり
切り落とし(VC)
0.5 ~ 15
1.DEL(照光/非常停止) / 2.DE(非常停止) / 3.DEG(非常停止+ガード付き) / 4.FPSHRL(照光押しボタン/角平/赤) / 5.FPSHGL(照光押しボタン/角平/緑) / 6.FPSHWL(照光押しボタン/角平/白) / 7.FPSHYL(照光押しボタン/角平/黄) / 8.FPRTRL(照光押しボタン/丸突/赤) / 9.FPRTGL(照光押しボタン/丸突/緑) / 10.FPRTWL(照光押しボタン/丸突/白) / 11.FPRTYL(照光押しボタン/丸突/黄) / 12.FPRHRL(照光押しボタン/丸平/赤) / 13.FPRHGL(照光押しボタン/丸平/緑) / 14.FPRHWL(照光押しボタン/丸平/白) / 15.FPRHYL(照光押しボタン/丸平/黄) / 16.FPSHR(押しボタン/角平/赤) / 17.FPSHG(押しボタン/角平/緑) / 18.FPSHB(押しボタン/角平/黒) / 19.FPSHY(押しボタン/角平/黄) / 20.FPRTR(押しボタン/丸突/赤) / 21.FPRTG(押しボタン/丸突/緑) / 22.FPRTB(押しボタン/丸突/黒) / 23.FPRTY(押しボタン/丸突/黄) / 24.FPRHR(押しボタン/丸平/赤) / 25.FPRHG(押しボタン/丸平/緑) / 26.FPRHB(押しボタン/丸平/黒) / 27.FPRHY(押しボタン/丸平/黄) / 28.FLSHRL(表示灯/角平/赤) / 29.FLSHGL(表示灯/角平/緑) / 30.FLSHWL(表示灯/角平/白) / 31.FLSHYL(表示灯/角平/黄) / 36.FLDRL(表示灯/ドーム/赤) / 37.FLDGL(表示灯/ドーム/緑) / 38.FLDWL(表示灯/ドーム/白) / 39.FLDYL(表示灯/ドーム/黄) / 42.FS2AR(セレクタ/2ノッチ/1a) / 43.FS2ABR(セレクタ/2ノッチ/1a1b) / 44.FS3ABR(セレクタ/3ノッチ/1a1b) / 46.FBZR(ブザー/丸)
-
-
10
1個
1個
22
W80×H70
あり
丸端子付き(VR)
0.5 ~ 15
1.DEL(照光/非常停止) / 2.DE(非常停止) / 3.DEG(非常停止+ガード付き) / 4.FPSHRL(照光押しボタン/角平/赤) / 5.FPSHGL(照光押しボタン/角平/緑) / 6.FPSHWL(照光押しボタン/角平/白) / 7.FPSHYL(照光押しボタン/角平/黄) / 8.FPRTRL(照光押しボタン/丸突/赤) / 9.FPRTGL(照光押しボタン/丸突/緑) / 10.FPRTWL(照光押しボタン/丸突/白) / 11.FPRTYL(照光押しボタン/丸突/黄) / 12.FPRHRL(照光押しボタン/丸平/赤) / 13.FPRHGL(照光押しボタン/丸平/緑) / 14.FPRHWL(照光押しボタン/丸平/白) / 15.FPRHYL(照光押しボタン/丸平/黄) / 16.FPSHR(押しボタン/角平/赤) / 17.FPSHG(押しボタン/角平/緑) / 18.FPSHB(押しボタン/角平/黒) / 19.FPSHY(押しボタン/角平/黄) / 20.FPRTR(押しボタン/丸突/赤) / 21.FPRTG(押しボタン/丸突/緑) / 22.FPRTB(押しボタン/丸突/黒) / 23.FPRTY(押しボタン/丸突/黄) / 24.FPRHR(押しボタン/丸平/赤) / 25.FPRHG(押しボタン/丸平/緑) / 26.FPRHB(押しボタン/丸平/黒) / 27.FPRHY(押しボタン/丸平/黄) / 28.FLSHRL(表示灯/角平/赤) / 29.FLSHGL(表示灯/角平/緑) / 30.FLSHWL(表示灯/角平/白) / 31.FLSHYL(表示灯/角平/黄) / 36.FLDRL(表示灯/ドーム/赤) / 37.FLDGL(表示灯/ドーム/緑) / 38.FLDWL(表示灯/ドーム/白) / 39.FLDYL(表示灯/ドーム/黄) / 42.FS2AR(セレクタ/2ノッチ/1a) / 43.FS2ABR(セレクタ/2ノッチ/1a1b) / 44.FS3ABR(セレクタ/3ノッチ/1a1b) / 46.FBZR(ブザー/丸)
-
-
10
1個
1個
22
W80×H70
あり
Y端子付き(VY)
0.5 ~ 15
1.DEL(照光/非常停止) / 2.DE(非常停止) / 3.DEG(非常停止+ガード付き) / 4.FPSHRL(照光押しボタン/角平/赤) / 5.FPSHGL(照光押しボタン/角平/緑) / 6.FPSHWL(照光押しボタン/角平/白) / 7.FPSHYL(照光押しボタン/角平/黄) / 8.FPRTRL(照光押しボタン/丸突/赤) / 9.FPRTGL(照光押しボタン/丸突/緑) / 10.FPRTWL(照光押しボタン/丸突/白) / 11.FPRTYL(照光押しボタン/丸突/黄) / 12.FPRHRL(照光押しボタン/丸平/赤) / 13.FPRHGL(照光押しボタン/丸平/緑) / 14.FPRHWL(照光押しボタン/丸平/白) / 15.FPRHYL(照光押しボタン/丸平/黄) / 16.FPSHR(押しボタン/角平/赤) / 17.FPSHG(押しボタン/角平/緑) / 18.FPSHB(押しボタン/角平/黒) / 19.FPSHY(押しボタン/角平/黄) / 20.FPRTR(押しボタン/丸突/赤) / 21.FPRTG(押しボタン/丸突/緑) / 22.FPRTB(押しボタン/丸突/黒) / 23.FPRTY(押しボタン/丸突/黄) / 24.FPRHR(押しボタン/丸平/赤) / 25.FPRHG(押しボタン/丸平/緑) / 26.FPRHB(押しボタン/丸平/黒) / 27.FPRHY(押しボタン/丸平/黄) / 28.FLSHRL(表示灯/角平/赤) / 29.FLSHGL(表示灯/角平/緑) / 30.FLSHWL(表示灯/角平/白) / 31.FLSHYL(表示灯/角平/黄) / 36.FLDRL(表示灯/ドーム/赤) / 37.FLDGL(表示灯/ドーム/緑) / 38.FLDWL(表示灯/ドーム/白) / 39.FLDYL(表示灯/ドーム/黄) / 42.FS2AR(セレクタ/2ノッチ/1a) / 43.FS2ABR(セレクタ/2ノッチ/1a1b) / 44.FS3ABR(セレクタ/3ノッチ/1a1b) / 46.FBZR(ブザー/丸)
-
-
10
1個
2個
22
W80×H70
あり
切り落とし(VC)
0.5 ~ 15
1.DEL(照光/非常停止) / 2.DE(非常停止) / 3.DEG(非常停止+ガード付き) / 4.FPSHRL(照光押しボタン/角平/赤) / 5.FPSHGL(照光押しボタン/角平/緑) / 6.FPSHWL(照光押しボタン/角平/白) / 7.FPSHYL(照光押しボタン/角平/黄) / 8.FPRTRL(照光押しボタン/丸突/赤) / 9.FPRTGL(照光押しボタン/丸突/緑) / 10.FPRTWL(照光押しボタン/丸突/白) / 11.FPRTYL(照光押しボタン/丸突/黄) / 12.FPRHRL(照光押しボタン/丸平/赤) / 13.FPRHGL(照光押しボタン/丸平/緑) / 14.FPRHWL(照光押しボタン/丸平/白) / 15.FPRHYL(照光押しボタン/丸平/黄) / 16.FPSHR(押しボタン/角平/赤) / 17.FPSHG(押しボタン/角平/緑) / 18.FPSHB(押しボタン/角平/黒) / 19.FPSHY(押しボタン/角平/黄) / 20.FPRTR(押しボタン/丸突/赤) / 21.FPRTG(押しボタン/丸突/緑) / 22.FPRTB(押しボタン/丸突/黒) / 23.FPRTY(押しボタン/丸突/黄) / 24.FPRHR(押しボタン/丸平/赤) / 25.FPRHG(押しボタン/丸平/緑) / 26.FPRHB(押しボタン/丸平/黒) / 27.FPRHY(押しボタン/丸平/黄) / 28.FLSHRL(表示灯/角平/赤) / 29.FLSHGL(表示灯/角平/緑) / 30.FLSHWL(表示灯/角平/白) / 31.FLSHYL(表示灯/角平/黄) / 36.FLDRL(表示灯/ドーム/赤) / 37.FLDGL(表示灯/ドーム/緑) / 38.FLDWL(表示灯/ドーム/白) / 39.FLDYL(表示灯/ドーム/黄) / 42.FS2AR(セレクタ/2ノッチ/1a) / 43.FS2ABR(セレクタ/2ノッチ/1a1b) / 44.FS3ABR(セレクタ/3ノッチ/1a1b) / 46.FBZR(ブザー/丸)
1.DEL(照光/非常停止) / 2.DE(非常停止) / 3.DEG(非常停止+ガード付き) / 4.FPSHRL(照光押しボタン/角平/赤) / 5.FPSHGL(照光押しボタン/角平/緑) / 6.FPSHWL(照光押しボタン/角平/白) / 7.FPSHYL(照光押しボタン/角平/黄) / 8.FPRTRL(照光押しボタン/丸突/赤) / 9.FPRTGL(照光押しボタン/丸突/緑) / 10.FPRTWL(照光押しボタン/丸突/白) / 11.FPRTYL(照光押しボタン/丸突/黄) / 12.FPRHRL(照光押しボタン/丸平/赤) / 13.FPRHGL(照光押しボタン/丸平/緑) / 14.FPRHWL(照光押しボタン/丸平/白) / 15.FPRHYL(照光押しボタン/丸平/黄) / 16.FPSHR(押しボタン/角平/赤) / 17.FPSHG(押しボタン/角平/緑) / 18.FPSHB(押しボタン/角平/黒) / 19.FPSHY(押しボタン/角平/黄) / 20.FPRTR(押しボタン/丸突/赤) / 21.FPRTG(押しボタン/丸突/緑) / 22.FPRTB(押しボタン/丸突/黒) / 23.FPRTY(押しボタン/丸突/黄) / 24.FPRHR(押しボタン/丸平/赤) / 25.FPRHG(押しボタン/丸平/緑) / 26.FPRHB(押しボタン/丸平/黒) / 27.FPRHY(押しボタン/丸平/黄) / 28.FLSHRL(表示灯/角平/赤) / 29.FLSHGL(表示灯/角平/緑) / 30.FLSHWL(表示灯/角平/白) / 31.FLSHYL(表示灯/角平/黄) / 36.FLDRL(表示灯/ドーム/赤) / 37.FLDGL(表示灯/ドーム/緑) / 38.FLDWL(表示灯/ドーム/白) / 39.FLDYL(表示灯/ドーム/黄) / 42.FS2AR(セレクタ/2ノッチ/1a) / 43.FS2ABR(セレクタ/2ノッチ/1a1b) / 44.FS3ABR(セレクタ/3ノッチ/1a1b) / 46.FBZR(ブザー/丸)
-
10
1個
2個
22
W80×H70
あり
丸端子付き(VR)
0.5 ~ 15
1.DEL(照光/非常停止) / 2.DE(非常停止) / 3.DEG(非常停止+ガード付き) / 4.FPSHRL(照光押しボタン/角平/赤) / 5.FPSHGL(照光押しボタン/角平/緑) / 6.FPSHWL(照光押しボタン/角平/白) / 7.FPSHYL(照光押しボタン/角平/黄) / 8.FPRTRL(照光押しボタン/丸突/赤) / 9.FPRTGL(照光押しボタン/丸突/緑) / 10.FPRTWL(照光押しボタン/丸突/白) / 11.FPRTYL(照光押しボタン/丸突/黄) / 12.FPRHRL(照光押しボタン/丸平/赤) / 13.FPRHGL(照光押しボタン/丸平/緑) / 14.FPRHWL(照光押しボタン/丸平/白) / 15.FPRHYL(照光押しボタン/丸平/黄) / 16.FPSHR(押しボタン/角平/赤) / 17.FPSHG(押しボタン/角平/緑) / 18.FPSHB(押しボタン/角平/黒) / 19.FPSHY(押しボタン/角平/黄) / 20.FPRTR(押しボタン/丸突/赤) / 21.FPRTG(押しボタン/丸突/緑) / 22.FPRTB(押しボタン/丸突/黒) / 23.FPRTY(押しボタン/丸突/黄) / 24.FPRHR(押しボタン/丸平/赤) / 25.FPRHG(押しボタン/丸平/緑) / 26.FPRHB(押しボタン/丸平/黒) / 27.FPRHY(押しボタン/丸平/黄) / 28.FLSHRL(表示灯/角平/赤) / 29.FLSHGL(表示灯/角平/緑) / 30.FLSHWL(表示灯/角平/白) / 31.FLSHYL(表示灯/角平/黄) / 36.FLDRL(表示灯/ドーム/赤) / 37.FLDGL(表示灯/ドーム/緑) / 38.FLDWL(表示灯/ドーム/白) / 39.FLDYL(表示灯/ドーム/黄) / 42.FS2AR(セレクタ/2ノッチ/1a) / 43.FS2ABR(セレクタ/2ノッチ/1a1b) / 44.FS3ABR(セレクタ/3ノッチ/1a1b) / 46.FBZR(ブザー/丸)
1.DEL(照光/非常停止) / 2.DE(非常停止) / 3.DEG(非常停止+ガード付き) / 4.FPSHRL(照光押しボタン/角平/赤) / 5.FPSHGL(照光押しボタン/角平/緑) / 6.FPSHWL(照光押しボタン/角平/白) / 7.FPSHYL(照光押しボタン/角平/黄) / 8.FPRTRL(照光押しボタン/丸突/赤) / 9.FPRTGL(照光押しボタン/丸突/緑) / 10.FPRTWL(照光押しボタン/丸突/白) / 11.FPRTYL(照光押しボタン/丸突/黄) / 12.FPRHRL(照光押しボタン/丸平/赤) / 13.FPRHGL(照光押しボタン/丸平/緑) / 14.FPRHWL(照光押しボタン/丸平/白) / 15.FPRHYL(照光押しボタン/丸平/黄) / 16.FPSHR(押しボタン/角平/赤) / 17.FPSHG(押しボタン/角平/緑) / 18.FPSHB(押しボタン/角平/黒) / 19.FPSHY(押しボタン/角平/黄) / 20.FPRTR(押しボタン/丸突/赤) / 21.FPRTG(押しボタン/丸突/緑) / 22.FPRTB(押しボタン/丸突/黒) / 23.FPRTY(押しボタン/丸突/黄) / 24.FPRHR(押しボタン/丸平/赤) / 25.FPRHG(押しボタン/丸平/緑) / 26.FPRHB(押しボタン/丸平/黒) / 27.FPRHY(押しボタン/丸平/黄) / 28.FLSHRL(表示灯/角平/赤) / 29.FLSHGL(表示灯/角平/緑) / 30.FLSHWL(表示灯/角平/白) / 31.FLSHYL(表示灯/角平/黄) / 36.FLDRL(表示灯/ドーム/赤) / 37.FLDGL(表示灯/ドーム/緑) / 38.FLDWL(表示灯/ドーム/白) / 39.FLDYL(表示灯/ドーム/黄) / 42.FS2AR(セレクタ/2ノッチ/1a) / 43.FS2ABR(セレクタ/2ノッチ/1a1b) / 44.FS3ABR(セレクタ/3ノッチ/1a1b) / 46.FBZR(ブザー/丸)
-
10
1個
2個
22
W80×H70
あり
Y端子付き(VY)
0.5 ~ 15
1.DEL(照光/非常停止) / 2.DE(非常停止) / 3.DEG(非常停止+ガード付き) / 4.FPSHRL(照光押しボタン/角平/赤) / 5.FPSHGL(照光押しボタン/角平/緑) / 6.FPSHWL(照光押しボタン/角平/白) / 7.FPSHYL(照光押しボタン/角平/黄) / 8.FPRTRL(照光押しボタン/丸突/赤) / 9.FPRTGL(照光押しボタン/丸突/緑) / 10.FPRTWL(照光押しボタン/丸突/白) / 11.FPRTYL(照光押しボタン/丸突/黄) / 12.FPRHRL(照光押しボタン/丸平/赤) / 13.FPRHGL(照光押しボタン/丸平/緑) / 14.FPRHWL(照光押しボタン/丸平/白) / 15.FPRHYL(照光押しボタン/丸平/黄) / 16.FPSHR(押しボタン/角平/赤) / 17.FPSHG(押しボタン/角平/緑) / 18.FPSHB(押しボタン/角平/黒) / 19.FPSHY(押しボタン/角平/黄) / 20.FPRTR(押しボタン/丸突/赤) / 21.FPRTG(押しボタン/丸突/緑) / 22.FPRTB(押しボタン/丸突/黒) / 23.FPRTY(押しボタン/丸突/黄) / 24.FPRHR(押しボタン/丸平/赤) / 25.FPRHG(押しボタン/丸平/緑) / 26.FPRHB(押しボタン/丸平/黒) / 27.FPRHY(押しボタン/丸平/黄) / 28.FLSHRL(表示灯/角平/赤) / 29.FLSHGL(表示灯/角平/緑) / 30.FLSHWL(表示灯/角平/白) / 31.FLSHYL(表示灯/角平/黄) / 36.FLDRL(表示灯/ドーム/赤) / 37.FLDGL(表示灯/ドーム/緑) / 38.FLDWL(表示灯/ドーム/白) / 39.FLDYL(表示灯/ドーム/黄) / 42.FS2AR(セレクタ/2ノッチ/1a) / 43.FS2ABR(セレクタ/2ノッチ/1a1b) / 44.FS3ABR(セレクタ/3ノッチ/1a1b) / 46.FBZR(ブザー/丸)
1.DEL(照光/非常停止) / 2.DE(非常停止) / 3.DEG(非常停止+ガード付き) / 4.FPSHRL(照光押しボタン/角平/赤) / 5.FPSHGL(照光押しボタン/角平/緑) / 6.FPSHWL(照光押しボタン/角平/白) / 7.FPSHYL(照光押しボタン/角平/黄) / 8.FPRTRL(照光押しボタン/丸突/赤) / 9.FPRTGL(照光押しボタン/丸突/緑) / 10.FPRTWL(照光押しボタン/丸突/白) / 11.FPRTYL(照光押しボタン/丸突/黄) / 12.FPRHRL(照光押しボタン/丸平/赤) / 13.FPRHGL(照光押しボタン/丸平/緑) / 14.FPRHWL(照光押しボタン/丸平/白) / 15.FPRHYL(照光押しボタン/丸平/黄) / 16.FPSHR(押しボタン/角平/赤) / 17.FPSHG(押しボタン/角平/緑) / 18.FPSHB(押しボタン/角平/黒) / 19.FPSHY(押しボタン/角平/黄) / 20.FPRTR(押しボタン/丸突/赤) / 21.FPRTG(押しボタン/丸突/緑) / 22.FPRTB(押しボタン/丸突/黒) / 23.FPRTY(押しボタン/丸突/黄) / 24.FPRHR(押しボタン/丸平/赤) / 25.FPRHG(押しボタン/丸平/緑) / 26.FPRHB(押しボタン/丸平/黒) / 27.FPRHY(押しボタン/丸平/黄) / 28.FLSHRL(表示灯/角平/赤) / 29.FLSHGL(表示灯/角平/緑) / 30.FLSHWL(表示灯/角平/白) / 31.FLSHYL(表示灯/角平/黄) / 36.FLDRL(表示灯/ドーム/赤) / 37.FLDGL(表示灯/ドーム/緑) / 38.FLDWL(表示灯/ドーム/白) / 39.FLDYL(表示灯/ドーム/黄) / 42.FS2AR(セレクタ/2ノッチ/1a) / 43.FS2ABR(セレクタ/2ノッチ/1a1b) / 44.FS3ABR(セレクタ/3ノッチ/1a1b) / 46.FBZR(ブザー/丸)
-
10
1個
3個
22
W80×H70
あり
切り落とし(VC)
0.5 ~ 15
1.DEL(照光/非常停止) / 2.DE(非常停止) / 3.DEG(非常停止+ガード付き) / 4.FPSHRL(照光押しボタン/角平/赤) / 5.FPSHGL(照光押しボタン/角平/緑) / 6.FPSHWL(照光押しボタン/角平/白) / 7.FPSHYL(照光押しボタン/角平/黄) / 8.FPRTRL(照光押しボタン/丸突/赤) / 9.FPRTGL(照光押しボタン/丸突/緑) / 10.FPRTWL(照光押しボタン/丸突/白) / 11.FPRTYL(照光押しボタン/丸突/黄) / 12.FPRHRL(照光押しボタン/丸平/赤) / 13.FPRHGL(照光押しボタン/丸平/緑) / 14.FPRHWL(照光押しボタン/丸平/白) / 15.FPRHYL(照光押しボタン/丸平/黄) / 16.FPSHR(押しボタン/角平/赤) / 17.FPSHG(押しボタン/角平/緑) / 18.FPSHB(押しボタン/角平/黒) / 19.FPSHY(押しボタン/角平/黄) / 20.FPRTR(押しボタン/丸突/赤) / 21.FPRTG(押しボタン/丸突/緑) / 22.FPRTB(押しボタン/丸突/黒) / 23.FPRTY(押しボタン/丸突/黄) / 24.FPRHR(押しボタン/丸平/赤) / 25.FPRHG(押しボタン/丸平/緑) / 26.FPRHB(押しボタン/丸平/黒) / 27.FPRHY(押しボタン/丸平/黄) / 28.FLSHRL(表示灯/角平/赤) / 29.FLSHGL(表示灯/角平/緑) / 30.FLSHWL(表示灯/角平/白) / 31.FLSHYL(表示灯/角平/黄) / 36.FLDRL(表示灯/ドーム/赤) / 37.FLDGL(表示灯/ドーム/緑) / 38.FLDWL(表示灯/ドーム/白) / 39.FLDYL(表示灯/ドーム/黄) / 42.FS2AR(セレクタ/2ノッチ/1a) / 43.FS2ABR(セレクタ/2ノッチ/1a1b) / 44.FS3ABR(セレクタ/3ノッチ/1a1b) / 46.FBZR(ブザー/丸)
1.DEL(照光/非常停止) / 2.DE(非常停止) / 3.DEG(非常停止+ガード付き) / 4.FPSHRL(照光押しボタン/角平/赤) / 5.FPSHGL(照光押しボタン/角平/緑) / 6.FPSHWL(照光押しボタン/角平/白) / 7.FPSHYL(照光押しボタン/角平/黄) / 8.FPRTRL(照光押しボタン/丸突/赤) / 9.FPRTGL(照光押しボタン/丸突/緑) / 10.FPRTWL(照光押しボタン/丸突/白) / 11.FPRTYL(照光押しボタン/丸突/黄) / 12.FPRHRL(照光押しボタン/丸平/赤) / 13.FPRHGL(照光押しボタン/丸平/緑) / 14.FPRHWL(照光押しボタン/丸平/白) / 15.FPRHYL(照光押しボタン/丸平/黄) / 16.FPSHR(押しボタン/角平/赤) / 17.FPSHG(押しボタン/角平/緑) / 18.FPSHB(押しボタン/角平/黒) / 19.FPSHY(押しボタン/角平/黄) / 20.FPRTR(押しボタン/丸突/赤) / 21.FPRTG(押しボタン/丸突/緑) / 22.FPRTB(押しボタン/丸突/黒) / 23.FPRTY(押しボタン/丸突/黄) / 24.FPRHR(押しボタン/丸平/赤) / 25.FPRHG(押しボタン/丸平/緑) / 26.FPRHB(押しボタン/丸平/黒) / 27.FPRHY(押しボタン/丸平/黄) / 28.FLSHRL(表示灯/角平/赤) / 29.FLSHGL(表示灯/角平/緑) / 30.FLSHWL(表示灯/角平/白) / 31.FLSHYL(表示灯/角平/黄) / 36.FLDRL(表示灯/ドーム/赤) / 37.FLDGL(表示灯/ドーム/緑) / 38.FLDWL(表示灯/ドーム/白) / 39.FLDYL(表示灯/ドーム/黄) / 42.FS2AR(セレクタ/2ノッチ/1a) / 43.FS2ABR(セレクタ/2ノッチ/1a1b) / 44.FS3ABR(セレクタ/3ノッチ/1a1b) / 46.FBZR(ブザー/丸)
1.DEL(照光/非常停止) / 2.DE(非常停止) / 3.DEG(非常停止+ガード付き) / 4.FPSHRL(照光押しボタン/角平/赤) / 5.FPSHGL(照光押しボタン/角平/緑) / 6.FPSHWL(照光押しボタン/角平/白) / 7.FPSHYL(照光押しボタン/角平/黄) / 8.FPRTRL(照光押しボタン/丸突/赤) / 9.FPRTGL(照光押しボタン/丸突/緑) / 10.FPRTWL(照光押しボタン/丸突/白) / 11.FPRTYL(照光押しボタン/丸突/黄) / 12.FPRHRL(照光押しボタン/丸平/赤) / 13.FPRHGL(照光押しボタン/丸平/緑) / 14.FPRHWL(照光押しボタン/丸平/白) / 15.FPRHYL(照光押しボタン/丸平/黄) / 16.FPSHR(押しボタン/角平/赤) / 17.FPSHG(押しボタン/角平/緑) / 18.FPSHB(押しボタン/角平/黒) / 19.FPSHY(押しボタン/角平/黄) / 20.FPRTR(押しボタン/丸突/赤) / 21.FPRTG(押しボタン/丸突/緑) / 22.FPRTB(押しボタン/丸突/黒) / 23.FPRTY(押しボタン/丸突/黄) / 24.FPRHR(押しボタン/丸平/赤) / 25.FPRHG(押しボタン/丸平/緑) / 26.FPRHB(押しボタン/丸平/黒) / 27.FPRHY(押しボタン/丸平/黄) / 28.FLSHRL(表示灯/角平/赤) / 29.FLSHGL(表示灯/角平/緑) / 30.FLSHWL(表示灯/角平/白) / 31.FLSHYL(表示灯/角平/黄) / 36.FLDRL(表示灯/ドーム/赤) / 37.FLDGL(表示灯/ドーム/緑) / 38.FLDWL(表示灯/ドーム/白) / 39.FLDYL(表示灯/ドーム/黄) / 42.FS2AR(セレクタ/2ノッチ/1a) / 43.FS2ABR(セレクタ/2ノッチ/1a1b) / 44.FS3ABR(セレクタ/3ノッチ/1a1b) / 46.FBZR(ブザー/丸)
10
1個
3個
22
W80×H70
あり
丸端子付き(VR)
0.5 ~ 15
1.DEL(照光/非常停止) / 2.DE(非常停止) / 3.DEG(非常停止+ガード付き) / 4.FPSHRL(照光押しボタン/角平/赤) / 5.FPSHGL(照光押しボタン/角平/緑) / 6.FPSHWL(照光押しボタン/角平/白) / 7.FPSHYL(照光押しボタン/角平/黄) / 8.FPRTRL(照光押しボタン/丸突/赤) / 9.FPRTGL(照光押しボタン/丸突/緑) / 10.FPRTWL(照光押しボタン/丸突/白) / 11.FPRTYL(照光押しボタン/丸突/黄) / 12.FPRHRL(照光押しボタン/丸平/赤) / 13.FPRHGL(照光押しボタン/丸平/緑) / 14.FPRHWL(照光押しボタン/丸平/白) / 15.FPRHYL(照光押しボタン/丸平/黄) / 16.FPSHR(押しボタン/角平/赤) / 17.FPSHG(押しボタン/角平/緑) / 18.FPSHB(押しボタン/角平/黒) / 19.FPSHY(押しボタン/角平/黄) / 20.FPRTR(押しボタン/丸突/赤) / 21.FPRTG(押しボタン/丸突/緑) / 22.FPRTB(押しボタン/丸突/黒) / 23.FPRTY(押しボタン/丸突/黄) / 24.FPRHR(押しボタン/丸平/赤) / 25.FPRHG(押しボタン/丸平/緑) / 26.FPRHB(押しボタン/丸平/黒) / 27.FPRHY(押しボタン/丸平/黄) / 28.FLSHRL(表示灯/角平/赤) / 29.FLSHGL(表示灯/角平/緑) / 30.FLSHWL(表示灯/角平/白) / 31.FLSHYL(表示灯/角平/黄) / 36.FLDRL(表示灯/ドーム/赤) / 37.FLDGL(表示灯/ドーム/緑) / 38.FLDWL(表示灯/ドーム/白) / 39.FLDYL(表示灯/ドーム/黄) / 42.FS2AR(セレクタ/2ノッチ/1a) / 43.FS2ABR(セレクタ/2ノッチ/1a1b) / 44.FS3ABR(セレクタ/3ノッチ/1a1b) / 46.FBZR(ブザー/丸)
1.DEL(照光/非常停止) / 2.DE(非常停止) / 3.DEG(非常停止+ガード付き) / 4.FPSHRL(照光押しボタン/角平/赤) / 5.FPSHGL(照光押しボタン/角平/緑) / 6.FPSHWL(照光押しボタン/角平/白) / 7.FPSHYL(照光押しボタン/角平/黄) / 8.FPRTRL(照光押しボタン/丸突/赤) / 9.FPRTGL(照光押しボタン/丸突/緑) / 10.FPRTWL(照光押しボタン/丸突/白) / 11.FPRTYL(照光押しボタン/丸突/黄) / 12.FPRHRL(照光押しボタン/丸平/赤) / 13.FPRHGL(照光押しボタン/丸平/緑) / 14.FPRHWL(照光押しボタン/丸平/白) / 15.FPRHYL(照光押しボタン/丸平/黄) / 16.FPSHR(押しボタン/角平/赤) / 17.FPSHG(押しボタン/角平/緑) / 18.FPSHB(押しボタン/角平/黒) / 19.FPSHY(押しボタン/角平/黄) / 20.FPRTR(押しボタン/丸突/赤) / 21.FPRTG(押しボタン/丸突/緑) / 22.FPRTB(押しボタン/丸突/黒) / 23.FPRTY(押しボタン/丸突/黄) / 24.FPRHR(押しボタン/丸平/赤) / 25.FPRHG(押しボタン/丸平/緑) / 26.FPRHB(押しボタン/丸平/黒) / 27.FPRHY(押しボタン/丸平/黄) / 28.FLSHRL(表示灯/角平/赤) / 29.FLSHGL(表示灯/角平/緑) / 30.FLSHWL(表示灯/角平/白) / 31.FLSHYL(表示灯/角平/黄) / 36.FLDRL(表示灯/ドーム/赤) / 37.FLDGL(表示灯/ドーム/緑) / 38.FLDWL(表示灯/ドーム/白) / 39.FLDYL(表示灯/ドーム/黄) / 42.FS2AR(セレクタ/2ノッチ/1a) / 43.FS2ABR(セレクタ/2ノッチ/1a1b) / 44.FS3ABR(セレクタ/3ノッチ/1a1b) / 46.FBZR(ブザー/丸)
1.DEL(照光/非常停止) / 2.DE(非常停止) / 3.DEG(非常停止+ガード付き) / 4.FPSHRL(照光押しボタン/角平/赤) / 5.FPSHGL(照光押しボタン/角平/緑) / 6.FPSHWL(照光押しボタン/角平/白) / 7.FPSHYL(照光押しボタン/角平/黄) / 8.FPRTRL(照光押しボタン/丸突/赤) / 9.FPRTGL(照光押しボタン/丸突/緑) / 10.FPRTWL(照光押しボタン/丸突/白) / 11.FPRTYL(照光押しボタン/丸突/黄) / 12.FPRHRL(照光押しボタン/丸平/赤) / 13.FPRHGL(照光押しボタン/丸平/緑) / 14.FPRHWL(照光押しボタン/丸平/白) / 15.FPRHYL(照光押しボタン/丸平/黄) / 16.FPSHR(押しボタン/角平/赤) / 17.FPSHG(押しボタン/角平/緑) / 18.FPSHB(押しボタン/角平/黒) / 19.FPSHY(押しボタン/角平/黄) / 20.FPRTR(押しボタン/丸突/赤) / 21.FPRTG(押しボタン/丸突/緑) / 22.FPRTB(押しボタン/丸突/黒) / 23.FPRTY(押しボタン/丸突/黄) / 24.FPRHR(押しボタン/丸平/赤) / 25.FPRHG(押しボタン/丸平/緑) / 26.FPRHB(押しボタン/丸平/黒) / 27.FPRHY(押しボタン/丸平/黄) / 28.FLSHRL(表示灯/角平/赤) / 29.FLSHGL(表示灯/角平/緑) / 30.FLSHWL(表示灯/角平/白) / 31.FLSHYL(表示灯/角平/黄) / 36.FLDRL(表示灯/ドーム/赤) / 37.FLDGL(表示灯/ドーム/緑) / 38.FLDWL(表示灯/ドーム/白) / 39.FLDYL(表示灯/ドーム/黄) / 42.FS2AR(セレクタ/2ノッチ/1a) / 43.FS2ABR(セレクタ/2ノッチ/1a1b) / 44.FS3ABR(セレクタ/3ノッチ/1a1b) / 46.FBZR(ブザー/丸)
10
1個
3個
22
W80×H70
あり
Y端子付き(VY)
0.5 ~ 15
1.DEL(照光/非常停止) / 2.DE(非常停止) / 3.DEG(非常停止+ガード付き) / 4.FPSHRL(照光押しボタン/角平/赤) / 5.FPSHGL(照光押しボタン/角平/緑) / 6.FPSHWL(照光押しボタン/角平/白) / 7.FPSHYL(照光押しボタン/角平/黄) / 8.FPRTRL(照光押しボタン/丸突/赤) / 9.FPRTGL(照光押しボタン/丸突/緑) / 10.FPRTWL(照光押しボタン/丸突/白) / 11.FPRTYL(照光押しボタン/丸突/黄) / 12.FPRHRL(照光押しボタン/丸平/赤) / 13.FPRHGL(照光押しボタン/丸平/緑) / 14.FPRHWL(照光押しボタン/丸平/白) / 15.FPRHYL(照光押しボタン/丸平/黄) / 16.FPSHR(押しボタン/角平/赤) / 17.FPSHG(押しボタン/角平/緑) / 18.FPSHB(押しボタン/角平/黒) / 19.FPSHY(押しボタン/角平/黄) / 20.FPRTR(押しボタン/丸突/赤) / 21.FPRTG(押しボタン/丸突/緑) / 22.FPRTB(押しボタン/丸突/黒) / 23.FPRTY(押しボタン/丸突/黄) / 24.FPRHR(押しボタン/丸平/赤) / 25.FPRHG(押しボタン/丸平/緑) / 26.FPRHB(押しボタン/丸平/黒) / 27.FPRHY(押しボタン/丸平/黄) / 28.FLSHRL(表示灯/角平/赤) / 29.FLSHGL(表示灯/角平/緑) / 30.FLSHWL(表示灯/角平/白) / 31.FLSHYL(表示灯/角平/黄) / 36.FLDRL(表示灯/ドーム/赤) / 37.FLDGL(表示灯/ドーム/緑) / 38.FLDWL(表示灯/ドーム/白) / 39.FLDYL(表示灯/ドーム/黄) / 42.FS2AR(セレクタ/2ノッチ/1a) / 43.FS2ABR(セレクタ/2ノッチ/1a1b) / 44.FS3ABR(セレクタ/3ノッチ/1a1b) / 46.FBZR(ブザー/丸)
1.DEL(照光/非常停止) / 2.DE(非常停止) / 3.DEG(非常停止+ガード付き) / 4.FPSHRL(照光押しボタン/角平/赤) / 5.FPSHGL(照光押しボタン/角平/緑) / 6.FPSHWL(照光押しボタン/角平/白) / 7.FPSHYL(照光押しボタン/角平/黄) / 8.FPRTRL(照光押しボタン/丸突/赤) / 9.FPRTGL(照光押しボタン/丸突/緑) / 10.FPRTWL(照光押しボタン/丸突/白) / 11.FPRTYL(照光押しボタン/丸突/黄) / 12.FPRHRL(照光押しボタン/丸平/赤) / 13.FPRHGL(照光押しボタン/丸平/緑) / 14.FPRHWL(照光押しボタン/丸平/白) / 15.FPRHYL(照光押しボタン/丸平/黄) / 16.FPSHR(押しボタン/角平/赤) / 17.FPSHG(押しボタン/角平/緑) / 18.FPSHB(押しボタン/角平/黒) / 19.FPSHY(押しボタン/角平/黄) / 20.FPRTR(押しボタン/丸突/赤) / 21.FPRTG(押しボタン/丸突/緑) / 22.FPRTB(押しボタン/丸突/黒) / 23.FPRTY(押しボタン/丸突/黄) / 24.FPRHR(押しボタン/丸平/赤) / 25.FPRHG(押しボタン/丸平/緑) / 26.FPRHB(押しボタン/丸平/黒) / 27.FPRHY(押しボタン/丸平/黄) / 28.FLSHRL(表示灯/角平/赤) / 29.FLSHGL(表示灯/角平/緑) / 30.FLSHWL(表示灯/角平/白) / 31.FLSHYL(表示灯/角平/黄) / 36.FLDRL(表示灯/ドーム/赤) / 37.FLDGL(表示灯/ドーム/緑) / 38.FLDWL(表示灯/ドーム/白) / 39.FLDYL(表示灯/ドーム/黄) / 42.FS2AR(セレクタ/2ノッチ/1a) / 43.FS2ABR(セレクタ/2ノッチ/1a1b) / 44.FS3ABR(セレクタ/3ノッチ/1a1b) / 46.FBZR(ブザー/丸)
1.DEL(照光/非常停止) / 2.DE(非常停止) / 3.DEG(非常停止+ガード付き) / 4.FPSHRL(照光押しボタン/角平/赤) / 5.FPSHGL(照光押しボタン/角平/緑) / 6.FPSHWL(照光押しボタン/角平/白) / 7.FPSHYL(照光押しボタン/角平/黄) / 8.FPRTRL(照光押しボタン/丸突/赤) / 9.FPRTGL(照光押しボタン/丸突/緑) / 10.FPRTWL(照光押しボタン/丸突/白) / 11.FPRTYL(照光押しボタン/丸突/黄) / 12.FPRHRL(照光押しボタン/丸平/赤) / 13.FPRHGL(照光押しボタン/丸平/緑) / 14.FPRHWL(照光押しボタン/丸平/白) / 15.FPRHYL(照光押しボタン/丸平/黄) / 16.FPSHR(押しボタン/角平/赤) / 17.FPSHG(押しボタン/角平/緑) / 18.FPSHB(押しボタン/角平/黒) / 19.FPSHY(押しボタン/角平/黄) / 20.FPRTR(押しボタン/丸突/赤) / 21.FPRTG(押しボタン/丸突/緑) / 22.FPRTB(押しボタン/丸突/黒) / 23.FPRTY(押しボタン/丸突/黄) / 24.FPRHR(押しボタン/丸平/赤) / 25.FPRHG(押しボタン/丸平/緑) / 26.FPRHB(押しボタン/丸平/黒) / 27.FPRHY(押しボタン/丸平/黄) / 28.FLSHRL(表示灯/角平/赤) / 29.FLSHGL(表示灯/角平/緑) / 30.FLSHWL(表示灯/角平/白) / 31.FLSHYL(表示灯/角平/黄) / 36.FLDRL(表示灯/ドーム/赤) / 37.FLDGL(表示灯/ドーム/緑) / 38.FLDWL(表示灯/ドーム/白) / 39.FLDYL(表示灯/ドーム/黄) / 42.FS2AR(セレクタ/2ノッチ/1a) / 43.FS2ABR(セレクタ/2ノッチ/1a1b) / 44.FS3ABR(セレクタ/3ノッチ/1a1b) / 46.FBZR(ブザー/丸)
10
1個
通常単価(税別) (税込単価)
通常出荷日
-
( - )
3日目
-
( - )
3日目
-
( - )
3日目
-
( - )
3日目
-
( - )
3日目
-
( - )
3日目
-
( - )
3日目
-
( - )
3日目
-
( - )
3日目
-
( - )
3日目
-
( - )
3日目
-
( - )
3日目
-
( - )
3日目
-
( - )
3日目
-
( - )
3日目
-
( - )
3日目
-
( - )
3日目
-
( - )
3日目
-
( - )
3日目
-
( - )
3日目
-
( - )
3日目
-
( - )
3日目
-
( - )
3日目
-
( - )
3日目
-
( - )
3日目
-
( - )
3日目
-
( - )
3日目
-
( - )
3日目
-
( - )
3日目
-
( - )
3日目
-
( - )
3日目
-
( - )
3日目
-
( - )
3日目
-
( - )
3日目
-
( - )
3日目
-
( - )
3日目
-
( - )
3日目
-
( - )
3日目
-
( - )
3日目
-
( - )
3日目
-
( - )
3日目
-
( - )
3日目
-
( - )
3日目
-
( - )
3日目
-
( - )
3日目
-
( - )
3日目
-
( - )
3日目
-
( - )
3日目
-
( - )
3日目
-
( - )
3日目
-
( - )
3日目
-
( - )
3日目
-
( - )
3日目
-
( - )
3日目

詳細情報

基本情報

・部品調達、組み立て配線作業は不要!Webで簡単選定、完成品をお届け!
・ボックスサイズ、スイッチ個数・種類、ケーブル長が選べる組み立て配線済み

【ココが特徴】
・スイッチは1個~3個まで指定
・スイッチ種類は非常停止(IDEC)、押しボタン、セレクタ、ブザー、ランプ(富士電機)から選定
・ケーブルは0.5m~15mまで、0.1m(10cm)単位で指定
・ケーブル端末処理は、「切り落とし」「Y端子付き」「丸端子付き」より選定
・銘板やゴム足など、オプション追加も可能

ご注意

  • スイッチボックスを構成する一部の部材商品にて一時的に受注を停止している場合がございます。各部材毎の受注状況詳細は下記商品仕様タブにございます商品リンクよりご確認下さい。
  • 本製品は、2D/3D CADのデータのご用意はございません。ご了承ください。
  • ご注文後の変更対応は、お受けしておりません。注文変更・キャンセル・返品ポリシーについては(>>こちら)をご参照ください。

共通仕様

部品表はこちら

結線表

 

芯数12以下の場合

配線番号123456789101112
線色

芯数13以上の場合

配線番号123456789101112131415161718192021222324
線色黒/白黒/赤黒/緑黒/黄黒/茶黒/青黒/紫黒/灰黒/桃黒/草

例:φ22 照光非常停止、照光押しボタン、セレクタ2ノッチの場合

配線番号1234567891011121314
線色
端子配列1NC
(b接点)
2NC
(b接点)
3NO
(a接点)
4NO
(a接点)
X1(+)X2(-)3NO
(a接点)
4NO
(a接点)
X1(+)X2(-)1NC
(b接点)
2NC
(b接点)
3NO
(a接点)
4NO
(a接点)

<ケーブル型番>
アルミ、スチールボックスの場合 : VCTF-0.5SQ-□EMT-0.5SQ-□
樹脂ボックスの場合 : NARVCTF-0.5-□
※□には芯数が入ります。

接点表

サイズ(φ)記 号機 能型 番接点構成
22DEL照光/非常停止XW1E-LV411Q4MR1a1b1NC(b接点)2NC(b接点)3NO(a接点)4NO(a接点)X1(+)X2(-)
DE非常停止HW1B-V411R1a1b1NC(b接点)2NC(b接点)3NO(a接点)4NO(a接点)--
DEG非常停止+ガードHW1B-V411R-EMO1a1b1NC(b接点)2NC(b接点)3NO(a接点)4NO(a接点)--
FPRHRL照光/押しボタン/丸平/赤AR22F0L-10E3R1a3NO(a接点)4NO(a接点)X1(+)X2(-)--
FPRHGL照光/押しボタン/丸平/緑AR22F0L-10E3G1a3NO(a接点)4NO(a接点)X1(+)X2(-)--
FPRHWL照光/押しボタン/丸平/白AR22F0L-10E3W1a3NO(a接点)4NO(a接点)X1(+)X2(-)--
FPRHYL照光/押しボタン/丸平/黄AR22F0L-10E3Y1a3NO(a接点)4NO(a接点)X1(+)X2(-)--
FPRTRL照光/押しボタン/丸突/赤AR22E0L-10E3R1a3NO(a接点)4NO(a接点)X1(+)X2(-)--
FPRTGL照光/押しボタン/丸突/緑AR22E0L-10E3G1a3NO(a接点)4NO(a接点)X1(+)X2(-)--
FPRTWL照光/押しボタン/丸突/白AR22E0L-10E3W1a3NO(a接点)4NO(a接点)X1(+)X2(-)--
FPRTYL照光/押しボタン/丸突/黄AR22E0L-10E3Y1a3NO(a接点)4NO(a接点)X1(+)X2(-)--
FPSHRL照光/押しボタン/角平/赤AR22F0M-10E3R1a3NO(a接点)4NO(a接点)X1(+)X2(-)--
FPSHGL照光/押しボタン/角平/緑AR22F0M-10E3G1a3NO(a接点)4NO(a接点)X1(+)X2(-)--
FPSHWL照光/押しボタン/角平/白AR22F0M-10E3W1a3NO(a接点)4NO(a接点)X1(+)X2(-)--
FPSHYL照光/押しボタン/角平/黄AR22F0M-10E3Y1a3NO(a接点)4NO(a接点)X1(+)X2(-)--
FPRHR押しボタン/丸平/赤AR22F0R-10R1a3NO(a接点)4NO(a接点)----
FPRHG押しボタン/丸平/緑AR22F0R-10G1a3NO(a接点)4NO(a接点)----
FPRHB押しボタン/丸平/黒AR22F0R-10B1a3NO(a接点)4NO(a接点)----
FPRHY押しボタン/丸平/黄AR22F0R-10Y1a3NO(a接点)4NO(a接点)----
FPRTR押しボタン/丸突/赤AR22E0R-10R1a3NO(a接点)4NO(a接点)----
FPRTG押しボタン/丸突/緑AR22E0R-10G1a3NO(a接点)4NO(a接点)----
FPRTB押しボタン/丸突/黒AR22E0R-10B1a3NO(a接点)4NO(a接点)----
FPRTY押しボタン/丸突/黄AR22E0R-10Y1a3NO(a接点)4NO(a接点)----
FPSHR押しボタン/角平/赤AR22F0S-10R1a3NO(a接点)4NO(a接点)----
FPSHG押しボタン/角平/緑AR22F0S-10G1a3NO(a接点)4NO(a接点)----
FPSHB押しボタン/角平/黒AR22F0S-10B1a3NO(a接点)4NO(a接点)----
FPSHY押しボタン/角平/黄AR22F0S-10Y1a3NO(a接点)4NO(a接点)----
FS2ARセレクタスイッチ/2ノッチAR22PR-210B1a3NO(a接点)4NO(a接点)----
FS2ABRセレクタスイッチ/2ノッチAR22PR-211B1a1b1NC(b接点)2NC(b接点)3NO(a接点)4NO(a接点)--
FS3ABRセレクタスイッチ/3ノッチAR22PR-311B1a1b1NC(b接点)2NC(b接点)3NO(a接点)4NO(a接点)--
FLDRL表示灯/ドーム/赤DR22D0L-E3R-X1(+)X2(-)----
FLDGL表示灯/ドーム/緑DR22D0L-E3G-X1(+)X2(-)----
FLDWL表示灯/ドーム/白DR22D0L-E3W-X1(+)X2(-)----
FLDYL表示灯/ドーム/黄DR22D0L-E3Y-X1(+)X2(-)----
FLSHRL表示灯/角平/赤DR22F3M-E3R-X1(+)X2(-)----
FLSHGL表示灯/角平/緑DR22F3M-E3G-X1(+)X2(-)----
FLSHWL表示灯/角平/白DR22F3M-E3W-X1(+)X2(-)----
FLSHYL表示灯/角平/黄DR22F3M-E3Y-X1(+)X2(-)----
FBZRブザーDR22B5-EB-X1(+)X2(-)----
16DEL照光/非常停止スイッチXA1E-LV411Q4R1a1b1NC(b接点)2NC(b接点)3NO(a接点)4NO(a接点)X1(+)X2(-)
DE非常停止スイッチXA1E-BV411R1a1b1NC(b接点)2NC(b接点)3NO(a接点)4NO(a接点)--
DEG非常停止スイッチ+ガードXA1E-BV401RH-EMO1b1NC(b接点)2NC(b接点)----
FPSHRL照光/押しボタン/角平/赤AR16F0N-C1E3R1c※COMNOab--
FPSHGL照光/押しボタン/角平/緑AR16F0N-C1E3G1c※COMNOab--
FPSHWL照光/押しボタン/角平/白AR16F0N-C1E3W1c※COMNOab--
FPSHYL照光/押しボタン/角平/黄AR16F0N-C1E3Y1c※COMNOab--
FPRTRL照光/押しボタン/丸突/赤AR16E0L-C1E3R1c※COMNOab--
FPRTGL照光/押しボタン/丸突/緑AR16E0L-C1E3G1c※COMNOab--
FPRTWL照光/押しボタン/丸突/白AR16E0L-C1E3W1c※COMNOab--
FPRTYL照光/押しボタン/丸突/黄AR16E0L-C1E3Y1c※COMNOab--
FPSHR押しボタン/角平/赤AR16F0T-C1R1c※COMNO----
FPSHG押しボタン/角平/緑AR16F0T-C1G1c※COMNO----
FPSHB押しボタン/角平/白AR16F0T-C1B1c※COMNO----
FPSHY押しボタン/角平/黄AR16F0T-C1Y1c※COMNO----
FPRTR押しボタン/丸突/赤AR16E0R-C1R1c※COMNO----
FPRTG押しボタン/丸突/緑AR16E0R-C1G1c※COMNO----
FPRTB押しボタン/丸突/黒AR16E0R-C1B1c※COMNO----
FPRTY押しボタン/丸突/黄AR16E0R-C1Y1c※COMNO----
FS2CSセレクタスイッチAR16PT-2C1B1c※COMNONC---
FS3CSセレクタスイッチAR16PT-3C2B2cCOM(左側)NO(左側)COM(右側)NO(右側)--
FLSHRL表示灯/角平/赤DR16F0N-E3R-a(+)b(-)----
FLSHGL表示灯/角平/緑DR16F0N-E3G-a(+)b(-)----
FLSHWL表示灯/角平/白DR16F0N-E3W-a(+)b(-)----
FLSHYL表示灯/角平/黄DR16F0N-E3Y-a(+)b(-)----
FLRTRL表示灯/丸突/赤DR16E0L-E3R-a(+)b(-)----
FLRTGL表示灯/丸突/緑DR16E0L-E3G-a(+)b(-)----
FLRTWL表示灯/丸突/白DR16E0L-E3W-a(+)b(-)----
FLRTYL表示灯/丸突/黄DR16E0L-E3Y-a(+)b(-)----
FBZSブザーAH164-TX2BE-ab----

※接点構成が1cのスイッチにつきましてはNO端子のみ接続を行い1a接点として使用しております。

 

部品表

部 材メーカー型 番仕様/用途対象タイプ
アルミスチール樹脂
ボックスIDECFB1W-111Y樹脂製 IP65 黄色/W76×H59.5/非常停止ボタン用--
ミスミAXS111アルミ製/W48×H45/スイッチφ16 1個用--
AXSH111アルミ製/W48×H45/取付穴あり/スイッチφ16 1個用--
AXS212アルミ製/W48×H45/スイッチφ16 2個用--
AXSH212アルミ製/W48×H45/取付穴あり/スイッチφ16 2個用--
AXS313アルミ製/W48×H45/スイッチφ16 3個用--
AXSH313アルミ製/W48×H45/取付穴あり/スイッチφ16 3個用--
AXM121アルミ製/W65×H55/スイッチφ22 1個用--
AXMH121アルミ製/W65×H55/取付穴あり/スイッチφ22 1個用--
AXM222アルミ製/W65×H55/スイッチφ22 2個用--
AXMH222アルミ製/W65×H55/取付穴あり/スイッチφ22 2個用--
AXM323アルミ製/W65×H55/スイッチφ22 3個用--
AXMH323アルミ製/W65×H55/取付穴あり/スイッチφ22 3個用--
AXL121アルミ製/W80×H70/スイッチφ22 1個用--
AXLH121アルミ製/W80×H70/取付穴あり/スイッチφ22 1個用--
AXL222アルミ製/W80×H70/スイッチφ22 2個用--
AXLH222アルミ製/W80×H70/取付穴あり/スイッチφ22 2個用--
AXL323アルミ製/W80×H70/スイッチφ22 3個用--
AXLH323アルミ製/W80×H70/取付穴あり/スイッチφ22 3個用--
MSXS11-Kスチール製/W70×H55/クリーム色/スイッチφ16 1個用--
MSXS21-Kスチール製/W70×H55/クリーム色/スイッチφ16 2個用--
MSXS31-Kスチール製/W70×H55/クリーム色/スイッチφ16 3個用--
MSXS12-Kスチール製/W70×H55/クリーム色/スイッチφ22 1個用--
MSXS22-Kスチール製/W70×H55/クリーム色/スイッチφ22 2個用--
MSXS32E-Kスチール製/W70×H55/クリーム色/スイッチφ22 3個用--
MSX12-Kスチール製/W80×H70/クリーム色/スイッチφ22 1個用--
MSX22-Kスチール製/W80×H70/クリーム色/スイッチφ22 2個用--
MSX32E-Kスチール製/W80×H70/クリーム色/スイッチφ22 3個用--
非常停止ボタンIDECXA1E-LV411Q4R非常停止/照光/φ16-
XA1E-BV411R非常停止/非照光/φ16-
XA1E-BV401RH-EMO非常停止/非照光/EMO文字/φ16-
XW1E-LV411Q4MR非常停止/照光/φ22-
HW1B-V411R非常停止/非照光/φ22
HW1B-V411R-EMO非常停止/非照光 EMO文字/φ22
非常停止ガードXA9Z-KG1非常停止ガード φ16用-
HW9Z-KG1非常停止ガード φ22用-
HW9Z-KG3非常停止ガード φ22 樹脂ボックス用--
スイッチφ16富士電機
機器制御
AR16F0N-C1E3R押しボタン/照光/長角平/赤-
AR16F0N-C1E3G押しボタン/照光/長角平/緑-
AR16F0N-C1E3W押しボタン/照光/長角平/白-
AR16F0N-C1E3Y押しボタン/照光/長角平/黄-
AR16E0L-C1E3R押しボタン/照光/丸突/赤-
AR16E0L-C1E3G押しボタン/照光/丸突/緑-
AR16E0L-C1E3W押しボタン/照光/丸突/白-
AR16E0L-C1E3Y押しボタン/照光/丸突/黄-
AR16F0T-C1R押しボタン/長角平/赤-
AR16F0T-C1G押しボタン/長角平/緑-
AR16F0T-C1B押しボタン/長角平/黒-
AR16F0T-C1Y押しボタン/長角平/黄-
AR16E0R-C1R押しボタン/丸突/赤-
AR16E0R-C1G押しボタン/丸突/緑-
AR16E0R-C1B押しボタン/丸突/黒-
AR16E0R-C1Y押しボタン/丸突/黄-
AR16PT-2C1Bセレクタ/2ノッチ/長角-
AR16PT-3C2Bセレクタ/3ノッチ/長角-
DR16F0N-E3R表示灯/長角平/赤-
DR16F0N-E3G表示灯/長角平/緑-
DR16F0N-E3W表示灯/長角平/白-
DR16F0N-E3Y表示灯 /長角平/黄-
DR16E0L-E3R表示灯/丸突/赤-
DR16E0L-E3G表示灯/丸突/緑-
DR16E0L-E3W表示灯/丸突/白-
DR16E0L-E3Y表示灯/丸突/黄-
AH164-TX2BEブザー/長角-
スイッチφ22AR22F0L-10E3R押しボタン/照光/丸平/赤-
AR22F0L-10E3G押しボタン/照光/丸平/緑-
AR22F0L-10E3W押しボタン/照光/丸平/白-
AR22F0L-10E3Y押しボタン/照光/丸平/黄-
AR22E0L-10E3R押しボタン/照光/丸突/赤-
AR22E0L-10E3G押しボタン/照光/丸突/緑-
AR22E0L-10E3W押しボタン/照光/丸突/白-
AR22E0L-10E3Y押しボタン/照光/丸突/黄-
AR22F0M-10E3R押しボタン/照光/正角平/赤-
AR22F0M-10E3G押しボタン/照光/正角平/緑-
AR22F0M-10E3W押しボタン/照光/正角平/白-
AR22F0M-10E3Y押しボタン/照光/正角平/黄-
AR22F0R-10R押しボタン/丸平/赤-
AR22F0R-10G押しボタン/丸平/緑-
AR22F0R-10B押しボタン/丸平/黒-
AR22F0R-10Y押しボタン/丸平/黄-
AR22E0R-10R押しボタン/丸突/赤-
AR22E0R-10G押しボタン/丸突/緑-
AR22E0R-10B押しボタン/丸突/黒-
AR22E0R-10Y押しボタン/丸突/黄-
AR22F0S-10R押しボタン/正角平/赤-
AR22F0S-10G押しボタン/正角平/緑-
AR22F0S-10B押しボタン/正角平/黒-
AR22F0S-10Y押しボタン/正角平/黄-
AR22PR-210Bセレクタ/丸/2ノッチ-
AR22PR-211Bセレクタ/丸/2ノッチ-
AR22PR-311Bセレクタ/丸/3ノッチ-
DR22D0L-E3R表示灯/ドーム/赤-
DR22D0L-E3G表示灯/ドーム/緑-
DR22D0L-E3W表示灯/ドーム/白-
DR22D0L-E3Y表示灯/ドーム/黄-
DR22F3M-E3R表示灯/正角平/赤-
DR22F3M-E3G表示灯/正角平/緑-
DR22F3M-E3W表示灯/正角平/白-
DR22F3M-E3Y表示灯/正角平/黄-
DR22B5-EBブザー/丸-
ケーブルオーナンバ―VCTF-0.5SQ-2取り付けるスイッチに必要な芯数のケーブルを使用-
VCTF-0.5SQ-4-
VCTF-0.5SQ-6-
VCTF-0.5SQ-7-
VCTF-0.5SQ-8-
VCTF-0.5SQ-10-
VCTF-0.5SQ-12-
長岡特殊電線EMT-0.5SQ-16-
EMT-0.5SQ-20-
EMT-0.5SQ-24-
ミスミNARVCTF-0.5-4樹脂ボックス(非常停止1個)の際に使用--
その他配線部材ミスミOA-W-1606取り付けるケーブルに必要な太さのケーブルグランドを使用-
OA-W-1608
OA-W-1609-
OA-W-1611-
OA-W-1613-
F1.25-V3.5圧着端子Y型/ケーブル端末処理に使用
1.25-3.5圧着端子丸型/スイッチφ22ねじ端子接続/ケーブル端末処理に使用

商品担当おすすめ

  • 一部型番の仕様・寸法を掲載しきれていない場合がございますので、詳細は マニュアルカタログをご覧ください。

【らくらく選定】スイッチボックス アルミ 組み立て配線済みのレビュー
4.1平均満足度:4.19件のレビュー
起動、停止用ボックス
2
満足度:2.0
選択してから、在庫がないでは手間だと思う。 他の商品でもそうだが、ないものは表示されないようにしてほしい
16人が参考にしています。
機械停止用
5
満足度:5.0
機械停止用に購入しました。 配線済みなので非常に助かりました。
1人が参考にしています。
組立工数低減に寄与
5
満足度:5.0
一度設計値を決めれば、ケーブル長のみ指定すれば計装部品の組立工数が大幅に低減した。取り付け可能なパーツの種類が増えれば設...もっと読む
1人が参考にしています。
アルミフレームに取付けて使用
3
満足度:3.0
配線例ではなく配線図ががあれば事前に図面指示できる。 ケーブル長を選べるモデルがこれしか無いせめてメートル単位で1~5m...もっと読む
0人が参考にしています。
スイッチボックス
5
満足度:5.0
端子繋げるだけで使えるので便利です。ボタン数やオプション選べて様々な用途に合わせて注文できる。
0人が参考にしています。

この商品を見た人は、こんな商品も見ています

今見ている商品
【らくらく選定】スイッチボックス アルミ 組み立て配線済み
【らくらく選定】スイッチボックス スチール 組み立て配線済み
【らくらく選定】非常停止スイッチボックス 樹脂IP65 組み立て配線済み
組立配線済み スイッチボックス アルミフレーム用(スイッチ:IDEC製)
組立配線済み スイッチボックス アルミフレーム用(スイッチ:オムロン製)
組立配線済み スイッチボックス アルミフレーム用(スイッチ:富士電機機器制御製)
メーカーミスミミスミミスミミスミミスミミスミ
通常価格---2,630 -2,840 -2,840 -
通常出荷日3日目3日目6日目在庫品1日目在庫品1日目在庫品1日目
ボックス材質アルミ樹脂アルミアルミアルミ
インターロックプラグ有無無し無し無し無し無し無し

最近見た商品

通常価格、通常出荷日が表示と異なる場合がございます

スイッチボックスカテゴリの売れ筋ランキング

通常価格、通常出荷日が表示と異なる場合がございます

技術サポート窓口

エレクトロニクス部品技術窓口

商品の仕様・技術のお問い合わせ

Webお問い合わせフォーム

営業時間:9:00~18:00(土曜日・日曜日・祝日は除く)

※お問い合わせフォームは24時間受付しております。

見積もり・発注後 最短当日出荷 新規会員登録で2D・3D CADデータを無料でダウンロード

比較リスト