メカニカル部品技術窓口
ミスミ品のみ対象




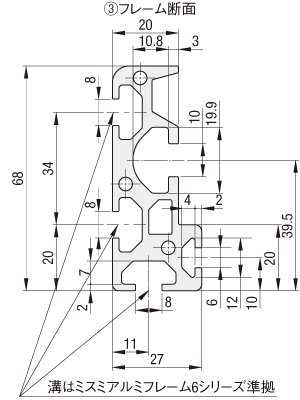
筐体にアルミフレームを採用したウレタンライニングモータローラコンベヤです。ミスミアルミフレーム6シリー...
詳細を確認取付方法/使用例
その他


モータローラの支持構造
(モータローラ配線側)
モータローラの支持構造
(モータローラ従動側)
フリーローラの支持構造



[ ! ]モータローラのリード線と三相動力線の配線を、U(赤)=R、V(白)=S、W(黒)=T としたとき、リード線側から見て時計回りに回転します。
[ ! ]回転方向を変えたい場合は、赤と白を入れ替えて接続してください。(例)

| 型式 | コンベヤ 耐荷重 [㎏/m] | ウレタン | ①モータローラ | ②フリーローラ | [ M ]材質 | [ S ]表面処理 | ||||||||||
| 芯金径 | 出力 [W] | 電源 | 定格電流 [A/本] | 起動電流 [A/本] | ローラ 耐荷重 [㎏/本] | 芯金径 | ローラ 耐荷重 [㎏/本] | ①モータローラ ②フリーローラ | ③フレーム | ④ローラ受 | ⑤ローラ支持 ブラケット | ①モータローラ ②フリーローラ | ③フレーム | |||
| RVTU | 160 | エーテル系ウレタン ショアA90 | φ57 | 20 | 三相200V | 0.07A | 0.23A | 26 | φ38.1 | 26 | STKM | アルミ | アルミ合金 | ステンレス | 三価クロメート | アルマイト処理 |
| ウレタン厚み | ローラ呼び幅 | ローラピッチ | 機長 | ローラ総数 | モータローラ配置 | モータローラ本数 | 呼び速度 | |||||||||||
| 型式 | − | T | − | W | − | P | − | L | − | R | − | S | − | M | − | G | − | (INVM1 etc.) |
| RVTU | − | 5 | − | 300 | − | 100 | − | 1075 | − | R11 | − | S3 | − | M5 | − | G20 | − | INVM3 |
| 型式 | ウレタン厚み T 選択(mm) | ローラ呼び幅 W 選択 ※1 | ローラピッチ P 指定5mm単位 | 機長 L 選択 ※2 | ローラ総数 R 選択 ※3 | モータローラ配置 S 選択 ※3 | モータローラ 本数 M | 呼び速度 G 選択 | ローラ幅 W1 | モータローラ ウレタンライニング幅 H1 | フリーローラ ライニング幅 H2 ※4 | L1 | D1 | D2 |
| RVTU | 3 5 | 200 | 75~150 | 150~3000 | R2~R40 | S1(全数モータローラ) S2(2本に1本モータローラ) S3(3本に1本モータローラ) S4(4本に1本モータローラ) S5(5本に1本モータローラ) | M2~M40 | G20 G30 | 203 | W1-6 | W-15 | L1=P×(R-1) | φ57+T×2 | φ38.1+T×2 |
| 250 300 350 400 450 500 | G10 G15 G20 G30 | 251 300 350 400 450 500 | ||||||||||||
機長L=ローラピッチ×(ローラ総数R-1)+37.5×2
詳細は絞り込み条件もしくは機長L早見表を参照ください。
[ ! ]ウレタンライニングをしているためRVシリーズの他製品と搬送高さが異なります。(RVTA、RVSAなど)
そのため、乗り継ぎ時は高さ調節が必要となります。
上流側から選択したパラメータに従ってモータローラを繰り返し配置します。
・安定搬送条件1:ローラ(モータローラ及びフリーローラ)が常時3本以上ワーク荷重を受ける。
・安定搬送条件2:モータローラが常時1本以上ワークに接する。


[ ! ]※4ウレタンの成形により、フリーローラのウレタンライニング幅(H2)は表記寸法よりも2㎜程短くなる場合がございます。
[ ! ]ワークとローラの接触面積は極力大きく取ってください。
接触面積が極端に少ないワークは搬送できません。
例えば、パレットやケースに積載するなど工夫ください。
例)接触面積が極端に少ないワーク
| ウレタン厚み T | 呼び速度 G | 回転速度[m/min] | 搬送質量[kg/本] | ||||||||
| 50[Hz] | 60[Hz] | 50[Hz] | 60[Hz] | ||||||||
| 定格 | 定格 | ワーク材質(参考値) | ワーク材質(参考値) | ||||||||
| 金属 | 樹脂 | 木製 | ダンボール | 金属 | 樹脂 | 木製 | ダンボール | ||||
| 3 | 10 | 8.4 | 9.9 | 237 | 237 | 190 | 105 | 190 | 190 | 152 | 85 |
| 15 | 14.8 | 17.6 | 133 | 133 | 107 | 59 | 107 | 107 | 86 | 48 | |
| 20 | 15.9 | 18.6 | 63 | 63 | 50 | 28 | 47 | 47 | 38 | 21 | |
| 30 | 26.4 | 32.9 | 36 | 36 | 29 | 16 | 26 | 26 | 21 | 12 | |
| 5 | 10 | 8.9 | 10.6 | 223 | 223 | 178 | 99 | 179 | 179 | 143 | 80 |
| 15 | 15.8 | 18.7 | 125 | 125 | 100 | 56 | 101 | 101 | 81 | 45 | |
| 20 | 16.9 | 19.7 | 59 | 59 | 47 | 26 | 45 | 45 | 36 | 20 | |
| 30 | 28.1 | 35.0 | 34 | 34 | 27 | 15 | 25 | 25 | 20 | 11 | |
| ローラ幅W | ||||||||
| 200 | 250 | 300 | 350 | 400 | 450 | 500 | ||
| 機長L[㎏/m] | 1.9 | 1.9 | 1.9 | 1.9 | 1.9 | 1.9 | 1.9 | |
| ウレタン厚さ T=3 | モータローラ[㎏/本] | 2.5 | 2.7 | 2.8 | 3.0 | 3.1 | 3.3 | 3.4 |
| フリーローラ[㎏/本] | 0.7 | 0.9 | 1.0 | 1.1 | 1.3 | 1.4 | 1.5 | |
| ウレタン厚さ T=5 | モータローラ[㎏/本] | 2.6 | 2.8 | 2.9 | 3.1 | 3.3 | 3.5 | 3.7 |
| フリーローラ[㎏/本] | 0.8 | 1.0 | 1.1 | 1.2 | 1.4 | 1.5 | 1.7 | |
| ワーク長さ | ローラピッチP | モータローラ配置S |
| 225~450㎜ | ワーク長さ÷3(1の位切り捨て)以下 | S3以下 |
| 450~600㎜ | 150㎜以下 | S3以下 |
| 600~750㎜ | 150㎜以下 | S4以下 |
| 750㎜~ | 150㎜以下 | S5以下 |
| 機長L [㎜] | ローラ総数R | ||||||||||||||||||||
| 2 | 3 | 4 | 5 | 6 | 7 | 8 | 9 | 10 | 11 | 12 | 13 | 14 | 15 | 16 | 17 | 18 | 19 | 20 | 21 | ||
| ローラピッチP | 75 | 150 | 225 | 300 | 375 | 450 | 525 | 600 | 675 | 750 | 825 | 900 | 975 | 1050 | 1125 | 1200 | 1275 | 1350 | 1425 | 1500 | 1575 |
| 80 | 155 | 235 | 315 | 395 | 475 | 555 | 635 | 715 | 795 | 875 | 955 | 1035 | 1115 | 1195 | 1275 | 1355 | 1435 | 1515 | 1595 | 1675 | |
| 85 | 160 | 245 | 330 | 415 | 500 | 585 | 670 | 755 | 840 | 925 | 1010 | 1095 | 1180 | 1265 | 1350 | 1435 | 1520 | 1605 | 1690 | 1775 | |
| 90 | 165 | 255 | 345 | 435 | 525 | 615 | 705 | 795 | 885 | 975 | 1065 | 1155 | 1245 | 1335 | 1425 | 1515 | 1605 | 1695 | 1785 | 1875 | |
| 95 | 170 | 265 | 360 | 455 | 550 | 645 | 740 | 835 | 930 | 1025 | 1120 | 1215 | 1310 | 1405 | 1500 | 1595 | 1690 | 1785 | 1880 | 1975 | |
| 100 | 175 | 275 | 375 | 475 | 575 | 675 | 775 | 875 | 975 | 1075 | 1175 | 1275 | 1375 | 1475 | 1575 | 1675 | 1775 | 1875 | 1975 | 2075 | |
| 105 | 180 | 285 | 390 | 495 | 600 | 705 | 810 | 915 | 1020 | 1125 | 1230 | 1335 | 1440 | 1545 | 1650 | 1755 | 1860 | 1965 | 2070 | 2175 | |
| 110 | 185 | 295 | 405 | 515 | 625 | 735 | 845 | 955 | 1065 | 1175 | 1285 | 1395 | 1505 | 1615 | 1725 | 1835 | 1945 | 2055 | 2165 | 2275 | |
| 115 | 190 | 305 | 420 | 535 | 650 | 765 | 880 | 995 | 1110 | 1225 | 1340 | 1455 | 1570 | 1685 | 1800 | 1915 | 2030 | 2145 | 2260 | 2375 | |
| 120 | 195 | 315 | 435 | 555 | 675 | 795 | 915 | 1035 | 1155 | 1275 | 1395 | 1515 | 1635 | 1755 | 1875 | 1995 | 2115 | 2235 | 2355 | 2475 | |
| 125 | 200 | 325 | 450 | 575 | 700 | 825 | 950 | 1075 | 1200 | 1325 | 1450 | 1575 | 1700 | 1825 | 1950 | 2075 | 2200 | 2325 | 2450 | 2575 | |
| 130 | 205 | 335 | 465 | 595 | 725 | 855 | 985 | 1115 | 1245 | 1375 | 1505 | 1635 | 1765 | 1895 | 2025 | 2155 | 2285 | 2415 | 2545 | 2675 | |
| 135 | 210 | 345 | 480 | 615 | 750 | 885 | 1020 | 1155 | 1290 | 1425 | 1560 | 1695 | 1830 | 1965 | 2100 | 2235 | 2370 | 2505 | 2640 | 2775 | |
| 140 | 215 | 355 | 495 | 635 | 775 | 915 | 1055 | 1195 | 1335 | 1475 | 1615 | 1755 | 1895 | 2035 | 2175 | 2315 | 2455 | 2595 | 2735 | 2875 | |
| 145 | 220 | 365 | 510 | 655 | 800 | 945 | 1090 | 1235 | 1380 | 1525 | 1670 | 1815 | 1960 | 2105 | 2250 | 2395 | 2540 | 2685 | 2830 | 2975 | |
| 150 | 225 | 375 | 525 | 675 | 825 | 975 | 1125 | 1275 | 1425 | 1575 | 1725 | 1875 | 2025 | 2175 | 2325 | 2475 | 2625 | 2775 | 2925 | ||
| 機長L [㎜] | ローラ総数R | ||||||||||||||||||||
| 22 | 23 | 24 | 25 | 26 | 27 | 28 | 29 | 30 | 31 | 32 | 33 | 34 | 35 | 36 | 37 | 38 | 39 | 40 | |||
| ローラピッチP | 75 | 1650 | 1725 | 1800 | 1875 | 1950 | 2025 | 2100 | 2175 | 2250 | 2325 | 2400 | 2475 | 2550 | 2625 | 2700 | 2775 | 2850 | 2925 | 3000 | |
| 80 | 1755 | 1835 | 1915 | 1995 | 2075 | 2155 | 2235 | 2315 | 2395 | 2475 | 2555 | 2635 | 2715 | 2795 | 2875 | 2955 | |||||
| 85 | 1860 | 1945 | 2030 | 2115 | 2200 | 2285 | 2370 | 2455 | 2540 | 2625 | 2710 | 2795 | 2880 | 2965 | |||||||
| 90 | 1965 | 2055 | 2145 | 2235 | 2325 | 2415 | 2505 | 2595 | 2685 | 2775 | 2865 | 2955 | |||||||||
| 95 | 2070 | 2165 | 2260 | 2355 | 2450 | 2545 | 2640 | 2735 | 2830 | 2925 | |||||||||||
| 100 | 2175 | 2275 | 2375 | 2475 | 2575 | 2675 | 2775 | 2875 | 2975 | ||||||||||||
| 105 | 2280 | 2385 | 2490 | 2595 | 2700 | 2805 | 2910 | ||||||||||||||
| 110 | 2385 | 2495 | 2605 | 2715 | 2825 | 2935 | |||||||||||||||
| 115 | 2490 | 2605 | 2720 | 2835 | 2950 | ||||||||||||||||
| 120 | 2595 | 2715 | 2835 | 2955 | 選択できません | ||||||||||||||||
| 125 | 2700 | 2825 | 2950 | ||||||||||||||||||
| 130 | 2805 | 2935 | |||||||||||||||||||
| 135 | 2910 | ||||||||||||||||||||
| 140 | |||||||||||||||||||||
| 145 | |||||||||||||||||||||
| 150 | |||||||||||||||||||||
| 機長範囲 | |||
| 150~995 | |||
| 1005~1980 | |||
| 2010~3000 |
| モータローラ 本数A | ローラ総数R | |||||||||||||||||||||||||||||||||||||||
| 2 | 3 | 4 | 5 | 6 | 7 | 8 | 9 | 10 | 11 | 12 | 13 | 14 | 15 | 16 | 17 | 18 | 19 | 20 | 21 | 22 | 23 | 24 | 25 | 26 | 27 | 28 | 29 | 30 | 31 | 32 | 33 | 34 | 35 | 36 | 37 | 38 | 39 | 40 | ||
| モータローラ 配置S | S1 | 2 | 3 | 4 | 5 | 6 | 7 | 8 | 9 | 10 | 11 | 12 | 13 | 14 | 15 | 16 | 17 | 18 | 19 | 20 | 21 | 22 | 23 | 24 | 25 | 26 | 27 | 28 | 29 | 30 | 31 | 32 | 33 | 34 | 35 | 36 | 37 | 38 | 39 | 40 |
| S2 | - | 2 | 3 | 3 | 4 | 4 | 5 | 5 | 6 | 6 | 7 | 7 | 8 | 8 | 9 | 9 | 10 | 10 | 11 | 11 | 12 | 12 | 13 | 13 | 14 | 14 | 15 | 15 | 16 | 16 | 17 | 17 | 18 | 18 | 19 | 19 | 20 | 20 | 21 | |
| S3 | - | - | 2 | 3 | 3 | 3 | 4 | 4 | 4 | 5 | 5 | 5 | 6 | 6 | 6 | 7 | 7 | 7 | 8 | 8 | 8 | 9 | 9 | 9 | 10 | 10 | 10 | 11 | 11 | 11 | 12 | 12 | 12 | 13 | 13 | 13 | 14 | 14 | 14 | |
| S4 | - | - | - | 2 | 3 | 3 | 3 | 3 | 4 | 4 | 4 | 4 | 5 | 5 | 5 | 5 | 6 | 6 | 6 | 6 | 7 | 7 | 7 | 7 | 8 | 8 | 8 | 8 | 9 | 9 | 9 | 9 | 10 | 10 | 10 | 10 | 11 | 11 | 11 | |
| S5 | - | - | - | - | 2 | 3 | 3 | 3 | 3 | 3 | 4 | 4 | 4 | 4 | 4 | 5 | 5 | 5 | 5 | 5 | 6 | 6 | 6 | 6 | 6 | 7 | 7 | 7 | 7 | 7 | 8 | 8 | 8 | 8 | 8 | 9 | 9 | 9 | 9 | |

ワークサイズに合わせて、ローラ幅を選択してください
例)接触面積が極端に少ないワーク

ワークサイズに合わせて、ローラピッチを選択してください
| ワーク長さ | ローラピッチP |
| 225~450mm | ワーク長さ÷3(1の位切り捨て)以下 |
| 450mm~ | 150mm以下 |
例)ワーク長さ400÷3=133
→ローラピッチP130以下を選択してください
安定搬送条件1:ローラ(モータローラ及びフリーローラ)が常時3本以上ワーク荷重を受ける
ローラピッチP<ワーク長さ÷3
ワーク荷重を受けるローラ本数

機長範囲
150~995
1,005~1,980
2,010~3,000
③-1 ローラピッチ130mmの行で
機長を選択(L=985)
※機長を1,000mmに近づけたい場合は、
ローラピッチP115mm
機長L995mm
ローラ総数R9本
もしくは
ローラピッチP85mm
機長L1,010mm
ローラ総数R12本

| ウレタン厚み T | 呼び速度 G | 回転速度[m/min] | 搬送質量[kg/本] | ||||||||
| 50[Hz] | 60[Hz] | 50[Hz] | 60[Hz] | ||||||||
| 定格 | 定格 | ワーク材質(参考値) | ワーク材質(参考値) | ||||||||
| 金属 | 樹脂 | 木製 | ダンボール | 金属 | 樹脂 | 木製 | ダンボール | ||||
| 3 | 10 | 8.4 | 9.9 | 237 | 237 | 190 | 105 | 190 | 190 | 152 | 85 |
| 15 | 14.8 | 17.6 | 133 | 133 | 107 | 59 | 107 | 107 | 86 | 48 | |
| 20 | 15.9 | 18.6 | 63 | 63 | 50 | 28 | 47 | 47 | 38 | 21 | |
| 30 | 26.4 | 32.9 | 36 | 36 | 29 | 16 | 26 | 26 | 21 | 12 | |
| 5 | 10 | 8.9 | 10.6 | 223 | 223 | 178 | 99 | 179 | 179 | 143 | 80 |
| 15 | 15.8 | 18.7 | 125 | 125 | 100 | 56 | 101 | 101 | 81 | 45 | |
| 20 | 16.9 | 19.7 | 59 | 59 | 47 | 26 | 45 | 45 | 36 | 20 | |
| 30 | 28.1 | 35.0 | 34 | 34 | 27 | 15 | 25 | 25 | 20 | 11 | |
| TYPE | コンベヤ | モータローラ | フリーローラ |
| 耐荷重[㎏/m] | 耐荷重[㎏/本] | ||
| RVTU | 160 | 26 | 26 |

[ ! ]ステップ④のモータローラ1本の搬送能力を超える場合、
搬送可能なモータローラ本数の接線力をかけてください
| ワーク長さ | モータローラ配置S |
| 225~600mm | S3以下 |
| 600~750mm | S4以下 |
| 750mm~ | S5以下 |
総搬送物質量と下記計算より脚ピッチ(ℓ)を算出してください。
たわみ量は1mm以下で設定してください。


| ウレタン厚み | ローラ幅 | ローラピッチ | 機長 | ローラ総数 | モータローラ配置 | モータローラ本数 | 呼び速度 | |||||||||||
| 型式 | − | T | − | W | − | P | − | L | − | R | − | S | − | M | − | G | − | (INVM1 …etc.) |
| RVTU | − | 5 | − | 300 | − | 100 | − | 1075 | − | R11 | − | S3 | − | M5 | − | G20 | − | INVM3 |
| 追加工 コード | 追加工内容 | 適用条件 | ¥/1台 | |
| INVM | インバータの購入追加 | コンベヤと併せてインバータをお買い求めできます。 〈指定方法〉:INVM1(1台付属)、INVM2(2台付属)・・・ 【インバータ仕様】 メーカー:三菱電機株式会社 型式:FR-D720-0.1K(100W以下) 電源:三相200V | [ ! ]コンベヤには取付されていない状態での納品となります。 [ ! ]インバータ1台当たり100W、0.8Aを超えないモータローラ本数で使用してください | 10,340 |
| INVC | CC-Link対応 インバータの購入追加 100W以下 | コンベヤと併せてCC-Link対応のインバータをお買い求めできます。 〈指定方法〉:INVM1(1台付属)、INVM2(2台付属)・・・ 【インバータ仕様】 メーカー:三菱電機株式会社 型式:FR-E820-0.1K(100W以下) ※CC-Linkカード:FR-A8NC-EKIT同梱 電源:三相200V | [ ! ]コンベヤには取付されていない状態での納品となります。 [ ! ]取付ブラケット、CC-Linkケーブ等はお客様にてご用意ください。 [ ! ]CC-Linkカードはお客様にて組込みをお願いします。 [ ! ]インバータ1台当たり100W、0.8Aを超えないモータローラ本数で使用してください | 23,100 |
| 型番 |
|---|
通常単価(税別)
(税込単価) | 通常出荷日 |
|---|
- ( - ) | 16日目 |
- ( - ) | 16日目 |
- ( - ) | 16日目 |
- ( - ) | 16日目 |
- ( - ) | 16日目 |
- ( - ) | 16日目 |
- ( - ) | 16日目 |
- ( - ) | 16日目 |
- ( - ) | 16日目 |
- ( - ) | 16日目 |
- ( - ) | 16日目 |
- ( - ) | 16日目 |
- ( - ) | 16日目 |
- ( - ) | 16日目 |
- ( - ) | 16日目 |
- ( - ) | 16日目 |
- ( - ) | 16日目 |
- ( - ) | 16日目 |
- ( - ) | 16日目 |
- ( - ) | 16日目 |
- ( - ) | 16日目 |
- ( - ) | 16日目 |
- ( - ) | 16日目 |
- ( - ) | 16日目 |
- ( - ) | 16日目 |
- ( - ) | 16日目 |
- ( - ) | 16日目 |
- ( - ) | 16日目 |
- ( - ) | 16日目 |
- ( - ) | 16日目 |
- ( - ) | 16日目 |
- ( - ) | 16日目 |
- ( - ) | 16日目 |
- ( - ) | 16日目 |
- ( - ) | 16日目 |
- ( - ) | 16日目 |
- ( - ) | 16日目 |
- ( - ) | 16日目 |
- ( - ) | 16日目 |
- ( - ) | 16日目 |
- ( - ) | 16日目 |
- ( - ) | 16日目 |
- ( - ) | 16日目 |
- ( - ) | 16日目 |
- ( - ) | 16日目 |
- ( - ) | 16日目 |
- ( - ) | 16日目 |
- ( - ) | 16日目 |
- ( - ) | 16日目 |
- ( - ) | 16日目 |
- ( - ) | 16日目 |
- ( - ) | 16日目 |
- ( - ) | 16日目 |
- ( - ) | 16日目 |
- ( - ) | 16日目 |
- ( - ) | 16日目 |
- ( - ) | 16日目 |
- ( - ) | 16日目 |
- ( - ) | 16日目 |
- ( - ) | 16日目 |
筐体にアルミフレームを採用したウレタンライニングモータローラコンベヤです。
ミスミアルミフレーム6シリーズ溝に準拠しており、センサ取り付けやローラ位置変更が簡単。
ウレタンライニングのためワークへの衝撃緩和や傷防止に最適です。
ウレタンフリーローラコンベヤと高さを揃えているため連結して簡単にご利用いただけます。
| 数量区分 | 標準対応 | 個別対応 |
| 小口 | 大口 | |
| 数量 | 1~2 | 3~ |
| 値引き率 | 基準単価 | お見積り |
| 出荷日 | 通常 |
通常価格、通常出荷日が表示と異なる場合がございます
通常価格、通常出荷日が表示と異なる場合がございます

オークラ輸送機
モータローラコンベヤ スタンダードタイプ 径Φ57×幅305-790 (WSW型)
4.3
ミスミ
コロコンローラ ローラ幅25・50mmタイプ
4.2通常価格(税別):1,310円~

ミスミ
コロコンローラ ローラ幅15mmタイプ
4.6通常価格(税別):1,210円~

ミスミ
コロコンローラ ローラ幅7~9mmタイプ
4.5通常価格(税別):1,070円~

ミスミ
コロコンローラ(ガイド用片持ちタイプ)
4.3通常価格(税別):1,030円~

ミスミ
タイミングベルトコンベヤ【GVシリーズ】 2列中間駆動2溝フレーム(プーリ径30mm)
4.3
ミスミ
ホイールコンベアー
4通常価格(税別):2,088円~

ミスミ
平ベルトコンベヤ SVシリーズ 蛇行抑制桟付ヘッド駆動2溝フレーム Φ30
4.5
ミスミ
コロコンローラ千鳥タイプ
4通常価格(税別):1,370円~