メカニカル部品技術窓口
ミスミ品のみ対象

周辺部品・機器の取付自由度の高いヘッド駆動、機幅方向の長さを抑えられる直交中空軸ギヤヘッドタイプです。...
詳細を確認
※1:搬送チェーンのたるみ量を調整後出荷するため、上流側のスプロケット位置(L寸法)は0~15mm短くなる場合があります。
ただし、全長L+105は変化しません。

| 出力(W) | モータ | 寸法(mm) | ||||||
| a | b | c | d | e | f | |||
| 25W | インダクションモータ | 三相200V | B+147.5 | 113.5 | 93 | 155 | 40.5 | 39 |
| 単相100V/200V | B+147.5 | 113.5 | 93 | 155 | 40.5 | 39 | ||
| スピードコントロールモータ | 単相100V/200V | B+147.5 | 113.5 | - | 166 | 40.5 | 39 | |
| 40W | インダクションモータ | 三相200V | B+147.5 | 113.5 | 93 | 155 | 40.5 | 39 |
| 単相100V/200V | B+147.5 | 113.5 | 93 | 193 | 40.5 | 39 | ||
| スピードコントロールモータ | 単相100V/200V | B+164 | 130 | - | 176.5 | 49 | 44.5 | |
| 60W | インダクションモータ | 三相200V | B+147.5 | 113.5 | 93 | 193 | 40.5 | 39 |
| 単相100V/200V | B+164 | 130 | 104 | 202 | 49 | 44.5 | ||
| スピードコントロールモータ | 単相100V/200V | B+164 | 130 | - | 209.5 | 49 | 44.5 | |

※1:搬送チェーンのたるみ量を調整後出荷するため、上流側のスプロケット位置(L寸法)は0~15mm短くなる場合があります。
ただし、全長L+105は変化しません。

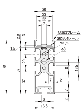
■フレーム寸法




[ ! ]フレーム繋ぎはご指定のスプロケット間距離(L)によって数量・位置が変化します。
[ ! ]六角穴付きボルトを緩めることでフレーム繋ぎ部を移動することができます。
| 本体アルミフレーム | ステンレスレール | ||
| [ M ]材質 | [ S ]表面処理 | [ M ]材質 | [ S ]表面処理 |
| アルミ合金(A6063) | 白アルマイト | SUS304 | ― |


[ ! ]パレットサイズや重心などの要因により、直列乗継時のパレット姿勢が不安定が想定されそうな場合、
サービスタップ(M4)に上図のような補助ローラを適宜検討いただくことを推奨します。
| 型式 | ー | チェーン ピッチ | ー | スプロケット間 距離 | ー | モータ | ||||||||
| 電圧 | ー | 仕様 | ー | 出力 | ー | ギヤヘッド 減速比 | ー | モータ メーカー | ||||||
| JVLPBA4 | ー | B100 | ー | L1500 | ー | S200 | ー | IM | ー | A40 | ー | G50 | ー | GT |
| JVLPBA4 | ー | B100 | ー | L1500 | ー | NV | ー | NM | ー | AN | ー | NH | ー | R |
| 型式 | チェーン種類 | メーカ | メーカ型式 |
| JVLPBA4 | 通常(白) | 株式会社 椿本チエイン | RSP40 |
| JVLPBB4 | 低摩擦・耐摩耗(白) | RSP40-LFW | |
| JVLPBC4 | 導電(黒) | RSP40-E | |
| JVLPBN4 | チェーンなし | ー | ー |
| 型式 | チェーン種類 | ①B (チェーンピッチ) | ②L (スプロケット間距離) | モータ選択 | ||||||
| ※型式毎の相違点はチェーン種類のみ | 指定10mm単位 | 指定5mm単位 | 電圧(V) | 仕様 | ③出力(W) | ④ギヤヘッド減速比 | モータメーカ | |||
| JVLPBA4 JVLPBB4 JVLPBC4 JVLPBN4 | 通常(白) 低摩擦・耐摩耗(白) 導電(黒) チェーンなし | B80~B600 | L400~L5000 | S200 (三相200V) | IM (インダクションモータ) INVM (インダクションモータ+ 三菱製インバータ) INVC (インダクションモータ+ CC-Link対応三菱製インバータ) | A25 A40 A60 | G15 G30 G60 | G20 G40 | G25 G50 | GT(ニッセイ) |
| ABM (ACブラシレスモータ) | A60 | G15 G50 | G20 | G30 | IK(オリエンタルモーター) | |||||
| T100 T200 (単相100/200V) | IM (インダクションモータ) SCM (スピードコントロールモータ) | A25 A40 A60 | G15 G30 G60 | G20 G40 | G25 G50 | GT(ニッセイ) | ||||
| NV (モータなし) | NM (モータなし) | AN (モータなし) | NH (モータなし) | R(モータ・ギヤヘッドなし) | ||||||
| 減速比 | 50Hz | 60Hz |
| 15 | 17.7 | 21.3 |
| 20 | 13.3 | 16.0 |
| 25 | 10.6 | 12.8 |
| 30 | 8.8 | 10.6 |
| 40 | 6.6 | 8.0 |
| 50 | 5.3 | 6.4 |
| 60 | 4.4 | 5.3 |
| 減速比 | Min | Max |
| 15 | 0.9 | 42.6 |
| 20 | 0.7 | 32.0 |
| 30 | 0.4 | 21.3 |
| 50 | 0.2 | 12.8 |
※チェーン速度(m/min)Maxはモータ出力軸回転速度4000r/min、
Minは80r/minでの参考値です。
[ ! ](株)ニッセイ製インダクションギアモータの詳細は下記をご参照ください。
F2SM-12-□□-T□□


[ ! ]ACブラシレスモータには、ドライバ用取り付けブラケットは付属しておりません。
| オリエンタルモータ | |||||||
| モータ | コントローラ型式 | モータ+ギヤヘッド型式 | 接続ケーブル | 電源ケーブル | |||
| 出力 | 仕様 | 電圧 | メーカー型式 | メーカー型式 | メーカー型式 | メーカー型式 | |
| 60W | ブラシレスモータ | 三相200~240V | BMUD30-C2 | BLM460SHPK-4H□S | CC01BL2 | ドライバ側 モーター側 | CC02AC04N(2m) |
| 備考 | [ ! ]ACブラシレスモータ仕様には次のものが含まれています。 モータ、ギヤヘッド、ドライバユニット、接続ケーブル(1m)、電源ケーブル(2m) ドライバ用取り付けねじ、取扱説明書 [ ! ]]ブラシレスモータはコネクタ接続タイプとなります。引き出し方向は外形図、またはCADデータをご確認ください。 [ ! ]電源ケーブルの長さは追加工で長さ変更指定できます。 | ||||||
| 仕様 | INVM | INVC |
| メーカ | 三菱電機株式会社 | 三菱電機株式会社 |
| 型式 | FR-D720-0.1K | R-E820-0.1K-1 ※CC-Linkカード: FR-A8NC E-KIT 同梱 |
| 電源 | 三相200V | 三相200V |
| 備考 | CC-Link通信対応 |
| 追加工 コード | 追加工内容 | 適用条件 | 指定例 | \/1Code | |
| MK | モータ位置勝手違い![]() | モータ位置が変更できます。 〈指定方法〉:MK | JVLPBA4 -B120-L2150- IM-A60-G30-GT-MK | 1,000 | |
| TBM | 端子箱付モータ![]() | インダクションモータを端子箱付きのタイプに変更します。 モータ型式:A9M□JHL(□はW数) 〈指定方法〉:TBM | [ ! ]端子箱の方向は組替え可能です。 | JVLPBA4 -B120-L2150- IM-A60-G30-GT-TBM | 5,000 |
| MB MC MD | モータ向きを変更 ![]() MB(下向き) MC(外向き) MD(上向き) | モータ向きを左図のように変更します。 〈指定方法〉:MB MC MD | [ ! ]MB・MC・MD選択時はモータ取り外し [ ! ]モータ取付方法は同梱の取扱説明書 | JVLPBA4 -B120-L2150- IM-A60-G30-GT-MC | 2,000 |
| CL3 | 接続ケーブルの長さ変更 (3m) | ブラシレスモータの接続ケーブル長さを 通常の2mから3mに変更します。 | [ ! ]モータ仕様:ABM(ブラシレスモータ) | JVLPBA4 -B120-L2150- ABM-A60-G50-IK-CL3 | 1,000 |
| CL5 | 接続ケーブルの長さ変更 (5m) | ブラシレスモータの接続ケーブル長さを 通常の2mから5mに変更します。 | [ ! ]モータ仕様:ABM(ブラシレスモータ) | JVLPBA4 -B120-L2150- ABM-A60-G50-IK-CL5 | 5,000 |
| CL10 | 接続ケーブルの長さ変更 (10m) | ブラシレスモータの接続ケーブル長さを 通常の2mから10mに変更します。 | [ ! ]モータ仕様:ABM(ブラシレスモータ) | JVLPBA4 -B120-L2150- ABM-A60-G50-IK-CL10 | 12,000 |
| 型式 | B | ¥本体価格1~4台 | ||||||||||||||||||||
| L400~1000 | L1005~1200 | L1205~1400 | L1405~1600 | L1605~1800 | L1805~2000 | L2005~2200 | L2205~2400 | L2405~2600 | L2605~2800 | L2805~3000 | L3005~3200 | L3205~3400 | L3405~3600 | L3605~3800 | L3805~4000 | L4005~4200 | L4205~4400 | L4405~4600 | L4605~4800 | L4805~5000 | ||
| JVLPBA4 | B80~100 | 239,000 | 262,000 | 271,000 | 280,000 | 289,000 | 298,000 | 326,000 | 340,000 | 353,000 | 367,000 | 376,000 | 401,000 | 415,000 | 430,000 | 445,000 | 461,000 | 480,000 | 496,000 | 513,000 | 531,000 | 549,000 |
| B110~400 | 241,000 | 264,000 | 273,000 | 282,000 | 291,000 | 300,000 | 328,000 | 342,000 | 355,000 | 369,000 | 378,000 | 403,000 | 417,000 | 432,000 | 447,000 | 463,000 | 482,000 | 498,000 | 515,000 | 533,000 | 551,000 | |
| B410~600 | 243,000 | 265,000 | 274,000 | 283,000 | 293,000 | 302,000 | 330,000 | 343,000 | 357,000 | 371,000 | 380,000 | 404,000 | 419,000 | 433,000 | 449,000 | 465,000 | 483,000 | 500,000 | 517,000 | 535,000 | 553,000 | |
| JVLPBB4 | B80~100 | 257,000 | 283,000 | 295,000 | 308,000 | 320,000 | 333,000 | 365,000 | 382,000 | 399,000 | 417,000 | 430,000 | 455,000 | 474,000 | 493,000 | 513,000 | 533,000 | 556,000 | 577,000 | 599,000 | 622,000 | 645,000 |
| B110~400 | 259,000 | 285,000 | 297,000 | 310,000 | 322,000 | 335,000 | 367,000 | 384,000 | 401,000 | 419,000 | 432,000 | 457,000 | 476,000 | 495,000 | 515,000 | 535,000 | 558,000 | 579,000 | 601,000 | 624,000 | 647,000 | |
| B410~600 | 263,000 | 288,000 | 300,000 | 313,000 | 326,000 | 339,000 | 371,000 | 387,000 | 405,000 | 423,000 | 436,000 | 460,000 | 480,000 | 498,000 | 519,000 | 539,000 | 561,000 | 583,000 | 605,000 | 628,000 | 651,000 | |
| JVLPBC4 | B80~100 | 258,000 | 284,000 | 297,000 | 310,000 | 323,000 | 335,000 | 368,000 | 385,000 | 403,000 | 421,000 | 434,000 | 459,000 | 478,000 | 498,000 | 518,000 | 539,000 | 562,000 | 583,000 | 605,000 | 628,000 | 652,000 |
| B110~400 | 260,000 | 286,000 | 299,000 | 312,000 | 325,000 | 337,000 | 370,000 | 387,000 | 405,000 | 423,000 | 436,000 | 461,000 | 480,000 | 500,000 | 520,000 | 541,000 | 564,000 | 585,000 | 607,000 | 630,000 | 654,000 | |
| B410~600 | 266,000 | 291,000 | 304,000 | 317,000 | 331,000 | 343,000 | 376,000 | 392,000 | 411,000 | 429,000 | 442,000 | 466,000 | 486,000 | 505,000 | 526,000 | 547,000 | 569,000 | 591,000 | 613,000 | 636,000 | 660,000 | |
| JVLPBN4 | B80~100 | 220,000 | 240,000 | 245,000 | 250,000 | 256,000 | 261,000 | 286,000 | 296,000 | 306,000 | 316,000 | 322,000 | 343,000 | 354,000 | 365,000 | 376,000 | 388,000 | 404,000 | 416,000 | 430,000 | 444,000 | 459,000 |
| B110~400 | 222,000 | 241,000 | 247,000 | 252,000 | 258,000 | 263,000 | 288,000 | 298,000 | 308,000 | 318,000 | 324,000 | 345,000 | 356,000 | 367,000 | 378,000 | 390,000 | 406,000 | 418,000 | 432,000 | 446,000 | 461,000 | |
| B410~600 | 224,000 | 243,000 | 248,000 | 253,000 | 260,000 | 265,000 | 296,000 | 305,000 | 316,000 | 326,000 | 332,000 | 352,000 | 364,000 | 374,000 | 386,000 | 398,000 | 413,000 | 426,000 | 440,000 | 454,000 | 463,000 | |
| モータ・ベルト | モータ出力 | 仕様 | GT(ニッセイモータ) | IK(オリエンタルモーター) | NM(モータ・ギヤヘッドなし) |
| 仕様価格 | 25W | IM | ー | ー | 本体価格-¥6,000 |
| 40W | ー | ー | |||
| 60W | 本体価格+¥11,000 | ー | |||
| 25W | INVM | 本体価格+¥14,400 | ー | ||
| 40W | 本体価格+¥14,400 | ー | |||
| 60W | 本体価格+¥25,400 | ー | |||
| 25W | INVC | 本体価格+¥26,000 | ー | ||
| 40W | 本体価格+¥26,000 | ー | |||
| 60W | 本体価格+¥37,000 | ー | |||
| 25W | SCM | 本体価格+¥13,600 | ー | ||
| 40W | 本体価格+¥14,300 | ー | |||
| 60W | 本体価格+¥29,600 | ー | |||
| 60W | ABM | ー | 本体価格+¥60,000 |
| 数量区分 | 標準対応 | 個別対応 |
| 小口 | 大口 | |
| 数量 | 1~4 | 5~ |
| 値引率 | 基準単価 | お見積り |
| 出荷日 | 通常 |
| 16 | 日目出荷 |
| 型番 |
|---|
通常単価(税別)
(税込単価) | 通常出荷日 |
|---|
- ( - ) | 18日目 |
- ( - ) | 18日目 |
- ( - ) | 18日目 |
- ( - ) | 18日目 |
- ( - ) | 18日目 |
- ( - ) | 18日目 |
- ( - ) | 18日目 |
- ( - ) | 18日目 |
- ( - ) | 18日目 |
- ( - ) | 18日目 |
- ( - ) | 18日目 |
- ( - ) | 18日目 |
- ( - ) | 18日目 |
- ( - ) | 18日目 |
- ( - ) | 18日目 |
- ( - ) | 18日目 |
- ( - ) | 18日目 |
- ( - ) | 18日目 |
- ( - ) | 18日目 |
- ( - ) | 18日目 |
- ( - ) | 18日目 |
- ( - ) | 18日目 |
- ( - ) | 18日目 |
- ( - ) | 18日目 |
- ( - ) | 18日目 |
- ( - ) | 18日目 |
- ( - ) | 18日目 |
- ( - ) | 18日目 |
- ( - ) | 18日目 |
- ( - ) | 18日目 |
- ( - ) | 18日目 |
- ( - ) | 18日目 |
- ( - ) | 18日目 |
- ( - ) | 18日目 |
- ( - ) | 18日目 |
- ( - ) | 18日目 |
- ( - ) | 18日目 |
- ( - ) | 18日目 |
- ( - ) | 18日目 |
- ( - ) | 18日目 |
- ( - ) | 18日目 |
- ( - ) | 18日目 |
- ( - ) | 18日目 |
- ( - ) | 18日目 |
- ( - ) | 18日目 |
- ( - ) | 18日目 |
- ( - ) | 18日目 |
- ( - ) | 18日目 |
- ( - ) | 18日目 |
- ( - ) | 18日目 |
- ( - ) | 18日目 |
- ( - ) | 18日目 |
- ( - ) | 18日目 |
- ( - ) | 18日目 |
- ( - ) | 18日目 |
- ( - ) | 18日目 |
- ( - ) | 18日目 |
- ( - ) | 18日目 |
- ( - ) | 18日目 |
- ( - ) | 18日目 |
周辺部品・機器の取付自由度の高いヘッド駆動、機幅方向の長さを抑えられる直交中空軸ギヤヘッドタイプです。小型のパレット搬送に適した仕様です。
◆◆関連商品◆◆コンベヤスタンド(コンベヤ向けの脚、安価な2種類の商品です。)
・アングルタイプ(直角度保証、鉄)はこちら
・板金タイプ(厚み6mm、鉄とステンレス)はこちら
通常価格、通常出荷日が表示と異なる場合がございます
通常価格、通常出荷日が表示と異なる場合がございます

ミスミ
平ベルトコンベヤ 【GVシリーズ】 フルベルトタイプ ヘッド駆動2溝フレーム(プーリ径30mm)
4.5
ミスミ
平ベルトコンベヤ 【SVシリーズ】 中間駆動2溝フレーム Φ30
3.6
ミスミ
タイミングベルトコンベヤ 【GVシリーズ】 2列ヘッド駆動2溝フレーム(プーリ径30mm)
4.3
ミスミ
タイミングベルトコンベヤ【GVシリーズ】 2列中間駆動2溝フレーム(プーリ径30mm)
4.3
ミスミ
平ベルトコンベヤ SVシリーズ 蛇行抑制桟付ヘッド駆動2溝フレーム Φ30
4.5
ミスミ
平ベルトコンベヤ【SVシリーズ】蛇行抑制桟付中間駆動2溝フレーム Φ30
2.8
ミスミ
タイミングベルトコンベヤ【GVシリーズ】 単列中間駆動2溝フレーム(プーリ径30mm)
4.5
ミスミ
プラチェーンコンベヤ 2列ヘッド駆動3溝フレーム φ57
3
ミスミ
倍速チェーンコンベヤ【BVシリーズ】 呼び3 ヘッド駆動(直交軸)
0