メカニカル部品技術窓口
ミスミ品のみ対象

周辺部品・機器の取付自由度の高いヘッド駆動、機幅方向の長さを抑えられる直交中空軸ギヤヘッドタイプです。...
詳細を確認
※2:L=1505~3000時、3か所
L=3005~4500時、4か所
L=4505~5000時、5か所

| 出力(W) | モータ | 寸法(mm) | ||||||
| a | b | c | d | e | f | |||
| 25W | インダクションモータ | 三相200V | B+149.5 | 111.5 | 93 | 155 | 40.5 | 39 |
| 単相100V/200V | B+149.5 | 111.5 | 93 | 155 | 40.5 | 39 | ||
| スピードコントロールモータ | 単相100V/200V | B+149.5 | 111.5 | - | 166 | 40.5 | 39 | |
| 40W | インダクションモータ | 三相200V | B+149.5 | 111.5 | 93 | 155 | 40.5 | 39 |
| 単相100V/200V | B+149.5 | 111.5 | 93 | 193 | 40.5 | 39 | ||
| スピードコントロールモータ | 単相100V/200V | B+166 | 128 | - | 176.5 | 49 | 44.5 | |
| 60W | インダクションモータ | 三相200V | B+149.5 | 111.5 | 93 | 193 | 40.5 | 39 |
| 単相100V/200V | B+166 | 128 | 104 | 202 | 49 | 44.5 | ||
| スピードコントロールモータ | 単相100V/200V | B+166 | 128 | - | 209.5 | 49 | 44.5 | |

※2:L=1505~3000時、3か所
L=3005~4500時、4か所
L=4505~5000時、5か所

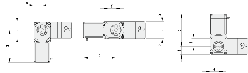
モーターマウント向き変更時の寸法(追加工MB・MC・MD) ※詳細はCADデータを参照ください。
【MB(下向き)】
【MC(外向き)】
【MD(上向き)】



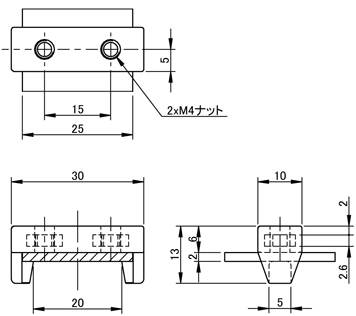
[ ! ]本商品のアタッチははめぱっちん(R)を採用しています。
(ナットタイプ POM)
[ ! ]フレーム繋ぎはご指定のスプロケット間距離(L)によって数量・位置が変化します。
[ ! ]六角穴付きボルトを緩めることでフレーム繋ぎ部を移動することができます。

| 型式 | ー | ベルト ピッチ | ー | 取付 ピッチ | ー | 取付 個数 | ー | プーリ間 距離 | ー | モータ | ||||||||
| 電圧 | ー | 仕様 | ー | 出力 | ー | ギヤヘッド 減速比 | ー | モータ メーカー | ||||||||||
| JVLTAA4 | ー | B100 | ー | P40 | ー | C30 | ー | L490 | ー | S200 | ー | IM | ー | A40 | ー | G50 | ー | GT |
| JVLTAA4 | ー | B100 | ー | P40 | ー | C30 | ー | L490 | ー | NV | ー | NM | ー | AN | ー | NH | ー | R |
| 型式 | ー | ベルト ピッチ | ー | 取付 ピッチ | ー | 取付 個数 | ー | プーリ間 距離 | ー | モータ | ||||||||
| 電圧 | ー | 仕様 | ー | 出力 | ー | ギヤヘッド 減速比 | ー | モータ メーカー | ||||||||||
| JVLTAA4 | ー | B100 | ー | P | ー | C | ー | L1000 | ー | S200 | ー | IM | ー | A40 | ー | G50 | ー | GT |
| 型式 | ベルト種類 | メーカー | メーカー型式 |
| JVLTAA4 | 通常 | ゲイツ・ユニッタ・アジア株式会社 | UM25-T10-1020SENUW+HP-T10-ST25N 【P=○mm×○】 ※ |
| JVLTAN4 | ベルトなし | ー | ー |
※ 例)取付ピッチ100mm、取付数量20個の場合
型式:UM25-T10-1020SENUW+HP-T10-ST25N【P=100mm×20】
| 型式 ※型式毎の相違点はチェーン種類のみ | ベルト種類 | ①B (チェーンピッチ) 指定10mm単位 | アタッチ仕様 | ④L (スプロケット間距離) 指定5mm単位 | モータ選択 | |||||||
| ②P (取付ピッチ) [mm] | ③C (1列・取付個数) 指定1個単位 | 電圧(V) | 仕様 | ⑤出力(W) | ⑥ギヤヘッド減速比 | モータメーカー | ||||||
| JVLTAA4 JVLTAN4 | 通常 ベルトなし Lのみの指定 | B80~B600 | P20 | C52~C200 | L400~L4990 L=(P×C-220) ÷ 2 での指定となります。 | S200 (三相200V) | IM (インダクションモータ) INVM (インダクションモータ+ 三菱製インバータ) INVC (インダクションモータ+ CC-Link対応三菱製インバータ) | A25 A40 A60 | G15 G30 G60 | G20 G40 | G25 G50 | GT(ニッセイ) |
| P30 | C34~C200 | |||||||||||
| P40 | C26~C200 | |||||||||||
| P50 | C22~C200 | |||||||||||
| P90 | C12~C110 | ABM (ACブラシレスモータ) | A60 | G15 G50 | G20 | G30 | IK(オリエンタルモーター) | |||||
| P100 | C12~C100 | T100 T200 (単相100/200V) | IM (インダクションモータ) SCM (スピードコントロールモータ) | A25 A40 A60 | G15 G30 G60 | G20 G40 | G25 G50 | GT(ニッセイ) | ||||
| P150 | C8~C68 | |||||||||||
| P200 | C6~C50 | NV (モータなし) | NM (モータなし) | AN (モータなし) | NH (モータなし) | R(モータ・ギアヘッドなし) | ||||||
取付ピッチP [mm] | 1列・取付個数C | プーリ間距離L(算出) | ベルト周長TB(算出) | |||
MIN | MAX | MIN | MAX | MIN | MAX | |
ベルトなし | ー | ー | 400 | 5000 | ー | ー |
20 | 52 | 200 | 410 | 1890 | 1,040 | 4,000 |
30 | 34 | 200 | 400 | 2890 | 1,020 | 6,000 |
40 | 26 | 200 | 410 | 3890 | 1,040 | 8,000 |
50 | 22 | 200 | 440 | 4890 | 1,100 | 10,000 |
90 | 12 | 110 | 430 | 4840 | 1,080 | 9,900 |
100 | 12 | 100 | 490 | 4890 | 1,200 | 10,000 |
150 | 8 | 68 | 490 | 4990 | 1,200 | 10,200 |
200 | 6 | 50 | 490 | 4890 | 1,200 | 10,000 |
減速比 | 50Hz | 60Hz |
15 | 22.0 | 26.4 |
20 | 16.5 | 19.8 |
25 | 13.2 | 15.8 |
30 | 11.0 | 13.2 |
40 | 8.2 | 9.9 |
50 | 6.6 | 7.9 |
60 | 5.5 | 6.6 |
減速比 | Min | Max |
15 | 1.1 | 52.8 |
20 | 0.8 | 39.6 |
30 | 0.5 | 26.4 |
50 | 0.3 | 15.8 |
※ベルト速度(m/min)Maxはモータ出力軸回転速度4000r/min、
Minは80r/minでの参考値です。
[ ! ](株)ニッセイ製インダクションギアモータの詳細は下記をご参照ください。
F2SM-12-□□-T□□
| 仕様 | INVM | INVC |
| メーカ | 三菱電機株式会社 | 三菱電機株式会社 |
| 型式 | FR-D720-0.1K | R-E820-0.1K-1 ※CC-Linkカード: FR-A8NC E-KIT 同梱 |
| 電源 | 三相200V | 三相200V |
| 備考 | CC-Link通信対応 |


[ ! ]ACブラシレスモータには、ドライバ用取り付けブラケットは付属しておりません。
| オリエンタルモータ | |||||||
| モータ | コントローラ型式 | モータ+ギヤヘッド型式 | 接続ケーブル | 電源ケーブル | |||
| 出力 | 仕様 | 電圧 | メーカー型式 | メーカー型式 | メーカー型式 | メーカー型式 | |
| 60W | ブラシレスモータ | 三相200~240V | BMUD30-C2 | BLM460SHPK-4H□S | CC01BL2 | ドライバ側 モーター側 | CC02AC04N(2m) |
| 備考 | [ ! ]ACブラシレスモータ仕様には次のものが含まれています。 モータ、ギヤヘッド、ドライバユニット、接続ケーブル(1m)、電源ケーブル(2m) ドライバ用取り付けねじ、取扱説明書 [ ! ]ブラシレスモータはコネクタ接続タイプとなります。引き出し方向は外形図、またはCADデータをご確認ください。 [ ! ]電源ケーブルの長さは追加工で長さ変更指定できます。 | ||||||
| 追加工 コード | 追加工内容 | 適用条件 | 指定例 | \/1Code | |
| MK | モータ位置勝手違い![]() | モータ位置が変更できます。 〈指定方法〉:MK | JVLTAA4 -B120-P40-C30-L490- IM-A60-G30-GT-MK | 1,000 | |
| TBM | 端子箱付モータ![]() | インダクションモータを端子箱付きの タイプに変更します。 モータ型式:A9M□JHL(□はW数) 〈指定方法〉:TBM | [ ! ]端子箱の方向は組替え可能です。 | JVLTAA4 -B120-P40-C30-L490- IM-A60-G30-GT-TBM | 5,000 |
| MB MC MD | モータ向きを変更 ![]() MB(下向き) MC(外向き) MD(上向き) | モータ向きを左図のように変更します。 〈指定方法〉:MB MC MD | [ ! ]MB・MC・MD選択時はモータ取り外し [ ! ]モータ取付方法は同梱の取扱説明書 | JVLTAA4 -B120-P40-C30-L490- IM-A60-G30-GT-MC | 2,000 |
3CL | 接続ケーブルの長さ変更 (3m) | ブラシレスモータの接続ケーブル長さを 通常の2mから3mに変更します。 | [ ! ]モータ仕様:ABM(ブラシレスモータ) | JVLTAA4 -B120-P40-C30-L490- ABM-A60-G50-IK-3CL | 1,000 |
5CL | 接続ケーブルの長さ変更 (5m) | ブラシレスモータの接続ケーブル長さを 通常の2mから5mに変更します。 | [ ! ]モータ仕様:ABM(ブラシレスモータ) | JVLTAA4 -B120-P40-C30-L490- ABM-A60-G50-IK-5CL | 5,000 |
10CL | 接続ケーブルの長さ変更 (10m) | ブラシレスモータの接続ケーブル長さを 通常の2mから10mに変更します。 | [ ! ]モータ仕様:ABM(ブラシレスモータ) | JVLTAA4 -B120-P40-C30-L490- ABM-A60-G50-IK-10CL | 12,000 |
| 型式 | B | ¥本体価格1~4台 | ||||||||||
| L400~1000 | L1005~1200 | L1205~1400 | L1405~1600 | L1605~1800 | L1805~2000 | L2005~2200 | L2205~2400 | L2405~2600 | L2605~2800 | L2805~3000 | ||
| JVLTAA4 | B80~100 | 201,000 | 209,000 | 215,000 | 220,000 | 226,000 | 232,000 | 260,000 | 271,000 | 283,000 | 295,000 | 303,000 |
| B110~400 | 203,000 | 211,000 | 217,000 | 222,000 | 228,000 | 234,000 | 262,000 | 273,000 | 285,000 | 297,000 | 305,000 | |
| B410~600 | 205,000 | 212,000 | 218,000 | 223,000 | 229,000 | 235,000 | 264,000 | 275,000 | 287,000 | 298,000 | 306,000 | |
| JVLTAN4 | B80~100 | 185,000 | 191,000 | 195,000 | 197,000 | 201,000 | 205,000 | 231,000 | 240,000 | 250,000 | 260,000 | 265,000 |
| B110~400 | 187,000 | 193,000 | 197,000 | 199,000 | 203,000 | 207,000 | 233,000 | 242,000 | 252,000 | 262,000 | 267,000 | |
| B410~600 | 189,000 | 194,000 | 198,000 | 200,000 | 204,000 | 208,000 | 235,000 | 244,000 | 254,000 | 263,000 | 268,000 | |
| 型式 | B | ¥本体価格1~4台 | ¥アタッチ価格 | |||||||||
| L3005~3200 | L3205~3400 | L3405~3600 | L3605~3800 | L3805~4000 | L4005~4200 | L4205~4400 | L4405~4600 | L4605~4800 | L4805~5000 | C8~200 | ||
| JVLTAA4 | B80~100 | 336,000 | 344,000 | 357,000 | 371,000 | 384,000 | 401,000 | 413,000 | 425,000 | 437,000 | 450,000 | C(取付個数) × ¥1,060 |
| B110~400 | 338,000 | 346,000 | 359,000 | 373,000 | 386,000 | 403,000 | 415,000 | 427,000 | 439,000 | 452,000 | ||
| B410~600 | 339,000 | 348,000 | 360,000 | 374,000 | 388,000 | 405,000 | 417,000 | 428,000 | 440,000 | 454,000 | ||
| JVLTAN4 | B80~100 | 296,000 | 302,000 | 313,000 | 325,000 | 336,000 | 350,000 | 360,000 | 370,000 | 380,000 | 391,000 | ー |
| B110~400 | 298,000 | 304,000 | 315,000 | 327,000 | 338,000 | 352,000 | 362,000 | 372,000 | 382,000 | 393,000 | ||
| B410~600 | 299,000 | 306,000 | 316,000 | 328,000 | 340,000 | 354,000 | 364,000 | 373,000 | 383,000 | 395,000 | ||
| モータ・ベルト 仕様価格 | モータ出力 | 仕様 | GT(ニッセイモータ) | IK(オリエンタルモーター) | NM(モータ・ギヤヘッドなし) |
| 25W | IM | ー | ー | 本体価格-¥6,000 | |
| 40W | ー | ー | |||
| 60W | 本体価格+¥11,000 | ー | |||
| 25W | INVM | 本体価格+¥14,400 | ー | ||
| 40W | 本体価格+¥14,400 | ー | |||
| 60W | 本体価格+¥25,400 | ー | |||
| 25W | INVC | 本体価格+¥26,000 | ー | ||
| 40W | 本体価格+¥26,000 | ー | |||
| 60W | 本体価格+¥37,000 | ー | |||
| 25W | SCM | 本体価格+¥13,600 | ー | ||
| 40W | 本体価格+¥14,300 | ー | |||
| 60W | 本体価格+¥29,600 | ー | |||
| 60W | ABM | ー | 本体価格+¥60,000 |
| 数量区分 | 標準対応 | 個別対応 |
| 小口 | 大口 | |
| 数量 | 1~4 | 5~ |
| 値引率 | 基準単価 | お見積り |
| 出荷日 | 通常 |
| 18 | 日目出荷 |
■オプション部品
・スタンド・ガイド・ホッパなどのオプション部品は こちら
■コンベヤ総合情報
・商品情報、技術情報などコンベヤ全般については こちら
| 型番 |
|---|
通常単価(税別)
(税込単価) | 通常出荷日 |
|---|
- ( - ) | 18日目 |
- ( - ) | 18日目 |
- ( - ) | 18日目 |
- ( - ) | 18日目 |
- ( - ) | 18日目 |
- ( - ) | 18日目 |
- ( - ) | 18日目 |
- ( - ) | 18日目 |
- ( - ) | 18日目 |
- ( - ) | 18日目 |
- ( - ) | 18日目 |
- ( - ) | 18日目 |
- ( - ) | 18日目 |
- ( - ) | 18日目 |
- ( - ) | 18日目 |
- ( - ) | 18日目 |
- ( - ) | 18日目 |
- ( - ) | 18日目 |
- ( - ) | 18日目 |
- ( - ) | 18日目 |
- ( - ) | 18日目 |
- ( - ) | 18日目 |
- ( - ) | 18日目 |
- ( - ) | 18日目 |
- ( - ) | 18日目 |
- ( - ) | 18日目 |
- ( - ) | 18日目 |
- ( - ) | 18日目 |
- ( - ) | 18日目 |
- ( - ) | 18日目 |
- ( - ) | 18日目 |
- ( - ) | 18日目 |
- ( - ) | 18日目 |
- ( - ) | 18日目 |
- ( - ) | 18日目 |
- ( - ) | 18日目 |
- ( - ) | 18日目 |
- ( - ) | 18日目 |
- ( - ) | 18日目 |
- ( - ) | 18日目 |
- ( - ) | 18日目 |
- ( - ) | 18日目 |
- ( - ) | 18日目 |
- ( - ) | 18日目 |
- ( - ) | 18日目 |
- ( - ) | 18日目 |
- ( - ) | 18日目 |
- ( - ) | 18日目 |
- ( - ) | 18日目 |
- ( - ) | 18日目 |
- ( - ) | 18日目 |
- ( - ) | 18日目 |
- ( - ) | 18日目 |
- ( - ) | 18日目 |
- ( - ) | 18日目 |
- ( - ) | 18日目 |
- ( - ) | 18日目 |
- ( - ) | 18日目 |
- ( - ) | 18日目 |
- ( - ) | 18日目 |
周辺部品・機器の取付自由度の高いヘッド駆動、機幅方向の長さを抑えられる直交中空軸ギヤヘッドタイプです。ジグを取付け、ピッチ送り搬送に適した仕様です。
本商品のアタッチメントははめぱっちん(R)を採用しています。(ナットタイプ POM)
※はめぱっちん(R)はゲイツ・ユニッタ・アジアの登録商標です。
POM製はめぱっちん(R)にSUS製のナットがインサートされているタイプです。
ベース(基台)として使用することでその上の取付部品の形状は自由に設計が可能です。
【規格追加】
・オリエンタルモーター端子箱付きを追加いたしました。
・CC-Link対応三菱電機製インバータを追加いたしました。
◆◆関連商品◆◆コンベヤスタンド(プラチェーンコンベヤ向けの脚、安価な2種類の商品です。)
・アングルタイプ(直角度保証、鉄)はこちら
・板金タイプ(厚み6mm、鉄とステンレス)はこちら
通常価格、通常出荷日が表示と異なる場合がございます
通常価格、通常出荷日が表示と異なる場合がございます

ミスミ
平ベルトコンベヤ 【SVシリーズ】 中間駆動2溝フレーム Φ30
3.6
ミスミ
平ベルトコンベヤ 【SVシリーズ】 ヘッド駆動2溝フレーム(プーリ径30mm)
4.7
ミスミ
平ベルトコンベヤ 【CVシリーズ】高出力タイプ 中間駆動3溝フレーム Φ60/30
0
ミスミ
平ベルトコンベヤ【SVシリーズ】蛇行抑制桟付中間駆動2溝フレーム Φ30
2.8
ミスミ
平ベルトコンベヤ【GVシリーズ】 ヘッド駆動2溝フレーム(プーリ径30mm)
5
ミスミ
平ベルトコンベヤ SVシリーズ 蛇行抑制桟付ヘッド駆動2溝フレーム Φ30
4.5
ミスミ
タイミングベルトコンベヤ【GVシリーズ】 単列中間駆動2溝フレーム(プーリ径30mm)
4.5
ミスミ
タイミングベルトコンベヤ【GVシリーズ】 2列中間駆動2溝フレーム(プーリ径30mm)
4.3
ミスミ
平ベルトコンベヤ【SVシリーズ】ACブラシレスモータ 中間駆動2溝フレーム
4