メカニカル部品技術窓口
ミスミ品のみ対象

周辺部品・機器の取付自由度の高いヘッド駆動、機幅方向の長さを抑えられる直交中空軸ギヤヘッドタイプです。...
詳細を確認
(※寸法は端子箱付モーター選択時(追加工TBM)の端子箱寸法)
※1:本機種は搬送チェーンのたるみ量調整機構はありません。
取付ジグ、周辺環境に応じてチェーンリターン側に受け部品などの設置をご検討ください。
※2:L=1505~3000時、3か所
L=3005~4500時、4か所
L=4505~5000時、5か所

| 出力(W) | モータ | 寸法(mm) | ||||||
| a | b | c | d | e | f | |||
| 25W | インダクションモータ | 三相200V | B+149.5 | 111.5 | 93 | 155 | 40.5 | 39 |
| 単相100V/200V | B+149.5 | 111.5 | 93 | 155 | 40.5 | 39 | ||
| スピードコントロールモータ | 単相100V/200V | B+149.5 | 111.5 | - | 166 | 40.5 | 39 | |
| 40W | インダクションモータ | 三相200V | B+149.5 | 111.5 | 93 | 155 | 40.5 | 39 |
| 単相100V/200V | B+149.5 | 111.5 | 93 | 193 | 40.5 | 39 | ||
| スピードコントロールモータ | 単相100V/200V | B+166 | 128 | - | 176.5 | 49 | 44.5 | |
| 60W | インダクションモータ | 三相200V | B+149.5 | 111.5 | 93 | 193 | 40.5 | 39 |
| 単相100V/200V | B+166 | 128 | 104 | 202 | 49 | 44.5 | ||
| スピードコントロールモータ | 単相100V/200V | B+166 | 128 | - | 209.5 | 49 | 44.5 | |

※1:本機種は搬送チェーンのたるみ量調整機構はありません。
取付ジグ、周辺環境に応じてチェーンリターン側に受け部品などの設置をご検討ください。
※2:L=1505~3000時、3か所
L=3005~4500時、4か所
L=4505~5000時、5か所

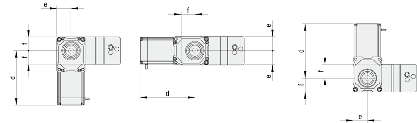
モーターマウント向き変更時の寸法(追加工MB・MC・MD) ※詳細はCADデータを参照ください。
【MB(下向き)】
【MC(外向き)】
【MD(上向き)】

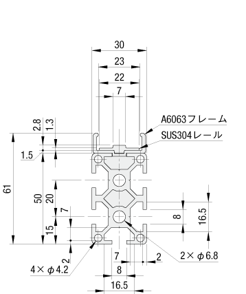
■フレーム寸法

X部 フレーム連結部詳細
本体アルミフレーム | ステンレスレール | ||
[ M ]材質 | [ S ]表面処理 | [ M ]材質 | [ S ]表面処理 |
アルミ合金(A6063) | 白アルマイト | SUS304 | ― |
| 型式 | ー | チェーン ピッチ | ー | スプロケット間 距離 | ー | モータ | ||||||||
| 電圧 | ー | 仕様 | ー | 出力 | ー | ギヤヘッド 減速比 | ー | モータ メーカー | ||||||
| JVLPAA4 | ー | B100 | ー | L1500 | ー | S200 | ー | IM | ー | A40 | ー | G50 | ー | GT |
| JVLPAA4 | ー | B100 | ー | L1500 | ー | NV | ー | NM | ー | AN | ー | NH | ー | R |
型式 | チェーン種類 | メーカー | メーカー型式 |
JVLPAA4 | Kアタッチ(2リンク毎) | 株式会社 椿本チエイン | RS40-PC-2LK1 |
JVLPAB4 | Kアタッチ(4リンク毎) | RS40-PC-4LK1 | |
JVLPAC4 | Aアタッチ(2リンク毎・外向き) | RS40-PC-2LA1 | |
JVLPAD4 | Aアタッチ(4リンク毎・外向き) | RS40-PC-4LA1 | |
JVLPAN4 | チェーンなし | ー | ー |
型式 ※型式毎の相違点は チェーン種類のみ | チェーン種類 | B (チェーンピッチ) 指定10mm単位 | L (スプロケット間距離) 指定5mm単位 | モータ選択 | ||||||
| 電圧(v) | 仕様 | 出力(W) | ギヤヘッド減速比 | モータメーカー | ||||||
JVLPAA4 JVLPAB4 JVLPAC4 JVLPAD4 JVLPAN4 | Kアタッチ(2リンク毎) Kアタッチ(4リンク毎) Aアタッチ(2リンク毎・外向き) Aアタッチ(4リンク毎・外向き) チェーンなし | B80~B600 | L400~L5000 | S200 (三相200V) | IM (インダクションモータ) INVM (インダクションモータ +三菱製インバータ) INVC (インダクションモータ+ CC-Link対応三菱製インバータ) | A25 A40 A60 | G15 G30 G60 | G20 G40 | G25 G50 | GT(ニッセイ) |
| ABM (ACブラシレスモータ) | A60 | G15 G50 | G20 | G30 | IK(オリエンタルモーター) | |||||
| T100 T200 (単相100/200V) | IM (インダクションモータ) SCM (スピードコントロールモータ) | A25 A40 A60 | G15 G30 G60 | G20 G40 | G25 G50 | GT(ニッセイ) | ||||
| NV (モータなし) | NM (モータなし) | AN (モータなし) | NH (モータなし) | R(モータ・ギヤヘッドなし) | ||||||
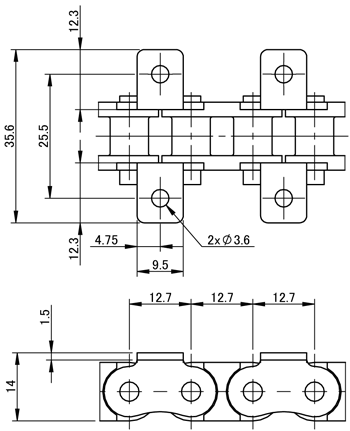
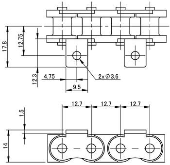
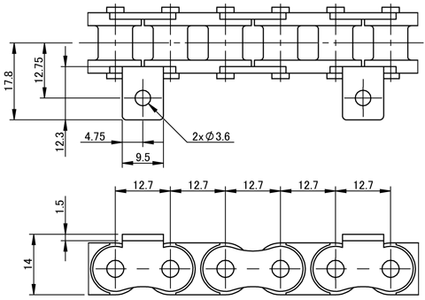
■プラコンビアタッチチェーン概略寸法図




減速比 | 50Hz | 60Hz |
15 | 17.7 | 21.3 |
20 | 13.3 | 16.0 |
25 | 10.6 | 12.8 |
30 | 8.8 | 10.6 |
40 | 6.6 | 8.0 |
50 | 5.3 | 6.4 |
60 | 4.4 | 5.3 |
減速比 | Min | Max |
15 | 0.9 | 42.6 |
20 | 0.7 | 32.0 |
| 30 | 0.4 | 21.3 |
| 50 | 0.2 | 12.8 |
※チェーン速度(m/min)Maxはモータ出力軸回転速度4000r/min、
Minは80r/minでの参考値です。
[ ! ](株)ニッセイ製インダクションギアモータの詳細は下記をご参照ください。
F2SM-12-□□-T□□
■ブラシレスモータドライバ


[ ! ]ACブラシレスモータには、ドライバ用取り付けブラケットは付属しておりません。
| オリエンタルモータ | |||||||
| モータ | コントローラ型式 | モータ+ギヤヘッド型式 | 接続ケーブル | 電源ケーブル | |||
| 出力 | 仕様 | 電圧 | メーカー型式 | メーカー型式 | メーカー型式 | メーカー型式 | |
| 60W | ブラシレスモータ | 三相200~240V | BMUD30-C2 | BLM460SHPK-4H□S | CC01BL2 | ドライバ側 モーター側 | CC02AC04N(2m) |
| 備考 | [ ! ]ACブラシレスモータ仕様には次のものが含まれています。 モータ、ギヤヘッド、ドライバユニット、接続ケーブル(1m)、電源ケーブル(2m) ドライバ用取り付けねじ、取扱説明書 [ ! ]ブラシレスモータはコネクタ接続タイプとなります。引き出し方向は外形図、またはCADデータをご確認ください。 [ ! ]電源ケーブルの長さは追加工で長さ変更指定できます。 | ||||||
| 仕様 | INVM | INVC |
| メーカ | 三菱電機株式会社 | 三菱電機株式会社 |
| 型式 | FR-D720-0.1K | R-E820-0.1K-1 ※CC-Linkカード: FR-A8NC E-KIT 同梱 |
| 電源 | 三相200V | 三相200V |
| 備考 | CC-Link通信対応 |
| 追加工 コード | 追加工内容 | 適用条件 | 指定例 | \/1Code | |
| MK | モータ位置勝手違い![]() | モータ位置が変更できます。 〈指定方法〉:MK | JVLPAA4 -B120-L2150- IM-A60-G30-GT-MK | 1,000 | |
| TBM | 端子箱付モータ![]() | インダクションモータを端子箱付きのタイプに 変更します。 モータ型式:A9M□JHL(□はW数) 〈指定方法〉:TBM | [ ! ]端子箱の方向は組替え可能です。 | JVLPAA4 -B120-L2150- IM-A60-G30-GT-TBM | 5,000 |
| MB MC MD | モータ向きを変更 ![]() MB(下向き) MC(外向き) MD(上向き) | モータ向きを左図のように変更します。 〈指定方法〉:MB MC MD | [ ! ]MB・MC・MD選択時はモータ取り外し [ ! ]モータ取付方法は同梱の取扱説明書 | JVLPAA4 -B120-L2150- IM-A60-G30-GT-MC | 2,000 |
3CL | 接続ケーブルの長さ変更 (3m) | ブラシレスモータの接続ケーブル長さを 通常の2mから3mに変更します。 | [ ! ]モータ仕様:ABM(ブラシレスモータ) | JVLPAA4 -B120-L2150- ABM-A60-G50-IK-3CL | 1,000 |
5CL | 接続ケーブルの長さ変更 (5m) | ブラシレスモータの接続ケーブル長さを 通常の2mから5mに変更します。 | [ ! ]モータ仕様:ABM(ブラシレスモータ) | JVLPAA4 -B120-L2150- ABM-A60-G50-IK-5CL | 5,000 |
10CL | 接続ケーブルの長さ変更 (10m) | ブラシレスモータの接続ケーブル長さを 通常の2mから10mに変更します。 | [ ! ]モータ仕様:ABM(ブラシレスモータ) | JVLPAA4 -B120-L2150- ABM-A60-G50-IK-10CL | 12,000 |
| 型式 | B | ¥本体価格1~4台 | ||||||||||
| L400~1000 | L1005~1200 | L1205~1400 | L1405~1600 | L1605~1800 | L1805~2000 | L2005~2200 | L2205~2400 | L2405~2600 | L2605~2800 | L2805~3000 | ||
| JVLPAA4 | B80~100 | 205,000 | 218,000 | 223,000 | 228,000 | 236,000 | 245,000 | 268,000 | 277,000 | 286,000 | 296,000 | 302,000 |
| B110~400 | 207,000 | 220,000 | 225,000 | 230,000 | 238,000 | 247,000 | 270,000 | 279,000 | 288,000 | 298,000 | 304,000 | |
| B410~600 | 209,000 | 221,000 | 226,000 | 231,000 | 239,000 | 248,000 | 272,000 | 281,000 | 290,000 | 299,000 | 305,000 | |
| JVLPAB4 | B80~100 | 200,000 | 212,000 | 216,000 | 220,000 | 227,000 | 235,000 | 257,000 | 265,000 | 273,000 | 282,000 | 286,000 |
| B110~400 | 202,000 | 214,000 | 218,000 | 222,000 | 229,000 | 237,000 | 259,000 | 267,000 | 275,000 | 284,000 | 288,000 | |
| B410~600 | 204,000 | 215,000 | 219,000 | 223,000 | 230,000 | 238,000 | 261,000 | 269,000 | 277,000 | 285,000 | 289,000 | |
| JVLPAC4 | B80~100 | 200,000 | 212,000 | 216,000 | 220,000 | 227,000 | 235,000 | 257,000 | 265,000 | 273,000 | 282,000 | 286,000 |
| B110~400 | 202,000 | 214,000 | 218,000 | 222,000 | 229,000 | 237,000 | 259,000 | 267,000 | 275,000 | 284,000 | 288,000 | |
| B410~600 | 204,000 | 215,000 | 219,000 | 223,000 | 230,000 | 238,000 | 261,000 | 269,000 | 277,000 | 285,000 | 289,000 | |
| JVLPAD4 | B80~100 | 199,000 | 210,000 | 214,000 | 218,000 | 225,000 | 232,000 | 254,000 | 261,000 | 269,000 | 277,000 | 282,000 |
| B110~400 | 201,000 | 212,000 | 216,000 | 220,000 | 227,000 | 234,000 | 256,000 | 263,000 | 271,000 | 279,000 | 284,000 | |
| B410~600 | 203,000 | 213,000 | 217,000 | 221,000 | 228,000 | 235,000 | 258,000 | 265,000 | 273,000 | 280,000 | 285,000 | |
| JVLPAN4 | B80~100 | 182,000 | 191,000 | 192,000 | 192,000 | 196,000 | 201,000 | 220,000 | 225,000 | 230,000 | 236,000 | 238,000 |
| B110~400 | 184,000 | 193,000 | 194,000 | 194,000 | 198,000 | 203,000 | 222,000 | 227,000 | 232,000 | 238,000 | 240,000 | |
| B410~600 | 186,000 | 194,000 | 195,000 | 195,000 | 199,000 | 204,000 | 224,000 | 229,000 | 234,000 | 239,000 | 241,000 | |
| 型式 | B | ¥本体価格1~4台 | |||||||||
| L3005~3200 | L3205~3400 | L3405~3600 | L3605~3800 | L3805~4000 | L4005~4200 | L4205~4400 | L4405~4600 | L4605~4800 | L4805~5000 | ||
| JVLPAA4 | B80~100 | 326,000 | 336,000 | 346,000 | 357,000 | 368,000 | 383,000 | 394,000 | 406,000 | 418,000 | 430,000 |
| B110~400 | 328,000 | 338,000 | 348,000 | 359,000 | 370,000 | 385,000 | 396,000 | 408,000 | 420,000 | 432,000 | |
| B410~600 | 329,000 | 340,000 | 349,000 | 360,000 | 372,000 | 387,000 | 398,000 | 409,000 | 421,000 | 434,000 | |
| JVLPAB4 | B80~100 | 311,000 | 319,000 | 328,000 | 337,000 | 347,000 | 361,000 | 371,000 | 381,000 | 392,000 | 402,000 |
| B110~400 | 313,000 | 321,000 | 330,000 | 339,000 | 349,000 | 363,000 | 373,000 | 383,000 | 394,000 | 404,000 | |
| B410~600 | 314,000 | 323,000 | 331,000 | 340,000 | 351,000 | 365,000 | 375,000 | 384,000 | 395,000 | 406,000 | |
| JVLPAC4 | B80~100 | 311,000 | 319,000 | 328,000 | 337,000 | 347,000 | 361,000 | 371,000 | 381,000 | 392,000 | 402,000 |
| B110~400 | 313,000 | 321,000 | 330,000 | 339,000 | 349,000 | 363,000 | 373,000 | 383,000 | 394,000 | 404,000 | |
| B410~600 | 314,000 | 323,000 | 331,000 | 340,000 | 351,000 | 365,000 | 375,000 | 384,000 | 395,000 | 406,000 | |
| JVLPAD4 | B80~100 | 306,000 | 315,000 | 323,000 | 332,000 | 341,000 | 354,000 | 364,000 | 374,000 | 384,000 | 394,000 |
| B110~400 | 308,000 | 317,000 | 325,000 | 334,000 | 343,000 | 356,000 | 366,000 | 376,000 | 386,000 | 396,000 | |
| B410~600 | 309,000 | 319,000 | 326,000 | 335,000 | 345,000 | 358,000 | 368,000 | 377,000 | 387,000 | 398,000 | |
| JVLPAN4 | B80~100 | 257,000 | 263,000 | 269,000 | 275,000 | 282,000 | 292,000 | 299,000 | 307,000 | 315,000 | 323,000 |
| B110~400 | 259,000 | 265,000 | 271,000 | 277,000 | 284,000 | 294,000 | 301,000 | 309,000 | 317,000 | 325,000 | |
| B410~600 | 260,000 | 267,000 | 272,000 | 278,000 | 286,000 | 296,000 | 303,000 | 310,000 | 318,000 | 327,000 | |
| モータ・ベルト 仕様価格 | モータ出力 | 仕様 | GT(ニッセイモータ) | IK(オリエンタルモーター) | NM(モータ・ギヤヘッドなし) |
| 25W | IM | ー | ー | 本体価格-¥6,000 | |
| 40W | ー | ー | |||
| 60W | 本体価格+¥11,000 | ー | |||
| 25W | INVM | 本体価格+¥14,400 | ー | ||
| 40W | 本体価格+¥14,400 | ー | |||
| 60W | 本体価格+¥25,400 | ー | |||
| 25W | INVC | 本体価格+¥26,000 | ー | ||
| 40W | 本体価格+¥26,000 | ー | |||
| 60W | 本体価格+¥37,000 | ー | |||
| 25W | SCM | 本体価格+¥13,600 | ー | ||
| 40W | 本体価格+¥14,300 | ー | |||
| 60W | 本体価格+¥29,600 | ー | |||
| 60W | ABM | ー | 本体価格+¥60,000 |
| 数量区分 | 標準対応 | 個別対応 |
| 小口 | 大口 | |
| 数量 | 1~4 | 5~ |
| 値引率 | 基準単価 | お見積り |
| 出荷日 | 通常 |
| 18 | 日目出荷 |
■オプション部品
・スタンド・ガイド・ホッパなどのオプション部品は こちら
■コンベヤ総合情報
・商品情報、技術情報などコンベヤ全般については こちら
| 型番 |
|---|
通常単価(税別)
(税込単価) | 通常出荷日 |
|---|
- ( - ) | 18日目 |
- ( - ) | 18日目 |
- ( - ) | 18日目 |
- ( - ) | 18日目 |
- ( - ) | 18日目 |
- ( - ) | 18日目 |
- ( - ) | 18日目 |
- ( - ) | 18日目 |
- ( - ) | 18日目 |
- ( - ) | 18日目 |
- ( - ) | 18日目 |
- ( - ) | 18日目 |
- ( - ) | 18日目 |
- ( - ) | 18日目 |
- ( - ) | 18日目 |
- ( - ) | 18日目 |
- ( - ) | 18日目 |
- ( - ) | 18日目 |
- ( - ) | 18日目 |
- ( - ) | 18日目 |
- ( - ) | 18日目 |
- ( - ) | 18日目 |
- ( - ) | 18日目 |
- ( - ) | 18日目 |
- ( - ) | 18日目 |
- ( - ) | 18日目 |
- ( - ) | 18日目 |
- ( - ) | 18日目 |
- ( - ) | 18日目 |
- ( - ) | 18日目 |
- ( - ) | 18日目 |
- ( - ) | 18日目 |
- ( - ) | 18日目 |
- ( - ) | 18日目 |
- ( - ) | 18日目 |
- ( - ) | 18日目 |
- ( - ) | 18日目 |
- ( - ) | 18日目 |
- ( - ) | 18日目 |
- ( - ) | 18日目 |
- ( - ) | 18日目 |
- ( - ) | 18日目 |
- ( - ) | 18日目 |
- ( - ) | 18日目 |
- ( - ) | 18日目 |
- ( - ) | 18日目 |
- ( - ) | 18日目 |
- ( - ) | 18日目 |
- ( - ) | 18日目 |
- ( - ) | 18日目 |
- ( - ) | 18日目 |
- ( - ) | 18日目 |
- ( - ) | 18日目 |
- ( - ) | 18日目 |
- ( - ) | 18日目 |
- ( - ) | 18日目 |
- ( - ) | 18日目 |
- ( - ) | 18日目 |
- ( - ) | 18日目 |
- ( - ) | 18日目 |
周辺部品・機器の取付自由度の高いヘッド駆動、機幅方向の長さを抑えられる直交中空軸ギヤヘッドタイプです。ジグを取付け、ピッチ送り搬送に適した仕様です。
【規格追加】
・オリエンタルモーター端子箱付きを追加いたしました。
・CC-Link対応三菱電機製インバータを追加いたしました。
◆◆関連商品◆◆コンベヤスタンド(プラチェーンコンベヤ向けの脚、安価な2種類の商品です。)
・アングルタイプ(直角度保証、鉄)はこちら
・板金タイプ(厚み6mm、鉄とステンレス)はこちら
通常価格、通常出荷日が表示と異なる場合がございます
通常価格、通常出荷日が表示と異なる場合がございます

ミスミ
平ベルトコンベヤ 【SVシリーズ】 中間駆動2溝フレーム Φ30
3.6
ミスミ
平ベルトコンベヤ SVシリーズ 蛇行抑制桟付ヘッド駆動2溝フレーム Φ30
4.5
ミスミ
平ベルトコンベヤ 【SVシリーズ】 ヘッド駆動2溝フレーム(プーリ径30mm)
4.7
ミスミ
平ベルトコンベヤ 【GVシリーズ】 フルベルトタイプ ヘッド駆動2溝フレーム(プーリ径30mm)
4.5
ミスミ
平ベルトコンベヤ【SVシリーズ】蛇行抑制桟付中間駆動2溝フレーム Φ30
2.8
ミスミ
タイミングベルトコンベヤ 【CVシリーズ】2列中間駆動3溝フレーム Φ50
2.5
ミスミ
倍速チェーンコンベヤ【BVシリーズ】 呼び4 ヘッド駆動(直交軸)
0
ミスミ
プラチェーンコンベヤ 2列ヘッド駆動3溝フレーム φ57
3
ミスミ
タイミングベルトコンベヤ 【CVシリーズ】2列ヘッド駆動3溝フレーム Φ50
0